Logo
Ru| En

Office: M. Baumanskaya

Warehouse: Leninsky urban district

Loading

Geberit Mapress flanges made of stainless steel and carbon steel

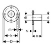
Geberit Mapress flanges are made of stainless steel 1.4401 and non-alloy steel 1.0034 E 195, they can have diameter from 54 to 108 mm. The flanges are available with plain ends PN 10/16. Comes without set of bolts and without gasket.

The group of products includes flanged stub, including flanged stub with plain end, for loose flange PN 6 and PN 10/16. Diameters of the flanged stub range from 15 to 108 mm. The flanged stubs are delivered without gasket, set of bolts and loose flange.

Also the Geberit company produces flanges made of stainless Cr-Ni-Mo steel 1.4401 BS 316 and models for gas installations with natural gases (NG) and liquefied gases (LPG). They are distinguished by yellow marking.

Photo Наименование Article Цена
[NO LONGER PRODUCED. REPLACEMENT: 23767] - Geberit Mapress Carbon Steel flange PN 6, with plain end, d 42 [Code number: 23735]
Details
23735

ATTENTION! This product is temporarily unavailable for order!

Application purpose:

  • For heating installations
  • For air-conditioning applications
  • Not suitable for drinking water

Characteristics:

  • Leaky if unpressed
  • PWIS-free
  • Galvanized

Scope of delivery:

  • Excluded: Set of bolts for flange
  • Excluded: Flange gasket

Material: Non-alloy steel 1.0034 E 195 (DIN EN 10305)

Download the installation instructions: Geberit Mapress system

d di D k m H h n PN
mm mm cm cm cm cm cm ST bar
42 39 13 10 1,4 10,5 1,6 4 6

It can be used with:

Geberit flange gaskets PN 6 Geberit bolt sets Geberit bolt set for flange connection
     
91041 91164 91064
91042 91165 91065
91043 91166 91066
91044 91167 91067
91045 91168 91068
91046 91169 91069
91047 91170 91070
91048 91171 91071
91049 91172 91072
  91173 91073
[NO LONGER PRODUCED. REPLACEMENT: 23768] - Geberit Mapress Carbon Steel flange PN 6, with plain end, d 54 [Code number: 23736]
Details
23736

ATTENTION! This product is temporarily unavailable for order!

Application purpose:

  • For heating installations
  • For air-conditioning applications
  • Not suitable for drinking water

Characteristics:

  • Leaky if unpressed
  • PWIS-free
  • Galvanized

Scope of delivery:

  • Excluded: Set of bolts for flange
  • Excluded: Flange gasket

Technical data

Material: Non-alloy steel 1.0034 E 195 (DIN EN 10305)

Download the installation instructions: Geberit Mapress system

d di D k m H h n PN
mm mm cm cm cm cm cm ST bar
54 51 14 11 1,4 11,1 1,6 4 6

It can be used with:

Geberit flange gaskets PN 6 Geberit bolt sets Geberit bolt set for flange connection
     
91041 91164 91064
91042 91165 91065
91043 91166 91066
91044 91167 91067
91045 91168 91068
91046 91169 91069
91047 91170 91070
91048 91171 91071
91049 91172 91072
  91173 91073
[NO LONGER PRODUCED. REPLACEMENT: 23769] - Geberit Mapress Carbon Steel flange PN 6, with plain end, d76,1 [Code number: 23737]
Details
23737

ATTENTION! This product is temporarily unavailable for order!

Application purpose:

  • For heating installations
  • For air-conditioning applications
  • Not suitable for drinking water

Characteristics:

  • Leaky if unpressed
  • PWIS-free
  • Galvanized

Scope of delivery:

  • Excluded: Set of bolts for flange
  • Excluded: Flange gasket

Technical data

Material: Non-alloy steel 1.0034 E 195 (DIN EN 10305)

Download the installation instructions: Geberit Mapress system

d di D k m H h n PN
mm mm cm cm cm cm cm ST bar
76,1 72,4 16 13 1,4 14,7 1,6 4 6

It can be used with:

Geberit flange gaskets PN 6 Geberit bolt sets Geberit bolt set for flange connection
     
91041 91164 91064
91042 91165 91065
91043 91166 91066
91044 91167 91067
91045 91168 91068
91046 91169 91069
91047 91170 91070
91048 91171 91071
91049 91172 91072
  91173 91073
[NO LONGER PRODUCED. REPLACEMENT: 23770] - Geberit Mapress Carbon Steel flange PN 6, with plain end, d88,9 [Code number: 23738]
Details
23738

ATTENTION! This product is temporarily unavailable for order!

Application purpose:

  • For heating installations
  • For air-conditioning applications
  • Not suitable for drinking water

Characteristics:

  • Leaky if unpressed
  • PWIS-free
  • Galvanized

Scope of delivery:

  • Excluded: Set of bolts for flange
  • Excluded: Flange gasket

Technical data

Material: Non-alloy steel 1.0034 E 195 (DIN EN 10305)

Download the installation instructions: Geberit Mapress system

d di D k m H h n PN
mm mm cm cm cm cm cm ST bar
88,9 85,2 19 15 1,8 16,1 1,8 4 6

It can be used with:

Geberit flange gaskets PN 6 Geberit bolt sets Geberit bolt set for flange connection
     
91041 91164 91064
91042 91165 91065
91043 91166 91066
91044 91167 91067
91045 91168 91068
91046 91169 91069
91047 91170 91070
91048 91171 91071
91049 91172 91072
  91173 91073
[NO LONGER PRODUCED. REPLACEMENT: 23771] - Geberit Mapress Carbon Steel flange PN 6, with plain end, d108 [Code number: 23739]
Details
23739

ATTENTION! This product is temporarily unavailable for order!

Application purpose:

  • For heating installations
  • For air-conditioning applications
  • Not suitable for drinking water

Characteristics:

  • Leaky if unpressed
  • PWIS-free
  • Galvanized

Scope of delivery:

  • Excluded: Set of bolts for flange
  • Excluded: Flange gasket

Technical data

Material: Non-alloy steel 1.0034 E 195 (DIN EN 10305)

Download the installation instructions: Geberit Mapress system

d di D k m H h n PN
mm mm cm cm cm cm cm ST bar
108 104,3 21 17 1,8 17,5 1,8 4 6

It can be used with:

Geberit flange gaskets PN 6 Geberit bolt sets Geberit bolt set for flange connection
     
91041 91164 91064
91042 91165 91065
91043 91166 91066
91044 91167 91067
91045 91168 91068
91046 91169 91069
91047 91170 91070
91048 91171 91071
91049 91172 91072
  91173 91073
[NO LONGER PRODUCED. REPLACEMENT: 33748] - Geberit Mapress Stainless Steel flange PN 10/16, with plain end, d 54 [Code number: 33728]
Details
33728

ATTENTION! This product is temporarily unavailable for order!

Application purpose:

  • For sanitary and industrial applications
  • For heating installations

Characteristics:

  • Plain end

Scope of delivery:

  • Excluded: Set of bolts for flange
  • Excluded: Flange gasket

Technical data

Material: Stainless Cr-Ni-Mo steel 1.4401 BS 316

Download the installation instructions: Geberit Mapress system

d di D k m H h PN
mm mm cm cm cm cm cm bar
54 54,5 16,5 12,5 1,8 8,7 1,8 10 / 16

It can be used with:

Geberit flange gaskets PN 10/16 Geberit bolt sets
   
91031 91164
91032 91165
91033 91166
91034 91167
91035 91168
91036 91169
91037 91170
91038 91171
91039 91172
  91173
[NO LONGER PRODUCED. REPLACEMENT: 33749] - Geberit Mapress Stainless Steel flange PN 10/16, with plain end, d76,3 [Code number: 33729]
Details
33729

ATTENTION! This product is temporarily unavailable for order!

Application purpose:

  • For sanitary and industrial applications
  • For heating installations

Characteristics:

  • Plain end

Scope of delivery:

  • Excluded: Set of bolts for flange
  • Excluded: Flange gasket

Technical data

Material: Stainless Cr-Ni-Mo steel 1.4401 BS 316

d di D k m H h PN
mm mm cm cm cm cm cm bar
76,1 72,1 18,5 14,5 1,8 12,6 1,8 10 / 16

It can be used with:

Geberit flange gaskets PN 10/16 Geberit bolt sets
   
91031 91164
91032 91165
91033 91166
91034 91167
91035 91168
91036 91169
91037 91170
91038 91171
91039 91172
  91173
[NO LONGER PRODUCED. REPLACEMENT: 33750] - Geberit Mapress Stainless Steel flange PN 10/16, with plain end, d88,9 [Code number: 33730]
Details
33730

ATTENTION! This product is temporarily unavailable for order!

Application purpose:

  • For sanitary and industrial applications
  • For heating installations

Characteristics:

  • Plain end

Scope of delivery:

  • Excluded: Set of bolts for flange
  • Excluded: Flange gasket

Material: Stainless Cr-Ni-Mo steel 1.4401 BS 316

d di D k m H h PN
mm mm cm cm cm cm cm bar
88,9 84,9 20 16 1,8 14,3 2 10 / 16

It can be used with:

Geberit flange gaskets PN 10/16 Geberit bolt sets
   
91031 91164
91032 91165
91033 91166
91034 91167
91035 91168
91036 91169
91037 91170
91038 91171
91039 91172
  91173
[NO LONGER PRODUCED. REPLACEMENT: 33752] - Geberit Mapress Stainless Steel flange PN 10/16, with plain end, d108 [Code number: 33731]
Details
33731

ATTENTION! This product is temporarily unavailable for order!

Application purpose:

  • For sanitary and industrial applications
  • For heating installations

Characteristics:

  • Plain end

Scope of delivery:

  • Excluded: Set of bolts for flange
  • Excluded: Flange gasket

Technical data

Material: Stainless Cr-Ni-Mo steel 1.4401 BS 316

d di D k m H h PN
mm mm cm cm cm cm cm bar
108 104 22 18 1,8 16,8 2 10 / 16

It can be used with:

Geberit flange gaskets PN 10/16 Geberit bolt sets
   
91031 91164
91032 91165
91033 91166
91034 91167
91035 91168
91036 91169
91037 91170
91038 91171
91039 91172
  91173
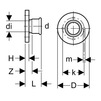
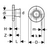
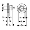
[NO LONGER PRODUCED] - Geberit Mapress Stainless Steel flange PN 10/16, with pressing socket, FKM, blue, DN15, d 18 [Code number: 50683]
Details
50683

ATTENTION! This product is temporarily unavailable for order!

Application Purpose:

  • For solar technology, industry and shipbuilding

Characteristics:

  • Pressing indicator
  • LABS-free
  • Pressing socket with black protection plug
  • Type A (smooth sealing surface), EN 1092-1

Scope of delivery:

  • Seal ring made of FKM, blue

Technical data

Material: CrNiMo steel 1.4401 (EN 10088)

Download the installation instructions: Geberit Mapress system

d di D k m H L Z n PN
mm mm cm cm cm cm cm cm pc. bar
18 16 9.5 6.5 1.4 1.1 5.7 3.7 4 10 / 16

It can be used with:

Geberit flange gaskets PN 10/16 Geberit bolt sets
   
91031 91164
91032 91165
91033 91166
91034 91167
91035 91168
91036 91169
91037 91170
91038 91171
91039 91172
  91173
[NO LONGER PRODUCED] - Geberit Mapress Stainless Steel flange PN 10/16, with pressing socket, FKM, blue, DN20, d 22 [Code number: 50684]
Details
50684

ATTENTION! This product is temporarily unavailable for order!

Application Purpose:

  • For solar technology, industry and shipbuilding

Characteristics:

  • Pressing indicator
  • LABS-free
  • Pressing socket with black protection plug
  • Type A (smooth sealing surface), EN 1092-1

Scope of delivery:

  • Seal ring made of FKM, blue

Technical data

Material: CrNiMo steel 1.4401 (EN 10088)

Download the installation instructions: Geberit Mapress system

d di D k m H L Z n PN
mm mm cm cm cm cm cm cm pc. bar
22 19.6 10.5 7.5 1.4 1.2 5.9 3.8 4 10 / 16

It can be used with:

Geberit flange gaskets PN 10/16 Geberit bolt sets
   
91031 91164
91032 91165
91033 91166
91034 91167
91035 91168
91036 91169
91037 91170
91038 91171
91039 91172
  91173
[NO LONGER PRODUCED] - Geberit Mapress Stainless Steel flange PN 10/16, with pressing socket, FKM, blue, DN25, d 28 [Code number: 50685]
Details
50685

ATTENTION! This product is temporarily unavailable for order!

Application Purpose:

  • For solar technology, industry and shipbuilding

Characteristics:

  • Pressing indicator
  • LABS-free
  • Pressing socket with black protection plug
  • Type A (smooth sealing surface), EN 1092-1

Scope of delivery:

  • Seal ring made of FKM, blue

Material: CrNiMo steel 1.4401 (EN 10088)

Download the installation instructions: Geberit Mapress system

d di D k m H L Z n PN
mm mm cm cm cm cm cm cm pc. bar
28 25.6 11.5 8.5 1.4 1.4 6.5 4.2 4 10 / 16

It can be used with:

Geberit flange gaskets PN 10/16 Geberit bolt sets
   
91031 91164
91032 91165
91033 91166
91034 91167
91035 91168
91036 91169
91037 91170
91038 91171
91039 91172
  91173
[NO LONGER PRODUCED] - Geberit Mapress Stainless Steel flange PN 10/16, with pressing socket, FKM, blue, DN32, d 35 [Code number: 50686]
Details
50686

ATTENTION! This product is temporarily unavailable for order!

Application Purpose:

  • For solar technology, industry and shipbuilding

Characteristics:

  • Pressing indicator
  • LABS-free
  • Pressing socket with black protection plug
  • Type A (smooth sealing surface), EN 1092-1

Scope of delivery:

  • Seal ring made of FKM, blue

Technical data

Material: CrNiMo steel 1.4401 (EN 10088)

Download the installation instructions: Geberit Mapress system

d di D k m H L Z n PN
mm mm cm cm cm cm cm cm pc. bar
35 32 14 10 1.8 1.5 6.9 4.3 4 10 / 16

It can be used with:

Geberit flange gaskets PN 10/16 Geberit bolt sets
   
91031 91164
91032 91165
91033 91166
91034 91167
91035 91168
91036 91169
91037 91170
91038 91171
91039 91172
  91173
[NO LONGER PRODUCED] - Geberit Mapress Stainless Steel flange PN 10/16, with pressing socket, FKM, blue, DN40, d 42 [Code number: 50687]
Details
50687

ATTENTION! This product is temporarily unavailable for order!

Application Purpose:

  • For solar technology, industry and shipbuilding

Characteristics:

  • Pressing indicator
  • LABS-free
  • Pressing socket with black protection plug
  • Type A (smooth sealing surface), EN 1092-1

Scope of delivery:

  • Seal ring made of FKM, blue

Material: CrNiMo steel 1.4401 (EN 10088)

Download the installation instructions: Geberit Mapress system

d di D k m H L Z n PN
mm mm cm cm cm cm cm cm pc. bar
42 39 15 11 1.8 1.6 7.7 4.7 4 10 / 16

It can be used with:

Geberit flange gaskets PN 10/16 Geberit bolt sets
   
91031 91164
91032 91165
91033 91166
91034 91167
91035 91168
91036 91169
91037 91170
91038 91171
91039 91172
  91173
[NO LONGER PRODUCED. REPLACEMENT: 50678] - Geberit Mapress Stainless Steel flange PN 10/16, with pressing socket, FKM, blue, DN50, d 54 [Code number: 50688]
Details
50688

ATTENTION! This product is temporarily unavailable for order!

Application Purpose:

  • For solar technology, industry and shipbuilding

Characteristics:

  • Pressing indicator
  • LABS-free
  • Pressing socket with black protection plug
  • Type A (smooth sealing surface), EN 1092-1

Scope of delivery:

  • Seal ring made of FKM, blue

Material: CrNiMo steel 1.4401 (EN 10088)

Download the installation instructions: Geberit Mapress system

d di D k m H L Z n PN
mm mm cm cm cm cm cm cm pc. bar
54 51 16.5 12.5 1.8 1.8 8.7 5.2 4 10 / 16

It can be used with:

Geberit flange gaskets PN 10/16 Geberit bolt sets
   
91031 91164
91032 91165
91033 91166
91034 91167
91035 91168
91036 91169
91037 91170
91038 91171
91039 91172
  91173
[NO LONGER PRODUCED] - Geberit Mapress Stainless Steel flange PN 10/16, with pressing socket, FKM, blue, DN65, d76,1 [Code number: 50691]
Details
50691

ATTENTION! This product is temporarily unavailable for order!

Application Purpose:

  • For solar technology, industry and shipbuilding

Characteristics:

  • Pressing indicator
  • LABS-free
  • Pressing socket with black protection plug
  • Type A (smooth sealing surface), EN 1092-1

Scope of delivery:

  • Seal ring made of FKM, blue

Material: CrNiMo steel 1.4401 (EN 10088)

Download the installation instructions: Geberit Mapress system

d di D k m H L Z n PN
mm mm cm cm cm cm cm cm pc. bar
76.1 72.1 18.5 14.5 1.8 1.8 12.6 7.3 4 10 / 16

It can be used with:

Geberit flange gaskets PN 10/16 Geberit bolt sets
   
91031 91164
91032 91165
91033 91166
91034 91167
91035 91168
91036 91169
91037 91170
91038 91171
91039 91172
  91173
[NO LONGER PRODUCED] - Geberit Mapress Stainless Steel flange PN 10/16, with pressing socket, FKM, blue, DN80, d88,9 [Code number: 50692]
Details
50692

ATTENTION! This product is temporarily unavailable for order!

Application Purpose:

  • For solar technology, industry and shipbuilding

Characteristics:

  • Pressing indicator
  • LABS-free
  • Pressing socket with black protection plug
  • Type A (smooth sealing surface), EN 1092-1

Scope of delivery:

  • Seal ring made of FKM, blue

Material: CrNiMo steel 1.4401 (EN 10088)

Download the installation instructions: Geberit Mapress system

d di D k m H L Z n PN
mm mm cm cm cm cm cm cm pc. bar
88.9 84.9 20 16 1.8 2 14.3 8.3 8 10 / 16

It can be used with:

Geberit flange gaskets PN 10/16 Geberit bolt sets
   
91031 91164
91032 91165
91033 91166
91034 91167
91035 91168
91036 91169
91037 91170
91038 91171
91039 91172
  91173
[NO LONGER PRODUCED] - Geberit Mapress Stainless Steel flange PN 10/16, with pressing socket, FKM, blue, DN100, d108 [Code number: 50693]
Details
50693

ATTENTION! This product is temporarily unavailable for order!

Application Purpose:

  • For solar technology, industry and shipbuilding

Characteristics:

  • Pressing indicator
  • LABS-free
  • Pressing socket with black protection plug
  • Type A (smooth sealing surface), EN 1092-1

Scope of delivery:

  • Seal ring made of FKM, blue

Material: CrNiMo steel 1.4401 (EN 10088)

Download the installation instructions: Geberit Mapress system

d di D k m H L Z n PN
mm mm cm cm cm cm cm cm pc. bar
108 104 22 18 1.8 2 16.8 9.3 8 10 / 16

It can be used with:

Geberit flange gaskets PN 10/16 Geberit bolt sets
   
91031 91164
91032 91165
91033 91166
91034 91167
91035 91168
91036 91169
91037 91170
91038 91171
91039 91172
  91173
[NO LONGER PRODUCED] - Geberit Mapress Carbon Steel flange PN 10/16, with pressing socket, FKM, DN25, d 28 [Code number: 51685]
Details
51685

ATTENTION! This product is temporarily unavailable for order!

Application purposes:

  • For industrial and marine applications
  • For oil supply systems
  • For solar systems

Characteristics:

  • With pressing indicator
  • Galvanized
  • With seal ring FKM blue

Scope of delivery:

  • Excluded: Set of bolts for flange
  • Excluded: Flange gasket

Technical data

Material: Non-alloy steel 1.0034 E 195 (DIN EN 10305)

Download the installation instructions: Geberit Mapress system

d di D k m H L Z n PN
mm mm cm cm cm cm cm cm pc bar
28 25 11,5 8,5 1,4 1,6 6,7 4,4 4 10 / 16

It can be used with:

Geberit flange gaskets PN 10/16 Geberit bolt sets eberit bolt set for flange connection
     
91031 91164 91064
91032 91165 91065
91033 91166 91066
91034 91167 91067
91035 91168 91068
91036 91169 91069
91037 91170 91070
91038 91171 91071
91039 91172 91072
  91173 91073
[NO LONGER PRODUCED] - Geberit Mapress Carbon Steel flange PN 10/16, with pressing socket, FKM, DN32, d 35 [Code number: 51686]
Details
51686

ATTENTION! This product is temporarily unavailable for order!

Application purposes:

  • For industrial and marine applications
  • For oil supply systems
  • For solar systems

Characteristics:

  • With pressing indicator
  • Galvanized
  • With seal ring FKM blue

Scope of delivery:

  • Excluded: Set of bolts for flange
  • Excluded: Flange gasket

Technical data

Material: Non-alloy steel 1.0034 E 195 (DIN EN 10305)

Download the installation instructions: Geberit Mapress system

d di D k m H L Z n PN
mm mm cm cm cm cm cm cm pc bar
35 32 14 10 1,8 1,8 7,2 4,6 4 10 / 16

It can be used with:

Geberit flange gaskets PN 10/16 Geberit bolt sets eberit bolt set for flange connection
     
91031 91164 91064
91032 91165 91065
91033 91166 91066
91034 91167 91067
91035 91168 91068
91036 91169 91069
91037 91170 91070
91038 91171 91071
91039 91172 91072
  91173 91073

See also