Logo
Ru| En

Office: M. Baumanskaya

Warehouse: Leninsky urban district

Loading

Geberit Mapress flanges made of stainless steel and carbon steel

Geberit Mapress flanges are made of stainless steel 1.4401 and non-alloy steel 1.0034 E 195, they can have diameter from 54 to 108 mm. The flanges are available with plain ends PN 10/16. Comes without set of bolts and without gasket.

The group of products includes flanged stub, including flanged stub with plain end, for loose flange PN 6 and PN 10/16. Diameters of the flanged stub range from 15 to 108 mm. The flanged stubs are delivered without gasket, set of bolts and loose flange.

Also the Geberit company produces flanges made of stainless Cr-Ni-Mo steel 1.4401 BS 316 and models for gas installations with natural gases (NG) and liquefied gases (LPG). They are distinguished by yellow marking.

Photo Наименование Article Цена
[NO LONGER PRODUCED] - Geberit Mapress Carbon Steel flange PN 10/16, with pressing socket, FKM, DN40, d 42 [Code number: 51687]
Details
51687

ATTENTION! This product is temporarily unavailable for order!

Application purposes:

  • For industrial and marine applications
  • For oil supply systems
  • For solar systems

Characteristics:

  • With pressing indicator
  • Galvanized
  • With seal ring FKM blue

Scope of delivery:

  • Excluded: Set of bolts for flange
  • Excluded: Flange gasket

Material: Non-alloy steel 1.0034 E 195 (DIN EN 10305)

Download the installation instructions: Geberit Mapress system

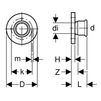
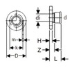
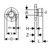
d di D k m H L Z n PN
mm mm cm cm cm cm cm cm pc bar
42 39 15 11 1,8 1,8 7,9 4,9 4 10 / 16

It can be used with:

Geberit flange gaskets PN 10/16 Geberit bolt sets eberit bolt set for flange connection
     
91031 91164 91064
91032 91165 91065
91033 91166 91066
91034 91167 91067
91035 91168 91068
91036 91169 91069
91037 91170 91070
91038 91171 91071
91039 91172 91072
  91173 91073
[NO LONGER PRODUCED] - Geberit Mapress Carbon Steel flange PN 10/16, with pressing socket, FKM, DN50, d 54 [Code number: 51688]
Details
51688

ATTENTION! This product is temporarily unavailable for order!

Application purposes:

  • For industrial and marine applications
  • For oil supply systems
  • For solar systems

Characteristics:

  • With pressing indicator
  • Galvanized
  • With seal ring FKM blue

Scope of delivery:

  • Excluded: Set of bolts for flange
  • Excluded: Flange gasket

Material: Non-alloy steel 1.0034 E 195 (DIN EN 10305)

Download the installation instructions: Geberit Mapress system

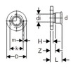
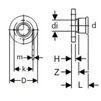
d di D k m H L Z n PN
mm mm cm cm cm cm cm cm pc bar
54 54,3 16,5 12,5 1,8 1,8 8,7 5,2 4 10 / 16

It can be used with:

Geberit flange gaskets PN 10/16 Geberit bolt sets eberit bolt set for flange connection
     
91031 91164 91064
91032 91165 91065
91033 91166 91066
91034 91167 91067
91035 91168 91068
91036 91169 91069
91037 91170 91070
91038 91171 91071
91039 91172 91072
  91173 91073
[NO LONGER PRODUCED] - Geberit Mapress Carbon Steel flange PN 10/16, with pressing socket, FKM, DN65, d76,1 [Code number: 51691]
Details
51691

ATTENTION! This product is temporarily unavailable for order!

Application purposes:

  • For industrial and marine applications
  • For oil supply systems
  • For solar systems

Characteristics:

  • With pressing indicator
  • Galvanized
  • With seal ring FKM blue

Scope of delivery:

  • Excluded: Set of bolts for flange
  • Excluded: Flange gasket

Material: Non-alloy steel 1.0034 E 195 (DIN EN 10305)

Download the installation instructions: Geberit Mapress system

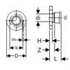
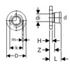
d di D k m H L Z n PN
mm mm cm cm cm cm cm cm pc bar
76,1 72,1 18,5 14,5 1,8 1,8 12,6 7,3 4 10 / 16

It can be used with:

Geberit flange gaskets PN 10/16 Geberit bolt sets eberit bolt set for flange connection
     
91031 91164 91064
91032 91165 91065
91033 91166 91066
91034 91167 91067
91035 91168 91068
91036 91169 91069
91037 91170 91070
91038 91171 91071
91039 91172 91072
  91173 91073
[NO LONGER PRODUCED] - Geberit Mapress Carbon Steel flange PN 10/16, with pressing socket, FKM, DN80, d88,9 [Code number: 51692]
Details
51692

ATTENTION! This product is temporarily unavailable for order!

Application purposes:

  • For industrial and marine applications
  • For oil supply systems
  • For solar systems

Characteristics:

  • With pressing indicator
  • Galvanized
  • With seal ring FKM blue

Scope of delivery:

  • Excluded: Set of bolts for flange
  • Excluded: Flange gasket

Technical data

Material: Non-alloy steel 1.0034 E 195 (DIN EN 10305)

Download the installation instructions: Geberit Mapress system

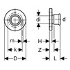
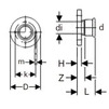
d di D k m H L Z n PN
mm mm cm cm cm cm cm cm pc bar
88,9 84,9 20 16 1,8 2 14,3 8,3 8 10 / 16

It can be used with:

Geberit flange gaskets PN 10/16 Geberit bolt sets eberit bolt set for flange connection
     
91031 91164 91064
91032 91165 91065
91033 91166 91066
91034 91167 91067
91035 91168 91068
91036 91169 91069
91037 91170 91070
91038 91171 91071
91039 91172 91072
  91173 91073
[NO LONGER PRODUCED] - Geberit Mapress Carbon Steel flange PN 10/16, with pressing socket, FKM, DN100, d108 [Code number: 51693]
Details
51693

ATTENTION! This product is temporarily unavailable for order!

Application purposes:

  • For industrial and marine applications
  • For oil supply systems
  • For solar systems

Characteristics:

  • With pressing indicator
  • Galvanized
  • With seal ring FKM blue

Scope of delivery:

  • Excluded: Set of bolts for flange
  • Excluded: Flange gasket

Technical data

Material: Non-alloy steel 1.0034 E 195 (DIN EN 10305)

Download the installation instructions: Geberit Mapress system

d di D k m H L Z n PN
mm mm cm cm cm cm cm cm pc bar
108 104 22 18 1,8 2 16,8 9,3 8 10 / 16

It can be used with:

Geberit flange gaskets PN 10/16 Geberit bolt sets eberit bolt set for flange connection
     
91031 91164 91064
91032 91165 91065
91033 91166 91066
91034 91167 91067
91035 91168 91068
91036 91169 91069
91037 91170 91070
91038 91171 91071
91039 91172 91072
  91173 91073
[NO LONGER PRODUCED] - Geberit Mapress CuNiFe flang PN 10/16, FKM, DN12, d 15 [Code number: 53682]
Details
53682

ATTENTION! This product is temporarily unavailable for order!

Application purposes:

  • For pipe systems carrying bilge water

Characteristics:

  • With pressing indicator
  • With pressing socket
  • Leaky if unpressed
  • With seal ring FKM blue

Scope of delivery:

  • Excluded: Set of bolts for flange
  • Excluded: Flange gasket

Material: CuNi10Fe1.6Mn, product material no. 2.1972.11

Download the installation instructions: Geberit Mapress system

d di D k m H L Z n PN
mm mm cm cm cm cm cm cm pc bar
15 13 9,5 6,5 1,4 0,8 5,3 3,3 4 10 / 16
[NO LONGER PRODUCED] - Geberit Mapress CuNiFe flang PN 10/16, FKM, DN20, d 22 [Code number: 53684]
Details
53684

ATTENTION! This product is temporarily unavailable for order!

Application purposes:

  • For pipe systems carrying bilge water

Characteristics:

  • With pressing indicator
  • With pressing socket
  • Leaky if unpressed
  • With seal ring FKM blue

Scope of delivery:

  • Excluded: Set of bolts for flange
  • Excluded: Flange gasket

Material: CuNi10Fe1.6Mn, product material no. 2.1972.11

Download the installation instructions: Geberit Mapress system

d di D k m H L Z n PN
mm mm cm cm cm cm cm cm pc bar
22 19 10,5 7,5 1,4 0,8 5,5 3,4 4 10 / 16
[NO LONGER PRODUCED] - Geberit Mapress CuNiFe flang PN 10/16, FKM, DN25, d 28 [Code number: 53685]
Details
53685

ATTENTION! This product is temporarily unavailable for order!

Application purposes:

  • For pipe systems carrying bilge water

Characteristics:

  • With pressing indicator
  • With pressing socket
  • Leaky if unpressed
  • With seal ring FKM blue

Scope of delivery:

  • Excluded: Set of bolts for flange
  • Excluded: Flange gasket

Technical data

Material: CuNi10Fe1.6Mn, product material no. 2.1972.11

Download the installation instructions: Geberit Mapress system

d di D k m H L Z n PN
mm mm cm cm cm cm cm cm pc bar
28 25 11,5 8,5 1,4 0,9 6 3,7 4 10 / 16
[NO LONGER PRODUCED] - Geberit Mapress CuNiFe flang PN 10/16, FKM, DN32, d 35 [Code number: 53686]
Details
53686

ATTENTION! This product is temporarily unavailable for order!

Application purposes:

  • For pipe systems carrying bilge water

Characteristics:

  • With pressing indicator
  • With pressing socket
  • Leaky if unpressed
  • With seal ring FKM blue

Scope of delivery:

  • Excluded: Set of bolts for flange
  • Excluded: Flange gasket

Technical data

Material: CuNi10Fe1.6Mn, product material no. 2.1972.11

Download the installation instructions: Geberit Mapress system

d di D k m H L Z n PN
mm mm cm cm cm cm cm cm pc bar
35 32 14 10 1,8 1 6,4 3,8 4 10 / 16
[NO LONGER PRODUCED] - Geberit Mapress CuNiFe flang PN 10/16, FKM, DN40, d 42 [Code number: 53687]
Details
53687

ATTENTION! This product is temporarily unavailable for order!

Application purposes:

  • For pipe systems carrying bilge water

Characteristics:

  • With pressing indicator
  • With pressing socket
  • Leaky if unpressed
  • With seal ring FKM blue

Scope of delivery:

  • Excluded: Set of bolts for flange
  • Excluded: Flange gasket

Technical data

Material: CuNi10Fe1.6Mn, product material no. 2.1972.11

Download the installation instructions: Geberit Mapress system

d di D k m H L Z n PN
mm mm cm cm cm cm cm cm pc bar
42 39 15 11 1,8 1,1 7,2 4,2 4 10 / 16
[NO LONGER PRODUCED] - Geberit Mapress CuNiFe flang,PN 10/16, FKM, DN50, d 54 [Code number: 53688]
Details
53688

ATTENTION! This product is temporarily unavailable for order!

Application purposes:

  • For pipe systems carrying bilge water

Characteristics:

  • With pressing indicator
  • With pressing socket
  • Leaky if unpressed
  • With seal ring FKM blue

Scope of delivery:

  • Excluded: Set of bolts for flange
  • Excluded: Flange gasket

Technical data

Material: CuNi10Fe1.6Mn, product material no. 2.1972.11

Download the installation instructions: Geberit Mapress system

d di D k m H L Z n PN
mm mm cm cm cm cm cm cm pc bar
54 51 16,5 12,5 1,8 1,3 8,2 4,7 4 10 / 16
[NO LONGER PRODUCED] - Geberit Mapress CuNiFe flang PN 10/16, FKM, DN65, d76,1 [Code number: 53691]
Details
53691

ATTENTION! This product is temporarily unavailable for order!

Application purposes:

  • For pipe systems carrying bilge water

Characteristics:

  • With pressing indicator
  • With pressing socket
  • Leaky if unpressed
  • With seal ring FKM blue

Scope of delivery:

  • Excluded: Set of bolts for flange
  • Excluded: Flange gasket

Technical data

Material: CuNi10Fe1.6Mn, product material no. 2.1972.11

Download the installation instructions: Geberit Mapress system

d di D k m H L Z n PN
mm mm cm cm cm cm cm cm pc bar
76,1 72,1 18,5 14,5 1,8 1,3 12,1 6,8 4 10
[NO LONGER PRODUCED] - Geberit Mapress CuNiFe flang PN 10/16, FKM, DN100, d108 [Code number: 53693]
Details
53693

ATTENTION! This product is temporarily unavailable for order!

Application purposes:

  • For pipe systems carrying bilge water

Characteristics:

  • With pressing indicator
  • With pressing socket
  • Leaky if unpressed
  • With seal ring FKM blue

Scope of delivery:

  • Excluded: Set of bolts for flange
  • Excluded: Flange gasket

Material: CuNi10Fe1.6Mn, product material no. 2.1972.11

Download the installation instructions: Geberit Mapress system

d di D k m H L Z n PN
mm mm cm cm cm cm cm cm pc bar
108 104 22 18 1,8 1,6 16,4 8,9 8 10
[NO LONGER PRODUCED. REPLACEMENT: 68692] - Geberit Mapress CuNiFe flange PN 10/16, with pressing socket, d 15 [Code number: 68764]
Details
68764

ATTENTION! This product is temporarily unavailable for order!

Application Purpose:

  • For industry and shipbuilding

Characteristics:

  • With pressing indicator
  • Leaky if unpressed
  • Type A (smooth sealing surface), EN 1092-1
  • Pressing socket with transparent protection plug

Scope of delivery:

  • Seal ring CIIR black

Material: CuNi10Fe1.6Mn, product material no. 2.1972.11

Download the installation instructions: Geberit Mapress system

d di D k m H L Z n PN
mm mm cm cm cm cm cm cm pc. bar
15 13 9.5 6.5 1.4 0.8 5.3 3.3 4 10 / 16
[NO LONGER PRODUCED] - Geberit Mapress CuNiFe flange PN 10/16, with pressing socket, d 22 [Code number: 68766]
Details
68766

ATTENTION! This product is temporarily unavailable for order!

Application Purpose:

  • For industry and shipbuilding

Characteristics:

  • With pressing indicator
  • Leaky if unpressed
  • Type A (smooth sealing surface), EN 1092-1
  • Pressing socket with transparent protection plug

Scope of delivery:

  • Seal ring CIIR black

Material: CuNi10Fe1.6Mn, product material no. 2.1972.11

Download the installation instructions: Geberit Mapress system

d di D k m H L Z n PN
mm mm cm cm cm cm cm cm pc. bar
22 19 10.5 7.5 1.4 0.8 5.5 3.4 4 10 / 16
[NO LONGER PRODUCED. REPLACEMENT: 68695] - Geberit Mapress CuNiFe flange PN 10/16, with pressing socket, d 28 [Code number: 68767]
Details
68767

ATTENTION! This product is temporarily unavailable for order!

Application Purpose:

  • For industry and shipbuilding

Characteristics:

  • With pressing indicator
  • Leaky if unpressed
  • Type A (smooth sealing surface), EN 1092-1
  • Pressing socket with transparent protection plug

Scope of delivery:

  • Seal ring CIIR black

Material: CuNi10Fe1.6Mn, product material no. 2.1972.11

Download the installation instructions: Geberit Mapress system

d di D k m H L Z n PN
mm mm cm cm cm cm cm cm pc. bar
28 25 11.5 8.5 1.4 0.9 6 3.7 4 10 / 16
[NO LONGER PRODUCED. REPLACEMENT: 68696] - Geberit Mapress CuNiFe flange PN 10/16, with pressing socket, d 35 [Code number: 68768]
Details
68768

ATTENTION! This product is temporarily unavailable for order!

Application Purpose:

  • For industry and shipbuilding

Characteristics:

  • With pressing indicator
  • Leaky if unpressed
  • Type A (smooth sealing surface), EN 1092-1
  • Pressing socket with transparent protection plug

Scope of delivery:

  • Seal ring CIIR black

Technical data

Material: CuNi10Fe1.6Mn, product material no. 2.1972.11

Download the installation instructions: Geberit Mapress system

d di D k m H L Z n PN
mm mm cm cm cm cm cm cm pc. bar
35 32 14 10 1.8 1 6.4 3.8 4 10 / 16
[NO LONGER PRODUCED] - Geberit Mapress CuNiFe flange PN 10/16, with pressing socket, d 42 [Code number: 68769]
Details
68769

ATTENTION! This product is temporarily unavailable for order!

Application Purpose:

  • For industry and shipbuilding

Characteristics:

  • With pressing indicator
  • Leaky if unpressed
  • Type A (smooth sealing surface), EN 1092-1
  • Pressing socket with transparent protection plug

Scope of delivery:

  • Seal ring CIIR black

Material: CuNi10Fe1.6Mn, product material no. 2.1972.11

Download the installation instructions: Geberit Mapress system

d di D k m H L Z n PN
mm mm cm cm cm cm cm cm pc. bar
42 39 15 11 1.8 1.1 7.2 4.2 4 10 / 16
[NO LONGER PRODUCED. REPLACEMENT: 68698] - Geberit Mapress CuNiFe flange PN 10/16, with pressing socket, d 54 [Code number: 68770]
Details
68770

ATTENTION! This product is temporarily unavailable for order!

Application Purpose:

  • For industry and shipbuilding

Characteristics:

  • With pressing indicator
  • Leaky if unpressed
  • Type A (smooth sealing surface), EN 1092-1
  • Pressing socket with transparent protection plug

Scope of delivery:

  • Seal ring CIIR black

Material: CuNi10Fe1.6Mn, product material no. 2.1972.11

Download the installation instructions: Geberit Mapress system

d di D k m H L Z n PN
mm mm cm cm cm cm cm cm pc. bar
54 51 16.5 12.5 1.8 1.3 8.2 4.7 4 10 / 16
[NO LONGER PRODUCED] - Geberit Mapress CuNiFe flange PN 10/16, with pressing socket, d76,1 [Code number: 68771]
Details
68771

ATTENTION! This product is temporarily unavailable for order!

Application Purpose:

  • For industry and shipbuilding

Characteristics:

  • With pressing indicator
  • Leaky if unpressed
  • Type A (smooth sealing surface), EN 1092-1
  • Pressing socket with transparent protection plug

Scope of delivery:

  • Seal ring CIIR black

Material: CuNi10Fe1.6Mn, product material no. 2.1972.11

Download the installation instructions: Geberit Mapress system

d di D k m H L Z n PN
mm mm cm cm cm cm cm cm pc. bar
76.1 72.1 18.5 14.5 1.8 1.3 12.1 6.8 4 10

See also