Логотип
Ru| En

Офис: м. Бауманская

Склад: Ленинский городской округ

Loading

Фланцы Geberit Mapress из нержавеющей и углеродистой стали

Фланцы Mapress изготавливаются из нержавеющей стали 1.4401 и нелегированной стали 1.0034 E 195, могут иметь диаметр от 54 до 108 мм. Выпускаются фланцы с гладким концевиком PN 10/16. Поставляются без набора болтов и без прокладки.

В данную группу товаров также входят переходы на фланец, в том числе переходы на фланец с гладким концевиком PN 6 и PN 10/16. Диаметры переходов на фланец варьируются от 15 до 108 мм. Переходы на фланец поставляют без специальной прокладки, комплекта болтов и вращающегося фланца.

Выпускаются также фланцы Mapress, изготовленные из специальной стали, лишённой силикона, и предназначенные для систем, подающих сжиженный или природный газ, которые отличаются наличием жёлтой маркировки.

Фото Наименование Артикул Цена
[СНЯТ С ПРОИЗВОДСТВА. ЗАМЕНА: 23767] - Фланец Geberit Mapress (углер ст), PN 6, с гладким концом, d 42 [Артикул: 23735]
Подробнее
23735

ВНИМАНИЕ! Товар временно недоступен для заказа!

Цель применения:

  • Монтируется в системах отопления
  • Монтируется в системах кондиционирования воздуха
  • Не использовать для прокладки системы подачи питьевой воды!

Характеристики:

  • Оцинкованная сталь;
  • Без силикона, разрушающего ЛКП в красильном производстве;
  • В неопрессованном состоянии фитинг даёт течь.

В объём поставки не включено:

  • Набора болтов для фланца;
  • Прокладки для фланца.

Материал: Нелегированная сталь 1.0034 E 195 (DIN EN 10305)

Скачать инструкцию по монтажу: Система Geberit Mapress

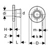
d di D k m H h n PN
мм мм см см см см см шт бар
42 39 13 10 1,4 10,5 1,6 4 6

Возможно использование с:

Прокладки для фланца Mapress, PN 6 Болты Geberit Mapress Комплект болтов Geberit Mapress для фланцев
     
91041 91164 91064
91042 91165 91065
91043 91166 91066
91044 91167 91067
91045 91168 91068
91046 91169 91069
91047 91170 91070
91048 91171 91071
91049 91172 91072
  91173 91073
[СНЯТ С ПРОИЗВОДСТВА. ЗАМЕНА: 23768] - Фланец Geberit Mapress (углер ст), PN 6, с гладким концом, d 54 [Артикул: 23736]
Подробнее
23736

ВНИМАНИЕ! Товар временно недоступен для заказа!

Цель применения:

  • Монтируется в системах отопления
  • Монтируется в системах кондиционирования воздуха
  • Не использовать для прокладки системы подачи питьевой воды!

Характеристики:

  • Оцинкованная сталь;
  • Без силикона, разрушающего ЛКП в красильном производстве;
  • В неопрессованном состоянии фитинг даёт течь.

В объём поставки не включено:

  • Набора болтов для фланца;
  • Прокладки для фланца.

Технические данные

Материал: Нелегированная сталь 1.0034 E 195 (DIN EN 10305)

Скачать инструкцию по монтажу: Система Geberit Mapress

d di D k m H h n PN
мм мм см см см см см шт бар
54 51 14 11 1,4 11,1 1,6 4 6

Возможно использование с:

Прокладки для фланца Mapress, PN 6 Болты Geberit Mapress Комплект болтов Geberit Mapress для фланцев
     
91041 91164 91064
91042 91165 91065
91043 91166 91066
91044 91167 91067
91045 91168 91068
91046 91169 91069
91047 91170 91070
91048 91171 91071
91049 91172 91072
  91173 91073
[СНЯТ С ПРОИЗВОДСТВА. ЗАМЕНА: 23769] - Фланец Geberit Mapress (углер ст), PN 6, с гладким концом, d76,1 [Артикул: 23737]
Подробнее
23737

ВНИМАНИЕ! Товар временно недоступен для заказа!

Цель применения:

  • Монтируется в системах отопления
  • Монтируется в системах кондиционирования воздуха
  • Не использовать для прокладки системы подачи питьевой воды!

Характеристики:

  • Оцинкованная сталь;
  • Без силикона, разрушающего ЛКП в красильном производстве;
  • В неопрессованном состоянии фитинг даёт течь.

В объём поставки не включено:

  • Набора болтов для фланца;
  • Прокладки для фланца.

Технические данные

Материал: Нелегированная сталь 1.0034 E 195 (DIN EN 10305)

Скачать инструкцию по монтажу: Система Geberit Mapress

d di D k m H h n PN
мм мм см см см см см шт бар
76,1 72,4 16 13 1,4 14,7 1,6 4 6

Возможно использование с:

Прокладки для фланца Mapress, PN 6 Болты Geberit Mapress Комплект болтов Geberit Mapress для фланцев
     
91041 91164 91064
91042 91165 91065
91043 91166 91066
91044 91167 91067
91045 91168 91068
91046 91169 91069
91047 91170 91070
91048 91171 91071
91049 91172 91072
  91173 91073
[СНЯТ С ПРОИЗВОДСТВА. ЗАМЕНА: 23770] - Фланец Geberit Mapress (углер ст), PN 6, с гладким концом, d88,9 [Артикул: 23738]
Подробнее
23738

ВНИМАНИЕ! Товар временно недоступен для заказа!

Цель применения:

  • Монтируется в системах отопления
  • Монтируется в системах кондиционирования воздуха
  • Не использовать для прокладки системы подачи питьевой воды!

Характеристики:

  • Оцинкованная сталь;
  • Без силикона, разрушающего ЛКП в красильном производстве;
  • В неопрессованном состоянии фитинг даёт течь.

В объём поставки не включено:

  • Набора болтов для фланца;
  • Прокладки для фланца.

Технические данные

Материал: Нелегированная сталь 1.0034 E 195 (DIN EN 10305)

Скачать инструкцию по монтажу: Система Geberit Mapress

d di D k m H h n PN
мм мм см см см см см шт бар
88,9 85,2 19 15 1,8 16,1 1,8 4 6

Возможно использование с:

Прокладки для фланца Mapress, PN 6 Болты Geberit Mapress Комплект болтов Geberit Mapress для фланцев
     
91041 91164 91064
91042 91165 91065
91043 91166 91066
91044 91167 91067
91045 91168 91068
91046 91169 91069
91047 91170 91070
91048 91171 91071
91049 91172 91072
  91173 91073
[СНЯТ С ПРОИЗВОДСТВА. ЗАМЕНА: 23771] - Фланец Geberit Mapress (углер ст), PN 6, с гладким концом, d108 [Артикул: 23739]
Подробнее
23739

ВНИМАНИЕ! Товар временно недоступен для заказа!

Цель применения:

  • Монтируется в системах отопления
  • Монтируется в системах кондиционирования воздуха
  • Не использовать для прокладки системы подачи питьевой воды!

Характеристики:

  • Оцинкованная сталь;
  • Без силикона, разрушающего ЛКП в красильном производстве;
  • В неопрессованном состоянии фитинг даёт течь.

В объём поставки не включено:

  • Набора болтов для фланца;
  • Прокладки для фланца.

Технические данные

Материал: Нелегированная сталь 1.0034 E 195 (DIN EN 10305)

Скачать инструкцию по монтажу: Система Geberit Mapress

d di D k m H h n PN
мм мм см см см см см шт бар
108 104,3 21 17 1,8 17,5 1,8 4 6

Возможно использование с:

Прокладки для фланца Mapress, PN 6 Болты Geberit Mapress Комплект болтов Geberit Mapress для фланцев
     
91041 91164 91064
91042 91165 91065
91043 91166 91066
91044 91167 91067
91045 91168 91068
91046 91169 91069
91047 91170 91070
91048 91171 91071
91049 91172 91072
  91173 91073
[СНЯТ С ПРОИЗВОДСТВА. ЗАМЕНА: 33748] - Фланец Geberit Mapress (нерж ст) с гладким концевиком, PN 10/16, d 54 [Артикул: 33728]
Подробнее
33728

ВНИМАНИЕ! Товар временно недоступен для заказа!

Цель применения:

  • Для монтажа систем водоснабжения и отопления
  • Для использования в промышленности

Характеристики:

  • Гладкий концевик

Объём поставки не включено:

  • Прокладка для фланца;
  • Болты для фланца.

Технические данные

Материал: Нержавеющая сталь 1.4401 (DIN EN 10088)

Скачать инструкцию по монтажу: Система Geberit Mapress

d di D k m H h PN
мм мм см см см см см бар
54 54,5 16,5 12,5 1,8 8,7 1,8 10 / 16

Возможно использование с:

Прокладки для фланца Mapress, PN 10/16 Болты Geberit Mapress
   
91031 91164
91032 91165
91033 91166
91034 91167
91035 91168
91036 91169
91037 91170
91038 91171
91039 91172
  91173
[СНЯТ С ПРОИЗВОДСТВА. ЗАМЕНА: 33749] - Фланец Geberit Mapress (нерж ст) с гладким концевиком, PN 10/16, d76,3 [Артикул: 33729]
Подробнее
33729

ВНИМАНИЕ! Товар временно недоступен для заказа!

Цель применения:

  • Для монтажа систем водоснабжения и отопления
  • Для использования в промышленности

Характеристики:

  • Гладкий концевик

Объём поставки не включено:

  • Прокладка для фланца;
  • Болты для фланца.

Технические данные

Материал: Нержавеющая сталь 1.4401 (DIN EN 10088)

d di D k m H h PN
мм мм см см см см см бар
76,1 72,1 18,5 14,5 1,8 12,6 1,8 10 / 16

Возможно использование с:

Прокладки для фланца Mapress, PN 10/16 Болты Geberit Mapress
   
91031 91164
91032 91165
91033 91166
91034 91167
91035 91168
91036 91169
91037 91170
91038 91171
91039 91172
  91173
[СНЯТ С ПРОИЗВОДСТВА. ЗАМЕНА: 33750] - Фланец Geberit Mapress (нерж ст) с гладким концевиком, PN 10/16, d88,9 [Артикул: 33730]
Подробнее
33730

ВНИМАНИЕ! Товар временно недоступен для заказа!

Цель применения:

  • Для монтажа систем водоснабжения и отопления
  • Для использования в промышленности

Характеристики:

  • Гладкий концевик

Объём поставки не включено:

  • Прокладка для фланца;
  • Болты для фланца.

Материал: Нержавеющая сталь 1.4401 (DIN EN 10088)

d di D k m H h PN
мм мм см см см см см бар
88,9 84,9 20 16 1,8 14,3 2 10 / 16

Возможно использование с:

Прокладки для фланца Mapress, PN 10/16 Болты Geberit Mapress
   
91031 91164
91032 91165
91033 91166
91034 91167
91035 91168
91036 91169
91037 91170
91038 91171
91039 91172
  91173
[СНЯТ С ПРОИЗВОДСТВА. ЗАМЕНА: 33752] - Фланец Geberit Mapress (нерж ст) с гладким концевиком, PN 10/16, d108 [Артикул: 33731]
Подробнее
33731

ВНИМАНИЕ! Товар временно недоступен для заказа!

Цель применения:

  • Для монтажа систем водоснабжения и отопления
  • Для использования в промышленности

Характеристики:

  • Гладкий концевик

Объём поставки не включено:

  • Прокладка для фланца;
  • Болты для фланца.

Технические данные

Материал: Нержавеющая сталь 1.4401 (DIN EN 10088)

d di D k m H h PN
мм мм см см см см см бар
108 104 22 18 1,8 16,8 2 10 / 16

Возможно использование с:

Прокладки для фланца Mapress, PN 10/16 Болты Geberit Mapress
   
91031 91164
91032 91165
91033 91166
91034 91167
91035 91168
91036 91169
91037 91170
91038 91171
91039 91172
  91173
[СНЯТ С ПРОИЗВОДСТВА] - Фланец Geberit Mapress (нерж ст), PN 10/16, FKM, DN15, d 18 [Артикул: 50683]
Подробнее
50683

ВНИМАНИЕ! Товар временно недоступен для заказа!

Цель применения:

  • Для применения в промышленности
  • Возможно использование в кораблестроении
  • Для применения в системах, использующих энергию солнца

Характеристики:

  • Имеется прессовый индикатор;
  • Без силикона;
  • Тип A (гладкое уплотнение), EN 1092-1.

В объём поставки включено:

  • Синее уплотнительное кольцо FKM

Технические данные

Материал: Нержавеющая сталь 1.4401 (DIN EN 10088)

Скачать инструкцию по монтажу: Система Geberit Mapress

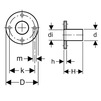
d di D k m H L Z n PN
мм мм см см см см см см шт бар
18 16 9.5 6.5 1.4 1.1 5.7 3.7 4 10 / 16

Возможно использование с:

Прокладки для фланца Mapress, PN 10/16 Болты Geberit Mapress
   
91031 91164
91032 91165
91033 91166
91034 91167
91035 91168
91036 91169
91037 91170
91038 91171
91039 91172
  91173
[СНЯТ С ПРОИЗВОДСТВА] - Фланец Geberit Mapress (нерж ст), PN 10/16, FKM, DN20, d 22 [Артикул: 50684]
Подробнее
50684

ВНИМАНИЕ! Товар временно недоступен для заказа!

Цель применения:

  • Для применения в промышленности
  • Возможно использование в кораблестроении
  • Для применения в системах, использующих энергию солнца

Характеристики:

  • Имеется прессовый индикатор;
  • Без силикона;
  • Тип A (гладкое уплотнение), EN 1092-1.

В объём поставки включено:

  • Синее уплотнительное кольцо FKM

Технические данные

Материал: Нержавеющая сталь 1.4401 (DIN EN 10088)

Скачать инструкцию по монтажу: Система Geberit Mapress

d di D k m H L Z n PN
мм мм см см см см см см шт бар
22 19.6 10.5 7.5 1.4 1.2 5.9 3.8 4 10 / 16

Возможно использование с:

Прокладки для фланца Mapress, PN 10/16 Болты Geberit Mapress
   
91031 91164
91032 91165
91033 91166
91034 91167
91035 91168
91036 91169
91037 91170
91038 91171
91039 91172
  91173
[СНЯТ С ПРОИЗВОДСТВА] - Фланец Geberit Mapress (нерж ст), PN 10/16, FKM, DN25, d 28 [Артикул: 50685]
Подробнее
50685

ВНИМАНИЕ! Товар временно недоступен для заказа!

Цель применения:

  • Для применения в промышленности
  • Возможно использование в кораблестроении
  • Для применения в системах, использующих энергию солнца

Характеристики:

  • Имеется прессовый индикатор;
  • Без силикона;
  • Тип A (гладкое уплотнение), EN 1092-1.

В объём поставки включено:

  • Синее уплотнительное кольцо FKM

Материал: Нержавеющая сталь 1.4401 (DIN EN 10088)

Скачать инструкцию по монтажу: Система Geberit Mapress

d di D k m H L Z n PN
мм мм см см см см см см шт бар
28 25.6 11.5 8.5 1.4 1.4 6.5 4.2 4 10 / 16

Возможно использование с:

Прокладки для фланца Mapress, PN 10/16 Болты Geberit Mapress
   
91031 91164
91032 91165
91033 91166
91034 91167
91035 91168
91036 91169
91037 91170
91038 91171
91039 91172
  91173
[СНЯТ С ПРОИЗВОДСТВА] - Фланец Geberit Mapress (нерж ст), PN 10/16, FKM, DN32, d 35 [Артикул: 50686]
Подробнее
50686

ВНИМАНИЕ! Товар временно недоступен для заказа!

Цель применения:

  • Для применения в промышленности
  • Возможно использование в кораблестроении
  • Для применения в системах, использующих энергию солнца

Характеристики:

  • Имеется прессовый индикатор;
  • Без силикона;
  • Тип A (гладкое уплотнение), EN 1092-1.

В объём поставки включено:

  • Синее уплотнительное кольцо FKM

Технические данные

Материал: Нержавеющая сталь 1.4401 (DIN EN 10088)

Скачать инструкцию по монтажу: Система Geberit Mapress

d di D k m H L Z n PN
мм мм см см см см см см шт бар
35 32 14 10 1.8 1.5 6.9 4.3 4 10 / 16

Возможно использование с:

Прокладки для фланца Mapress, PN 10/16 Болты Geberit Mapress
   
91031 91164
91032 91165
91033 91166
91034 91167
91035 91168
91036 91169
91037 91170
91038 91171
91039 91172
  91173
[СНЯТ С ПРОИЗВОДСТВА] - Фланец Geberit Mapress (нерж ст), PN 10/16, FKM, DN40, d 42 [Артикул: 50687]
Подробнее
50687

ВНИМАНИЕ! Товар временно недоступен для заказа!

Цель применения:

  • Для применения в промышленности
  • Возможно использование в кораблестроении
  • Для применения в системах, использующих энергию солнца

Характеристики:

  • Имеется прессовый индикатор;
  • Без силикона;
  • Тип A (гладкое уплотнение), EN 1092-1.

В объём поставки включено:

  • Синее уплотнительное кольцо FKM

Материал: Нержавеющая сталь 1.4401 (DIN EN 10088)

Скачать инструкцию по монтажу: Система Geberit Mapress

d di D k m H L Z n PN
мм мм см см см см см см шт бар
42 39 15 11 1.8 1.6 7.7 4.7 4 10 / 16

Возможно использование с:

Прокладки для фланца Mapress, PN 10/16 Болты Geberit Mapress
   
91031 91164
91032 91165
91033 91166
91034 91167
91035 91168
91036 91169
91037 91170
91038 91171
91039 91172
  91173
[СНЯТ С ПРОИЗВОДСТВА. ЗАМЕНА: 50678] - Фланец Geberit Mapress (нерж ст), PN 10/16, FKM, DN50, d 54 [Артикул: 50688]
Подробнее
50688

ВНИМАНИЕ! Товар временно недоступен для заказа!

Цель применения:

  • Для применения в промышленности
  • Возможно использование в кораблестроении
  • Для применения в системах, использующих энергию солнца

Характеристики:

  • Имеется прессовый индикатор;
  • Без силикона;
  • Тип A (гладкое уплотнение), EN 1092-1.

В объём поставки включено:

  • Синее уплотнительное кольцо FKM

Материал: Нержавеющая сталь 1.4401 (DIN EN 10088)

Скачать инструкцию по монтажу: Система Geberit Mapress

d di D k m H L Z n PN
мм мм см см см см см см шт бар
54 51 16.5 12.5 1.8 1.8 8.7 5.2 4 10 / 16

Возможно использование с:

Прокладки для фланца Mapress, PN 10/16 Болты Geberit Mapress
   
91031 91164
91032 91165
91033 91166
91034 91167
91035 91168
91036 91169
91037 91170
91038 91171
91039 91172
  91173
[СНЯТ С ПРОИЗВОДСТВА] - Фланец Geberit Mapress (нерж ст), PN 10/16, FKM, DN65, d76,1 [Артикул: 50691]
Подробнее
50691

ВНИМАНИЕ! Товар временно недоступен для заказа!

Цель применения:

  • Для применения в промышленности
  • Возможно использование в кораблестроении
  • Для применения в системах, использующих энергию солнца

Характеристики:

  • Имеется прессовый индикатор;
  • Без силикона;
  • Тип A (гладкое уплотнение), EN 1092-1.

В объём поставки включено:

  • Синее уплотнительное кольцо FKM

Материал: Нержавеющая сталь 1.4401 (DIN EN 10088)

Скачать инструкцию по монтажу: Система Geberit Mapress

d di D k m H L Z n PN
мм мм см см см см см см шт бар
76.1 72.1 18.5 14.5 1.8 1.8 12.6 7.3 4 10 / 16

Возможно использование с:

Прокладки для фланца Mapress, PN 10/16 Болты Geberit Mapress
   
91031 91164
91032 91165
91033 91166
91034 91167
91035 91168
91036 91169
91037 91170
91038 91171
91039 91172
  91173
[СНЯТ С ПРОИЗВОДСТВА] - Фланец Geberit Mapress (нерж ст), PN 10/16, FKM, DN80, d88,9 [Артикул: 50692]
Подробнее
50692

ВНИМАНИЕ! Товар временно недоступен для заказа!

Цель применения:

  • Для применения в промышленности
  • Возможно использование в кораблестроении
  • Для применения в системах, использующих энергию солнца

Характеристики:

  • Имеется прессовый индикатор;
  • Без силикона;
  • Тип A (гладкое уплотнение), EN 1092-1.

В объём поставки включено:

  • Синее уплотнительное кольцо FKM

Материал: Нержавеющая сталь 1.4401 (DIN EN 10088)

Скачать инструкцию по монтажу: Система Geberit Mapress

d di D k m H L Z n PN
мм мм см см см см см см шт бар
88.9 84.9 20 16 1.8 2 14.3 8.3 8 10 / 16

Возможно использование с:

Прокладки для фланца Mapress, PN 10/16 Болты Geberit Mapress
   
91031 91164
91032 91165
91033 91166
91034 91167
91035 91168
91036 91169
91037 91170
91038 91171
91039 91172
  91173
[СНЯТ С ПРОИЗВОДСТВА] - Фланец Geberit Mapress (нерж ст), PN 10/16, FKM, DN100, d108 [Артикул: 50693]
Подробнее
50693

ВНИМАНИЕ! Товар временно недоступен для заказа!

Цель применения:

  • Для применения в промышленности
  • Возможно использование в кораблестроении
  • Для применения в системах, использующих энергию солнца

Характеристики:

  • Имеется прессовый индикатор;
  • Без силикона;
  • Тип A (гладкое уплотнение), EN 1092-1.

В объём поставки включено:

  • Синее уплотнительное кольцо FKM

Материал: Нержавеющая сталь 1.4401 (DIN EN 10088)

Скачать инструкцию по монтажу: Система Geberit Mapress

d di D k m H L Z n PN
мм мм см см см см см см шт бар
108 104 22 18 1.8 2 16.8 9.3 8 10 / 16

Возможно использование с:

Прокладки для фланца Mapress, PN 10/16 Болты Geberit Mapress
   
91031 91164
91032 91165
91033 91166
91034 91167
91035 91168
91036 91169
91037 91170
91038 91171
91039 91172
  91173
[СНЯТ С ПРОИЗВОДСТВА] - Переход на фланец Geberit Mapress, PN 10/16, оцинк., FKM, DN25, d 28 [Артикул: 51685]
Подробнее
51685

ВНИМАНИЕ! Товар временно недоступен для заказа!

Цель применения:

  • Для систем, работающих на энергии солнца
  • Для использования в промышленности и в кораблестроении
  • Возможно использование в системах подачи нефти

Характеристики:

  • Фитинг оснащён индикатором прессования;
  • Оцинковано;
  • С синим уплотнительным кольцом FKM.

В объём поставки не включено:

  • Комплект болтов для крепления фланца;
  • Уплотнительная прокладка для фланца.

Технические данные

Материал: Нелегированная сталь 1.0034 E 195 (DIN EN 10305)

Скачать инструкцию по монтажу: Система Geberit Mapress

d di D k m H L Z n PN
мм мм см см см см см см шт бар
28 25 11,5 8,5 1,4 1,6 6,7 4,4 4 10 / 16

Возможно использование с:

Прокладки для фланца Mapress, PN 10/16 Болты Geberit Mapress Комплект болтов Geberit Mapress для фланцев
     
91031 91164 91064
91032 91165 91065
91033 91166 91066
91034 91167 91067
91035 91168 91068
91036 91169 91069
91037 91170 91070
91038 91171 91071
91039 91172 91072
  91173 91073
[СНЯТ С ПРОИЗВОДСТВА] - Переход на фланец Geberit Mapress, PN 10/16, оцинк., FKM, DN32, d 35 [Артикул: 51686]
Подробнее
51686

ВНИМАНИЕ! Товар временно недоступен для заказа!

Цель применения:

  • Для систем, работающих на энергии солнца
  • Для использования в промышленности и в кораблестроении
  • Возможно использование в системах подачи нефти

Характеристики:

  • Фитинг оснащён индикатором прессования;
  • Оцинковано;
  • С синим уплотнительным кольцом FKM.

В объём поставки не включено:

  • Комплект болтов для крепления фланца;
  • Уплотнительная прокладка для фланца.

Технические данные

Материал: Нелегированная сталь 1.0034 E 195 (DIN EN 10305)

Скачать инструкцию по монтажу: Система Geberit Mapress

d di D k m H L Z n PN
мм мм см см см см см см шт бар
35 32 14 10 1,8 1,8 7,2 4,6 4 10 / 16

Возможно использование с:

Прокладки для фланца Mapress, PN 10/16 Болты Geberit Mapress Комплект болтов Geberit Mapress для фланцев
     
91031 91164 91064
91032 91165 91065
91033 91166 91066
91034 91167 91067
91035 91168 91068
91036 91169 91069
91037 91170 91070
91038 91171 91071
91039 91172 91072
  91173 91073

Смотрите также