Логотип
Ru| En

Офис: м. Бауманская

Склад: Ленинский городской округ

Loading

Тройники Geberit Mapress из стали

Тройники Mapress, предназначенные для соединения между собой нескольких участков трубопровода систем водоснабжения и отопления, а также промышленных трубопроводов, изготавливаются из нержавеющей стали 1.4401 и нелегированной стали 1.0034 E 195. Для максимального удобства тройники оснащаются индикатором прессования, при этом в неопрессованном состоянии они дают течь. Тройники имеют угол поворота 90°. Общая длина тройников колеблется от 6,4 до 31 см, а их диаметр может быть от 15 до 108 мм. Также выпускаются переходные тройники и тройники с внутренней или наружной резьбой.

В данную группу товаров также входят тройники Mapress, изготовленные из специальной стали, лишённой силикона. Тройники Mapress, имеющие жёлтую маркировку, могут использоваться в системах подачи природного или сжиженного газа, при этом они сохраняют работоспособность при температурах -20 – +70 °C.

В комплект поставки входят специальные чёрные уплотнительные кольца (CIIR).

Фото Наименование Артикул Цена
Тройник Geberit Mapress равнопроходной из углеродистой стали, d - 12мм [Артикул: 21001]
Подробнее
21001

ВНИМАНИЕ! Товар временно недоступен для заказа!

Тройник Geberit Mapress (углер ст), оцинкованный, d - 15 [Артикул: 21002]
Подробнее
21002

ВНИМАНИЕ! Товар временно недоступен для заказа!

Цель применения:

  • Монтируется в системах отопления
  • Монтируется в системах кондиционирования воздуха
  • Подходит для спринклерной системы пожаротушения (тушение жидкостью)
  • Не подходит для систем подачи питьевой воды

Характеристики:

  • Оцинкованная сталь;
  • Есть индикатор прессования;
  • В неопрессованном состоянии фитинг даёт течь.

В объём поставки включено:

  • Чёрные уплотнительные кольца (CIIR)

Материал: Нелегированная сталь 1.0034 E 195 (DIN EN 10305)

Угол поворота: 90°

Скачать инструкцию по монтажу: Система Geberit Mapress

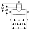
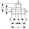
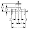
d L L1 l Z Z1
мм см см см см см
15 6,4 3,9 3,2 1,2 1,9
Тройник Geberit Mapress (углер ст), оцинкованный, d - 18 [Артикул: 21003]
Подробнее
21003

ВНИМАНИЕ! Товар временно недоступен для заказа!

Цель применения:

  • Монтируется в системах отопления
  • Монтируется в системах кондиционирования воздуха
  • Подходит для спринклерной системы пожаротушения (тушение жидкостью)
  • Не подходит для систем подачи питьевой воды

Характеристики:

  • Оцинкованная сталь;
  • Есть индикатор прессования;
  • В неопрессованном состоянии фитинг даёт течь.

В объём поставки включено:

  • Чёрные уплотнительные кольца (CIIR)

Материал: Нелегированная сталь 1.0034 E 195 (DIN EN 10305)

Угол поворота: 90°

Скачать инструкцию по монтажу: Система Geberit Mapress

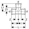
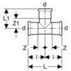
d L L1 l Z Z1
мм см см см см см
18 6,8 4,1 3,4 1,4 2,1
Тройник Geberit Mapress (углер ст), оцинкованный, d - 22 [Артикул: 21004]
Подробнее
21004

ВНИМАНИЕ! Товар временно недоступен для заказа!

Цель применения:

  • Монтируется в системах отопления
  • Монтируется в системах кондиционирования воздуха
  • Подходит для спринклерной системы пожаротушения (тушение жидкостью)
  • Не подходит для систем подачи питьевой воды

Характеристики:

  • Оцинкованная сталь;
  • Есть индикатор прессования;
  • В неопрессованном состоянии фитинг даёт течь.

В объём поставки включено:

  • Чёрные уплотнительные кольца (CIIR)

Материал: Нелегированная сталь 1.0034 E 195 (DIN EN 10305)

Угол поворота: 90°

Скачать инструкцию по монтажу: Система Geberit Mapress

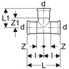
d L L1 l Z Z1
мм см см см см см
22 7,4 4,4 3,7 1,6 2,3
Тройник Geberit Mapress (углер ст), оцинкованный, d - 28 [Артикул: 21005]
Подробнее
21005

ВНИМАНИЕ! Товар временно недоступен для заказа!

Цель применения:

  • Монтируется в системах отопления
  • Монтируется в системах кондиционирования воздуха
  • Подходит для спринклерной системы пожаротушения (тушение жидкостью)
  • Не подходит для систем подачи питьевой воды

Характеристики:

  • Оцинкованная сталь;
  • Есть индикатор прессования;
  • В неопрессованном состоянии фитинг даёт течь.

В объём поставки включено:

  • Чёрные уплотнительные кольца (CIIR)

Материал: Нелегированная сталь 1.0034 E 195 (DIN EN 10305)

Угол поворота: 90°

Скачать инструкцию по монтажу: Система Geberit Mapress

d L L1 l Z Z1
мм см см см см см
28 8,4 5 4,2 1,9 2,7
Тройник Geberit Mapress (углер ст), оцинкованный, d - 35 [Артикул: 21006 (G)]
Подробнее
21006 (G)

ВНИМАНИЕ! Товар временно недоступен для заказа!

Цель применения:

  • Монтируется в системах отопления
  • Монтируется в системах кондиционирования воздуха
  • Подходит для спринклерной системы пожаротушения (тушение жидкостью)
  • Не подходит для систем подачи питьевой воды

Характеристики:

  • Оцинкованная сталь;
  • Есть индикатор прессования;
  • В неопрессованном состоянии фитинг даёт течь.

В объём поставки включено:

  • Чёрные уплотнительные кольца (CIIR)

Материал: Нелегированная сталь 1.0034 E 195 (DIN EN 10305)

Угол поворота: 90°

Скачать инструкцию по монтажу: Система Geberit Mapress

d L L1 l Z Z1
мм см см см см см
35 10 5,7 5 2,4 3,1
Тройник Geberit Mapress (углер ст), оцинкованный, d - 42 [Артикул: 21007]
Подробнее
21007

ВНИМАНИЕ! Товар временно недоступен для заказа!

Цель применения:

  • Монтируется в системах отопления
  • Монтируется в системах кондиционирования воздуха
  • Подходит для спринклерной системы пожаротушения (тушение жидкостью)
  • Не подходит для систем подачи питьевой воды

Характеристики:

  • Оцинкованная сталь;
  • Есть индикатор прессования;
  • В неопрессованном состоянии фитинг даёт течь.

В объём поставки включено:

  • Чёрные уплотнительные кольца (CIIR)

Материал: Нелегированная сталь 1.0034 E 195 (DIN EN 10305)

Угол поворота: 90°

Скачать инструкцию по монтажу: Система Geberit Mapress

d L L1 l Z Z1
мм см см см см см
42 11,4 6,5 5,7 2,7 3,5
Тройник Geberit Mapress (углер ст), оцинкованный, d - 54 [Артикул: 21008 (G)]
Подробнее
21008 (G)

ВНИМАНИЕ! Товар временно недоступен для заказа!

Цель применения:

  • Монтируется в системах отопления
  • Монтируется в системах кондиционирования воздуха
  • Подходит для спринклерной системы пожаротушения (тушение жидкостью)
  • Не подходит для систем подачи питьевой воды

Характеристики:

  • Оцинкованная сталь;
  • Есть индикатор прессования;
  • В неопрессованном состоянии фитинг даёт течь.

В объём поставки включено:

  • Чёрные уплотнительные кольца (CIIR)

Материал: Нелегированная сталь 1.0034 E 195 (DIN EN 10305)

Угол поворота: 90°

Скачать инструкцию по монтажу: Система Geberit Mapress

d L L1 l Z Z1
мм см см см см см
54 13,8 7,7 6,9 3,4 4,2
Тройник Geberit Mapress (углер ст), оцинкованный, d - 76,1 [Артикул: 21009]
Подробнее
21009

ВНИМАНИЕ! Товар временно недоступен для заказа!

Цель применения:

  • Монтируется в системах отопления
  • Монтируется в системах кондиционирования воздуха
  • Подходит для спринклерной системы пожаротушения (тушение жидкостью)
  • Не подходит для систем подачи питьевой воды

Характеристики:

  • Оцинкованная сталь;
  • Есть индикатор прессования;
  • В неопрессованном состоянии фитинг даёт течь.

В объём поставки включено:

  • Чёрные уплотнительные кольца (CIIR)

Материал: Нелегированная сталь 1.0034 E 195 (DIN EN 10305)

Угол поворота: 90°

Скачать инструкцию по монтажу: Система Geberit Mapress

d L L1 l Z Z1
мм см см см см см
76,1 23 11 11,5 6,2 5,7
Тройник Geberit Mapress (углер ст), оцинкованный, d - 88,9 [Артикул: 21010 (G)]
Подробнее
21010 (G)

ВНИМАНИЕ! Товар временно недоступен для заказа!

Цель применения:

  • Монтируется в системах отопления
  • Монтируется в системах кондиционирования воздуха
  • Подходит для спринклерной системы пожаротушения (тушение жидкостью)
  • Не подходит для систем подачи питьевой воды

Характеристики:

  • Оцинкованная сталь;
  • Есть индикатор прессования;
  • В неопрессованном состоянии фитинг даёт течь.

В объём поставки включено:

  • Чёрные уплотнительные кольца (CIIR)

Материал: Нелегированная сталь 1.0034 E 195 (DIN EN 10305)

Угол поворота: 90°

Скачать инструкцию по монтажу: Система Geberit Mapress

d L L1 l Z Z1
мм см см см см см
88,9 26 12,8 13 7 6,8
Тройник Geberit Mapress (углер ст), оцинкованный, d - 108 [Артикул: 21011 (G)]
Подробнее
21011 (G)

ВНИМАНИЕ! Товар временно недоступен для заказа!

Цель применения:

  • Монтируется в системах отопления
  • Монтируется в системах кондиционирования воздуха
  • Подходит для спринклерной системы пожаротушения (тушение жидкостью)
  • Не подходит для систем подачи питьевой воды

Характеристики:

  • Оцинкованная сталь;
  • Есть индикатор прессования;
  • В неопрессованном состоянии фитинг даёт течь.

В объём поставки включено:

  • Чёрные уплотнительные кольца (CIIR)

Материал: Нелегированная сталь 1.0034 E 195 (DIN EN 10305)

Угол поворота: 90°

Скачать инструкцию по монтажу: Система Geberit Mapress

d L L1 l Z Z1
мм см см см см см
108 31 15,3 15,5 8 7,8
Тройник Geberit Mapress (углер ст) с одинаковыми концами, d - 66,7 [Артикул: 21012 (G)]
Подробнее
21012 (G)

ВНИМАНИЕ! Товар временно недоступен для заказа!

Цель применения:

  • Монтируется в системах отопления
  • Монтируется в системах кондиционирования воздуха
  • Подходит для спринклерной системы пожаротушения (тушение жидкостью)
  • Не подходит для систем подачи питьевой воды

Характеристики:

  • Оцинкованная сталь;
  • Есть индикатор прессования;
  • В неопрессованном состоянии фитинг даёт течь.

В объём поставки включено:

  • Чёрные уплотнительные кольца (CIIR)

Материал: Нелегированная сталь 1.0034 E 195 (DIN EN 10305)

Угол поворота: 90°

Скачать инструкцию по монтажу: Система Geberit Mapress

d L L1 l Z Z1
мм см см см см см
66.7 22 10.5 11 6 5.5
Тройник Geberit Mapress переходной из углеродистой стали, d - 12мм, d1 - 15мм, d2 - 12мм [Артикул: 21101]
Подробнее
21101

ВНИМАНИЕ! Товар временно недоступен для заказа!

Тройник Geberit Mapress (углер ст) переходный, оцинкованный, d - 15, d1 - 18, d2 - 15 [Артикул: 21103]
Подробнее
21103

ВНИМАНИЕ! Товар временно недоступен для заказа!

Цель применения:

  • Монтируется в системах отопления
  • Монтируется в системах кондиционирования воздуха
  • Подходит для спринклерной системы пожаротушения (тушение жидкостью)
  • Не подходит для систем подачи питьевой воды

Характеристики:

  • Оцинкованная сталь;
  • Переходной;
  • Есть индикатор прессования;
  • В неопрессованном состоянии фитинг даёт течь.

В объём поставки включено:

  • Чёрные уплотнительные кольца (CIIR)

Материал: Нелегированная сталь 1.0034 E 195 (DIN EN 10305)

Угол поворота: 90°

Скачать инструкцию по монтажу: Система Geberit Mapress

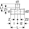
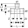
d d1 d2 L L1 l l2 Z Z1 Z2
мм мм мм см см см см см см см
15 18 15 6,4 3,6 3,2 3,2 1,2 1,6 1.2
Тройник Geberit Mapress (углер ст) переходный, оцинкованный, d - 15, d1 - 22, d2 - 15 [Артикул: 21104]
Подробнее
21104

ВНИМАНИЕ! Товар временно недоступен для заказа!

Цель применения:

  • Монтируется в системах отопления
  • Монтируется в системах кондиционирования воздуха
  • Подходит для спринклерной системы пожаротушения (тушение жидкостью)
  • Не подходит для систем подачи питьевой воды

Характеристики:

  • Оцинкованная сталь;
  • Переходной;
  • Есть индикатор прессования;
  • В неопрессованном состоянии фитинг даёт течь.

В объём поставки включено:

  • Чёрные уплотнительные кольца (CIIR)

Материал: Нелегированная сталь 1.0034 E 195 (DIN EN 10305)

Угол поворота: 90°

Скачать инструкцию по монтажу: Система Geberit Mapress

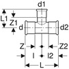
d d1 d2 L L1 l l2 Z Z1 Z2
мм мм мм см см см см см см см
15 22 15 6,4 4,2 3,2 3,2 1,2 2,1 1.2
Тройник Geberit Mapress (углер ст) переходный, оцинкованный, d - 18, d1 - 22, d2 - 18 [Артикул: 21105]
Подробнее
21105

ВНИМАНИЕ! Товар временно недоступен для заказа!

Цель применения:

  • Монтируется в системах отопления
  • Монтируется в системах кондиционирования воздуха
  • Подходит для спринклерной системы пожаротушения (тушение жидкостью)
  • Не подходит для систем подачи питьевой воды

Характеристики:

  • Оцинкованная сталь;
  • Переходной;
  • Есть индикатор прессования;
  • В неопрессованном состоянии фитинг даёт течь.

В объём поставки включено:

  • Чёрные уплотнительные кольца (CIIR)

Материал: Нелегированная сталь 1.0034 E 195 (DIN EN 10305)

Угол поворота: 90°

Скачать инструкцию по монтажу: Система Geberit Mapress

d d1 d2 L L1 l l2 Z Z1 Z2
мм мм мм см см см см см см см
18 22 18 6,8 4,1 3,4 3,4 1,4 2 1.4
Тройник Geberit Mapress (углер ст) переходный, оцинкованный, d - 22, d1 - 28, d2 - 22 [Артикул: 21107]
Подробнее
21107

ВНИМАНИЕ! Товар временно недоступен для заказа!

Цель применения:

  • Монтируется в системах отопления
  • Монтируется в системах кондиционирования воздуха
  • Подходит для спринклерной системы пожаротушения (тушение жидкостью)
  • Не подходит для систем подачи питьевой воды

Характеристики:

  • Оцинкованная сталь;
  • Переходной;
  • Есть индикатор прессования;
  • В неопрессованном состоянии фитинг даёт течь.

В объём поставки включено:

  • Чёрные уплотнительные кольца (CIIR)

Материал: Нелегированная сталь 1.0034 E 195 (DIN EN 10305)

Угол поворота: 90°

Скачать инструкцию по монтажу: Система Geberit Mapress

d d1 d2 L L1 l l2 Z Z1 Z2
мм мм мм см см см см см см см
22 28 22 7,4 4,5 3,7 3,7 1,6 2,2 1,6
Тройник Geberit Mapress переходной из углеродистой стали, d - 15мм, d1 - 12мм, d2 - 12мм [Артикул: 21201]
Подробнее
21201

ВНИМАНИЕ! Товар временно недоступен для заказа!

Тройник Geberit Mapress переходной из углеродистой стали, d - 15мм, d1 - 12мм, d2 - 15мм [Артикул: 21202 (G)]
Подробнее
21202 (G)

ВНИМАНИЕ! Товар временно недоступен для заказа!

Тройник Geberit Mapress переходной из углеродистой стали, d - 18мм, d1 - 12мм, d2 - 18мм [Артикул: 21203]
Подробнее
21203

ВНИМАНИЕ! Товар временно недоступен для заказа!

Смотрите также