Логотип
Ru| En

Офис: м. Бауманская

Склад: Ленинские Горки

Loading

Тройники Geberit Mapress из стали

Тройники Mapress, предназначенные для соединения между собой нескольких участков трубопровода систем водоснабжения и отопления, а также промышленных трубопроводов, изготавливаются из нержавеющей стали 1.4401 и нелегированной стали 1.0034 E 195. Для максимального удобства тройники оснащаются индикатором прессования, при этом в неопрессованном состоянии они дают течь. Тройники имеют угол поворота 90°. Общая длина тройников колеблется от 6,4 до 31 см, а их диаметр может быть от 15 до 108 мм. Также выпускаются переходные тройники и тройники с внутренней или наружной резьбой.

В данную группу товаров также входят тройники Mapress, изготовленные из специальной стали, лишённой силикона. Тройники Mapress, имеющие жёлтую маркировку, могут использоваться в системах подачи природного или сжиженного газа, при этом они сохраняют работоспособность при температурах -20 – +70 °C.

В комплект поставки входят специальные чёрные уплотнительные кольца (CIIR).

Фото Наименование Артикул Цена
[СНЯТ С ПРОИЗВОДСТВА] - Тройник переходный Geberit Mapress (нерж ст без силик), пресс/внутренняя резьба BSP/пресс, d 28, L1 5,3 [Артикул: 81311]
Подробнее
81311

ВНИМАНИЕ! Товар временно недоступен для заказа!

Цель применения:

  • Для промышленности и судостроения

Характеристики:

  • Имеется прессовый индикатор;
  • С внутренней резьбой;
  • В неопрессованном состоянии фитинг даёт течь.

В объём поставки включено:

  • Чёрное уплотнительное кольцо CIIR

Материал: Нержавеющая сталь 1.4401 (DIN EN 10088)

Скачать инструкцию по монтажу: Система Geberit Mapress

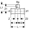
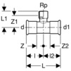
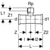
d Rp d1 L L1 l l2 Z Z1 Z2
мм " мм см см см см см см см
28 1 28 8.4 5.3 4.2 4.2 1.9 3.6 1.9
[СНЯТ С ПРОИЗВОДСТВА] - Тройник переходный Geberit Mapress (нерж ст без силик), пресс/внутренняя резьба BSP/пресс, d 35, L1 5 [Артикул: 81312]
Подробнее
81312

ВНИМАНИЕ! Товар временно недоступен для заказа!

Цель применения:

  • Для промышленности и судостроения

Характеристики:

  • Имеется прессовый индикатор;
  • С внутренней резьбой;
  • В неопрессованном состоянии фитинг даёт течь.

В объём поставки включено:

  • Чёрное уплотнительное кольцо CIIR

Материал: Нержавеющая сталь 1.4401 (DIN EN 10088)

Скачать инструкцию по монтажу: Система Geberit Mapress

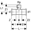
d Rp d1 L L1 l l2 Z Z1 Z2
мм " мм см см см см см см см
35 1/2 35 10 5 5 5 2.4 3.7 2.4
[СНЯТ С ПРОИЗВОДСТВА] - Тройник переходный Geberit Mapress (нерж ст без силик), пресс/внутренняя резьба BSP/пресс, d 35, L1 5,3 [Артикул: 81313]
Подробнее
81313

ВНИМАНИЕ! Товар временно недоступен для заказа!

Цель применения:

  • Для промышленности и судостроения

Характеристики:

  • Имеется прессовый индикатор;
  • С внутренней резьбой;
  • В неопрессованном состоянии фитинг даёт течь.

В объём поставки включено:

  • Чёрное уплотнительное кольцо CIIR

Материал: Нержавеющая сталь 1.4401 (DIN EN 10088)

Скачать инструкцию по монтажу: Система Geberit Mapress

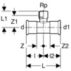
d Rp d1 L L1 l l2 Z Z1 Z2
мм " мм см см см см см см см
35 3/4 35 10 5.3 5 5 2.4 3.8 2.4
[СНЯТ С ПРОИЗВОДСТВА] - Тройник переходный Geberit Mapress (нерж ст без силик), пресс/внутренняя резьба BSP/пресс, d 42, L1 5,3 [Артикул: 81316]
Подробнее
81316

ВНИМАНИЕ! Товар временно недоступен для заказа!

Цель применения:

  • Для промышленности и судостроения

Характеристики:

  • Имеется прессовый индикатор;
  • С внутренней резьбой;
  • В неопрессованном состоянии фитинг даёт течь.

В объём поставки включено:

  • Чёрное уплотнительное кольцо CIIR

Материал: Нержавеющая сталь 1.4401 (DIN EN 10088)

Скачать инструкцию по монтажу: Система Geberit Mapress

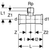
d Rp d1 L L1 l l2 Z Z1 Z2
мм " мм см см см см см см см
42 1/2 42 11.4 5.3 5.7 5.7 2.7 4 2.7
[СНЯТ С ПРОИЗВОДСТВА] - Тройник переходный Geberit Mapress (нерж ст без силик), пресс/внутренняя резьба BSP/пресс, d 42, L1 5,6 [Артикул: 81317]
Подробнее
81317

ВНИМАНИЕ! Товар временно недоступен для заказа!

Цель применения:

  • Для промышленности и судостроения

Характеристики:

  • Имеется прессовый индикатор;
  • С внутренней резьбой;
  • В неопрессованном состоянии фитинг даёт течь.

В объём поставки включено:

  • Чёрное уплотнительное кольцо CIIR

Материал: Нержавеющая сталь 1.4401 (DIN EN 10088)

Скачать инструкцию по монтажу: Система Geberit Mapress

d Rp d1 L L1 l l2 Z Z1 Z2
мм " мм см см см см см см см
42 3/4 42 11.4 5.6 5.7 5.7 2.7 4.1 2.7
[СНЯТ С ПРОИЗВОДСТВА] - Тройник переходный Geberit Mapress (нерж ст без силик), пресс/внутренняя резьба BSP/пресс, d 54, L1 5,9 [Артикул: 81320]
Подробнее
81320

ВНИМАНИЕ! Товар временно недоступен для заказа!

Цель применения:

  • Для промышленности и судостроения

Характеристики:

  • Имеется прессовый индикатор;
  • С внутренней резьбой;
  • В неопрессованном состоянии фитинг даёт течь.

В объём поставки включено:

  • Чёрное уплотнительное кольцо CIIR

Материал: Нержавеющая сталь 1.4401 (DIN EN 10088)

Скачать инструкцию по монтажу: Система Geberit Mapress

d Rp d1 L L1 l l2 Z Z1 Z2
мм " мм см см см см см см см
54 1/2 54 13.8 5.9 6.9 6.9 3.4 4.6 3.4
[СНЯТ С ПРОИЗВОДСТВА] - Тройник переходный Geberit Mapress (нерж ст без силик), пресс/внутренняя резьба BSP/пресс, d 54, L1 6,2 [Артикул: 81321]
Подробнее
81321

ВНИМАНИЕ! Товар временно недоступен для заказа!

Цель применения:

  • Для промышленности и судостроения

Характеристики:

  • Имеется прессовый индикатор;
  • С внутренней резьбой;
  • В неопрессованном состоянии фитинг даёт течь.

В объём поставки включено:

  • Чёрное уплотнительное кольцо CIIR

Материал: Нержавеющая сталь 1.4401 (DIN EN 10088)

Скачать инструкцию по монтажу: Система Geberit Mapress

d Rp d1 L L1 l l2 Z Z1 Z2
мм " мм см см см см см см см
54 3/4 54 13.8 6.2 6.9 6.9 3.4 4.7 3.4
[СНЯТ С ПРОИЗВОДСТВА] - Тройник переходный Geberit Mapress (нерж ст без силик), пресс/внутренняя резьба BSP/пресс, d 54, L1 7,9 [Артикул: 81324]
Подробнее
81324

ВНИМАНИЕ! Товар временно недоступен для заказа!

Цель применения:

  • Для промышленности и судостроения

Характеристики:

  • Имеется прессовый индикатор;
  • С внутренней резьбой;
  • В неопрессованном состоянии фитинг даёт течь.

В объём поставки включено:

  • Чёрное уплотнительное кольцо CIIR

Материал: Нержавеющая сталь 1.4401 (DIN EN 10088)

Скачать инструкцию по монтажу: Система Geberit Mapress

d Rp d1 L L1 l l2 Z Z1 Z2
мм " мм см см см см см см см
54 2 54 13.8 7.9 6.9 6.9 3.4 5.6 3.4
[СНЯТ С ПРОИЗВОДСТВА] - Тройник переходный Geberit Mapress (нерж ст без силик), пресс/внутренняя резьба BSP/пресс, d76,1, L1 7,9 [Артикул: 81326]
Подробнее
81326

ВНИМАНИЕ! Товар временно недоступен для заказа!

Цель применения:

  • Для промышленности и судостроения

Характеристики:

  • Имеется прессовый индикатор;
  • С внутренней резьбой;
  • В неопрессованном состоянии фитинг даёт течь.

В объём поставки включено:

  • Чёрное уплотнительное кольцо CIIR

Материал: Нержавеющая сталь 1.4401 (DIN EN 10088)

Скачать инструкцию по монтажу: Система Geberit Mapress

d Rp d1 L L1 l l2 Z Z1 Z2
мм " мм см см см см см см см
76.1 3/4 76.1 23 7.9 11.5 11.5 6.2 6.4 6.2
[СНЯТ С ПРОИЗВОДСТВА] - Тройник переходный Geberit Mapress (нерж ст без силик), пресс/внутренняя резьба BSP/пресс, d88,9, L1 8,8 [Артикул: 81331]
Подробнее
81331

ВНИМАНИЕ! Товар временно недоступен для заказа!

Цель применения:

  • Для промышленности и судостроения

Характеристики:

  • Имеется прессовый индикатор;
  • С внутренней резьбой;
  • В неопрессованном состоянии фитинг даёт течь.

В объём поставки включено:

  • Чёрное уплотнительное кольцо CIIR

Материал: Нержавеющая сталь 1.4401 (DIN EN 10088)

Скачать инструкцию по монтажу: Система Geberit Mapress

d Rp d1 L L1 l l2 Z Z1 Z2
мм " мм см см см см см см см
88.9 3/4 88.9 26 8.8 13 13 7 7.3 7
[СНЯТ С ПРОИЗВОДСТВА] - Тройник переходный Geberit Mapress (нерж ст без силик), пресс/внутренняя резьба BSP/пресс, d88,9, L1 9,6 [Артикул: 81334]
Подробнее
81334

ВНИМАНИЕ! Товар временно недоступен для заказа!

Цель применения:

  • Для промышленности и судостроения

Характеристики:

  • Имеется прессовый индикатор;
  • С внутренней резьбой;
  • В неопрессованном состоянии фитинг даёт течь.

В объём поставки включено:

  • Чёрное уплотнительное кольцо CIIR

Материал: Нержавеющая сталь 1.4401 (DIN EN 10088)

Скачать инструкцию по монтажу: Система Geberit Mapress

d Rp d1 L L1 l l2 Z Z1 Z2
мм " мм см см см см см см см
88.9 2 88.9 26 9.6 13 13 7 7.3 7
[СНЯТ С ПРОИЗВОДСТВА] - Тройник переходный Geberit Mapress (нерж ст без силик), пресс/внутренняя резьба BSP/пресс, d108, L1 10,5 [Артикул: 81336]
Подробнее
81336

ВНИМАНИЕ! Товар временно недоступен для заказа!

Цель применения:

  • Для промышленности и судостроения

Характеристики:

  • Имеется прессовый индикатор;
  • С внутренней резьбой;
  • В неопрессованном состоянии фитинг даёт течь.

В объём поставки включено:

  • Чёрное уплотнительное кольцо CIIR

Материал: Нержавеющая сталь 1.4401 (DIN EN 10088)

Скачать инструкцию по монтажу: Система Geberit Mapress

d Rp d1 L L1 l l2 Z Z1 Z2
мм " мм см см см см см см см
108 3/4 108 31 10.5 15.5 15.5 8 9 8
[СНЯТ С ПРОИЗВОДСТВА] - Тройник переходный Geberit Mapress (нерж ст без силик), пресс/внутренняя резьба BSP/пресс, d108, L1 11,5 [Артикул: 81339]
Подробнее
81339

ВНИМАНИЕ! Товар временно недоступен для заказа!

Цель применения:

  • Для промышленности и судостроения

Характеристики:

  • Имеется прессовый индикатор;
  • С внутренней резьбой;
  • В неопрессованном состоянии фитинг даёт течь.

В объём поставки включено:

  • Чёрное уплотнительное кольцо CIIR

Материал: Нержавеющая сталь 1.4401 (DIN EN 10088)

Скачать инструкцию по монтажу: Система Geberit Mapress

d Rp d1 L L1 l l2 Z Z1 Z2
мм " мм см см см см см см см
108 2 108 31 11.5 15.5 15.5 8 9.2 8
[СНЯТ С ПРОИЗВОДСТВА] - Тройник переходный Geberit Mapress (нерж ст без силик), пресс/наружная резьба BSP/пресс, d 15 [Артикул: 81454]
Подробнее
81454

ВНИМАНИЕ! Товар временно недоступен для заказа!

Цель применения:

  • Для промышленности и судостроения

Характеристики:

  • Имеется прессовый индикатор;
  • С наружной резьбой;
  • В неопрессованном состоянии фитинг даёт течь.

В объём поставки включено:

  • Чёрное уплотнительное кольцо CIIR

Материал: Нержавеющая сталь 1.4401 (DIN EN 10088)

Скачать инструкцию по монтажу: Система Geberit Mapress

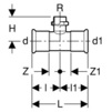
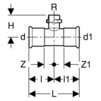
d R d1 H L l l1 Z Z1
мм " мм см см см см см см
15 1/2 15 3.4 6.4 3.2 3.2 1.2 1.2
[СНЯТ С ПРОИЗВОДСТВА] - Тройник переходный Geberit Mapress (нерж ст без силик), пресс/наружная резьба BSP/пресс, d 18 [Артикул: 81455]
Подробнее
81455

ВНИМАНИЕ! Товар временно недоступен для заказа!

Цель применения:

  • Для промышленности и судостроения

Характеристики:

  • Имеется прессовый индикатор;
  • С наружной резьбой;
  • В неопрессованном состоянии фитинг даёт течь.

В объём поставки включено:

  • Чёрное уплотнительное кольцо CIIR

Материал: Нержавеющая сталь 1.4401 (DIN EN 10088)

Скачать инструкцию по монтажу: Система Geberit Mapress

d R d1 H L l l1 Z Z1
мм " мм см см см см см см
18 1/2 18 3.6 6.8 3.4 3.4 1.4 1.4
[СНЯТ С ПРОИЗВОДСТВА] - Тройник переходный Geberit Mapress (нерж ст без силик), пресс/наружная резьба BSP/пресс, d 22 [Артикул: 81458]
Подробнее
81458

ВНИМАНИЕ! Товар временно недоступен для заказа!

Цель применения:

  • Для промышленности и судостроения

Характеристики:

  • Имеется прессовый индикатор;
  • С наружной резьбой;
  • В неопрессованном состоянии фитинг даёт течь.

В объём поставки включено:

  • Чёрное уплотнительное кольцо CIIR

Материал: Нержавеющая сталь 1.4401 (DIN EN 10088)

Скачать инструкцию по монтажу: Система Geberit Mapress

d R d1 H L l l1 Z Z1
мм " мм см см см см см см
22 3/4 22 4.2 7.4 3.7 3.7 1.6 1.6
[СНЯТ С ПРОИЗВОДСТВА] - Тройник переходный Geberit Mapress (нерж ст без силик), нерж.пресс/нар. резьба, d 22-R1"-22 [Артикул: 81459]
Подробнее
81459

ВНИМАНИЕ! Товар временно недоступен для заказа!

Цель применения:

  • Для промышленности и судостроения

Характеристики:

  • Имеется прессовый индикатор;
  • С наружной резьбой;
  • В неопрессованном состоянии фитинг даёт течь.

В объём поставки включено:

  • Чёрное уплотнительное кольцо CIIR

Материал: Нержавеющая сталь 1.4401 (DIN EN 10088)

d R d1 H L l l1 Z Z1
мм " мм см см см см см см
22 1 22 4,5 7.4 3.7 3.7 1.6 1.6
[СНЯТ С ПРОИЗВОДСТВА] - Тройник переходный Geberit Mapress (нерж ст без силик), пресс/наружная резьба BSP/пресс, d 28 [Артикул: 81461]
Подробнее
81461

ВНИМАНИЕ! Товар временно недоступен для заказа!

Цель применения:

  • Для промышленности и судостроения

Характеристики:

  • Имеется прессовый индикатор;
  • С наружной резьбой;
  • В неопрессованном состоянии фитинг даёт течь.

В объём поставки включено:

  • Чёрное уплотнительное кольцо CIIR

Материал: Нержавеющая сталь 1.4401 (DIN EN 10088)

Скачать инструкцию по монтажу: Система Geberit Mapress

d R d1 H L l l1 Z Z1
мм " мм см см см см см см
28 1 28 4.8 8.4 4.2 4.2 1.9 1.9

Смотрите также