Логотип
Ru| En

Офис: м. Бауманская

Склад: Ленинский городской округ

Loading

Тройники Geberit Mapress из стали

Тройники Mapress, предназначенные для соединения между собой нескольких участков трубопровода систем водоснабжения и отопления, а также промышленных трубопроводов, изготавливаются из нержавеющей стали 1.4401 и нелегированной стали 1.0034 E 195. Для максимального удобства тройники оснащаются индикатором прессования, при этом в неопрессованном состоянии они дают течь. Тройники имеют угол поворота 90°. Общая длина тройников колеблется от 6,4 до 31 см, а их диаметр может быть от 15 до 108 мм. Также выпускаются переходные тройники и тройники с внутренней или наружной резьбой.

В данную группу товаров также входят тройники Mapress, изготовленные из специальной стали, лишённой силикона. Тройники Mapress, имеющие жёлтую маркировку, могут использоваться в системах подачи природного или сжиженного газа, при этом они сохраняют работоспособность при температурах -20 – +70 °C.

В комплект поставки входят специальные чёрные уплотнительные кольца (CIIR).

Фото Наименование Артикул Цена
[СНЯТ С ПРОИЗВОДСТВА] - Тройник переходный Geberit Mapress (нерж ст без силик), d88,9, d1 22 [Артикул: 81236]
Подробнее
81236

ВНИМАНИЕ! Товар временно недоступен для заказа!

Цель применения:

  • Для промышленности и судостроения

Характеристики:

  • Имеется прессовый индикатор;
  • В неопрессованном состоянии фитинг даёт течь.

В объём поставки включено:

  • Чёрное уплотнительное кольцо CIIR

Материал: Нержавеющая сталь 1.4401 (DIN EN 10088)

Скачать инструкцию по монтажу: Система Geberit Mapress

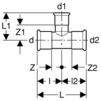
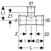
d d1 d2 L L1 l l2 Z Z1 Z2
мм мм мм см см см см см см см
88.9 22 88.9 26 8.5 13 13 7 6.4 7
[СНЯТ С ПРОИЗВОДСТВА] - Тройник переходный Geberit Mapress (нерж ст без силик), d88,9, d1 28 [Артикул: 81237]
Подробнее
81237

ВНИМАНИЕ! Товар временно недоступен для заказа!

Цель применения:

  • Для промышленности и судостроения

Характеристики:

  • Имеется прессовый индикатор;
  • В неопрессованном состоянии фитинг даёт течь.

В объём поставки включено:

  • Чёрное уплотнительное кольцо CIIR

Материал: Нержавеющая сталь 1.4401 (DIN EN 10088)

Скачать инструкцию по монтажу: Система Geberit Mapress

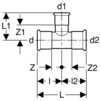
d d1 d2 L L1 l l2 Z Z1 Z2
мм мм мм см см см см см см см
88.9 28 88.9 26 8.7 13 13 7 6.4 7
[СНЯТ С ПРОИЗВОДСТВА] - Тройник переходный Geberit Mapress (нерж ст без силик), d88,9, d1 35 [Артикул: 81238]
Подробнее
81238

ВНИМАНИЕ! Товар временно недоступен для заказа!

Цель применения:

  • Для промышленности и судостроения

Характеристики:

  • Имеется прессовый индикатор;
  • В неопрессованном состоянии фитинг даёт течь.

В объём поставки включено:

  • Чёрное уплотнительное кольцо CIIR

Материал: Нержавеющая сталь 1.4401 (DIN EN 10088)

Скачать инструкцию по монтажу: Система Geberit Mapress

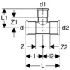
d d1 d2 L L1 l l2 Z Z1 Z2
мм мм мм см см см см см см см
88.9 35 88.9 26 9 13 13 7 6.4 7
[СНЯТ С ПРОИЗВОДСТВА] - Тройник переходный Geberit Mapress (нерж ст без силик), d88,9, d1 42 [Артикул: 81239]
Подробнее
81239

ВНИМАНИЕ! Товар временно недоступен для заказа!

Цель применения:

  • Для промышленности и судостроения

Характеристики:

  • Имеется прессовый индикатор;
  • В неопрессованном состоянии фитинг даёт течь.

В объём поставки включено:

  • Чёрное уплотнительное кольцо CIIR

Материал: Нержавеющая сталь 1.4401 (DIN EN 10088)

Скачать инструкцию по монтажу: Система Geberit Mapress

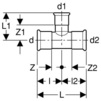
d d1 d2 L L1 l l2 Z Z1 Z2
мм мм мм см см см см см см см
88.9 42 88.9 26 9.2 13 13 7 6.2 7
[СНЯТ С ПРОИЗВОДСТВА] - Тройник переходный Geberit Mapress (нерж ст без силик), d88,9, d1 54 [Артикул: 81240]
Подробнее
81240

ВНИМАНИЕ! Товар временно недоступен для заказа!

Цель применения:

  • Для промышленности и судостроения

Характеристики:

  • Имеется прессовый индикатор;
  • В неопрессованном состоянии фитинг даёт течь.

В объём поставки включено:

  • Чёрное уплотнительное кольцо CIIR

Материал: Нержавеющая сталь 1.4401 (DIN EN 10088)

Скачать инструкцию по монтажу: Система Geberit Mapress

d d1 d2 L L1 l l2 Z Z1 Z2
мм мм мм см см см см см см см
88.9 54 88.9 26 9.3 13 13 7 5.8 7
[СНЯТ С ПРОИЗВОДСТВА] - Тройник переходный Geberit Mapress (нерж ст без силик), d88,9, d1 76,1 [Артикул: 81241]
Подробнее
81241

ВНИМАНИЕ! Товар временно недоступен для заказа!

Цель применения:

  • Для промышленности и судостроения

Характеристики:

  • Имеется прессовый индикатор;
  • В неопрессованном состоянии фитинг даёт течь.

В объём поставки включено:

  • Чёрное уплотнительное кольцо CIIR

Материал: Нержавеющая сталь 1.4401 (DIN EN 10088)

Скачать инструкцию по монтажу: Система Geberit Mapress

d d1 d2 L L1 l l2 Z Z1 Z2
мм мм мм см см см см см см см
88.9 76.1 88.9 26 11.4 13 13 7 6.1 7
[СНЯТ С ПРОИЗВОДСТВА] - Тройник переходный Geberit Mapress (нерж ст без силик), d108, d1 22 [Артикул: 81244]
Подробнее
81244

ВНИМАНИЕ! Товар временно недоступен для заказа!

Цель применения:

  • Для промышленности и судостроения

Характеристики:

  • Имеется прессовый индикатор;
  • В неопрессованном состоянии фитинг даёт течь.

В объём поставки включено:

  • Чёрное уплотнительное кольцо CIIR

Материал: Нержавеющая сталь 1.4401 (DIN EN 10088)

Скачать инструкцию по монтажу: Система Geberit Mapress

d d1 d2 L L1 l l2 Z Z1 Z2
мм мм мм см см см см см см см
108 22 108 31 10.3 15.5 15.5 8 8.2 8
[СНЯТ С ПРОИЗВОДСТВА] - Тройник переходный Geberit Mapress (нерж ст без силик), d108, d1 28 [Артикул: 81245]
Подробнее
81245

ВНИМАНИЕ! Товар временно недоступен для заказа!

Цель применения:

  • Для промышленности и судостроения

Характеристики:

  • Имеется прессовый индикатор;
  • В неопрессованном состоянии фитинг даёт течь.

В объём поставки включено:

  • Чёрное уплотнительное кольцо CIIR

Материал: Нержавеющая сталь 1.4401 (DIN EN 10088)

Скачать инструкцию по монтажу: Система Geberit Mapress

d d1 d2 L L1 l l2 Z Z1 Z2
мм мм мм см см см см см см см
108 28 108 31 10.5 15.5 15.5 8 8.2 8
[СНЯТ С ПРОИЗВОДСТВА] - Тройник переходный Geberit Mapress (нерж ст без силик), d108, d1 35 [Артикул: 81246]
Подробнее
81246

ВНИМАНИЕ! Товар временно недоступен для заказа!

Цель применения:

  • Для промышленности и судостроения

Характеристики:

  • Имеется прессовый индикатор;
  • В неопрессованном состоянии фитинг даёт течь.

В объём поставки включено:

  • Чёрное уплотнительное кольцо CIIR

Материал: Нержавеющая сталь 1.4401 (DIN EN 10088)

Скачать инструкцию по монтажу: Система Geberit Mapress

d d1 d2 L L1 l l2 Z Z1 Z2
мм мм мм см см см см см см см
108 35 108 31 10.8 15.5 15.5 8 8.2 8
[СНЯТ С ПРОИЗВОДСТВА] - Тройник переходный Geberit Mapress (нерж ст без силик), d108, d1 42 [Артикул: 81247]
Подробнее
81247

ВНИМАНИЕ! Товар временно недоступен для заказа!

Цель применения:

  • Для промышленности и судостроения

Характеристики:

  • Имеется прессовый индикатор;
  • В неопрессованном состоянии фитинг даёт течь.

В объём поставки включено:

  • Чёрное уплотнительное кольцо CIIR

Материал: Нержавеющая сталь 1.4401 (DIN EN 10088)

Скачать инструкцию по монтажу: Система Geberit Mapress

d d1 d2 L L1 l l2 Z Z1 Z2
мм мм мм см см см см см см см
108 42 108 31 11 15.5 15.5 8 8 8
[СНЯТ С ПРОИЗВОДСТВА] - Тройник переходный Geberit Mapress (нерж ст без силик), d108, d1 54 [Артикул: 81248]
Подробнее
81248

ВНИМАНИЕ! Товар временно недоступен для заказа!

Цель применения:

  • Для промышленности и судостроения

Характеристики:

  • Имеется прессовый индикатор;
  • В неопрессованном состоянии фитинг даёт течь.

В объём поставки включено:

  • Чёрное уплотнительное кольцо CIIR

Материал: Нержавеющая сталь 1.4401 (DIN EN 10088)

Скачать инструкцию по монтажу: Система Geberit Mapress

d d1 d2 L L1 l l2 Z Z1 Z2
мм мм мм см см см см см см см
108 54 108 31 11.3 15.5 15.5 8 7.8 8
[СНЯТ С ПРОИЗВОДСТВА] - Тройник переходный Geberit Mapress (нерж ст без силик), d108, d1 76,1 [Артикул: 81249]
Подробнее
81249

ВНИМАНИЕ! Товар временно недоступен для заказа!

Цель применения:

  • Для промышленности и судостроения

Характеристики:

  • Имеется прессовый индикатор;
  • В неопрессованном состоянии фитинг даёт течь.

В объём поставки включено:

  • Чёрное уплотнительное кольцо CIIR

Материал: Нержавеющая сталь 1.4401 (DIN EN 10088)

Скачать инструкцию по монтажу: Система Geberit Mapress

d d1 d2 L L1 l l2 Z Z1 Z2
мм мм мм см см см см см см см
108 76.1 108 31 12.4 15.5 15.5 8 7.1 8
[СНЯТ С ПРОИЗВОДСТВА] - Тройник переходный Geberit Mapress (нерж ст без силик), d108, d1 88,9 [Артикул: 81250]
Подробнее
81250

ВНИМАНИЕ! Товар временно недоступен для заказа!

Цель применения:

  • Для промышленности и судостроения

Характеристики:

  • Имеется прессовый индикатор;
  • В неопрессованном состоянии фитинг даёт течь.

В объём поставки включено:

  • Чёрное уплотнительное кольцо CIIR

Материал: Нержавеющая сталь 1.4401 (DIN EN 10088)

Скачать инструкцию по монтажу: Система Geberit Mapress

d d1 d2 L L1 l l2 Z Z1 Z2
мм мм мм см см см см см см см
108 88.9 108 31 13.5 15.5 15.5 8 7.5 8
[СНЯТ С ПРОИЗВОДСТВА] - Тройник переходный Geberit Mapress (нерж ст без силик), пресс/внутренняя резьба BSP/пресс, d 15, L1 4 [Артикул: 81304]
Подробнее
81304

ВНИМАНИЕ! Товар временно недоступен для заказа!

Цель применения:

  • Для промышленности и судостроения

Характеристики:

  • Имеется прессовый индикатор;
  • С внутренней резьбой;
  • В неопрессованном состоянии фитинг даёт течь.

В объём поставки включено:

  • Чёрное уплотнительное кольцо CIIR

Материал: Нержавеющая сталь 1.4401 (DIN EN 10088)

Скачать инструкцию по монтажу: Система Geberit Mapress

d Rp d1 L L1 l l2 Z Z1 Z2
мм " мм см см см см см см см
15 1/2 15 6.4 4 3.2 3.2 1.2 2.7 1.2
[СНЯТ С ПРОИЗВОДСТВА] - Тройник переходный Geberit Mapress (нерж ст без силик), пресс/внутренняя резьба BSP/пресс, d 18, L1 4,2 [Артикул: 81305]
Подробнее
81305

ВНИМАНИЕ! Товар временно недоступен для заказа!

Цель применения:

  • Для промышленности и судостроения

Характеристики:

  • Имеется прессовый индикатор;
  • С внутренней резьбой;
  • В неопрессованном состоянии фитинг даёт течь.

В объём поставки включено:

  • Чёрное уплотнительное кольцо CIIR

Материал: Нержавеющая сталь 1.4401 (DIN EN 10088)

Скачать инструкцию по монтажу: Система Geberit Mapress

d Rp d1 L L1 l l2 Z Z1 Z2
мм " мм см см см см см см см
18 1/2 18 6.8 4.2 3.4 3.4 1.4 2.9 1.4
[СНЯТ С ПРОИЗВОДСТВА] - Тройник переходный Geberit Mapress (нерж ст без силик), пресс/внутренняя резьба BSP/пресс, d 18, L1 4,4 [Артикул: 81306]
Подробнее
81306

ВНИМАНИЕ! Товар временно недоступен для заказа!

Цель применения:

  • Для промышленности и судостроения

Характеристики:

  • Имеется прессовый индикатор;
  • С внутренней резьбой;
  • В неопрессованном состоянии фитинг даёт течь.

В объём поставки включено:

  • Чёрное уплотнительное кольцо CIIR

Материал: Нержавеющая сталь 1.4401 (DIN EN 10088)

Скачать инструкцию по монтажу: Система Geberit Mapress

d Rp d1 L L1 l l2 Z Z1 Z2
мм " мм см см см см см см см
18 3/4 18 6.8 4.4 3.4 3.4 1.4 2.9 1.4
[СНЯТ С ПРОИЗВОДСТВА] - Тройник переходный Geberit Mapress (нерж ст без силик), пресс/внутренняя резьба BSP/пресс, d 22, L1 4,3 [Артикул: 81307]
Подробнее
81307

ВНИМАНИЕ! Товар временно недоступен для заказа!

Цель применения:

  • Для промышленности и судостроения

Характеристики:

  • Имеется прессовый индикатор;
  • С внутренней резьбой;
  • В неопрессованном состоянии фитинг даёт течь.

В объём поставки включено:

  • Чёрное уплотнительное кольцо CIIR

Материал: Нержавеющая сталь 1.4401 (DIN EN 10088)

Скачать инструкцию по монтажу: Система Geberit Mapress

d Rp d1 L L1 l l2 Z Z1 Z2
мм " мм см см см см см см см
22 1/2 22 7.4 4.3 3.7 3.7 1.6 3 1.6
[СНЯТ С ПРОИЗВОДСТВА] - Тройник переходный Geberit Mapress (нерж ст без силик), пресс/внутренняя резьба BSP/пресс, d 22, L1 4,6 [Артикул: 81308]
Подробнее
81308

ВНИМАНИЕ! Товар временно недоступен для заказа!

Цель применения:

  • Для промышленности и судостроения

Характеристики:

  • Имеется прессовый индикатор;
  • С внутренней резьбой;
  • В неопрессованном состоянии фитинг даёт течь.

В объём поставки включено:

  • Чёрное уплотнительное кольцо CIIR

Материал: Нержавеющая сталь 1.4401 (DIN EN 10088)

Скачать инструкцию по монтажу: Система Geberit Mapress

d Rp d1 L L1 l l2 Z Z1 Z2
мм " мм см см см см см см см
22 3/4 22 7.4 4.6 3.7 3.7 1.6 3.1 1.6
[СНЯТ С ПРОИЗВОДСТВА] - Тройник переходный Geberit Mapress (нерж ст без силик), пресс/внутренняя резьба BSP/пресс, d 28, L1 4,6 [Артикул: 81309]
Подробнее
81309

ВНИМАНИЕ! Товар временно недоступен для заказа!

Цель применения:

  • Для промышленности и судостроения

Характеристики:

  • Имеется прессовый индикатор;
  • С внутренней резьбой;
  • В неопрессованном состоянии фитинг даёт течь.

В объём поставки включено:

  • Чёрное уплотнительное кольцо CIIR

Материал: Нержавеющая сталь 1.4401 (DIN EN 10088)

Скачать инструкцию по монтажу: Система Geberit Mapress

d Rp d1 L L1 l l2 Z Z1 Z2
мм " мм см см см см см см см
28 1/2 28 8.4 4.6 4.2 4.2 1.9 3.3 1.9
[СНЯТ С ПРОИЗВОДСТВА] - Тройник переходный Geberit Mapress (нерж ст без силик), пресс/внутренняя резьба BSP/пресс, d 28, L1 4,9 [Артикул: 81310]
Подробнее
81310

ВНИМАНИЕ! Товар временно недоступен для заказа!

Цель применения:

  • Для промышленности и судостроения

Характеристики:

  • Имеется прессовый индикатор;
  • С внутренней резьбой;
  • В неопрессованном состоянии фитинг даёт течь.

В объём поставки включено:

  • Чёрное уплотнительное кольцо CIIR

Материал: Нержавеющая сталь 1.4401 (DIN EN 10088)

Скачать инструкцию по монтажу: Система Geberit Mapress

d Rp d1 L L1 l l2 Z Z1 Z2
мм " мм см см см см см см см
28 3/4 28 8.4 4.9 4.2 4.2 1.9 3.4 1.9

Смотрите также