Логотип
Ru| En

Офис: м. Бауманская

Склад: Ленинские Горки

Loading

Тройники Geberit Mapress из стали

Тройники Mapress, предназначенные для соединения между собой нескольких участков трубопровода систем водоснабжения и отопления, а также промышленных трубопроводов, изготавливаются из нержавеющей стали 1.4401 и нелегированной стали 1.0034 E 195. Для максимального удобства тройники оснащаются индикатором прессования, при этом в неопрессованном состоянии они дают течь. Тройники имеют угол поворота 90°. Общая длина тройников колеблется от 6,4 до 31 см, а их диаметр может быть от 15 до 108 мм. Также выпускаются переходные тройники и тройники с внутренней или наружной резьбой.

В данную группу товаров также входят тройники Mapress, изготовленные из специальной стали, лишённой силикона. Тройники Mapress, имеющие жёлтую маркировку, могут использоваться в системах подачи природного или сжиженного газа, при этом они сохраняют работоспособность при температурах -20 – +70 °C.

В комплект поставки входят специальные чёрные уплотнительные кольца (CIIR).

Фото Наименование Артикул Цена
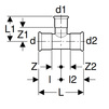
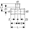
Тройник Geberit Mapress (углер ст) переходный, оцинкованный, d - 18, d1 - 15, d2 - 18 [Артикул: 21204]
Подробнее
21204

ВНИМАНИЕ! Товар временно недоступен для заказа!

Цель применения:

  • Монтируется в системах отопления
  • Монтируется в системах кондиционирования воздуха
  • Подходит для спринклерной системы пожаротушения (тушение жидкостью)
  • Не подходит для систем подачи питьевой воды

Характеристики:

  • Оцинкованная сталь;
  • Переходной;
  • Есть индикатор прессования;
  • В неопрессованном состоянии фитинг даёт течь.

В объём поставки включено:

  • Чёрные уплотнительные кольца (CIIR)

Материал: Нелегированная сталь 1.0034 E 195 (DIN EN 10305)

Угол поворота: 90°

Скачать инструкцию по монтажу: Система Geberit Mapress

d d1 d2 L L1 l l2 Z Z1 Z2
мм мм мм см см см см см см см
18 15 18 6,8 4,2 3,4 3,4 1,4 2,2 1.4
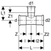
Тройник Geberit Mapress переходной из углеродистой стали, d - 22мм, d1 - 12мм, d2 - 22мм [Артикул: 21205]
Подробнее
21205

ВНИМАНИЕ! Товар временно недоступен для заказа!

Тройник Geberit Mapress (углер ст) переходный, оцинкованный, d - 22, d1 - 15 [Артикул: 21206 (G)]
Подробнее
21206 (G)

ВНИМАНИЕ! Товар временно недоступен для заказа!

Цель применения:

  • Монтируется в системах отопления
  • Монтируется в системах кондиционирования воздуха
  • Подходит для спринклерной системы пожаротушения (тушение жидкостью)
  • Не подходит для систем подачи питьевой воды

Характеристики:

  • Оцинкованная сталь;
  • Переходной;
  • Есть индикатор прессования;
  • В неопрессованном состоянии фитинг даёт течь.

В объём поставки включено:

  • Чёрные уплотнительные кольца (CIIR)

Материал: Нелегированная сталь 1.0034 E 195 (DIN EN 10305)

Угол поворота: 90°

Скачать инструкцию по монтажу: Система Geberit Mapress

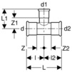
d d1 d2 L L1 l l2 Z Z1 Z2
мм мм мм см см см см см см см
22 15 22 7,4 4,4 3,7 3,7 1,6 2,4 1.6
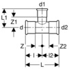
Тройник Geberit Mapress (углер ст) переходный, оцинкованный, d - 22, d1 - 18, d2 - 22 [Артикул: 21207]
Подробнее
21207

ВНИМАНИЕ! Товар временно недоступен для заказа!

Цель применения:

  • Монтируется в системах отопления
  • Монтируется в системах кондиционирования воздуха
  • Подходит для спринклерной системы пожаротушения (тушение жидкостью)
  • Не подходит для систем подачи питьевой воды

Характеристики:

  • Оцинкованная сталь;
  • Переходной;
  • Есть индикатор прессования;
  • В неопрессованном состоянии фитинг даёт течь.

В объём поставки включено:

  • Чёрные уплотнительные кольца (CIIR)

Материал: Нелегированная сталь 1.0034 E 195 (DIN EN 10305)

Угол поворота: 90°

Скачать инструкцию по монтажу: Система Geberit Mapress

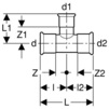
d d1 d2 L L1 l l2 Z Z1 Z2
мм мм мм см см см см см см см
22 18 22 7,4 4,4 3,7 3,7 1,6 2,4 1.6
Тройник Geberit Mapress переходной из углеродистой стали, d - 76.1мм, d1 - 22мм, d2 - 76.1мм [Артикул: 21208]
Подробнее
21208

ВНИМАНИЕ! Товар временно недоступен для заказа!

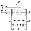
Тройник Geberit Mapress (углер ст) переходный, оцинкованный, d - 28, d1 - 15, d2 - 28 [Артикул: 21209]
Подробнее
21209

ВНИМАНИЕ! Товар временно недоступен для заказа!

Цель применения:

  • Монтируется в системах отопления
  • Монтируется в системах кондиционирования воздуха
  • Подходит для спринклерной системы пожаротушения (тушение жидкостью)
  • Не подходит для систем подачи питьевой воды

Характеристики:

  • Оцинкованная сталь;
  • Переходной;
  • Есть индикатор прессования;
  • В неопрессованном состоянии фитинг даёт течь.

В объём поставки включено:

  • Чёрные уплотнительные кольца (CIIR)

Материал: Нелегированная сталь 1.0034 E 195 (DIN EN 10305)

Угол поворота: 90°

Скачать инструкцию по монтажу: Система Geberit Mapress

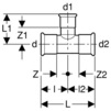
d d1 d2 L L1 l l2 Z Z1 Z2
мм мм мм см см см см см см см
28 15 28 8,4 4,7 4,2 4,2 1,9 2,7 1,9
Тройник Geberit Mapress (углер ст) переходный, оцинкованный, d - 28, d1 - 18 [Артикул: 21210 (G)]
Подробнее
21210 (G)

ВНИМАНИЕ! Товар временно недоступен для заказа!

Цель применения:

  • Монтируется в системах отопления
  • Монтируется в системах кондиционирования воздуха
  • Подходит для спринклерной системы пожаротушения (тушение жидкостью)
  • Не подходит для систем подачи питьевой воды

Характеристики:

  • Оцинкованная сталь;
  • Переходной;
  • Есть индикатор прессования;
  • В неопрессованном состоянии фитинг даёт течь.

В объём поставки включено:

  • Чёрные уплотнительные кольца (CIIR)

Материал: Нелегированная сталь 1.0034 E 195 (DIN EN 10305)

Угол поворота: 90°

Скачать инструкцию по монтажу: Система Geberit Mapress

d d1 d2 L L1 l l2 Z Z1 Z2
мм мм мм см см см см см см см
28 18 28 8,4 4,7 4,2 4,2 1,9 2,7 1,9
Тройник Geberit Mapress (углер ст) переходный, оцинкованный, d - 28, d1 - 22 [Артикул: 21211 (G)]
Подробнее
21211 (G)

ВНИМАНИЕ! Товар временно недоступен для заказа!

Цель применения:

  • Монтируется в системах отопления
  • Монтируется в системах кондиционирования воздуха
  • Подходит для спринклерной системы пожаротушения (тушение жидкостью)
  • Не подходит для систем подачи питьевой воды

Характеристики:

  • Оцинкованная сталь;
  • Переходной;
  • Есть индикатор прессования;
  • В неопрессованном состоянии фитинг даёт течь.

В объём поставки включено:

  • Чёрные уплотнительные кольца (CIIR)

Материал: Нелегированная сталь 1.0034 E 195 (DIN EN 10305)

Угол поворота: 90°

Скачать инструкцию по монтажу: Система Geberit Mapress

d d1 d2 L L1 l l2 Z Z1 Z2
мм мм мм см см см см см см см
28 22 28 8,4 4,8 4,2 4,2 1,9 2,7 1,9
Тройник Geberit Mapress (углер ст) переходный, оцинкованный, d - 35, d1 - 15 [Артикул: 21212 (G)]
Подробнее
21212 (G)

ВНИМАНИЕ! Товар временно недоступен для заказа!

Цель применения:

  • Монтируется в системах отопления
  • Монтируется в системах кондиционирования воздуха
  • Подходит для спринклерной системы пожаротушения (тушение жидкостью)
  • Не подходит для систем подачи питьевой воды

Характеристики:

  • Оцинкованная сталь;
  • Переходной;
  • Есть индикатор прессования;
  • В неопрессованном состоянии фитинг даёт течь.

В объём поставки включено:

  • Чёрные уплотнительные кольца (CIIR)

Материал: Нелегированная сталь 1.0034 E 195 (DIN EN 10305)

Угол поворота: 90°

Скачать инструкцию по монтажу: Система Geberit Mapress

d d1 d2 L L1 l l2 Z Z1 Z2
мм мм мм см см см см см см см
35 15 35 10 5,1 5 5 2,4 3,1 2,4
Тройник Geberit Mapress (углер ст) переходный, оцинкованный, d - 35, d1 - 18 [Артикул: 21213 (G)]
Подробнее
21213 (G)

ВНИМАНИЕ! Товар временно недоступен для заказа!

Цель применения:

  • Монтируется в системах отопления
  • Монтируется в системах кондиционирования воздуха
  • Подходит для спринклерной системы пожаротушения (тушение жидкостью)
  • Не подходит для систем подачи питьевой воды

Характеристики:

  • Оцинкованная сталь;
  • Переходной;
  • Есть индикатор прессования;
  • В неопрессованном состоянии фитинг даёт течь.

В объём поставки включено:

  • Чёрные уплотнительные кольца (CIIR)

Материал: Нелегированная сталь 1.0034 E 195 (DIN EN 10305)

Угол поворота: 90°

Скачать инструкцию по монтажу: Система Geberit Mapress

d d1 d2 L L1 l l2 Z Z1 Z2
мм мм мм см см см см см см см
35 18 35 10 5,1 5 5 2,4 3,1 2,4
Тройник Geberit Mapress (углер ст) переходный, оцинкованный, d - 35, d1 - 22, d2 - 35 [Артикул: 21214]
Подробнее
21214

ВНИМАНИЕ! Товар временно недоступен для заказа!

Цель применения:

  • Монтируется в системах отопления
  • Монтируется в системах кондиционирования воздуха
  • Подходит для спринклерной системы пожаротушения (тушение жидкостью)
  • Не подходит для систем подачи питьевой воды

Характеристики:

  • Оцинкованная сталь;
  • Переходной;
  • Есть индикатор прессования;
  • В неопрессованном состоянии фитинг даёт течь.

В объём поставки включено:

  • Чёрные уплотнительные кольца (CIIR)

Материал: Нелегированная сталь 1.0034 E 195 (DIN EN 10305)

Угол поворота: 90°

Скачать инструкцию по монтажу: Система Geberit Mapress

d d1 d2 L L1 l l2 Z Z1 Z2
мм мм мм см см см см см см см
35 22 35 10 5,2 5 5 2,4 3,1 2,4
Тройник Geberit Mapress (углер ст) переходный, оцинкованный, d - 35, d1 - 28, d2 - 35 [Артикул: 21215]
Подробнее
21215

ВНИМАНИЕ! Товар временно недоступен для заказа!

Цель применения:

  • Монтируется в системах отопления
  • Монтируется в системах кондиционирования воздуха
  • Подходит для спринклерной системы пожаротушения (тушение жидкостью)
  • Не подходит для систем подачи питьевой воды

Характеристики:

  • Оцинкованная сталь;
  • Переходной;
  • Есть индикатор прессования;
  • В неопрессованном состоянии фитинг даёт течь.

В объём поставки включено:

  • Чёрные уплотнительные кольца (CIIR)

Материал: Нелегированная сталь 1.0034 E 195 (DIN EN 10305)

Угол поворота: 90°

Скачать инструкцию по монтажу: Система Geberit Mapress

d d1 d2 L L1 l l2 Z Z1 Z2
мм мм мм см см см см см см см
35 28 35 10 5,5 5 5 2,4 3,2 2,4
Тройник Geberit Mapress (углер ст) переходный, оцинкованный, d - 42, d1 - 15, d2 - 42 [Артикул: 21216]
Подробнее
21216

ВНИМАНИЕ! Товар временно недоступен для заказа!

Цель применения:

  • Монтируется в системах отопления
  • Монтируется в системах кондиционирования воздуха
  • Подходит для спринклерной системы пожаротушения (тушение жидкостью)
  • Не подходит для систем подачи питьевой воды

Характеристики:

  • Оцинкованная сталь;
  • Переходной;
  • Есть индикатор прессования;
  • В неопрессованном состоянии фитинг даёт течь.

В объём поставки включено:

  • Чёрные уплотнительные кольца (CIIR)

Материал: Нелегированная сталь 1.0034 E 195 (DIN EN 10305)

Угол поворота: 90°

Скачать инструкцию по монтажу: Система Geberit Mapress

d d1 d2 L L1 l l2 Z Z1 Z2
мм мм мм см см см см см см см
42 15 42 11,4 5,3 5,7 5,7 2,7 3,3 2,7
Тройник Geberit Mapress (углер ст) переходный, оцинкованный, d - 42, d1 - 18, d2 - 42 [Артикул: 21217]
Подробнее
21217

ВНИМАНИЕ! Товар временно недоступен для заказа!

Цель применения:

  • Монтируется в системах отопления
  • Монтируется в системах кондиционирования воздуха
  • Подходит для спринклерной системы пожаротушения (тушение жидкостью)
  • Не подходит для систем подачи питьевой воды

Характеристики:

  • Оцинкованная сталь;
  • Переходной;
  • Есть индикатор прессования;
  • В неопрессованном состоянии фитинг даёт течь.

В объём поставки включено:

  • Чёрные уплотнительные кольца (CIIR)

Материал: Нелегированная сталь 1.0034 E 195 (DIN EN 10305)

Угол поворота: 90°

Скачать инструкцию по монтажу: Система Geberit Mapress

d d1 d2 L L1 l l2 Z Z1 Z2
мм мм мм см см см см см см см
42 18 42 11,4 5,3 5,7 5,7 2,7 3,3 2,7
Тройник Geberit Mapress (углер ст) переходный, оцинкованный, d - 42, d1 - 22, d2 - 42 [Артикул: 21218]
Подробнее
21218

ВНИМАНИЕ! Товар временно недоступен для заказа!

Цель применения:

  • Монтируется в системах отопления
  • Монтируется в системах кондиционирования воздуха
  • Подходит для спринклерной системы пожаротушения (тушение жидкостью)
  • Не подходит для систем подачи питьевой воды

Характеристики:

  • Оцинкованная сталь;
  • Переходной;
  • Есть индикатор прессования;
  • В неопрессованном состоянии фитинг даёт течь.

В объём поставки включено:

  • Чёрные уплотнительные кольца (CIIR)

Материал: Нелегированная сталь 1.0034 E 195 (DIN EN 10305)

Угол поворота: 90°

Скачать инструкцию по монтажу: Система Geberit Mapress

d d1 d2 L L1 l l2 Z Z1 Z2
мм мм мм см см см см см см см
42 22 42 11,4 5,5 5,7 5,7 2,7 3,4 2,7
Тройник Geberit Mapress (углер ст) переходный, оцинкованный, d - 42, d1 - 28, d2 - 42 [Артикул: 21219]
Подробнее
21219

ВНИМАНИЕ! Товар временно недоступен для заказа!

Цель применения:

  • Монтируется в системах отопления
  • Монтируется в системах кондиционирования воздуха
  • Подходит для спринклерной системы пожаротушения (тушение жидкостью)
  • Не подходит для систем подачи питьевой воды

Характеристики:

  • Оцинкованная сталь;
  • Переходной;
  • Есть индикатор прессования;
  • В неопрессованном состоянии фитинг даёт течь.

В объём поставки включено:

  • Чёрные уплотнительные кольца (CIIR)

Материал: Нелегированная сталь 1.0034 E 195 (DIN EN 10305)

Угол поворота: 90°

Скачать инструкцию по монтажу: Система Geberit Mapress

d d1 d2 L L1 l l2 Z Z1 Z2
мм мм мм см см см см см см см
42 28 42 11,4 5,8 5,7 5,7 2,7 3,5 2,7
Тройник Geberit Mapress (углер ст) переходный, оцинкованный, d - 42, d1 - 35, d2 - 42 [Артикул: 21220]
Подробнее
21220

ВНИМАНИЕ! Товар временно недоступен для заказа!

Цель применения:

  • Монтируется в системах отопления
  • Монтируется в системах кондиционирования воздуха
  • Подходит для спринклерной системы пожаротушения (тушение жидкостью)
  • Не подходит для систем подачи питьевой воды

Характеристики:

  • Оцинкованная сталь;
  • Переходной;
  • Есть индикатор прессования;
  • В неопрессованном состоянии фитинг даёт течь.

В объём поставки включено:

  • Чёрные уплотнительные кольца (CIIR)

Материал: Нелегированная сталь 1.0034 E 195 (DIN EN 10305)

Угол поворота: 90°

Скачать инструкцию по монтажу: Система Geberit Mapress

d d1 d2 L L1 l l2 Z Z1 Z2
мм мм мм см см см см см см см
42 35 42 11,4 6,2 5,7 5,7 2,7 3,6 2,7
Тройник Geberit Mapress (углер ст) переходный, оцинкованный, d - 54, d1 - 15, d2 - 54 [Артикул: 21221]
Подробнее
21221

ВНИМАНИЕ! Товар временно недоступен для заказа!

Цель применения:

  • Монтируется в системах отопления
  • Монтируется в системах кондиционирования воздуха
  • Подходит для спринклерной системы пожаротушения (тушение жидкостью)
  • Не подходит для систем подачи питьевой воды

Характеристики:

  • Оцинкованная сталь;
  • Переходной;
  • Есть индикатор прессования;
  • В неопрессованном состоянии фитинг даёт течь.

В объём поставки включено:

  • Чёрные уплотнительные кольца (CIIR)

Материал: Нелегированная сталь 1.0034 E 195 (DIN EN 10305)

Угол поворота: 90°

Скачать инструкцию по монтажу: Система Geberit Mapress

d d1 d2 L L1 l l2 Z Z1 Z2
мм мм мм см см см см см см см
54 15 54 13,8 5,9 6,9 6,9 3,4 3,9 3,4
Тройник Geberit Mapress (углер ст) переходный, оцинкованный, d - 54, d1 - 18, d2 - 54 [Артикул: 21222]
Подробнее
21222

ВНИМАНИЕ! Товар временно недоступен для заказа!

Цель применения:

  • Монтируется в системах отопления
  • Монтируется в системах кондиционирования воздуха
  • Подходит для спринклерной системы пожаротушения (тушение жидкостью)
  • Не подходит для систем подачи питьевой воды

Характеристики:

  • Оцинкованная сталь;
  • Переходной;
  • Есть индикатор прессования;
  • В неопрессованном состоянии фитинг даёт течь.

В объём поставки включено:

  • Чёрные уплотнительные кольца (CIIR)

Материал: Нелегированная сталь 1.0034 E 195 (DIN EN 10305)

Угол поворота: 90°

Скачать инструкцию по монтажу: Система Geberit Mapress

d d1 d2 L L1 l l2 Z Z1 Z2
мм мм мм см см см см см см см
54 18 54 13,8 5,9 6,9 6,9 3,4 3,9 3,4
Тройник Geberit Mapress (углер ст) переходный, оцинкованный, d - 54, d1 - 22, d2 - 54 [Артикул: 21223]
Подробнее
21223

ВНИМАНИЕ! Товар временно недоступен для заказа!

Цель применения:

  • Монтируется в системах отопления
  • Монтируется в системах кондиционирования воздуха
  • Подходит для спринклерной системы пожаротушения (тушение жидкостью)
  • Не подходит для систем подачи питьевой воды

Характеристики:

  • Оцинкованная сталь;
  • Переходной;
  • Есть индикатор прессования;
  • В неопрессованном состоянии фитинг даёт течь.

В объём поставки включено:

  • Чёрные уплотнительные кольца (CIIR)

Материал: Нелегированная сталь 1.0034 E 195 (DIN EN 10305)

Угол поворота: 90°

Скачать инструкцию по монтажу: Система Geberit Mapress

d d1 d2 L L1 l l2 Z Z1 Z2
мм мм мм см см см см см см см
54 22 54 13,8 6,1 6,9 6,9 3,4 4 3,4

Смотрите также