Логотип
Ru| En

Офис: м. Бауманская

Склад: Ленинские Горки

Loading

Тройники Geberit Mapress из стали

Тройники Mapress, предназначенные для соединения между собой нескольких участков трубопровода систем водоснабжения и отопления, а также промышленных трубопроводов, изготавливаются из нержавеющей стали 1.4401 и нелегированной стали 1.0034 E 195. Для максимального удобства тройники оснащаются индикатором прессования, при этом в неопрессованном состоянии они дают течь. Тройники имеют угол поворота 90°. Общая длина тройников колеблется от 6,4 до 31 см, а их диаметр может быть от 15 до 108 мм. Также выпускаются переходные тройники и тройники с внутренней или наружной резьбой.

В данную группу товаров также входят тройники Mapress, изготовленные из специальной стали, лишённой силикона. Тройники Mapress, имеющие жёлтую маркировку, могут использоваться в системах подачи природного или сжиженного газа, при этом они сохраняют работоспособность при температурах -20 – +70 °C.

В комплект поставки входят специальные чёрные уплотнительные кольца (CIIR).

Фото Наименование Артикул Цена
Тройник Geberit Mapress (углер ст) переходный, оцинкованный, d - 54, d1 - 28, d2 - 54 [Артикул: 21224]
Подробнее
21224

ВНИМАНИЕ! Товар временно недоступен для заказа!

Цель применения:

  • Монтируется в системах отопления
  • Монтируется в системах кондиционирования воздуха
  • Подходит для спринклерной системы пожаротушения (тушение жидкостью)
  • Не подходит для систем подачи питьевой воды

Характеристики:

  • Оцинкованная сталь;
  • Переходной;
  • Есть индикатор прессования;
  • В неопрессованном состоянии фитинг даёт течь.

В объём поставки включено:

  • Чёрные уплотнительные кольца (CIIR)

Материал: Нелегированная сталь 1.0034 E 195 (DIN EN 10305)

Угол поворота: 90°

Скачать инструкцию по монтажу: Система Geberit Mapress

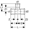
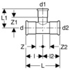
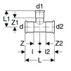
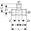
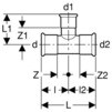
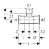
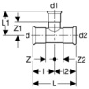
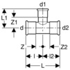
d d1 d2 L L1 l l2 Z Z1 Z2
мм мм мм см см см см см см см
54 28 54 13,8 6,4 6,9 6,9 3,4 4,1 3,4
Тройник Geberit Mapress (углер ст) переходный, оцинкованный, d - 54, d1 - 35, d2 - 54 [Артикул: 21225]
Подробнее
21225

ВНИМАНИЕ! Товар временно недоступен для заказа!

Цель применения:

  • Монтируется в системах отопления
  • Монтируется в системах кондиционирования воздуха
  • Подходит для спринклерной системы пожаротушения (тушение жидкостью)
  • Не подходит для систем подачи питьевой воды

Характеристики:

  • Оцинкованная сталь;
  • Переходной;
  • Есть индикатор прессования;
  • В неопрессованном состоянии фитинг даёт течь.

В объём поставки включено:

  • Чёрные уплотнительные кольца (CIIR)

Материал: Нелегированная сталь 1.0034 E 195 (DIN EN 10305)

Угол поворота: 90°

Скачать инструкцию по монтажу: Система Geberit Mapress

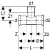
d d1 d2 L L1 l l2 Z Z1 Z2
мм мм мм см см см см см см см
54 35 54 13,8 6,8 6,9 6,9 3,4 4,2 3,4
Тройник Geberit Mapress (углер ст) переходный, оцинкованный, d - 54, d1 - 42, d2 - 54 [Артикул: 21226]
Подробнее
21226

ВНИМАНИЕ! Товар временно недоступен для заказа!

Цель применения:

  • Монтируется в системах отопления
  • Монтируется в системах кондиционирования воздуха
  • Подходит для спринклерной системы пожаротушения (тушение жидкостью)
  • Не подходит для систем подачи питьевой воды

Характеристики:

  • Оцинкованная сталь;
  • Переходной;
  • Есть индикатор прессования;
  • В неопрессованном состоянии фитинг даёт течь.

В объём поставки включено:

  • Чёрные уплотнительные кольца (CIIR)

Материал: Нелегированная сталь 1.0034 E 195 (DIN EN 10305)

Угол поворота: 90°

Скачать инструкцию по монтажу: Система Geberit Mapress

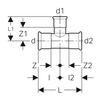
d d1 d2 L L1 l l2 Z Z1 Z2
мм мм мм см см см см см см см
54 42 54 13,8 7,2 6,9 6,9 3,4 4,2 3,4
Тройник Geberit Mapress (углер ст) переходный, оцинкованный, d - 66,7, d1 - 54, d2 - 54 [Артикул: 21229]
Подробнее
21229

ВНИМАНИЕ! Товар временно недоступен для заказа!

Цель применения:

  • Монтируется в системах отопления
  • Монтируется в системах кондиционирования воздуха
  • Подходит для спринклерной системы пожаротушения (тушение жидкостью)
  • Не подходит для систем подачи питьевой воды

Характеристики:

  • Оцинкованная сталь;
  • Переходной;
  • Есть индикатор прессования;
  • В неопрессованном состоянии фитинг даёт течь.

В объём поставки включено:

  • Чёрные уплотнительные кольца (CIIR)

Материал: Нелегированная сталь 1.0034 E 195 (DIN EN 10305)

Угол поворота: 90°

Скачать инструкцию по монтажу: Система Geberit Mapress

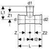
d d1 d2 L L1 l l2 Z Z1 Z2
мм мм мм см см см см см см см
66.7 54 66.7 22 8.2 11 11 6 4.7 6
Тройник Geberit Mapress (углер ст) переходный, оцинкованный, d - 76,1, d1 - 28, d2 - 76,1 [Артикул: 21230]
Подробнее
21230

ВНИМАНИЕ! Товар временно недоступен для заказа!

Цель применения:

  • Монтируется в системах отопления
  • Монтируется в системах кондиционирования воздуха
  • Подходит для спринклерной системы пожаротушения (тушение жидкостью)
  • Не подходит для систем подачи питьевой воды

Характеристики:

  • Оцинкованная сталь;
  • Переходной;
  • Есть индикатор прессования;
  • В неопрессованном состоянии фитинг даёт течь.

В объём поставки включено:

  • Чёрные уплотнительные кольца (CIIR)

Материал: Нелегированная сталь 1.0034 E 195 (DIN EN 10305)

Угол поворота: 90°

Скачать инструкцию по монтажу: Система Geberit Mapress

d d1 d2 L L1 l l2 Z Z1 Z2
мм мм мм см см см см см см см
76,1 28 76,1 23 7,9 11,5 11,5 6,2 5,6 6,2
Тройник Geberit Mapress (углер ст) переходный, оцинкованный, d - 76,1, d1 - 35, d2 - 76,1 [Артикул: 21231]
Подробнее
21231

ВНИМАНИЕ! Товар временно недоступен для заказа!

Цель применения:

  • Монтируется в системах отопления
  • Монтируется в системах кондиционирования воздуха
  • Подходит для спринклерной системы пожаротушения (тушение жидкостью)
  • Не подходит для систем подачи питьевой воды

Характеристики:

  • Оцинкованная сталь;
  • Переходной;
  • Есть индикатор прессования;
  • В неопрессованном состоянии фитинг даёт течь.

В объём поставки включено:

  • Чёрные уплотнительные кольца (CIIR)

Материал: Нелегированная сталь 1.0034 E 195 (DIN EN 10305)

Угол поворота: 90°

Скачать инструкцию по монтажу: Система Geberit Mapress

d d1 d2 L L1 l l2 Z Z1 Z2
мм мм мм см см см см см см см
76,1 35 76,1 23 8,1 11,5 11,5 6,2 5,5 6,2
Тройник Geberit Mapress (углер ст) переходный, оцинкованный, d - 76,1, d1 - 42, d2 - 76,1 [Артикул: 21232]
Подробнее
21232

ВНИМАНИЕ! Товар временно недоступен для заказа!

Цель применения:

  • Монтируется в системах отопления
  • Монтируется в системах кондиционирования воздуха
  • Подходит для спринклерной системы пожаротушения (тушение жидкостью)
  • Не подходит для систем подачи питьевой воды

Характеристики:

  • Оцинкованная сталь;
  • Переходной;
  • Есть индикатор прессования;
  • В неопрессованном состоянии фитинг даёт течь.

В объём поставки включено:

  • Чёрные уплотнительные кольца (CIIR)

Материал: Нелегированная сталь 1.0034 E 195 (DIN EN 10305)

Угол поворота: 90°

Скачать инструкцию по монтажу: Система Geberit Mapress

d d1 d2 L L1 l l2 Z Z1 Z2
мм мм мм см см см см см см см
76,1 42 76,1 23 8,1 11,5 11,5 6,2 5,1 6,2
Тройник Geberit Mapress (углер ст) переходный, оцинкованный, d - 76,1, d1 - 54, d2 - 76,1 [Артикул: 21233]
Подробнее
21233

ВНИМАНИЕ! Товар временно недоступен для заказа!

Цель применения:

  • Монтируется в системах отопления
  • Монтируется в системах кондиционирования воздуха
  • Подходит для спринклерной системы пожаротушения (тушение жидкостью)
  • Не подходит для систем подачи питьевой воды

Характеристики:

  • Оцинкованная сталь;
  • Переходной;
  • Есть индикатор прессования;
  • В неопрессованном состоянии фитинг даёт течь.

В объём поставки включено:

  • Чёрные уплотнительные кольца (CIIR)

Материал: Нелегированная сталь 1.0034 E 195 (DIN EN 10305)

Угол поворота: 90°

Скачать инструкцию по монтажу: Система Geberit Mapress

d d1 d2 L L1 l l2 Z Z1 Z2
мм мм мм см см см см см см см
76,1 54 76,1 23 8,7 11,5 11,5 6,2 5,2 6,2
Тройник Geberit Mapress (углер ст) переходный, оцинкованный, d - 76,1, d1 - 66,7, d2 - 66,7 [Артикул: 21234]
Подробнее
21234

ВНИМАНИЕ! Товар временно недоступен для заказа!

Цель применения:

  • Монтируется в системах отопления
  • Монтируется в системах кондиционирования воздуха
  • Подходит для спринклерной системы пожаротушения (тушение жидкостью)
  • Не подходит для систем подачи питьевой воды

Характеристики:

  • Оцинкованная сталь;
  • Переходной;
  • Есть индикатор прессования;
  • В неопрессованном состоянии фитинг даёт течь.

В объём поставки включено:

  • Чёрные уплотнительные кольца (CIIR)

Материал: Нелегированная сталь 1.0034 E 195 (DIN EN 10305)

Угол поворота: 90°

Скачать инструкцию по монтажу: Система Geberit Mapress

d d1 d2 L L1 l l2 Z Z1 Z2
мм мм мм см см см см см см см
76.1 66.7 76.1 23 10.8 11.5 11.5 6.5 5.8 6.5
Тройник Geberit Mapress переходной из углеродистой стали, d - 88.9мм, d1 - 22мм, d2 - 88.9мм [Артикул: 21236]
Подробнее
21236

ВНИМАНИЕ! Товар временно недоступен для заказа!

Тройник Geberit Mapress (углер ст) переходный, оцинкованный, d - 88,9, d1 - 28, d2 - 88,9 [Артикул: 21237]
Подробнее
21237

ВНИМАНИЕ! Товар временно недоступен для заказа!

Цель применения:

  • Монтируется в системах отопления
  • Монтируется в системах кондиционирования воздуха
  • Подходит для спринклерной системы пожаротушения (тушение жидкостью)
  • Не подходит для систем подачи питьевой воды

Характеристики:

  • Оцинкованная сталь;
  • Переходной;
  • Есть индикатор прессования;
  • В неопрессованном состоянии фитинг даёт течь.

В объём поставки включено:

  • Чёрные уплотнительные кольца (CIIR)

Материал: Нелегированная сталь 1.0034 E 195 (DIN EN 10305)

Угол поворота: 90°

Скачать инструкцию по монтажу: Система Geberit Mapress

d d1 d2 L L1 l l2 Z Z1 Z2
мм мм мм см см см см см см см
88,9 28 88,9 26 8,7 13 13 7 6,4 7
Тройник Geberit Mapress (углер ст) переходный, оцинкованный, d - 88,9, d1 - 35, d2 - 88,9 [Артикул: 21238]
Подробнее
21238

ВНИМАНИЕ! Товар временно недоступен для заказа!

Цель применения:

  • Монтируется в системах отопления
  • Монтируется в системах кондиционирования воздуха
  • Подходит для спринклерной системы пожаротушения (тушение жидкостью)
  • Не подходит для систем подачи питьевой воды

Характеристики:

  • Оцинкованная сталь;
  • Переходной;
  • Есть индикатор прессования;
  • В неопрессованном состоянии фитинг даёт течь.

В объём поставки включено:

  • Чёрные уплотнительные кольца (CIIR)

Материал: Нелегированная сталь 1.0034 E 195 (DIN EN 10305)

Угол поворота: 90°

Скачать инструкцию по монтажу: Система Geberit Mapress

d d1 d2 L L1 l l2 Z Z1 Z2
мм мм мм см см см см см см см
88,9 35 88,9 26 9 13 13 7 6,4 7
Тройник Geberit Mapress (углер ст) переходный, оцинкованный, d - 88,9, d1 - 42, d2 - 88,9 [Артикул: 21239]
Подробнее
21239

ВНИМАНИЕ! Товар временно недоступен для заказа!

Цель применения:

  • Монтируется в системах отопления
  • Монтируется в системах кондиционирования воздуха
  • Подходит для спринклерной системы пожаротушения (тушение жидкостью)
  • Не подходит для систем подачи питьевой воды

Характеристики:

  • Оцинкованная сталь;
  • Переходной;
  • Есть индикатор прессования;
  • В неопрессованном состоянии фитинг даёт течь.

В объём поставки включено:

  • Чёрные уплотнительные кольца (CIIR)

Материал: Нелегированная сталь 1.0034 E 195 (DIN EN 10305)

Угол поворота: 90°

Скачать инструкцию по монтажу: Система Geberit Mapress

d d1 d2 L L1 l l2 Z Z1 Z2
мм мм мм см см см см см см см
88,9 42 88,9 26 9,2 13 13 7 6,2 7
Тройник Geberit Mapress (углер ст) переходный, оцинкованный, d - 88,9, d1 - 54, d2 - 88,9 [Артикул: 21240]
Подробнее
21240

ВНИМАНИЕ! Товар временно недоступен для заказа!

Цель применения:

  • Монтируется в системах отопления
  • Монтируется в системах кондиционирования воздуха
  • Подходит для спринклерной системы пожаротушения (тушение жидкостью)
  • Не подходит для систем подачи питьевой воды

Характеристики:

  • Оцинкованная сталь;
  • Переходной;
  • Есть индикатор прессования;
  • В неопрессованном состоянии фитинг даёт течь.

В объём поставки включено:

  • Чёрные уплотнительные кольца (CIIR)

Материал: Нелегированная сталь 1.0034 E 195 (DIN EN 10305)

Угол поворота: 90°

Скачать инструкцию по монтажу: Система Geberit Mapress

d d1 d2 L L1 l l2 Z Z1 Z2
мм мм мм см см см см см см см
88,9 54 88,9 26 9,3 13 13 7 5,8 7
Тройник Geberit Mapress (углер ст) переходный, оцинкованный, d - 88,9, d1 - 76,1, d2 - 88,9 [Артикул: 21241]
Подробнее
21241

ВНИМАНИЕ! Товар временно недоступен для заказа!

Цель применения:

  • Монтируется в системах отопления
  • Монтируется в системах кондиционирования воздуха
  • Подходит для спринклерной системы пожаротушения (тушение жидкостью)
  • Не подходит для систем подачи питьевой воды

Характеристики:

  • Оцинкованная сталь;
  • Переходной;
  • Есть индикатор прессования;
  • В неопрессованном состоянии фитинг даёт течь.

В объём поставки включено:

  • Чёрные уплотнительные кольца (CIIR)

Материал: Нелегированная сталь 1.0034 E 195 (DIN EN 10305)

Угол поворота: 90°

Скачать инструкцию по монтажу: Система Geberit Mapress

d d1 d2 L L1 l l2 Z Z1 Z2
мм мм мм см см см см см см см
88,9 76,1 88,9 26 11,4 13 13 7 6,1 7
Тройник Geberit Mapress переходной из углеродистой стали, d - 108мм, d1 - 22мм, d2 - 108мм [Артикул: 21244]
Подробнее
21244

ВНИМАНИЕ! Товар временно недоступен для заказа!

Тройник Geberit Mapress (углер ст) переходный, оцинкованный, d - 108, d1 - 28, d2 - 108 [Артикул: 21245]
Подробнее
21245

ВНИМАНИЕ! Товар временно недоступен для заказа!

Цель применения:

  • Монтируется в системах отопления
  • Монтируется в системах кондиционирования воздуха
  • Подходит для спринклерной системы пожаротушения (тушение жидкостью)
  • Не подходит для систем подачи питьевой воды

Характеристики:

  • Оцинкованная сталь;
  • Переходной;
  • Есть индикатор прессования;
  • В неопрессованном состоянии фитинг даёт течь.

В объём поставки включено:

  • Чёрные уплотнительные кольца (CIIR)

Материал: Нелегированная сталь 1.0034 E 195 (DIN EN 10305)

Угол поворота: 90°

Скачать инструкцию по монтажу: Система Geberit Mapress

d d1 d2 L L1 l l2 Z Z1 Z2
мм мм мм см см см см см см см
108 28 108 31 10,5 15,5 15,5 8 8,2 8
Тройник Geberit Mapress (углер ст) переходный, оцинкованный, d - 108, d1 - 35, d2 - 108 [Артикул: 21246]
Подробнее
21246

ВНИМАНИЕ! Товар временно недоступен для заказа!

Цель применения:

  • Монтируется в системах отопления
  • Монтируется в системах кондиционирования воздуха
  • Подходит для спринклерной системы пожаротушения (тушение жидкостью)
  • Не подходит для систем подачи питьевой воды

Характеристики:

  • Оцинкованная сталь;
  • Переходной;
  • Есть индикатор прессования;
  • В неопрессованном состоянии фитинг даёт течь.

В объём поставки включено:

  • Чёрные уплотнительные кольца (CIIR)

Материал: Нелегированная сталь 1.0034 E 195 (DIN EN 10305)

Угол поворота: 90°

Скачать инструкцию по монтажу: Система Geberit Mapress

d d1 d2 L L1 l l2 Z Z1 Z2
мм мм мм см см см см см см см
108 35 108 31 10,8 15,5 15,5 8 8,2 8
Тройник Geberit Mapress (углер ст) переходный, оцинкованный, d - 108, d1 - 42, d2 - 108 [Артикул: 21247]
Подробнее
21247

ВНИМАНИЕ! Товар временно недоступен для заказа!

Цель применения:

  • Монтируется в системах отопления
  • Монтируется в системах кондиционирования воздуха
  • Подходит для спринклерной системы пожаротушения (тушение жидкостью)
  • Не подходит для систем подачи питьевой воды

Характеристики:

  • Оцинкованная сталь;
  • Переходной;
  • Есть индикатор прессования;
  • В неопрессованном состоянии фитинг даёт течь.

В объём поставки включено:

  • Чёрные уплотнительные кольца (CIIR)

Материал: Нелегированная сталь 1.0034 E 195 (DIN EN 10305)

Угол поворота: 90°

Скачать инструкцию по монтажу: Система Geberit Mapress

d d1 d2 L L1 l l2 Z Z1 Z2
мм мм мм см см см см см см см
108 42 108 31 11 15,5 15,5 8 8 8
Тройник Geberit Mapress (углер ст) переходный, оцинкованный, d - 108, d1 - 54, d2 - 108 [Артикул: 21248]
Подробнее
21248

ВНИМАНИЕ! Товар временно недоступен для заказа!

Цель применения:

  • Монтируется в системах отопления
  • Монтируется в системах кондиционирования воздуха
  • Подходит для спринклерной системы пожаротушения (тушение жидкостью)
  • Не подходит для систем подачи питьевой воды

Характеристики:

  • Оцинкованная сталь;
  • Переходной;
  • Есть индикатор прессования;
  • В неопрессованном состоянии фитинг даёт течь.

В объём поставки включено:

  • Чёрные уплотнительные кольца (CIIR)

Материал: Нелегированная сталь 1.0034 E 195 (DIN EN 10305)

Угол поворота: 90°

Скачать инструкцию по монтажу: Система Geberit Mapress

d d1 d2 L L1 l l2 Z Z1 Z2
мм мм мм см см см см см см см
108 54 108 31 11,3 15,5 15,5 8 7,8 8

Смотрите также