Logo
Ru| En

Office: M. Baumanskaya

Warehouse: Lenin Hills

Loading

Geberit Mapress T-pieces of steel

Geberit Mapress T-pieces are used for connection several sections of pipeline of water supply, heating system and industrial pipeline. They are made of stainless steel 1.4401 and non-alloy steel 1.0034 E 195. For maximum convenience the T-pieces are equipped with pressing indicator, and they leak if they are unpressed. The T-pieces have rotation angle of 90°. Length of the T-pieces ranges from 6.4 to 31 cm, and their diameter can range from 15 to 108 mm. Also the Geberit Company produces reduced T-pieces and T-pieces with female or male thread.

The group of products includes Mapress T-pieces made of steel without silicone. Mapress T-pieces with yellow marking can be used for gas installations with natural gases and liquefied gases, they are working at temperatures of -20 - +70 °C.

The kit includes a special black O-ring (CIIR).

Photo Наименование Article Цена
[NO LONGER PRODUCED] - Geberit Mapress Stainless Steel T-piece, reduced, FKM, blue, d 54-28-54 [Code number: 50379]
Details
50379

ATTENTION! This product is temporarily unavailable for order!

Application Purpose:

  • For solar technology, industry and shipbuilding

Characteristics:

  • Pressing indicator
  • LABS-free
  • Pressing socket with black protection plug

Scope of delivery:

  • Seal ring made of FKM, blue

Material: CrNiMo steel 1.4401 (EN 10088)

Download the installation instructions: Geberit Mapress system

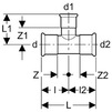
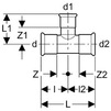
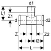
d d1 d2 L L1 l l2 Z Z1 Z2
mm mm mm cm cm cm cm cm cm cm
54 28 54 13.8 6.3 6.9 6.9 3.4 4 3.4
[NO LONGER PRODUCED] - Geberit Mapress Stainless Steel T-piece, reduced, FKM, blue, d 54-35-42 [Code number: 50380]
Details
50380

ATTENTION! This product is temporarily unavailable for order!

Application Purpose:

  • For solar technology, industry and shipbuilding

Characteristics:

  • Pressing indicator
  • LABS-free
  • Pressing socket with black protection plug

Scope of delivery:

  • Seal ring made of FKM, blue

Material: CrNiMo steel 1.4401 (EN 10088)

Download the installation instructions: Geberit Mapress system

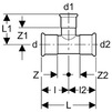
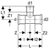
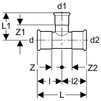
d d1 d2 L L1 l l2 Z Z1 Z2
mm mm mm cm cm cm cm cm cm cm
54 35 54 13.8 6.7 6.9 6.9 3.4 4.1 3.4
[NO LONGER PRODUCED] - Geberit Mapress Stainless Steel T-piece, reduced, FKM, blue, d 54-42-18 [Code number: 50381]
Details
50381

ATTENTION! This product is temporarily unavailable for order!

Application Purpose:

  • For solar technology, industry and shipbuilding

Characteristics:

  • Pressing indicator
  • LABS-free
  • Pressing socket with black protection plug

Scope of delivery:

  • Seal ring made of FKM, blue

Material: CrNiMo steel 1.4401 (EN 10088)

Download the installation instructions: Geberit Mapress system

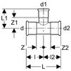
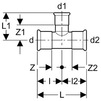
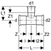
d d1 d2 L L1 l l2 Z Z1 Z2
mm mm mm cm cm cm cm cm cm cm
54 42 54 13.8 7.1 6.9 6.9 3.4 4.1 3.4
[NO LONGER PRODUCED] - Geberit Mapress Stainless Steel T-piece, reduced, FKM, blue, d76,1-22-76,1 [Code number: 50389]
Details
50389

ATTENTION! This product is temporarily unavailable for order!

Application Purpose:

  • For solar technology, industry and shipbuilding

Characteristics:

  • Pressing indicator
  • LABS-free
  • Pressing socket with black protection plug

Scope of delivery:

  • Seal ring made of FKM, blue

Material: CrNiMo steel 1.4401 (EN 10088)

Download the installation instructions: Geberit Mapress system

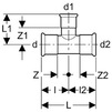
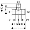
d d1 d2 L L1 l l2 Z Z1 Z2
mm mm mm cm cm cm cm cm cm cm
76.1 22 76.1 23 7.7 11.5 11.5 6.2 5.6 6.2
[NO LONGER PRODUCED] - Geberit Mapress Stainless Steel T-piece, reduced, FKM, blue, d76,1-28-76,1 [Code number: 50390]
Details
50390

ATTENTION! This product is temporarily unavailable for order!

Application Purpose:

  • For solar technology, industry and shipbuilding

Characteristics:

  • Pressing indicator
  • LABS-free
  • Pressing socket with black protection plug

Scope of delivery:

  • Seal ring made of FKM, blue

Material: CrNiMo steel 1.4401 (EN 10088)

Download the installation instructions: Geberit Mapress system

d d1 d2 L L1 l l2 Z Z1 Z2
mm mm mm cm cm cm cm cm cm cm
76.1 28 76.1 23 7.9 11.5 11.5 6.2 5.6 6.2
[NO LONGER PRODUCED] - Geberit Mapress Stainless Steel T-piece, reduced, FKM, blue, d76,1-35-76,1 [Code number: 50391]
Details
50391

ATTENTION! This product is temporarily unavailable for order!

Application Purpose:

  • For solar technology, industry and shipbuilding

Characteristics:

  • Pressing indicator
  • LABS-free
  • Pressing socket with black protection plug

Scope of delivery:

  • Seal ring made of FKM, blue

Material: CrNiMo steel 1.4401 (EN 10088)

Download the installation instructions: Geberit Mapress system

d d1 d2 L L1 l l2 Z Z1 Z2
mm mm mm cm cm cm cm cm cm cm
76.1 35 76.1 23 8.1 11.5 11.5 6.2 5.6 6.2
[NO LONGER PRODUCED] - Geberit Mapress Stainless Steel T-piece, reduced, FKM, blue, d76,1-42-76,1 [Code number: 50392]
Details
50392

ATTENTION! This product is temporarily unavailable for order!

Application Purpose:

  • For solar technology, industry and shipbuilding

Characteristics:

  • Pressing indicator
  • LABS-free
  • Pressing socket with black protection plug

Scope of delivery:

  • Seal ring made of FKM, blue

Material: CrNiMo steel 1.4401 (EN 10088)

Download the installation instructions: Geberit Mapress system

d d1 d2 L L1 l l2 Z Z1 Z2
mm mm mm cm cm cm cm cm cm cm
76.1 42 76.1 23 8.1 11.5 11.5 6.2 5.1 6.2
[NO LONGER PRODUCED] - Geberit Mapress Stainless Steel T-piece, reduced, FKM, blue, d76,1-54-76,1 [Code number: 50393]
Details
50393

ATTENTION! This product is temporarily unavailable for order!

Application Purpose:

  • For solar technology, industry and shipbuilding

Characteristics:

  • Pressing indicator
  • LABS-free
  • Pressing socket with black protection plug

Scope of delivery:

  • Seal ring made of FKM, blue

Material: CrNiMo steel 1.4401 (EN 10088)

Download the installation instructions: Geberit Mapress system

d d1 d2 L L1 l l2 Z Z1 Z2
mm mm mm cm cm cm cm cm cm cm
76.1 54 76.1 23 8.7 11.5 11.5 6.2 5.2 6.2
[NO LONGER PRODUCED] - Geberit Mapress Stainless Steel T-piece, reduced, FKM, blue, d88,9-22-88,9 [Code number: 50395]
Details
50395

ATTENTION! This product is temporarily unavailable for order!

Application Purpose:

  • For solar technology, industry and shipbuilding

Characteristics:

  • Pressing indicator
  • LABS-free
  • Pressing socket with black protection plug

Scope of delivery:

  • Seal ring made of FKM, blue

Material: CrNiMo steel 1.4401 (EN 10088)

Download the installation instructions: Geberit Mapress system

d d1 d2 L L1 l l2 Z Z1 Z2
mm mm mm cm cm cm cm cm cm cm
88.9 22 88.9 26 8.5 13 13 7 6.4 7
[NO LONGER PRODUCED] - Geberit Mapress Stainless Steel T-piece, reduced, FKM, blue, d88,9-28-88,9 [Code number: 50396]
Details
50396

ATTENTION! This product is temporarily unavailable for order!

Application Purpose:

  • For solar technology, industry and shipbuilding

Characteristics:

  • Pressing indicator
  • LABS-free
  • Pressing socket with black protection plug

Scope of delivery:

  • Seal ring made of FKM, blue

Material: CrNiMo steel 1.4401 (EN 10088)

Download the installation instructions: Geberit Mapress system

d d1 d2 L L1 l l2 Z Z1 Z2
mm mm mm cm cm cm cm cm cm cm
88.9 28 88.9 26 8.7 13 13 7 6.4 7
[NO LONGER PRODUCED] - Geberit Mapress Stainless Steel T-piece, reduced, FKM, blue, d88,9-35-88,9 [Code number: 50397]
Details
50397

ATTENTION! This product is temporarily unavailable for order!

Application Purpose:

  • For solar technology, industry and shipbuilding

Characteristics:

  • Pressing indicator
  • LABS-free
  • Pressing socket with black protection plug

Scope of delivery:

  • Seal ring made of FKM, blue

Material: CrNiMo steel 1.4401 (EN 10088)

Download the installation instructions: Geberit Mapress system

d d1 d2 L L1 l l2 Z Z1 Z2
mm mm mm cm cm cm cm cm cm cm
88.9 35 88.9 26 9 13 13 7 6.4 7
[NO LONGER PRODUCED] - Geberit Mapress Stainless Steel T-piece, reduced, FKM, blue, d88,9-42-88,9 [Code number: 50398]
Details
50398

ATTENTION! This product is temporarily unavailable for order!

Application Purpose:

  • For solar technology, industry and shipbuilding

Characteristics:

  • Pressing indicator
  • LABS-free
  • Pressing socket with black protection plug

Scope of delivery:

  • Seal ring made of FKM, blue

Material: CrNiMo steel 1.4401 (EN 10088)

Download the installation instructions: Geberit Mapress system

d d1 d2 L L1 l l2 Z Z1 Z2
mm mm mm cm cm cm cm cm cm cm
88.9 42 88.9 26 9.2 13 13 7 6.2 7
[NO LONGER PRODUCED] - Geberit Mapress Stainless Steel T-piece, reduced, FKM, blue, d88,9-54-88,9 [Code number: 50399]
Details
50399

ATTENTION! This product is temporarily unavailable for order!

Application Purpose:

  • For solar technology, industry and shipbuilding

Characteristics:

  • Pressing indicator
  • LABS-free
  • Pressing socket with black protection plug

Scope of delivery:

  • Seal ring made of FKM, blue

Material: CrNiMo steel 1.4401 (EN 10088)

Download the installation instructions: Geberit Mapress system

d d1 d2 L L1 l l2 Z Z1 Z2
mm mm mm cm cm cm cm cm cm cm
88.9 54 88.9 26 9.3 13 13 7 5.8 7
[NO LONGER PRODUCED] - Geberit Mapress Stainless Steel T-piece, reduced, FKM, blue, d88,9-76,1-88,9 [Code number: 50400]
Details
50400

ATTENTION! This product is temporarily unavailable for order!

Application Purpose:

  • For solar technology, industry and shipbuilding

Characteristics:

  • Pressing indicator
  • LABS-free
  • Pressing socket with black protection plug

Scope of delivery:

  • Seal ring made of FKM, blue

Material: CrNiMo steel 1.4401 (EN 10088)

Download the installation instructions: Geberit Mapress system

d d1 d2 L L1 l l2 Z Z1 Z2
mm mm mm cm cm cm cm cm cm cm
88.9 76.1 88.9 26 11.4 13 13 7 6.1 7
[NO LONGER PRODUCED] - Geberit Mapress Stainless Steel T-piece, reduced, FKM, blue, d108-22-108 [Code number: 50401]
Details
50401

ATTENTION! This product is temporarily unavailable for order!

Application Purpose:

  • For solar technology, industry and shipbuilding

Characteristics:

  • Pressing indicator
  • LABS-free
  • Pressing socket with black protection plug

Scope of delivery:

  • Seal ring made of FKM, blue

Material: CrNiMo steel 1.4401 (EN 10088)

Download the installation instructions: Geberit Mapress system

d d1 d2 L L1 l l2 Z Z1 Z2
mm mm mm cm cm cm cm cm cm cm
108 22 108 31 10.3 15.5 15.5 8 8.2 8
[NO LONGER PRODUCED] - Geberit Mapress Stainless Steel T-piece, reduced, FKM, blue, d108-28-108 [Code number: 50402]
Details
50402

ATTENTION! This product is temporarily unavailable for order!

Application Purpose:

  • For solar technology, industry and shipbuilding

Characteristics:

  • Pressing indicator
  • LABS-free
  • Pressing socket with black protection plug

Scope of delivery:

  • Seal ring made of FKM, blue

Material: CrNiMo steel 1.4401 (EN 10088)

Download the installation instructions: Geberit Mapress system

d d1 d2 L L1 l l2 Z Z1 Z2
mm mm mm cm cm cm cm cm cm cm
108 28 108 31 10.5 15.5 15.5 8 8.2 8
[NO LONGER PRODUCED] - Geberit Mapress Stainless Steel T-piece, reduced, FKM, blue, d108-35-108 [Code number: 50403]
Details
50403

ATTENTION! This product is temporarily unavailable for order!

Application Purpose:

  • For solar technology, industry and shipbuilding

Characteristics:

  • Pressing indicator
  • LABS-free
  • Pressing socket with black protection plug

Scope of delivery:

  • Seal ring made of FKM, blue

Material: CrNiMo steel 1.4401 (EN 10088)

Download the installation instructions: Geberit Mapress system

d d1 d2 L L1 l l2 Z Z1 Z2
mm mm mm cm cm cm cm cm cm cm
108 35 108 31 10.8 15.5 15.5 8 8.2 8
[NO LONGER PRODUCED] - Geberit Mapress Stainless Steel T-piece, reduced, FKM, blue, d108-42-108 [Code number: 50404]
Details
50404

ATTENTION! This product is temporarily unavailable for order!

Application Purpose:

  • For solar technology, industry and shipbuilding

Characteristics:

  • Pressing indicator
  • LABS-free
  • Pressing socket with black protection plug

Scope of delivery:

  • Seal ring made of FKM, blue

Material: CrNiMo steel 1.4401 (EN 10088)

Download the installation instructions: Geberit Mapress system

d d1 d2 L L1 l l2 Z Z1 Z2
mm mm mm cm cm cm cm cm cm cm
108 42 108 31 11 15.5 15.5 8 8 8
[NO LONGER PRODUCED] - Geberit Mapress Stainless Steel T-piece, reduced, FKM, blue, d108-54-108 [Code number: 50405]
Details
50405

ATTENTION! This product is temporarily unavailable for order!

Application Purpose:

  • For solar technology, industry and shipbuilding

Characteristics:

  • Pressing indicator
  • LABS-free
  • Pressing socket with black protection plug

Scope of delivery:

  • Seal ring made of FKM, blue

Material: CrNiMo steel 1.4401 (EN 10088)

Download the installation instructions: Geberit Mapress system

d d1 d2 L L1 l l2 Z Z1 Z2
mm mm mm cm cm cm cm cm cm cm
108 54 108 31 11.3 15.5 15.5 8 7.8 8
[NO LONGER PRODUCED] - Geberit Mapress Stainless Steel T-piece, reduced, FKM, blue, d108-76,1-108 [Code number: 50407]
Details
50407

ATTENTION! This product is temporarily unavailable for order!

Application Purpose:

  • For solar technology, industry and shipbuilding

Characteristics:

  • Pressing indicator
  • LABS-free
  • Pressing socket with black protection plug

Scope of delivery:

  • Seal ring made of FKM, blue

Material: CrNiMo steel 1.4401 (EN 10088)

Download the installation instructions: Geberit Mapress system

d d1 d2 L L1 l l2 Z Z1 Z2
mm mm mm cm cm cm cm cm cm cm
108 76.1 108 31 12.4 15.5 15.5 8 7.1 8

See also