Logo
Ru| En

Office: M. Baumanskaya

Warehouse: Lenin Hills

Loading

Geberit Mapress T-pieces of steel

Geberit Mapress T-pieces are used for connection several sections of pipeline of water supply, heating system and industrial pipeline. They are made of stainless steel 1.4401 and non-alloy steel 1.0034 E 195. For maximum convenience the T-pieces are equipped with pressing indicator, and they leak if they are unpressed. The T-pieces have rotation angle of 90°. Length of the T-pieces ranges from 6.4 to 31 cm, and their diameter can range from 15 to 108 mm. Also the Geberit Company produces reduced T-pieces and T-pieces with female or male thread.

The group of products includes Mapress T-pieces made of steel without silicone. Mapress T-pieces with yellow marking can be used for gas installations with natural gases and liquefied gases, they are working at temperatures of -20 - +70 °C.

The kit includes a special black O-ring (CIIR).

Photo Наименование Article Цена
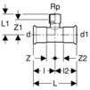
Geberit Mapress CuNiFe T-piece with female thread, d76,1 [Code number: 67366]
Details
67366

ATTENTION! This product is temporarily unavailable for order!

Application Purpose:

  • For industry and shipbuilding

Characteristics:

  • Pressing indicator
  • Leaky if unpressed
  • Female thread

Scope of delivery:

  • Seal ring made of CIIR, black

Material: CuNi10Fe1.6Mn, material no. 2.1972.11

Download the installation instructions: Geberit Mapress system

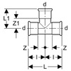
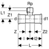
d Rp d1 L L1 l l2 Z Z1 Z2
mm " mm cm cm cm cm cm cm cm
76.1 3/4 76.1 23 7.9 11.5 11.5 6.2 6.4 6.2
Geberit Mapress CuNiFe T-piece with female thread, d88,9 [Code number: 67369]
Details
67369

ATTENTION! This product is temporarily unavailable for order!

Application Purpose:

  • For industry and shipbuilding

Characteristics:

  • Pressing indicator
  • Leaky if unpressed
  • Female thread

Scope of delivery:

  • Seal ring made of CIIR, black

Material: CuNi10Fe1.6Mn, material no. 2.1972.11

Download the installation instructions: Geberit Mapress system

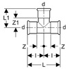
d Rp d1 L L1 l l2 Z Z1 Z2
mm " mm cm cm cm cm cm cm cm
88.9 3/4 88.9 26 8.8 13 13 7 7.3 7
Geberit Mapress CuNiFe T-piece with female thread, d108 [Code number: 67373]
Details
67373

ATTENTION! This product is temporarily unavailable for order!

Application Purpose:

  • For industry and shipbuilding

Characteristics:

  • Pressing indicator
  • Leaky if unpressed
  • Female thread

Scope of delivery:

  • Seal ring made of CIIR, black

Material: CuNi10Fe1.6Mn, material no. 2.1972.11

Download the installation instructions: Geberit Mapress system

d Rp d1 L L1 l l2 Z Z1 Z2
mm " mm cm cm cm cm cm cm cm
108 3/4 108 31 10.5 15.5 15.5 8 9 8
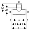
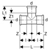
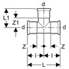
Geberit Mapress CuNiFe T-piece, equal, d 15 [Code number: 68002]
Details
68002

ATTENTION! This product is temporarily unavailable for order!

Application Purpose:

  • For industry and shipbuilding

Characteristics:

  • Pressing indicator
  • Leaky if unpressed

Scope of delivery:

  • Seal ring made of CIIR, black

Material: CuNi10Fe1.6Mn, material no. 2.1972.11

Download the installation instructions: Geberit Mapress system

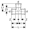
d L L1 l Z Z1
mm cm cm cm cm cm
15 6.4 4 3.2 1.2 2
Geberit Mapress CuNiFe T-piece, equal, d 22 [Code number: 68004]
Details
68004

ATTENTION! This product is temporarily unavailable for order!

Application Purpose:

  • For industry and shipbuilding

Characteristics:

  • Pressing indicator
  • Leaky if unpressed

Scope of delivery:

  • Seal ring made of CIIR, black

Material: CuNi10Fe1.6Mn, material no. 2.1972.11

Download the installation instructions: Geberit Mapress system

d L L1 l Z Z1
mm cm cm cm cm cm
22 7.4 4.5 3.7 1.6 2.4
Geberit Mapress CuNiFe T-piece, equal, d 28 [Code number: 68005]
Details
68005

ATTENTION! This product is temporarily unavailable for order!

Application Purpose:

  • For industry and shipbuilding

Characteristics:

  • Pressing indicator
  • Leaky if unpressed

Scope of delivery:

  • Seal ring made of CIIR, black

Material: CuNi10Fe1.6Mn, material no. 2.1972.11

Download the installation instructions: Geberit Mapress system

d L L1 l Z Z1
mm cm cm cm cm cm
28 8.4 5.1 4.2 1.9 2.8
Geberit Mapress CuNiFe T-piece, equal, d 35 [Code number: 68006]
Details
68006

ATTENTION! This product is temporarily unavailable for order!

Application Purpose:

  • For industry and shipbuilding

Characteristics:

  • Pressing indicator
  • Leaky if unpressed

Scope of delivery:

  • Seal ring made of CIIR, black

Material: CuNi10Fe1.6Mn, material no. 2.1972.11

Download the installation instructions: Geberit Mapress system

d L L1 l Z Z1
mm cm cm cm cm cm
35 10 5.9 5 2.4 3.3
Geberit Mapress CuNiFe T-piece, equal, d 42 [Code number: 68007]
Details
68007

ATTENTION! This product is temporarily unavailable for order!

Application Purpose:

  • For industry and shipbuilding

Characteristics:

  • Pressing indicator
  • Leaky if unpressed

Scope of delivery:

  • Seal ring made of CIIR, black

Material: CuNi10Fe1.6Mn, material no. 2.1972.11

Download the installation instructions: Geberit Mapress system

d L L1 l Z Z1
mm cm cm cm cm cm
42 11.4 6.6 5.7 2.7 3.6
Geberit Mapress CuNiFe T-piece, equal, d 54 [Code number: 68008]
Details
68008

ATTENTION! This product is temporarily unavailable for order!

Application Purpose:

  • For industry and shipbuilding

Characteristics:

  • Pressing indicator
  • Leaky if unpressed

Scope of delivery:

  • Seal ring made of CIIR, black

Material: CuNi10Fe1.6Mn, material no. 2.1972.11

Download the installation instructions: Geberit Mapress system

d L L1 l Z Z1
mm cm cm cm cm cm
54 13.8 7.2 6.9 3.4 3.7
Geberit Mapress CuNiFe T-piece, equal, d76,1 [Code number: 68009]
Details
68009

ATTENTION! This product is temporarily unavailable for order!

Application Purpose:

  • For industry and shipbuilding

Characteristics:

  • Pressing indicator
  • Leaky if unpressed

Scope of delivery:

  • Seal ring made of CIIR, black

Material: CuNi10Fe1.6Mn, material no. 2.1972.11

Download the installation instructions: Geberit Mapress system

d L L1 l Z Z1
mm cm cm cm cm cm
76.1 23 11 11.5 6.2 5.7
Geberit Mapress CuNiFe T-piece, equal, d88,9 [Code number: 68010]
Details
68010

ATTENTION! This product is temporarily unavailable for order!

Application Purpose:

  • For industry and shipbuilding

Characteristics:

  • Pressing indicator
  • Leaky if unpressed

Scope of delivery:

  • Seal ring made of CIIR, black

Material: CuNi10Fe1.6Mn, material no. 2.1972.11

Download the installation instructions: Geberit Mapress system

d L L1 l Z Z1
mm cm cm cm cm cm
88.9 26 12.8 13 7 6.8
Geberit Mapress CuNiFe T-piece, equal, d108 [Code number: 68011]
Details
68011

ATTENTION! This product is temporarily unavailable for order!

Application Purpose:

  • For industry and shipbuilding

Characteristics:

  • Pressing indicator
  • Leaky if unpressed

Scope of delivery:

  • Seal ring made of CIIR, black

Material: CuNi10Fe1.6Mn, material no. 2.1972.11

Download the installation instructions: Geberit Mapress system

d L L1 l Z Z1
mm cm cm cm cm cm
108 31 15.3 15.5 8 7.8
[NO LONGER PRODUCED] - Geberit Mapress Stainless Steel T-piece, equal, FKM, blue, d 15 [Code number: 50332]
Details
50332

ATTENTION! This product is temporarily unavailable for order!

Application Purpose:

  • For solar technology, industry and shipbuilding

Characteristics:

  • Pressing indicator
  • LABS-free
  • Pressing socket with black protection plug

Scope of delivery:

  • Seal ring made of FKM, blue

Material: CrNiMo steel 1.4401 (EN 10088)

Download the installation instructions: Geberit Mapress system

d L L1 l Z Z1
mm cm cm cm cm cm
15 6.4 3.9 3.2 1.2 1.9
[NO LONGER PRODUCED] - Geberit Mapress Stainless Steel T-piece, equal, FKM, blue, d 18 [Code number: 50333]
Details
50333

ATTENTION! This product is temporarily unavailable for order!

Application Purpose:

  • For solar technology, industry and shipbuilding

Characteristics:

  • Pressing indicator
  • LABS-free
  • Pressing socket with black protection plug

Scope of delivery:

  • Seal ring made of FKM, blue

Material: CrNiMo steel 1.4401 (EN 10088)

Download the installation instructions: Geberit Mapress system

d L L1 l Z Z1
mm cm cm cm cm cm
18 6.8 4.1 3.4 1.4 2.1
[NO LONGER PRODUCED] - Geberit Mapress Stainless Steel T-piece, equal, FKM, blue, d 22 [Code number: 50334]
Details
50334

ATTENTION! This product is temporarily unavailable for order!

Application Purpose:

  • For solar technology, industry and shipbuilding

Characteristics:

  • Pressing indicator
  • LABS-free
  • Pressing socket with black protection plug

Scope of delivery:

  • Seal ring made of FKM, blue

Material: CrNiMo steel 1.4401 (EN 10088)

Download the installation instructions: Geberit Mapress system

d L L1 l Z Z1
mm cm cm cm cm cm
22 7.4 4.4 3.7 1.6 2.3
[NO LONGER PRODUCED] - Geberit Mapress Stainless Steel T-piece, equal, FKM, blue, d 28 [Code number: 50335]
Details
50335

ATTENTION! This product is temporarily unavailable for order!

Application Purpose:

  • For solar technology, industry and shipbuilding

Characteristics:

  • Pressing indicator
  • LABS-free
  • Pressing socket with black protection plug

Scope of delivery:

  • Seal ring made of FKM, blue

Material: CrNiMo steel 1.4401 (EN 10088)

Download the installation instructions: Geberit Mapress system

d L L1 l Z Z1
mm cm cm cm cm cm
28 8.4 5 4.2 1.9 2.7
[NO LONGER PRODUCED] - Geberit Mapress Stainless Steel T-piece, equal, FKM, blue, d 35 [Code number: 50336]
Details
50336

ATTENTION! This product is temporarily unavailable for order!

Application Purpose:

  • For solar technology, industry and shipbuilding

Characteristics:

  • Pressing indicator
  • LABS-free
  • Pressing socket with black protection plug

Scope of delivery:

  • Seal ring made of FKM, blue

Material: CrNiMo steel 1.4401 (EN 10088)

Download the installation instructions: Geberit Mapress system

d L L1 l Z Z1
mm cm cm cm cm cm
35 10 5.7 5 2.4 3.1
[NO LONGER PRODUCED] - Geberit Mapress Stainless Steel T-piece, equal, FKM, blue, d 42 [Code number: 50337]
Details
50337

ATTENTION! This product is temporarily unavailable for order!

Application Purpose:

  • For solar technology, industry and shipbuilding

Characteristics:

  • Pressing indicator
  • LABS-free
  • Pressing socket with black protection plug

Scope of delivery:

  • Seal ring made of FKM, blue

Material: CrNiMo steel 1.4401 (EN 10088)

Download the installation instructions: Geberit Mapress system

d L L1 l Z Z1
mm cm cm cm cm cm
42 11.4 6.5 5.7 2.7 3.5
[NO LONGER PRODUCED] - Geberit Mapress Stainless Steel T-piece, equal, FKM, blue, d 54 [Code number: 50338]
Details
50338

ATTENTION! This product is temporarily unavailable for order!

Application Purpose:

  • For solar technology, industry and shipbuilding

Characteristics:

  • Pressing indicator
  • LABS-free
  • Pressing socket with black protection plug

Scope of delivery:

  • Seal ring made of FKM, blue

Material: CrNiMo steel 1.4401 (EN 10088)

Download the installation instructions: Geberit Mapress system

d L L1 l Z Z1
mm cm cm cm cm cm
54 13.8 7.7 6.9 3.4 4.2
[NO LONGER PRODUCED] - Geberit Mapress Stainless Steel T-piece, equal, FKM, blue, d76,1 [Code number: 50341]
Details
50341

ATTENTION! This product is temporarily unavailable for order!

Application Purpose:

  • For solar technology, industry and shipbuilding

Characteristics:

  • Pressing indicator
  • LABS-free
  • Pressing socket with black protection plug

Scope of delivery:

  • Seal ring made of FKM, blue

Material: CrNiMo steel 1.4401 (EN 10088)

Download the installation instructions: Geberit Mapress system

d L L1 l Z Z1
mm cm cm cm cm cm
76.1 23 11 11.5 6.2 5.7

See also