Logo
Ru| En

Office: M. Baumanskaya

Warehouse: Lenin Hills

Loading

Geberit Mapress T-pieces of steel

Geberit Mapress T-pieces are used for connection several sections of pipeline of water supply, heating system and industrial pipeline. They are made of stainless steel 1.4401 and non-alloy steel 1.0034 E 195. For maximum convenience the T-pieces are equipped with pressing indicator, and they leak if they are unpressed. The T-pieces have rotation angle of 90°. Length of the T-pieces ranges from 6.4 to 31 cm, and their diameter can range from 15 to 108 mm. Also the Geberit Company produces reduced T-pieces and T-pieces with female or male thread.

The group of products includes Mapress T-pieces made of steel without silicone. Mapress T-pieces with yellow marking can be used for gas installations with natural gases and liquefied gases, they are working at temperatures of -20 - +70 °C.

The kit includes a special black O-ring (CIIR).

Photo Наименование Article Цена
Geberit Mapress CuNiFe T-piece, reduced, d 28, d1 22 [Code number: 67211]
Details
67211

ATTENTION! This product is temporarily unavailable for order!

Application Purpose:

  • For industry and shipbuilding

Characteristics:

  • Pressing indicator
  • Leaky if unpressed

Scope of delivery:

  • Seal ring made of CIIR, black

Material: CuNi10Fe1.6Mn, material no. 2.1972.11

Download the installation instructions: Geberit Mapress system

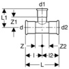
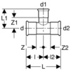
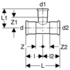
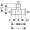
d d1 d2 L L1 l l2 Z Z1 Z2
mm mm mm cm cm cm cm cm cm cm
28 22 28 8.4 4.8 4.2 4.2 1.9 2.7 1.9
Geberit Mapress CuNiFe T-piece, reduced, d 35, d1 15 [Code number: 67212]
Details
67212

ATTENTION! This product is temporarily unavailable for order!

Application Purpose:

  • For industry and shipbuilding

Characteristics:

  • Pressing indicator
  • Leaky if unpressed

Scope of delivery:

  • Seal ring made of CIIR, black

Material: CuNi10Fe1.6Mn, material no. 2.1972.11

Download the installation instructions: Geberit Mapress system

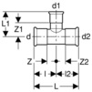
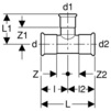
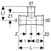
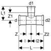
d d1 d2 L L1 l l2 Z Z1 Z2
mm mm mm cm cm cm cm cm cm cm
35 15 35 10 4.9 5 5 2.4 2.9 2.4
Geberit Mapress CuNiFe T-piece, reduced, d 35, d1 22 [Code number: 67214]
Details
67214

ATTENTION! This product is temporarily unavailable for order!

Application Purpose:

  • For industry and shipbuilding

Characteristics:

  • Pressing indicator
  • Leaky if unpressed

Scope of delivery:

  • Seal ring made of CIIR, black

Material: CuNi10Fe1.6Mn, material no. 2.1972.11

Download the installation instructions: Geberit Mapress system

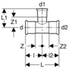
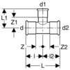
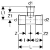
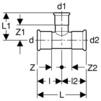
d d1 d2 L L1 l l2 Z Z1 Z2
mm mm mm cm cm cm cm cm cm cm
35 22 35 10 5.2 5 5 2.4 2.1 2.4
Geberit Mapress CuNiFe T-piece, reduced, d 35, d1 28 [Code number: 67215]
Details
67215

ATTENTION! This product is temporarily unavailable for order!

Application Purpose:

  • For industry and shipbuilding

Characteristics:

  • Pressing indicator
  • Leaky if unpressed

Scope of delivery:

  • Seal ring made of CIIR, black

Material: CuNi10Fe1.6Mn, material no. 2.1972.11

Download the installation instructions: Geberit Mapress system

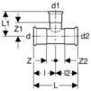
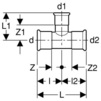
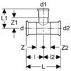
d d1 d2 L L1 l l2 Z Z1 Z2
mm mm mm cm cm cm cm cm cm cm
35 28 35 10 5.5 5 5 2.4 3.2 2.4
Geberit Mapress CuNiFe T-piece, reduced, d 42, d1 22 [Code number: 67218]
Details
67218

ATTENTION! This product is temporarily unavailable for order!

Application Purpose:

  • For industry and shipbuilding

Characteristics:

  • Pressing indicator
  • Leaky if unpressed

Scope of delivery:

  • Seal ring made of CIIR, black

Material: CuNi10Fe1.6Mn, material no. 2.1972.11

Download the installation instructions: Geberit Mapress system

d d1 d2 L L1 l l2 Z Z1 Z2
mm mm mm cm cm cm cm cm cm cm
42 22 42 11.4 5.4 5.7 5.7 2.7 3.3 2.7
Geberit Mapress CuNiFe T-piece, reduced, d 42, d1 28 [Code number: 67219]
Details
67219

ATTENTION! This product is temporarily unavailable for order!

Application Purpose:

  • For industry and shipbuilding

Characteristics:

  • Pressing indicator
  • Leaky if unpressed

Scope of delivery:

  • Seal ring made of CIIR, black

Material: CuNi10Fe1.6Mn, material no. 2.1972.11

Download the installation instructions: Geberit Mapress system

d d1 d2 L L1 l l2 Z Z1 Z2
mm mm mm cm cm cm cm cm cm cm
42 28 42 11.4 5.8 5.7 5.7 2.7 3.5 2.7
Geberit Mapress CuNiFe T-piece, reduced, d 42, d1 35 [Code number: 67220]
Details
67220

ATTENTION! This product is temporarily unavailable for order!

Application Purpose:

  • For industry and shipbuilding

Characteristics:

  • Pressing indicator
  • Leaky if unpressed

Scope of delivery:

  • Seal ring made of CIIR, black

Material: CuNi10Fe1.6Mn, material no. 2.1972.11

Download the installation instructions: Geberit Mapress system

d d1 d2 L L1 l l2 Z Z1 Z2
mm mm mm cm cm cm cm cm cm cm
42 35 42 11.4 6.2 5.7 5.7 2.7 3.6 2.7
Geberit Mapress CuNiFe T-piece, reduced, d 54, d1 35 [Code number: 67225]
Details
67225

ATTENTION! This product is temporarily unavailable for order!

Application Purpose:

  • For industry and shipbuilding

Characteristics:

  • Pressing indicator
  • Leaky if unpressed

Scope of delivery:

  • Seal ring made of CIIR, black

Material: CuNi10Fe1.6Mn, material no. 2.1972.11

Download the installation instructions: Geberit Mapress system

d d1 d2 L L1 l l2 Z Z1 Z2
mm mm mm cm cm cm cm cm cm cm
54 35 54 13.8 6.8 6.9 6.9 3.4 4.2 3.4
Geberit Mapress CuNiFe T-piece, reduced, d 54, d1 42 [Code number: 67226]
Details
67226

ATTENTION! This product is temporarily unavailable for order!

Application Purpose:

  • For industry and shipbuilding

Characteristics:

  • Pressing indicator
  • Leaky if unpressed

Scope of delivery:

  • Seal ring made of CIIR, black

Material: CuNi10Fe1.6Mn, material no. 2.1972.11

Download the installation instructions: Geberit Mapress system

d d1 d2 L L1 l l2 Z Z1 Z2
mm mm mm cm cm cm cm cm cm cm
54 42 54 13.8 7.2 6.9 6.9 3.4 4.2 3.4
Geberit Mapress CuNiFe T-piece, reduced, d 54, d1 22 [Code number: 67227]
Details
67227

ATTENTION! This product is temporarily unavailable for order!

Application Purpose:

  • For industry and shipbuilding

Characteristics:

  • Pressing indicator
  • Leaky if unpressed

Scope of delivery:

  • Seal ring made of CIIR, black

Material: CuNi10Fe1.6Mn, material no. 2.1972.11

Download the installation instructions: Geberit Mapress system

d d1 d2 L L1 l l2 Z Z1 Z2
mm mm mm cm cm cm cm cm cm cm
54 22 54 13.8 6.1 6.9 6.9 3.4 4 3.4
Geberit Mapress CuNiFe T-piece, reduced, d 54, d1 28 [Code number: 67228]
Details
67228

ATTENTION! This product is temporarily unavailable for order!

Application Purpose:

  • For industry and shipbuilding

Characteristics:

  • Pressing indicator
  • Leaky if unpressed

Scope of delivery:

  • Seal ring made of CIIR, black

Material: CuNi10Fe1.6Mn, material no. 2.1972.11

Download the installation instructions: Geberit Mapress system

d d1 d2 L L1 l l2 Z Z1 Z2
mm mm mm cm cm cm cm cm cm cm
54 28 54 13.8 6.4 6.9 6.9 3.4 4.1 3.4
Geberit Mapress CuNiFe T-piece, reduced, d76,1, d1 22 [Code number: 67229]
Details
67229

ATTENTION! This product is temporarily unavailable for order!

Application Purpose:

  • For industry and shipbuilding

Characteristics:

  • Pressing indicator
  • Leaky if unpressed

Scope of delivery:

  • Seal ring made of CIIR, black

Material: CuNi10Fe1.6Mn, material no. 2.1972.11

Download the installation instructions: Geberit Mapress system

d d1 d2 L L1 l l2 Z Z1 Z2
mm mm mm cm cm cm cm cm cm cm
76.1 22 76.1 23 7.7 11.5 11.5 6.2 5.6 6.2
Geberit Mapress CuNiFe T-piece, reduced, d76,1, d1 28 [Code number: 67230]
Details
67230

ATTENTION! This product is temporarily unavailable for order!

Application Purpose:

  • For industry and shipbuilding

Characteristics:

  • Pressing indicator
  • Leaky if unpressed

Scope of delivery:

  • Seal ring made of CIIR, black

Material: CuNi10Fe1.6Mn, material no. 2.1972.11

Download the installation instructions: Geberit Mapress system

d d1 d2 L L1 l l2 Z Z1 Z2
mm mm mm cm cm cm cm cm cm cm
76.1 28 76.1 23 7.9 11.5 11.5 6.2 5.6 6.2
Geberit Mapress CuNiFe T-piece, reduced, d76,1, d1 35 [Code number: 67231]
Details
67231

ATTENTION! This product is temporarily unavailable for order!

Application Purpose:

  • For industry and shipbuilding

Characteristics:

  • Pressing indicator
  • Leaky if unpressed

Scope of delivery:

  • Seal ring made of CIIR, black

Material: CuNi10Fe1.6Mn, material no. 2.1972.11

Download the installation instructions: Geberit Mapress system

d d1 d2 L L1 l l2 Z Z1 Z2
mm mm mm cm cm cm cm cm cm cm
76.1 35 76.1 23 8.1 11.5 11.5 6.2 5.5 6.2
Geberit Mapress CuNiFe T-piece, reduced, d88,9, d1 22 [Code number: 67233]
Details
67233

ATTENTION! This product is temporarily unavailable for order!

Application Purpose:

  • For industry and shipbuilding

Characteristics:

  • Pressing indicator
  • Leaky if unpressed

Scope of delivery:

  • Seal ring made of CIIR, black

Material: CuNi10Fe1.6Mn, material no. 2.1972.11

Download the installation instructions: Geberit Mapress system

d d1 d2 L L1 l l2 Z Z1 Z2
mm mm mm cm cm cm cm cm cm cm
88.9 22 88.9 26 8.5 13 13 7 6.4 7
Geberit Mapress CuNiFe T-piece, reduced, d88,9, d1 42 [Code number: 67239]
Details
67239

ATTENTION! This product is temporarily unavailable for order!

Application Purpose:

  • For industry and shipbuilding

Characteristics:

  • Pressing indicator
  • Leaky if unpressed

Scope of delivery:

  • Seal ring made of CIIR, black

Material: CuNi10Fe1.6Mn, material no. 2.1972.11

Download the installation instructions: Geberit Mapress system

d d1 d2 L L1 l l2 Z Z1 Z2
mm mm mm cm cm cm cm cm cm cm
88.9 42 88.9 26 9.2 13 13 7 6.2 7
Geberit Mapress CuNiFe T-piece, reduced, d108, d1 22 [Code number: 67244]
Details
67244

ATTENTION! This product is temporarily unavailable for order!

Application Purpose:

  • For industry and shipbuilding

Characteristics:

  • Pressing indicator
  • Leaky if unpressed

Scope of delivery:

  • Seal ring made of CIIR, black

Material: CuNi10Fe1.6Mn, material no. 2.1972.11

Download the installation instructions: Geberit Mapress system

d d1 d2 L L1 l l2 Z Z1 Z2
mm mm mm cm cm cm cm cm cm cm
108 22 108 31 10.3 15.5 15.5 8 8.2 8
Geberit Mapress CuNiFe T-piece, reduced, d108, d1 28 [Code number: 67245]
Details
67245

ATTENTION! This product is temporarily unavailable for order!

Application Purpose:

  • For industry and shipbuilding

Characteristics:

  • Pressing indicator
  • Leaky if unpressed

Scope of delivery:

  • Seal ring made of CIIR, black

Material: CuNi10Fe1.6Mn, material no. 2.1972.11

Download the installation instructions: Geberit Mapress system

d d1 d2 L L1 l l2 Z Z1 Z2
mm mm mm cm cm cm cm cm cm cm
108 28 108 31 10.5 15.5 15.5 8 8.2 8
Geberit Mapress CuNiFe T-piece, reduced, d108, d1 35 [Code number: 67246]
Details
67246

ATTENTION! This product is temporarily unavailable for order!

Application Purpose:

  • For industry and shipbuilding

Characteristics:

  • Pressing indicator
  • Leaky if unpressed

Scope of delivery:

  • Seal ring made of CIIR, black

Material: CuNi10Fe1.6Mn, material no. 2.1972.11

Download the installation instructions: Geberit Mapress system

d d1 d2 L L1 l l2 Z Z1 Z2
mm mm mm cm cm cm cm cm cm cm
108 35 108 31 10.8 15.5 15.5 8 8.2 8
Geberit Mapress CuNiFe T-piece, reduced, d108, d1 42 [Code number: 67247]
Details
67247

ATTENTION! This product is temporarily unavailable for order!

Application Purpose:

  • For industry and shipbuilding

Characteristics:

  • Pressing indicator
  • Leaky if unpressed

Scope of delivery:

  • Seal ring made of CIIR, black

Material: CuNi10Fe1.6Mn, material no. 2.1972.11

Download the installation instructions: Geberit Mapress system

d d1 d2 L L1 l l2 Z Z1 Z2
mm mm mm cm cm cm cm cm cm cm
108 42 108 31 11 15.5 15.5 8 8 8

See also