Логотип
Ru| En

Офис: м. Бауманская

Склад: Ленинские Горки

Loading

Тройники Geberit Mapress из стали

Тройники Mapress, предназначенные для соединения между собой нескольких участков трубопровода систем водоснабжения и отопления, а также промышленных трубопроводов, изготавливаются из нержавеющей стали 1.4401 и нелегированной стали 1.0034 E 195. Для максимального удобства тройники оснащаются индикатором прессования, при этом в неопрессованном состоянии они дают течь. Тройники имеют угол поворота 90°. Общая длина тройников колеблется от 6,4 до 31 см, а их диаметр может быть от 15 до 108 мм. Также выпускаются переходные тройники и тройники с внутренней или наружной резьбой.

В данную группу товаров также входят тройники Mapress, изготовленные из специальной стали, лишённой силикона. Тройники Mapress, имеющие жёлтую маркировку, могут использоваться в системах подачи природного или сжиженного газа, при этом они сохраняют работоспособность при температурах -20 – +70 °C.

В комплект поставки входят специальные чёрные уплотнительные кольца (CIIR).

Фото Наименование Артикул Цена
[СНЯТ С ПРОИЗВОДСТВА] - Тройник переходный Geberit Mapress (нерж ст), FKM, d 54-28-54 [Артикул: 50379]
Подробнее
50379

ВНИМАНИЕ! Товар временно недоступен для заказа!

Цель применения:

  • Для применения в промышленности
  • Возможно использование в кораблестроении
  • Для применения в системах, использующих энергию солнца

Характеристики:

  • Имеется прессовый индикатор;
  • Без силикона.

В объём поставки включено:

  • Синее уплотнительное кольцо FKM

Материал: Нержавеющая сталь 1.4401 (DIN EN 10088)

Скачать инструкцию по монтажу: Система Geberit Mapress

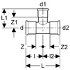
d d1 d2 L L1 l l2 Z Z1 Z2
мм мм мм см см см см см см см
54 28 54 13.8 6.3 6.9 6.9 3.4 4 3.4
[СНЯТ С ПРОИЗВОДСТВА] - Тройник переходный Geberit Mapress (нерж ст), FKM, d 54-35-42 [Артикул: 50380]
Подробнее
50380

ВНИМАНИЕ! Товар временно недоступен для заказа!

Цель применения:

  • Для применения в промышленности
  • Возможно использование в кораблестроении
  • Для применения в системах, использующих энергию солнца

Характеристики:

  • Имеется прессовый индикатор;
  • Без силикона.

В объём поставки включено:

  • Синее уплотнительное кольцо FKM

Материал: Нержавеющая сталь 1.4401 (DIN EN 10088)

Скачать инструкцию по монтажу: Система Geberit Mapress

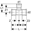
d d1 d2 L L1 l l2 Z Z1 Z2
мм мм мм см см см см см см см
18 15 18 6.8 4.1 3.4 3.4 1.4 2.1 1.4
[СНЯТ С ПРОИЗВОДСТВА] - Тройник переходный Geberit Mapress (нерж ст), FKM, d 54-42-18 [Артикул: 50381]
Подробнее
50381

ВНИМАНИЕ! Товар временно недоступен для заказа!

Цель применения:

  • Для применения в промышленности
  • Возможно использование в кораблестроении
  • Для применения в системах, использующих энергию солнца

Характеристики:

  • Имеется прессовый индикатор;
  • Без силикона.

В объём поставки включено:

  • Синее уплотнительное кольцо FKM

Материал: Нержавеющая сталь 1.4401 (DIN EN 10088)

Скачать инструкцию по монтажу: Система Geberit Mapress

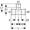
d d1 d2 L L1 l l2 Z Z1 Z2
мм мм мм см см см см см см см
54 42 54 13.8 7.1 6.9 6.9 3.4 4.1 3.4
[СНЯТ С ПРОИЗВОДСТВА] - Тройник переходный Geberit Mapress (нерж ст), FKM, d76,1-22-76,1 [Артикул: 50389]
Подробнее
50389

ВНИМАНИЕ! Товар временно недоступен для заказа!

Цель применения:

  • Для применения в промышленности
  • Возможно использование в кораблестроении
  • Для применения в системах, использующих энергию солнца

Характеристики:

  • Имеется прессовый индикатор;
  • Без силикона.

В объём поставки включено:

  • Синее уплотнительное кольцо FKM

Материал: Нержавеющая сталь 1.4401 (DIN EN 10088)

Скачать инструкцию по монтажу: Система Geberit Mapress

d d1 d2 L L1 l l2 Z Z1 Z2
мм мм мм см см см см см см см
76.1 22 76.1 23 7.7 11.5 11.5 6.2 5.6 6.2
[СНЯТ С ПРОИЗВОДСТВА] - Тройник переходный Geberit Mapress (нерж ст), FKM, d76,1-28-76,1 [Артикул: 50390]
Подробнее
50390

ВНИМАНИЕ! Товар временно недоступен для заказа!

Цель применения:

  • Для применения в промышленности
  • Возможно использование в кораблестроении
  • Для применения в системах, использующих энергию солнца

Характеристики:

  • Имеется прессовый индикатор;
  • Без силикона.

В объём поставки включено:

  • Синее уплотнительное кольцо FKM

Материал: Нержавеющая сталь 1.4401 (DIN EN 10088)

Скачать инструкцию по монтажу: Система Geberit Mapress

d d1 d2 L L1 l l2 Z Z1 Z2
мм мм мм см см см см см см см
76.1 28 76.1 23 7.9 11.5 11.5 6.2 5.6 6.2
[СНЯТ С ПРОИЗВОДСТВА] - Тройник переходный Geberit Mapress (нерж ст), FKM, d76,1-35-76,1 [Артикул: 50391]
Подробнее
50391

ВНИМАНИЕ! Товар временно недоступен для заказа!

Цель применения:

  • Для применения в промышленности
  • Возможно использование в кораблестроении
  • Для применения в системах, использующих энергию солнца

Характеристики:

  • Имеется прессовый индикатор;
  • Без силикона.

В объём поставки включено:

  • Синее уплотнительное кольцо FKM

Материал: Нержавеющая сталь 1.4401 (DIN EN 10088)

Скачать инструкцию по монтажу: Система Geberit Mapress

d d1 d2 L L1 l l2 Z Z1 Z2
мм мм мм см см см см см см см
76.1 35 76.1 23 8.1 11.5 11.5 6.2 5.6 6.2
[СНЯТ С ПРОИЗВОДСТВА] - Тройник переходный Geberit Mapress (нерж ст), FKM, d76,1-42-76,1 [Артикул: 50392]
Подробнее
50392

ВНИМАНИЕ! Товар временно недоступен для заказа!

Цель применения:

  • Для применения в промышленности
  • Возможно использование в кораблестроении
  • Для применения в системах, использующих энергию солнца

Характеристики:

  • Имеется прессовый индикатор;
  • Без силикона.

В объём поставки включено:

  • Синее уплотнительное кольцо FKM

Материал: Нержавеющая сталь 1.4401 (DIN EN 10088)

Скачать инструкцию по монтажу: Система Geberit Mapress

d d1 d2 L L1 l l2 Z Z1 Z2
мм мм мм см см см см см см см
76.1 42 76.1 23 8.1 11.5 11.5 6.2 5.1 6.2
[СНЯТ С ПРОИЗВОДСТВА] - Тройник переходный Geberit Mapress (нерж ст), FKM, d76,1-54-76,1 [Артикул: 50393]
Подробнее
50393

ВНИМАНИЕ! Товар временно недоступен для заказа!

Цель применения:

  • Для применения в промышленности
  • Возможно использование в кораблестроении
  • Для применения в системах, использующих энергию солнца

Характеристики:

  • Имеется прессовый индикатор;
  • Без силикона.

В объём поставки включено:

  • Синее уплотнительное кольцо FKM

Материал: Нержавеющая сталь 1.4401 (DIN EN 10088)

Скачать инструкцию по монтажу: Система Geberit Mapress

d d1 d2 L L1 l l2 Z Z1 Z2
мм мм мм см см см см см см см
76.1 54 76.1 23 8.7 11.5 11.5 6.2 5.2 6.2
[СНЯТ С ПРОИЗВОДСТВА] - Тройник переходный Geberit Mapress (нерж ст), FKM, d88,9-22-88,9 [Артикул: 50395]
Подробнее
50395

ВНИМАНИЕ! Товар временно недоступен для заказа!

Цель применения:

  • Для применения в промышленности
  • Возможно использование в кораблестроении
  • Для применения в системах, использующих энергию солнца

Характеристики:

  • Имеется прессовый индикатор;
  • Без силикона.

В объём поставки включено:

  • Синее уплотнительное кольцо FKM

Материал: Нержавеющая сталь 1.4401 (DIN EN 10088)

Скачать инструкцию по монтажу: Система Geberit Mapress

d d1 d2 L L1 l l2 Z Z1 Z2
мм мм мм см см см см см см см
88.9 22 88.9 26 8.5 13 13 7 6.4 7
[СНЯТ С ПРОИЗВОДСТВА] - Тройник переходный Geberit Mapress (нерж ст), FKM, d88,9-28-88,9 [Артикул: 50396]
Подробнее
50396

ВНИМАНИЕ! Товар временно недоступен для заказа!

Цель применения:

  • Для применения в промышленности
  • Возможно использование в кораблестроении
  • Для применения в системах, использующих энергию солнца

Характеристики:

  • Имеется прессовый индикатор;
  • Без силикона.

В объём поставки включено:

  • Синее уплотнительное кольцо FKM

Материал: Нержавеющая сталь 1.4401 (DIN EN 10088)

Скачать инструкцию по монтажу: Система Geberit Mapress

d d1 d2 L L1 l l2 Z Z1 Z2
мм мм мм см см см см см см см
88.9 28 88.9 26 8.7 13 13 7 6.4 7
[СНЯТ С ПРОИЗВОДСТВА] - Тройник переходный Geberit Mapress (нерж ст), FKM, d88,9-35-88,9 [Артикул: 50397]
Подробнее
50397

ВНИМАНИЕ! Товар временно недоступен для заказа!

Цель применения:

  • Для применения в промышленности
  • Возможно использование в кораблестроении
  • Для применения в системах, использующих энергию солнца

Характеристики:

  • Имеется прессовый индикатор;
  • Без силикона.

В объём поставки включено:

  • Синее уплотнительное кольцо FKM

Материал: Нержавеющая сталь 1.4401 (DIN EN 10088)

Скачать инструкцию по монтажу: Система Geberit Mapress

d d1 d2 L L1 l l2 Z Z1 Z2
мм мм мм см см см см см см см
88.9 35 88.9 26 9 13 13 7 6.4 7
[СНЯТ С ПРОИЗВОДСТВА] - Тройник переходный Geberit Mapress (нерж ст), FKM, d88,9-42-88,9 [Артикул: 50398]
Подробнее
50398

ВНИМАНИЕ! Товар временно недоступен для заказа!

Цель применения:

  • Для применения в промышленности
  • Возможно использование в кораблестроении
  • Для применения в системах, использующих энергию солнца

Характеристики:

  • Имеется прессовый индикатор;
  • Без силикона.

В объём поставки включено:

  • Синее уплотнительное кольцо FKM

Материал: Нержавеющая сталь 1.4401 (DIN EN 10088)

Скачать инструкцию по монтажу: Система Geberit Mapress

d d1 d2 L L1 l l2 Z Z1 Z2
мм мм мм см см см см см см см
88.9 42 88.9 26 9.2 13 13 7 6.2 7
[СНЯТ С ПРОИЗВОДСТВА] - Тройник переходный Geberit Mapress (нерж ст), FKM, d88,9-54-88,9 [Артикул: 50399]
Подробнее
50399

ВНИМАНИЕ! Товар временно недоступен для заказа!

Цель применения:

  • Для применения в промышленности
  • Возможно использование в кораблестроении
  • Для применения в системах, использующих энергию солнца

Характеристики:

  • Имеется прессовый индикатор;
  • Без силикона.

В объём поставки включено:

  • Синее уплотнительное кольцо FKM

Материал: Нержавеющая сталь 1.4401 (DIN EN 10088)

Скачать инструкцию по монтажу: Система Geberit Mapress

d d1 d2 L L1 l l2 Z Z1 Z2
мм мм мм см см см см см см см
88.9 54 88.9 26 9.3 13 13 7 5.8 7
[СНЯТ С ПРОИЗВОДСТВА] - Тройник переходный Geberit Mapress (нерж ст), FKM, d88,9-76,1-88,9 [Артикул: 50400]
Подробнее
50400

ВНИМАНИЕ! Товар временно недоступен для заказа!

Цель применения:

  • Для применения в промышленности
  • Возможно использование в кораблестроении
  • Для применения в системах, использующих энергию солнца

Характеристики:

  • Имеется прессовый индикатор;
  • Без силикона.

В объём поставки включено:

  • Синее уплотнительное кольцо FKM

Материал: Нержавеющая сталь 1.4401 (DIN EN 10088)

Скачать инструкцию по монтажу: Система Geberit Mapress

d d1 d2 L L1 l l2 Z Z1 Z2
мм мм мм см см см см см см см
88.9 76.1 88.9 26 11.4 13 13 7 6.1 7
[СНЯТ С ПРОИЗВОДСТВА] - Тройник переходный Geberit Mapress (нерж ст), FKM, d108-22-108 [Артикул: 50401]
Подробнее
50401

ВНИМАНИЕ! Товар временно недоступен для заказа!

Цель применения:

  • Для применения в промышленности
  • Возможно использование в кораблестроении
  • Для применения в системах, использующих энергию солнца

Характеристики:

  • Имеется прессовый индикатор;
  • Без силикона.

В объём поставки включено:

  • Синее уплотнительное кольцо FKM

Материал: Нержавеющая сталь 1.4401 (DIN EN 10088)

Скачать инструкцию по монтажу: Система Geberit Mapress

d d1 d2 L L1 l l2 Z Z1 Z2
мм мм мм см см см см см см см
108 22 108 31 10.3 15.5 15.5 8 8.2 8
[СНЯТ С ПРОИЗВОДСТВА] - Тройник переходный Geberit Mapress (нерж ст), FKM, d108-28-108 [Артикул: 50402]
Подробнее
50402

ВНИМАНИЕ! Товар временно недоступен для заказа!

Цель применения:

  • Для применения в промышленности
  • Возможно использование в кораблестроении
  • Для применения в системах, использующих энергию солнца

Характеристики:

  • Имеется прессовый индикатор;
  • Без силикона.

В объём поставки включено:

  • Синее уплотнительное кольцо FKM

Материал: Нержавеющая сталь 1.4401 (DIN EN 10088)

Скачать инструкцию по монтажу: Система Geberit Mapress

d d1 d2 L L1 l l2 Z Z1 Z2
мм мм мм см см см см см см см
108 28 108 31 10.5 15.5 15.5 8 8.2 8
[СНЯТ С ПРОИЗВОДСТВА] - Тройник переходный Geberit Mapress (нерж ст), FKM, d108-35-108 [Артикул: 50403]
Подробнее
50403

ВНИМАНИЕ! Товар временно недоступен для заказа!

Цель применения:

  • Для применения в промышленности
  • Возможно использование в кораблестроении
  • Для применения в системах, использующих энергию солнца

Характеристики:

  • Имеется прессовый индикатор;
  • Без силикона.

В объём поставки включено:

  • Синее уплотнительное кольцо FKM

Материал: Нержавеющая сталь 1.4401 (DIN EN 10088)

Скачать инструкцию по монтажу: Система Geberit Mapress

d d1 d2 L L1 l l2 Z Z1 Z2
мм мм мм см см см см см см см
108 35 108 31 10.8 15.5 15.5 8 8.2 8
[СНЯТ С ПРОИЗВОДСТВА] - Тройник переходный Geberit Mapress (нерж ст), FKM, d108-42-108 [Артикул: 50404]
Подробнее
50404

ВНИМАНИЕ! Товар временно недоступен для заказа!

Цель применения:

  • Для применения в промышленности
  • Возможно использование в кораблестроении
  • Для применения в системах, использующих энергию солнца

Характеристики:

  • Имеется прессовый индикатор;
  • Без силикона.

В объём поставки включено:

  • Синее уплотнительное кольцо FKM

Материал: Нержавеющая сталь 1.4401 (DIN EN 10088)

Скачать инструкцию по монтажу: Система Geberit Mapress

d d1 d2 L L1 l l2 Z Z1 Z2
мм мм мм см см см см см см см
108 42 108 31 11 15.5 15.5 8 8 8
[СНЯТ С ПРОИЗВОДСТВА] - Тройник переходный Geberit Mapress (нерж ст), FKM, d108-54-108 [Артикул: 50405]
Подробнее
50405

ВНИМАНИЕ! Товар временно недоступен для заказа!

Цель применения:

  • Для применения в промышленности
  • Возможно использование в кораблестроении
  • Для применения в системах, использующих энергию солнца

Характеристики:

  • Имеется прессовый индикатор;
  • Без силикона.

В объём поставки включено:

  • Синее уплотнительное кольцо FKM

Материал: Нержавеющая сталь 1.4401 (DIN EN 10088)

Скачать инструкцию по монтажу: Система Geberit Mapress

d d1 d2 L L1 l l2 Z Z1 Z2
мм мм мм см см см см см см см
108 54 108 31 11.3 15.5 15.5 8 7.8 8
[СНЯТ С ПРОИЗВОДСТВА] - Тройник переходный Geberit Mapress (нерж ст), FKM, d108-76,1-108 [Артикул: 50407]
Подробнее
50407

ВНИМАНИЕ! Товар временно недоступен для заказа!

Цель применения:

  • Для применения в промышленности
  • Возможно использование в кораблестроении
  • Для применения в системах, использующих энергию солнца

Характеристики:

  • Имеется прессовый индикатор;
  • Без силикона.

В объём поставки включено:

  • Синее уплотнительное кольцо FKM

Материал: Нержавеющая сталь 1.4401 (DIN EN 10088)

Скачать инструкцию по монтажу: Система Geberit Mapress

d d1 d2 L L1 l l2 Z Z1 Z2
мм мм мм см см см см см см см
108 76.1 108 31 12.4 15.5 15.5 8 7.1 8

Смотрите также