Логотип
Ru| En

Офис: м. Бауманская

Склад: Ленинские Горки

Loading

Тройники Geberit Mapress из стали

Тройники Mapress, предназначенные для соединения между собой нескольких участков трубопровода систем водоснабжения и отопления, а также промышленных трубопроводов, изготавливаются из нержавеющей стали 1.4401 и нелегированной стали 1.0034 E 195. Для максимального удобства тройники оснащаются индикатором прессования, при этом в неопрессованном состоянии они дают течь. Тройники имеют угол поворота 90°. Общая длина тройников колеблется от 6,4 до 31 см, а их диаметр может быть от 15 до 108 мм. Также выпускаются переходные тройники и тройники с внутренней или наружной резьбой.

В данную группу товаров также входят тройники Mapress, изготовленные из специальной стали, лишённой силикона. Тройники Mapress, имеющие жёлтую маркировку, могут использоваться в системах подачи природного или сжиженного газа, при этом они сохраняют работоспособность при температурах -20 – +70 °C.

В комплект поставки входят специальные чёрные уплотнительные кольца (CIIR).

Фото Наименование Артикул Цена
[СНЯТ С ПРОИЗВОДСТВА] - Тройник Geberit Mapress (нерж ст), FKM, d88,9 [Артикул: 50342]
Подробнее
50342

ВНИМАНИЕ! Товар временно недоступен для заказа!

Цель применения:

  • Для применения в промышленности
  • Возможно использование в кораблестроении
  • Для применения в системах, использующих энергию солнца

Характеристики:

  • Имеется прессовый индикатор;
  • Без силикона.

В объём поставки включено:

  • Синее уплотнительное кольцо FKM

Материал: Нержавеющая сталь 1.4401 (DIN EN 10088)

Скачать инструкцию по монтажу: Система Geberit Mapress

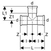
d L L1 l Z Z1
мм см см см см см
88.9 26 12.8 13 7 6.8
[СНЯТ С ПРОИЗВОДСТВА] - Тройник Geberit Mapress (нерж ст), FKM, d108 [Артикул: 50343]
Подробнее
50343

ВНИМАНИЕ! Товар временно недоступен для заказа!

Цель применения:

  • Для применения в промышленности
  • Возможно использование в кораблестроении
  • Для применения в системах, использующих энергию солнца

Характеристики:

  • Имеется прессовый индикатор;
  • Без силикона.

В объём поставки включено:

  • Синее уплотнительное кольцо FKM

Материал: Нержавеющая сталь 1.4401 (DIN EN 10088)

Скачать инструкцию по монтажу: Система Geberit Mapress

d L L1 l Z Z1
мм см см см см см
108 31 15.3 15.5 8 7.8
[СНЯТ С ПРОИЗВОДСТВА] - Тройник переходный Geberit Mapress (нерж ст), FKM, d 18-15-18 [Артикул: 50356]
Подробнее
50356

ВНИМАНИЕ! Товар временно недоступен для заказа!

Цель применения:

  • Для применения в промышленности
  • Возможно использование в кораблестроении
  • Для применения в системах, использующих энергию солнца

Характеристики:

  • Имеется прессовый индикатор;
  • Без силикона.

В объём поставки включено:

  • Синее уплотнительное кольцо FKM

Материал: Нержавеющая сталь 1.4401 (DIN EN 10088)

Скачать инструкцию по монтажу: Система Geberit Mapress

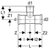
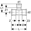
d d1 d2 L L1 l l2 Z Z1 Z2
мм мм мм см см см см см см см
18 15 18 6.8 4.1 3.4 3.4 1.4 2.1 1.4
[СНЯТ С ПРОИЗВОДСТВА] - Тройник переходный Geberit Mapress (нерж ст), FKM, d 22-15-22 [Артикул: 50357]
Подробнее
50357

ВНИМАНИЕ! Товар временно недоступен для заказа!

Цель применения:

  • Для применения в промышленности
  • Возможно использование в кораблестроении
  • Для применения в системах, использующих энергию солнца

Характеристики:

  • Имеется прессовый индикатор;
  • Без силикона.

В объём поставки включено:

  • Синее уплотнительное кольцо FKM

Материал: Нержавеющая сталь 1.4401 (DIN EN 10088)

Скачать инструкцию по монтажу: Система Geberit Mapress

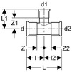
d d1 d2 L L1 l l2 Z Z1 Z2
мм мм мм см см см см см см см
22 15 22 7.4 4.3 3.7 3.7 1.6 2.3 1.6
[СНЯТ С ПРОИЗВОДСТВА] - Тройник переходный Geberit Mapress (нерж ст), FKM, d 22-18-22 [Артикул: 50359]
Подробнее
50359

ВНИМАНИЕ! Товар временно недоступен для заказа!

Цель применения:

  • Для применения в промышленности
  • Возможно использование в кораблестроении
  • Для применения в системах, использующих энергию солнца

Характеристики:

  • Имеется прессовый индикатор;
  • Без силикона.

В объём поставки включено:

  • Синее уплотнительное кольцо FKM

Материал: Нержавеющая сталь 1.4401 (DIN EN 10088)

Скачать инструкцию по монтажу: Система Geberit Mapress

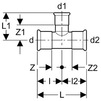
d d1 d2 L L1 l l2 Z Z1 Z2
мм мм мм см см см см см см см
22 18 22 7.4 4.3 3.7 3.7 1.6 2.3 1.6
[СНЯТ С ПРОИЗВОДСТВА] - Тройник переходный Geberit Mapress (нерж ст), FKM, d 28-15-28 [Артикул: 50362]
Подробнее
50362

ВНИМАНИЕ! Товар временно недоступен для заказа!

Цель применения:

  • Для применения в промышленности
  • Возможно использование в кораблестроении
  • Для применения в системах, использующих энергию солнца

Характеристики:

  • Имеется прессовый индикатор;
  • Без силикона.

В объём поставки включено:

  • Синее уплотнительное кольцо FKM

Материал: Нержавеющая сталь 1.4401 (DIN EN 10088)

Скачать инструкцию по монтажу: Система Geberit Mapress

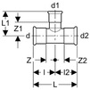
d d1 d2 L L1 l l2 Z Z1 Z2
мм мм мм см см см см см см см
28 15 28 8.4 4.6 4.2 4.2 1.9 2.6 1.9
[СНЯТ С ПРОИЗВОДСТВА] - Тройник переходный Geberit Mapress (нерж ст), FKM, d 28-18-28 [Артикул: 50364]
Подробнее
50364

ВНИМАНИЕ! Товар временно недоступен для заказа!

Цель применения:

  • Для применения в промышленности
  • Возможно использование в кораблестроении
  • Для применения в системах, использующих энергию солнца

Характеристики:

  • Имеется прессовый индикатор;
  • Без силикона.

В объём поставки включено:

  • Синее уплотнительное кольцо FKM

Материал: Нержавеющая сталь 1.4401 (DIN EN 10088)

Скачать инструкцию по монтажу: Система Geberit Mapress

d d1 d2 L L1 l l2 Z Z1 Z2
мм мм мм см см см см см см см
28 18 28 8.4 4.6 4.2 4.2 1.9 2.6 1.9
[СНЯТ С ПРОИЗВОДСТВА] - Тройник переходный Geberit Mapress (нерж ст), FKM, d 28-22-28 [Артикул: 50366]
Подробнее
50366

ВНИМАНИЕ! Товар временно недоступен для заказа!

Цель применения:

  • Для применения в промышленности
  • Возможно использование в кораблестроении
  • Для применения в системах, использующих энергию солнца

Характеристики:

  • Имеется прессовый индикатор;
  • Без силикона.

В объём поставки включено:

  • Синее уплотнительное кольцо FKM

Материал: Нержавеющая сталь 1.4401 (DIN EN 10088)

Скачать инструкцию по монтажу: Система Geberit Mapress

d d1 d2 L L1 l l2 Z Z1 Z2
мм мм мм см см см см см см см
28 22 28 8.4 4.7 4.2 4.2 1.9 2.6 1.9
[СНЯТ С ПРОИЗВОДСТВА] - Тройник переходный Geberit Mapress (нерж ст), FKM, d 35-15-35 [Артикул: 50367]
Подробнее
50367

ВНИМАНИЕ! Товар временно недоступен для заказа!

Цель применения:

  • Для применения в промышленности
  • Возможно использование в кораблестроении
  • Для применения в системах, использующих энергию солнца

Характеристики:

  • Имеется прессовый индикатор;
  • Без силикона.

В объём поставки включено:

  • Синее уплотнительное кольцо FKM

Материал: Нержавеющая сталь 1.4401 (DIN EN 10088)

Скачать инструкцию по монтажу: Система Geberit Mapress

d d1 d2 L L1 l l2 Z Z1 Z2
мм мм мм см см см см см см см
35 15 35 10 4.9 5 5 2.4 2.9 2.4
[СНЯТ С ПРОИЗВОДСТВА] - Тройник переходный Geberit Mapress (нерж ст), FKM, d 35-18-35 [Артикул: 50368]
Подробнее
50368

ВНИМАНИЕ! Товар временно недоступен для заказа!

Цель применения:

  • Для применения в промышленности
  • Возможно использование в кораблестроении
  • Для применения в системах, использующих энергию солнца

Характеристики:

  • Имеется прессовый индикатор;
  • Без силикона.

В объём поставки включено:

  • Синее уплотнительное кольцо FKM

Материал: Нержавеющая сталь 1.4401 (DIN EN 10088)

Скачать инструкцию по монтажу: Система Geberit Mapress

d d1 d2 L L1 l l2 Z Z1 Z2
мм мм мм см см см см см см см
35 18 35 10 4.9 5 5 2.4 2.9 2.4
[СНЯТ С ПРОИЗВОДСТВА] - Тройник переходный Geberit Mapress (нерж ст), FKM, d 35-22-35 [Артикул: 50369]
Подробнее
50369

ВНИМАНИЕ! Товар временно недоступен для заказа!

Цель применения:

  • Для применения в промышленности
  • Возможно использование в кораблестроении
  • Для применения в системах, использующих энергию солнца

Характеристики:

  • Имеется прессовый индикатор;
  • Без силикона.

В объём поставки включено:

  • Синее уплотнительное кольцо FKM

Материал: Нержавеющая сталь 1.4401 (DIN EN 10088)

Скачать инструкцию по монтажу: Система Geberit Mapress

d d1 d2 L L1 l l2 Z Z1 Z2
мм мм мм см см см см см см см
35 22 35 10 5 5 5 2.4 2.9 2.4
[СНЯТ С ПРОИЗВОДСТВА] - Тройник переходный Geberit Mapress (нерж ст), FKM, d 35-28-35 [Артикул: 50370]
Подробнее
50370

ВНИМАНИЕ! Товар временно недоступен для заказа!

Цель применения:

  • Для применения в промышленности
  • Возможно использование в кораблестроении
  • Для применения в системах, использующих энергию солнца

Характеристики:

  • Имеется прессовый индикатор;
  • Без силикона.

В объём поставки включено:

  • Синее уплотнительное кольцо FKM

Материал: Нержавеющая сталь 1.4401 (DIN EN 10088)

Скачать инструкцию по монтажу: Система Geberit Mapress

d d1 d2 L L1 l l2 Z Z1 Z2
мм мм мм см см см см см см см
35 28 35 10 5.3 5 5 2.4 3 2.4
[СНЯТ С ПРОИЗВОДСТВА] - Тройник переходный Geberit Mapress (нерж ст), FKM, d 42-15-42 [Артикул: 50371]
Подробнее
50371

ВНИМАНИЕ! Товар временно недоступен для заказа!

Цель применения:

  • Для применения в промышленности
  • Возможно использование в кораблестроении
  • Для применения в системах, использующих энергию солнца

Характеристики:

  • Имеется прессовый индикатор;
  • Без силикона.

В объём поставки включено:

  • Синее уплотнительное кольцо FKM

Материал: Нержавеющая сталь 1.4401 (DIN EN 10088)

Скачать инструкцию по монтажу: Система Geberit Mapress

d d1 d2 L L1 l l2 Z Z1 Z2
мм мм мм см см см см см см см
42 15 42 11.4 5.3 5.7 5.7 2.7 3.3 2.7
[СНЯТ С ПРОИЗВОДСТВА] - Тройник переходный Geberit Mapress (нерж ст), FKM, d 42-18-42 [Артикул: 50372]
Подробнее
50372

ВНИМАНИЕ! Товар временно недоступен для заказа!

Цель применения:

  • Для применения в промышленности
  • Возможно использование в кораблестроении
  • Для применения в системах, использующих энергию солнца

Характеристики:

  • Имеется прессовый индикатор;
  • Без силикона.

В объём поставки включено:

  • Синее уплотнительное кольцо FKM

Материал: Нержавеющая сталь 1.4401 (DIN EN 10088)

Скачать инструкцию по монтажу: Система Geberit Mapress

d d1 d2 L L1 l l2 Z Z1 Z2
мм мм мм см см см см см см см
42 18 42 11.4 5.3 5.7 5.7 2.7 3.3 2.7
[СНЯТ С ПРОИЗВОДСТВА] - Тройник переходный Geberit Mapress (нерж ст), FKM, d 42-22-42 [Артикул: 50373]
Подробнее
50373

ВНИМАНИЕ! Товар временно недоступен для заказа!

Цель применения:

  • Для применения в промышленности
  • Возможно использование в кораблестроении
  • Для применения в системах, использующих энергию солнца

Характеристики:

  • Имеется прессовый индикатор;
  • Без силикона.

В объём поставки включено:

  • Синее уплотнительное кольцо FKM

Материал: Нержавеющая сталь 1.4401 (DIN EN 10088)

Скачать инструкцию по монтажу: Система Geberit Mapress

d d1 d2 L L1 l l2 Z Z1 Z2
мм мм мм см см см см см см см
42 22 42 11.4 5.4 5.7 5.7 2.7 3.3 2.7
[СНЯТ С ПРОИЗВОДСТВА] - Тройник переходный Geberit Mapress (нерж ст), FKM, d 42-28-42 [Артикул: 50374]
Подробнее
50374

ВНИМАНИЕ! Товар временно недоступен для заказа!

Цель применения:

  • Для применения в промышленности
  • Возможно использование в кораблестроении
  • Для применения в системах, использующих энергию солнца

Характеристики:

  • Имеется прессовый индикатор;
  • Без силикона.

В объём поставки включено:

  • Синее уплотнительное кольцо FKM

Материал: Нержавеющая сталь 1.4401 (DIN EN 10088)

Скачать инструкцию по монтажу: Система Geberit Mapress

d d1 d2 L L1 l l2 Z Z1 Z2
мм мм мм см см см см см см см
42 28 42 11.4 5.7 5.7 5.7 2.7 3.4 2.7
[СНЯТ С ПРОИЗВОДСТВА] - Тройник переходный Geberit Mapress (нерж ст), FKM, d 42-35-42 [Артикул: 50375]
Подробнее
50375

ВНИМАНИЕ! Товар временно недоступен для заказа!

Цель применения:

  • Для применения в промышленности
  • Возможно использование в кораблестроении
  • Для применения в системах, использующих энергию солнца

Характеристики:

  • Имеется прессовый индикатор;
  • Без силикона.

В объём поставки включено:

  • Синее уплотнительное кольцо FKM

Материал: Нержавеющая сталь 1.4401 (DIN EN 10088)

Скачать инструкцию по монтажу: Система Geberit Mapress

d d1 d2 L L1 l l2 Z Z1 Z2
мм мм мм см см см см см см см
42 35 42 11.4 6.1 5.7 5.7 2.7 3.5 2.7
[СНЯТ С ПРОИЗВОДСТВА] - Тройник переходный Geberit Mapress (нерж ст), FKM, d 54-15-54 [Артикул: 50376]
Подробнее
50376

ВНИМАНИЕ! Товар временно недоступен для заказа!

Цель применения:

  • Для применения в промышленности
  • Возможно использование в кораблестроении
  • Для применения в системах, использующих энергию солнца

Характеристики:

  • Имеется прессовый индикатор;
  • Без силикона.

В объём поставки включено:

  • Синее уплотнительное кольцо FKM

Материал: Нержавеющая сталь 1.4401 (DIN EN 10088)

Скачать инструкцию по монтажу: Система Geberit Mapress

d d1 d2 L L1 l l2 Z Z1 Z2
мм мм мм см см см см см см см
54 15 54 13.8 5.9 6.8 6.8 3.4 3.9 3.4
[СНЯТ С ПРОИЗВОДСТВА] - Тройник переходный Geberit Mapress (нерж ст), FKM, d 54-18-54 [Артикул: 50377]
Подробнее
50377

ВНИМАНИЕ! Товар временно недоступен для заказа!

Цель применения:

  • Для применения в промышленности
  • Возможно использование в кораблестроении
  • Для применения в системах, использующих энергию солнца

Характеристики:

  • Имеется прессовый индикатор;
  • Без силикона.

В объём поставки включено:

  • Синее уплотнительное кольцо FKM

Материал: Нержавеющая сталь 1.4401 (DIN EN 10088)

Скачать инструкцию по монтажу: Система Geberit Mapress

d d1 d2 L L1 l l2 Z Z1 Z2
мм мм мм см см см см см см см
54 18 54 13.8 5.9 6.8 6.8 3.4 3.9 3.4
[СНЯТ С ПРОИЗВОДСТВА] - Тройник переходный Geberit Mapress (нерж ст), FKM, d 54-22-54 [Артикул: 50378]
Подробнее
50378

ВНИМАНИЕ! Товар временно недоступен для заказа!

Цель применения:

  • Для применения в промышленности
  • Возможно использование в кораблестроении
  • Для применения в системах, использующих энергию солнца

Характеристики:

  • Имеется прессовый индикатор;
  • Без силикона.

В объём поставки включено:

  • Синее уплотнительное кольцо FKM

Материал: Нержавеющая сталь 1.4401 (DIN EN 10088)

Скачать инструкцию по монтажу: Система Geberit Mapress

d d1 d2 L L1 l l2 Z Z1 Z2
мм мм мм см см см см см см см
54 22 54 13.8 6 6.9 6.9 3.4 3.9 3.4

Смотрите также