Логотип
Ru| En

Офис: м. Бауманская

Склад: Ленинские Горки

Loading

Тройники Geberit Mapress из стали

Тройники Mapress, предназначенные для соединения между собой нескольких участков трубопровода систем водоснабжения и отопления, а также промышленных трубопроводов, изготавливаются из нержавеющей стали 1.4401 и нелегированной стали 1.0034 E 195. Для максимального удобства тройники оснащаются индикатором прессования, при этом в неопрессованном состоянии они дают течь. Тройники имеют угол поворота 90°. Общая длина тройников колеблется от 6,4 до 31 см, а их диаметр может быть от 15 до 108 мм. Также выпускаются переходные тройники и тройники с внутренней или наружной резьбой.

В данную группу товаров также входят тройники Mapress, изготовленные из специальной стали, лишённой силикона. Тройники Mapress, имеющие жёлтую маркировку, могут использоваться в системах подачи природного или сжиженного газа, при этом они сохраняют работоспособность при температурах -20 – +70 °C.

В комплект поставки входят специальные чёрные уплотнительные кольца (CIIR).

Фото Наименование Артикул Цена
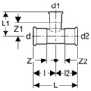
Тройник Geberit Mapress (CuNiFe) переходный, d - 108, d1 - 54 [Артикул: 67248]
Подробнее
67248

ВНИМАНИЕ! Товар временно недоступен для заказа!

Цель применения:

  • Для применения в промышленности
  • Возможно использование в кораблестроении

Характеристики:

  • Имеется прессовый индикатор;
  • В неопрессованном состоянии фитинг течёт.

В объём поставки включено:

  • Чёрное уплотнительное кольцо CIIR

Материал: CuNi10Fe1.6Mn, материал № 2.1972.11

Скачать инструкцию по монтажу: Система Geberit Mapress

d d1 d2 L L1 l l2 Z Z1 Z2
мм мм мм см см см см см см см
108 54 108 31 11.3 15.5 15.5 8 7.8 8
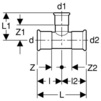
Тройник Geberit Mapress (CuNiFe) переходный, d - 88,9, d1 - 28 [Артикул: 67250]
Подробнее
67250

ВНИМАНИЕ! Товар временно недоступен для заказа!

Цель применения:

  • Для применения в промышленности
  • Возможно использование в кораблестроении

Характеристики:

  • Имеется прессовый индикатор;
  • В неопрессованном состоянии фитинг течёт.

В объём поставки включено:

  • Чёрное уплотнительное кольцо CIIR

Материал: CuNi10Fe1.6Mn, материал № 2.1972.11

Скачать инструкцию по монтажу: Система Geberit Mapress

d d1 d2 L L1 l l2 Z Z1 Z2
мм мм мм см см см см см см см
88.9 28 88.9 26 8.7 13 13 7 6.4 7
Тройник Geberit Mapress (CuNiFe) переходный, d - 88,9, d1 - 35 [Артикул: 67251]
Подробнее
67251

ВНИМАНИЕ! Товар временно недоступен для заказа!

Цель применения:

  • Для применения в промышленности
  • Возможно использование в кораблестроении

Характеристики:

  • Имеется прессовый индикатор;
  • В неопрессованном состоянии фитинг течёт.

В объём поставки включено:

  • Чёрное уплотнительное кольцо CIIR

Материал: CuNi10Fe1.6Mn, материал № 2.1972.11

Скачать инструкцию по монтажу: Система Geberit Mapress

d d1 d2 L L1 l l2 Z Z1 Z2
мм мм мм см см см см см см см
88.9 35 88.9 26 9 13 13 7 6.4 7
Тройник Geberit Mapress (CuNiFe) переходный, d - 76,1, d1 - 42 [Артикул: 67252]
Подробнее
67252

ВНИМАНИЕ! Товар временно недоступен для заказа!

Цель применения:

  • Для применения в промышленности
  • Возможно использование в кораблестроении

Характеристики:

  • Имеется прессовый индикатор;
  • В неопрессованном состоянии фитинг течёт.

В объём поставки включено:

  • Чёрное уплотнительное кольцо CIIR

Материал: CuNi10Fe1.6Mn, материал № 2.1972.11

Скачать инструкцию по монтажу: Система Geberit Mapress

d d1 d2 L L1 l l2 Z Z1 Z2
мм мм мм см см см см см см см
76.1 42 76.1 23 8.1 11.5 11.5 6.2 5.1 6.2
Тройник Geberit Mapress (CuNiFe) переходный, d - 76,1, d1 - 54 [Артикул: 67253]
Подробнее
67253

ВНИМАНИЕ! Товар временно недоступен для заказа!

Цель применения:

  • Для применения в промышленности
  • Возможно использование в кораблестроении

Характеристики:

  • Имеется прессовый индикатор;
  • В неопрессованном состоянии фитинг течёт.

В объём поставки включено:

  • Чёрное уплотнительное кольцо CIIR

Материал: CuNi10Fe1.6Mn, материал № 2.1972.11

Скачать инструкцию по монтажу: Система Geberit Mapress

d d1 d2 L L1 l l2 Z Z1 Z2
мм мм мм см см см см см см см
76.1 54 76.1 23 8.7 11.5 11.5 6.2 5.2 6.2
Тройник Geberit Mapress (CuNiFe) переходный, d - 88,9, d1 - 54 [Артикул: 67260]
Подробнее
67260

ВНИМАНИЕ! Товар временно недоступен для заказа!

Цель применения:

  • Для применения в промышленности
  • Возможно использование в кораблестроении

Характеристики:

  • Имеется прессовый индикатор;
  • В неопрессованном состоянии фитинг течёт.

В объём поставки включено:

  • Чёрное уплотнительное кольцо CIIR

Материал: CuNi10Fe1.6Mn, материал № 2.1972.11

Скачать инструкцию по монтажу: Система Geberit Mapress

d d1 d2 L L1 l l2 Z Z1 Z2
мм мм мм см см см см см см см
88.9 54 88.9 26 9.3 13 13 7 5.8 7
Тройник Geberit Mapress (CuNiFe) переходный, d - 88,9, d1 - 76,1 [Артикул: 67261]
Подробнее
67261

ВНИМАНИЕ! Товар временно недоступен для заказа!

Цель применения:

  • Для применения в промышленности
  • Возможно использование в кораблестроении

Характеристики:

  • Имеется прессовый индикатор;
  • В неопрессованном состоянии фитинг течёт.

В объём поставки включено:

  • Чёрное уплотнительное кольцо CIIR

Материал: CuNi10Fe1.6Mn, материал № 2.1972.11

Скачать инструкцию по монтажу: Система Geberit Mapress

d d1 d2 L L1 l l2 Z Z1 Z2
мм мм мм см см см см см см см
88.9 76.1 88.9 26 11.4 13 13 7 6.1 7
Тройник Geberit Mapress (CuNiFe) переходный, d - 108, d1 - 76,1 [Артикул: 67269]
Подробнее
67269

ВНИМАНИЕ! Товар временно недоступен для заказа!

Цель применения:

  • Для применения в промышленности
  • Возможно использование в кораблестроении

Характеристики:

  • Имеется прессовый индикатор;
  • В неопрессованном состоянии фитинг течёт.

В объём поставки включено:

  • Чёрное уплотнительное кольцо CIIR

Материал: CuNi10Fe1.6Mn, материал № 2.1972.11

Скачать инструкцию по монтажу: Система Geberit Mapress

d d1 d2 L L1 l l2 Z Z1 Z2
мм мм мм см см см см см см см
108 76.1 108 31 12.4 15.5 15.5 8 7.1 8
Тройник Geberit Mapress (CuNiFe) переходный, d - 108, d1 - 88,9 [Артикул: 67270]
Подробнее
67270

ВНИМАНИЕ! Товар временно недоступен для заказа!

Цель применения:

  • Для применения в промышленности
  • Возможно использование в кораблестроении

Характеристики:

  • Имеется прессовый индикатор;
  • В неопрессованном состоянии фитинг течёт.

В объём поставки включено:

  • Чёрное уплотнительное кольцо CIIR

Материал: CuNi10Fe1.6Mn, материал № 2.1972.11

Скачать инструкцию по монтажу: Система Geberit Mapress

d d1 d2 L L1 l l2 Z Z1 Z2
мм мм мм см см см см см см см
108 88.9 108 31 13.5 15.5 15.5 8 7.5 8
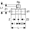
Тройник Geberit Mapress (CuNiFe) переходный (пресс/внутренняя резьба BSP/пресс), d - 15 [Артикул: 67344]
Подробнее
67344

ВНИМАНИЕ! Товар временно недоступен для заказа!

Цель применения:

  • Для применения в промышленности
  • Возможно использование в кораблестроении

Характеристики:

  • Имеется прессовый индикатор;
  • Тройник с внутренней резьбой;
  • В неопрессованном сотоянии фитинг течёт.

В объём поставки включено:

  • Чёрное уплотнительное кольцо CIIR

Материал: CuNi10Fe1.6Mn, материал № 2.1972.11

Скачать инструкцию по монтажу: Система Geberit Mapress

d Rp d1 L L1 l l2 Z Z1 Z2
мм " мм см см см см см см см
15 1/2 15 6.4 3.7 3.2 3.2 0.8 2.4 0.8
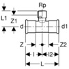
Тройник Geberit Mapress (CuNiFe) переходный (пресс/внутренняя резьба BSP/пресс), d - 22, Rp - 1/2" [Артикул: 67347]
Подробнее
67347

ВНИМАНИЕ! Товар временно недоступен для заказа!

Цель применения:

  • Для применения в промышленности
  • Возможно использование в кораблестроении

Характеристики:

  • Имеется прессовый индикатор;
  • Тройник с внутренней резьбой;
  • В неопрессованном состоянии фитинг течёт.

В объём поставки включено:

  • Чёрное уплотнительное кольцо CIIR

Материал: CuNi10Fe1.6Mn, материал № 2.1972.11

Скачать инструкцию по монтажу: Система Geberit Mapress

d Rp d1 L L1 l l2 Z Z1 Z2
мм " мм см см см см см см см
22 1/2 22 7.4 4.1 3.7 3.7 1.6 2.8 1.6
Тройник Geberit Mapress (CuNiFe) переходный (пресс/внутренняя резьба BSP/пресс), d - 22, Rp - 3/4" [Артикул: 67348]
Подробнее
67348

ВНИМАНИЕ! Товар временно недоступен для заказа!

Цель применения:

  • Для применения в промышленности
  • Возможно использование в кораблестроении

Характеристики:

  • Имеется прессовый индикатор;
  • Тройник с внутренней резьбой;
  • В неопрессованном состоянии фитинг течёт.

В объём поставки включено:

  • Чёрное уплотнительное кольцо CIIR

Материал: CuNi10Fe1.6Mn, материал № 2.1972.11

Скачать инструкцию по монтажу: Система Geberit Mapress

d Rp d1 L L1 l l2 Z Z1 Z2
мм " мм см см см см см см см
22 3/4 22 7.4 4.6 3.7 3.7 1.6 3.1 1.6
Тройник Geberit Mapress (CuNiFe) переходный (пресс/внутренняя резьба BSP/пресс), d - 28, Rp - 1/2" [Артикул: 67349]
Подробнее
67349

ВНИМАНИЕ! Товар временно недоступен для заказа!

Цель применения:

  • Для применения в промышленности
  • Возможно использование в кораблестроении

Характеристики:

  • Имеется прессовый индикатор;
  • Тройник с внутренней резьбой;
  • В неопрессованном состоянии фитинг течёт.

В объём поставки включено:

  • Чёрное уплотнительное кольцо CIIR

Материал: CuNi10Fe1.6Mn, материал № 2.1972.11

Скачать инструкцию по монтажу: Система Geberit Mapress

d Rp d1 L L1 l l2 Z Z1 Z2
мм " мм см см см см см см см
28 1/2 28 8.4 4.4 4.2 4.2 1.9 3.1 1.9
Тройник Geberit Mapress (CuNiFe) переходный (пресс/внутренняя резьба BSP/пресс), d - 28, Rp - 3/4" [Артикул: 67350]
Подробнее
67350

ВНИМАНИЕ! Товар временно недоступен для заказа!

Цель применения:

  • Для применения в промышленности
  • Возможно использование в кораблестроении

Характеристики:

  • Имеется прессовый индикатор;
  • Тройник с внутренней резьбой;
  • В неопрессованном состоянии фитинг течёт.

В объём поставки включено:

  • Чёрное уплотнительное кольцо CIIR

Материал: CuNi10Fe1.6Mn, материал № 2.1972.11

Скачать инструкцию по монтажу: Система Geberit Mapress

d Rp d1 L L1 l l2 Z Z1 Z2
мм " мм см см см см см см см
28 3/4 28 8.4 4.6 4.2 4.2 1.9 3.1 1.9
Тройник Geberit Mapress (CuNiFe) переходный (пресс/внутренняя резьба BSP/пресс), d - 35, Rp - 1/2" [Артикул: 67352]
Подробнее
67352

ВНИМАНИЕ! Товар временно недоступен для заказа!

Цель применения:

  • Для применения в промышленности
  • Возможно использование в кораблестроении

Характеристики:

  • Имеется прессовый индикатор;
  • Тройник с внутренней резьбой;
  • В неопрессованном состоянии фитинг течёт.

В объём поставки включено:

  • Чёрное уплотнительное кольцо CIIR

Материал: CuNi10Fe1.6Mn, материал № 2.1972.11

Скачать инструкцию по монтажу: Система Geberit Mapress

d Rp d1 L L1 l l2 Z Z1 Z2
мм " мм см см см см см см см
35 1/2 35 10 4.8 5 5 2.4 3.5 2.4
Тройник Geberit Mapress (CuNiFe) переходный (пресс/внутренняя резьба BSP/пресс), d - 35, Rp - 3/4" [Артикул: 67353]
Подробнее
67353

ВНИМАНИЕ! Товар временно недоступен для заказа!

Цель применения:

  • Для применения в промышленности
  • Возможно использование в кораблестроении

Характеристики:

  • Имеется прессовый индикатор;
  • Тройник с внутренней резьбой;
  • В неопрессованном состоянии фитинг течёт.

В объём поставки включено:

  • Чёрное уплотнительное кольцо CIIR

Материал: CuNi10Fe1.6Mn, материал № 2.1972.11

Скачать инструкцию по монтажу: Система Geberit Mapress

d Rp d1 L L1 l l2 Z Z1 Z2
мм " мм см см см см см см см
35 3/4 35 10 5.3 5 5 2.4 4 2.4
Тройник Geberit Mapress (CuNiFe) переходный (пресс/внутренняя резьба BSP/пресс), d - 42, Rp - 1/2" [Артикул: 67356]
Подробнее
67356

ВНИМАНИЕ! Товар временно недоступен для заказа!

Цель применения:

  • Для применения в промышленности
  • Возможно использование в кораблестроении

Характеристики:

  • Имеется прессовый индикатор;
  • Тройник с внутренней резьбой;
  • В неопрессованном состоянии фитинг течёт.

В объём поставки включено:

  • Чёрное уплотнительное кольцо CIIR

Материал: CuNi10Fe1.6Mn, материал № 2.1972.11

Скачать инструкцию по монтажу: Система Geberit Mapress

d Rp d1 L L1 l l2 Z Z1 Z2
мм " мм см см см см см см см
42 1/2 42 11.4 5.1 5.7 5.7 2.7 3.8 2.7
Тройник Geberit Mapress (CuNiFe) переходный (пресс/внутренняя резьба BSP/пресс), d - 42, Rp - 3/4" [Артикул: 67357]
Подробнее
67357

ВНИМАНИЕ! Товар временно недоступен для заказа!

Цель применения:

  • Для применения в промышленности
  • Возможно использование в кораблестроении

Характеристики:

  • Имеется прессовый индикатор;
  • Тройник с внутренней резьбой;
  • В неопрессованном состоянии фитинг течёт.

В объём поставки включено:

  • Чёрное уплотнительное кольцо CIIR

Материал: CuNi10Fe1.6Mn, материал № 2.1972.11

Скачать инструкцию по монтажу: Система Geberit Mapress

d Rp d1 L L1 l l2 Z Z1 Z2
мм " мм см см см см см см см
42 3/4 42 11.4 5.6 5.7 5.7 2.7 4.3 2.7
Тройник Geberit Mapress (CuNiFe) переходный (пресс/внутренняя резьба BSP/пресс), d - 54, Rp - 1/2" [Артикул: 67360]
Подробнее
67360

ВНИМАНИЕ! Товар временно недоступен для заказа!

Цель применения:

  • Для применения в промышленности
  • Возможно использование в кораблестроении

Характеристики:

  • Имеется прессовый индикатор;
  • Тройник с внутренней резьбой;
  • В неопрессованном состоянии фитинг течёт.

В объём поставки включено:

  • Чёрное уплотнительное кольцо CIIR

Материал: CuNi10Fe1.6Mn, материал № 2.1972.11

Скачать инструкцию по монтажу: Система Geberit Mapress

d Rp d1 L L1 l l2 Z Z1 Z2
мм " мм см см см см см см см
54 1/2 54 13.8 5.7 6.9 6.9 3.4 4.4 3.4
Тройник Geberit Mapress (CuNiFe) переходный (пресс/внутренняя резьба BSP/пресс), d - 54, Rp - 3/4" [Артикул: 67361]
Подробнее
67361

ВНИМАНИЕ! Товар временно недоступен для заказа!

Цель применения:

  • Для применения в промышленности
  • Возможно использование в кораблестроении

Характеристики:

  • Имеется прессовый индикатор;
  • Тройник с внутренней резьбой;
  • В неопрессованном состоянии фитинг течёт.

В объём поставки включено:

  • Чёрное уплотнительное кольцо CIIR

Материал: CuNi10Fe1.6Mn, материал № 2.1972.11

Скачать инструкцию по монтажу: Система Geberit Mapress

d Rp d1 L L1 l l2 Z Z1 Z2
мм " мм см см см см см см см
54 3/4 54 13.8 6.2 6.9 6.9 3.4 4.9 3.4

Смотрите также