Логотип
Ru| En

Офис: м. Бауманская

Склад: Ленинские Горки

Loading

Тройники Geberit Mapress из стали

Тройники Mapress, предназначенные для соединения между собой нескольких участков трубопровода систем водоснабжения и отопления, а также промышленных трубопроводов, изготавливаются из нержавеющей стали 1.4401 и нелегированной стали 1.0034 E 195. Для максимального удобства тройники оснащаются индикатором прессования, при этом в неопрессованном состоянии они дают течь. Тройники имеют угол поворота 90°. Общая длина тройников колеблется от 6,4 до 31 см, а их диаметр может быть от 15 до 108 мм. Также выпускаются переходные тройники и тройники с внутренней или наружной резьбой.

В данную группу товаров также входят тройники Mapress, изготовленные из специальной стали, лишённой силикона. Тройники Mapress, имеющие жёлтую маркировку, могут использоваться в системах подачи природного или сжиженного газа, при этом они сохраняют работоспособность при температурах -20 – +70 °C.

В комплект поставки входят специальные чёрные уплотнительные кольца (CIIR).

Фото Наименование Артикул Цена
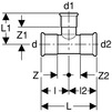
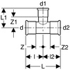
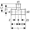
Переходник Geberit Mapres тройной, d - 88,9, d1 - 42, d2 - 88,9 [Артикул: 61289]
Подробнее
61289

ВНИМАНИЕ! Товар временно недоступен для заказа!

Цель применения:

  • Монтируется в системах отопления и водоснабжения
  • Для использования в промышленности

Характеристики:

  • В неопрессованном состоянии фитинг даёт течь (до d 54 мм);
  • Отвод меньшего диаметра;
  • Имеется индикатор прессования.

В объём поставки включено:

  • Уплотнительные кольца (CIIR черного цвета при d ≤ 54 мм; ЭПДМ при d > 54 мм)

Материал: Медь Cu-DHP CW024A (EN 1412)

Угол поворота: 90°

Скачать инструкцию по монтажу: Система Geberit Mapress

d d1 d2 L L1 l l2 Z Z1 Z2
мм мм мм см см см см см см см
88,9 42 88,9 26 8,7 13 13 7 5,7 7
Переходник Geberit Mapres тройной, d - 88,9, d1 - 54, d2 - 88,9 [Артикул: 61290]
Подробнее
61290

ВНИМАНИЕ! Товар временно недоступен для заказа!

Цель применения:

  • Монтируется в системах отопления и водоснабжения
  • Для использования в промышленности

Характеристики:

  • В неопрессованном состоянии фитинг даёт течь (до d 54 мм);
  • Отвод меньшего диаметра;
  • Имеется индикатор прессования.

В объём поставки включено:

  • Уплотнительные кольца (CIIR черного цвета при d ≤ 54 мм; ЭПДМ при d > 54 мм)

Материал: Медь Cu-DHP CW024A (EN 1412)

Угол поворота: 90°

Скачать инструкцию по монтажу: Система Geberit Mapress

d d1 d2 L L1 l l2 Z Z1 Z2
мм мм мм см см см см см см см
88,9 54 88,9 26 9,3 13 13 7 5,8 7
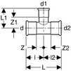
Переходник Geberit Mapres тройной, d - 88,9, d1 - 76,1, d2 - 88,9 [Артикул: 61292]
Подробнее
61292

ВНИМАНИЕ! Товар временно недоступен для заказа!

Цель применения:

  • Монтируется в системах отопления и водоснабжения
  • Для использования в промышленности

Характеристики:

  • В неопрессованном состоянии фитинг даёт течь (до d 54 мм);
  • Отвод меньшего диаметра;
  • Имеется индикатор прессования.

В объём поставки включено:

  • Уплотнительные кольца (CIIR черного цвета при d ≤ 54 мм; ЭПДМ при d > 54 мм)

Материал: Медь Cu-DHP CW024A (EN 1412)

Угол поворота: 90°

Скачать инструкцию по монтажу: Система Geberit Mapress

d d1 d2 L L1 l l2 Z Z1 Z2
мм мм мм см см см см см см см
88,9 76,1 88,9 26 11,4 13 13 7 6,1 7
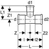
Переходник Geberit Mapres тройной, d - 108, d1 - 22, d2 - 108 [Артикул: 61293]
Подробнее
61293

ВНИМАНИЕ! Товар временно недоступен для заказа!

Цель применения:

  • Монтируется в системах отопления и водоснабжения
  • Для использования в промышленности

Характеристики:

  • В неопрессованном состоянии фитинг даёт течь (до d 54 мм);
  • Отвод меньшего диаметра;
  • Имеется индикатор прессования.

В объём поставки включено:

  • Уплотнительные кольца (CIIR черного цвета при d ≤ 54 мм; ЭПДМ при d > 54 мм)

Материал: Медь Cu-DHP CW024A (EN 1412)

Угол поворота: 90°

Скачать инструкцию по монтажу: Система Geberit Mapress

d d1 d2 L L1 l l2 Z Z1 Z2
мм мм мм см см см см см см см
108 22 108 31 8,6 15,5 15,5 8 6,5 8
Переходник Geberit Mapres тройной, d - 108, d1 - 54, d2 - 108 [Артикул: 61294]
Подробнее
61294

ВНИМАНИЕ! Товар временно недоступен для заказа!

Цель применения:

  • Монтируется в системах отопления и водоснабжения
  • Для использования в промышленности

Характеристики:

  • В неопрессованном состоянии фитинг даёт течь (до d 54 мм);
  • Отвод меньшего диаметра;
  • Имеется индикатор прессования.

В объём поставки включено:

  • Уплотнительные кольца (CIIR черного цвета при d ≤ 54 мм; ЭПДМ при d > 54 мм)

Материал: Медь Cu-DHP CW024A (EN 1412)

Угол поворота: 90°

Скачать инструкцию по монтажу: Система Geberit Mapress

d d1 d2 L L1 l l2 Z Z1 Z2
мм мм мм см см см см см см см
108 54 108 31 10,3 15,5 15,5 8 6,8 8
Переходник Geberit Mapres тройной, d - 108, d1 - 66,7, d2 - 108 [Артикул: 61295]
Подробнее
61295

ВНИМАНИЕ! Товар временно недоступен для заказа!

Цель применения:

  • Монтируется в системах отопления и водоснабжения
  • Для использования в промышленности

Характеристики:

  • В неопрессованном состоянии фитинг даёт течь (до d 54 мм);
  • Отвод меньшего диаметра;
  • Имеется индикатор прессования.

В объём поставки включено:

  • Уплотнительные кольца (CIIR черного цвета при d ≤ 54 мм; ЭПДМ при d > 54 мм)

Материал: Медь Cu-DHP CW024A (EN 1412)

Угол поворота: 90°

Скачать инструкцию по монтажу: Система Geberit Mapress

d d1 d2 L L1 l l2 Z Z1 Z2
мм мм мм см см см см см см см
108 66,7 108 31 12,4 15,5 15,5 8 7,4 8
Переходник Geberit Mapres тройной, d - 108, d1 - 76,1, d2 - 108 [Артикул: 61296]
Подробнее
61296

ВНИМАНИЕ! Товар временно недоступен для заказа!

Цель применения:

  • Монтируется в системах отопления и водоснабжения
  • Для использования в промышленности

Характеристики:

  • В неопрессованном состоянии фитинг даёт течь (до d 54 мм);
  • Отвод меньшего диаметра;
  • Имеется индикатор прессования.

В объём поставки включено:

  • Уплотнительные кольца (CIIR черного цвета при d ≤ 54 мм; ЭПДМ при d > 54 мм)

Материал: Медь Cu-DHP CW024A (EN 1412)

Угол поворота: 90°

Скачать инструкцию по монтажу: Система Geberit Mapress

d d1 d2 L L1 l l2 Z Z1 Z2
мм мм мм см см см см см см см
108 76,1 108 31 12,4 15,5 15,5 8 7,1 8
Переходник Geberit Mapres тройной, d - 108, d1 - 88,9, d2 - 108 [Артикул: 61297]
Подробнее
61297

ВНИМАНИЕ! Товар временно недоступен для заказа!

Цель применения:

  • Монтируется в системах отопления и водоснабжения
  • Для использования в промышленности

Характеристики:

  • В неопрессованном состоянии фитинг даёт течь (до d 54 мм);
  • Отвод меньшего диаметра;
  • Имеется индикатор прессования.

В объём поставки включено:

  • Уплотнительные кольца (CIIR черного цвета при d ≤ 54 мм; ЭПДМ при d > 54 мм)

Материал: Медь Cu-DHP CW024A (EN 1412)

Угол поворота: 90°

Скачать инструкцию по монтажу: Система Geberit Mapress

d d1 d2 L L1 l l2 Z Z1 Z2
мм мм мм см см см см см см см
108 88,9 108 31 13,5 15,5 15,5 8 7,5 8
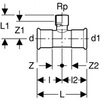
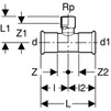
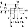
Тройник Geberit Mapress с гайкой с внутренней резьбой, d - 12, Rp - 1/2", d1 - 12 [Артикул: 61352 (G)]
Подробнее
61352 (G)

ВНИМАНИЕ! Товар временно недоступен для заказа!

Цель применения:

  • Монтируется в системах отопления и водоснабжения
  • Для использования в промышленности

Характеристики:

  • В неопрессованном состоянии фитинг даёт течь;
  • Имеется индикатор прессования;
  • Имеется внутренняя резьба.

В объём поставки включено:

  • Чёрные уплотнительные кольца (CIIR)

Материал: Красная латунь (CuSn5Zn5Pb2-C)

Угол поворота: 90°

Скачать инструкцию по монтажу: Система Geberit Mapress

d Rp d1 L L1 l l2 Z Z1 Z2
мм '' мм см см см см см см см
12 1/2 12 6,8 2,4 3,4 3,4 1,7 1,1 1,7
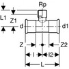
Тройник Geberit Mapress с гайкой с внутренней резьбой, Rp - 1/2", d - 15, d1 - 15 [Артикул: 61354]
Подробнее
61354

ВНИМАНИЕ! Товар временно недоступен для заказа!

Цель применения:

  • Монтируется в системах отопления и водоснабжения
  • Для использования в промышленности

Характеристики:

  • В неопрессованном состоянии фитинг даёт течь;
  • Имеется индикатор прессования;
  • Имеется внутренняя резьба.

В объём поставки включено:

  • Чёрные уплотнительные кольца (CIIR)

Материал: Красная латунь (CuSn5Zn5Pb2-C)

Угол поворота: 90°

Скачать инструкцию по монтажу: Система Geberit Mapress

d Rp d1 L L1 l l2 Z Z1 Z2
мм '' мм см см см см см см см
15 1/2 15 6,8 2,6 3,4 3,4 1,4 1,3 1,4
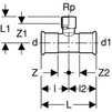
Тройник Geberit Mapress с гайкой с внутренней резьбой, Rp - 1/2", d - 18, d1 - 18 [Артикул: 61355]
Подробнее
61355

ВНИМАНИЕ! Товар временно недоступен для заказа!

Цель применения:

  • Монтируется в системах отопления и водоснабжения
  • Для использования в промышленности

Характеристики:

  • В неопрессованном состоянии фитинг даёт течь;
  • Имеется индикатор прессования;
  • Имеется внутренняя резьба.

В объём поставки включено:

  • Чёрные уплотнительные кольца (CIIR)

Материал: Красная латунь (CuSn5Zn5Pb2-C)

Угол поворота: 90°

Скачать инструкцию по монтажу: Система Geberit Mapress

d Rp d1 L L1 l l2 Z Z1 Z2
мм '' мм см см см см см см см
18 1/2 18 8,2 2,4 4,1 4,1 2,1 1,1 2,1
Тройник Geberit Mapress с гайкой с внутренней резьбой, Rp - 1/2", d - 22, d1 - 22 [Артикул: 61357]
Подробнее
61357

ВНИМАНИЕ! Товар временно недоступен для заказа!

Цель применения:

  • Монтируется в системах отопления и водоснабжения
  • Для использования в промышленности

Характеристики:

  • В неопрессованном состоянии фитинг даёт течь;
  • Имеется индикатор прессования;
  • Имеется внутренняя резьба.

В объём поставки включено:

  • Чёрные уплотнительные кольца (CIIR)

Материал: Красная латунь (CuSn5Zn5Pb2-C)

Угол поворота: 90°

Скачать инструкцию по монтажу: Система Geberit Mapress

d Rp d1 L L1 l l2 Z Z1 Z2
мм '' мм см см см см см см см
22 1/2 22 8,4 2,6 4,2 4,2 2,1 1,3 2,1
Тройник Geberit Mapress с гайкой с внутренней резьбой, Rp - 1/2", d - 28, d1 - 28 [Артикул: 61359]
Подробнее
61359

ВНИМАНИЕ! Товар временно недоступен для заказа!

Цель применения:

  • Монтируется в системах отопления и водоснабжения
  • Для использования в промышленности

Характеристики:

  • В неопрессованном состоянии фитинг даёт течь;
  • Имеется индикатор прессования;
  • Имеется внутренняя резьба.

В объём поставки включено:

  • Чёрные уплотнительные кольца (CIIR)

Материал: Красная латунь (CuSn5Zn5Pb2-C)

Угол поворота: 90°

Скачать инструкцию по монтажу: Система Geberit Mapress

d Rp d1 L L1 l l2 Z Z1 Z2
мм '' мм см см см см см см см
28 1/2 28 8,8 2,9 4,4 4,4 2,1 1,6 2,1
Тройник Geberit Mapress с гайкой с внутренней резьбой, Rp - 3/4", d - 28, d1 - 28 [Артикул: 61360]
Подробнее
61360

ВНИМАНИЕ! Товар временно недоступен для заказа!

Цель применения:

  • Монтируется в системах отопления и водоснабжения
  • Для использования в промышленности

Характеристики:

  • В неопрессованном состоянии фитинг даёт течь;
  • Имеется индикатор прессования;
  • Имеется внутренняя резьба.

В объём поставки включено:

  • Чёрные уплотнительные кольца (CIIR)

Материал: Красная латунь (CuSn5Zn5Pb2-C)

Угол поворота: 90°

Скачать инструкцию по монтажу: Система Geberit Mapress

d Rp d1 L L1 l l2 Z Z1 Z2
мм '' мм см см см см см см см
28 3/4 28 8,4 3,5 4,2 4,2 1,9 2 1,9
Тройник Geberit Mapress с гайкой с внутренней резьбой, Rp - 1/2", d - 35, d1 - 35 [Артикул: 61362]
Подробнее
61362

ВНИМАНИЕ! Товар временно недоступен для заказа!

Цель применения:

  • Монтируется в системах отопления и водоснабжения
  • Для использования в промышленности

Характеристики:

  • В неопрессованном состоянии фитинг даёт течь;
  • Имеется индикатор прессования;
  • Имеется внутренняя резьба.

В объём поставки включено:

  • Чёрные уплотнительные кольца (CIIR)

Материал: Красная латунь (CuSn5Zn5Pb2-C)

Угол поворота: 90°

Скачать инструкцию по монтажу: Система Geberit Mapress

d Rp d1 L L1 l l2 Z Z1 Z2
мм '' мм см см см см см см см
35 1/2 35 10 3,5 5 5 2,4 2,2 2,4
Тройник Geberit Mapress с гайкой с внутренней резьбой, Rp - 1/2", d - 42, d1 - 42 [Артикул: 61366]
Подробнее
61366

ВНИМАНИЕ! Товар временно недоступен для заказа!

Цель применения:

  • Монтируется в системах отопления и водоснабжения
  • Для использования в промышленности

Характеристики:

  • В неопрессованном состоянии фитинг даёт течь;
  • Имеется индикатор прессования;
  • Имеется внутренняя резьба.

В объём поставки включено:

  • Чёрные уплотнительные кольца (CIIR)

Материал: Красная латунь (CuSn5Zn5Pb2-C)

Угол поворота: 90°

Скачать инструкцию по монтажу: Система Geberit Mapress

d Rp d1 L L1 l l2 Z Z1 Z2
мм '' мм см см см см см см см
42 1/2 42 11,4 3,8 5,7 5,7 2,7 2,5 2,7
Тройник Geberit Mapress с гайкой с внутренней резьбой, Rp - 1/2", d - 54, d1 - 54 [Артикул: 61370]
Подробнее
61370

ВНИМАНИЕ! Товар временно недоступен для заказа!

Цель применения:

  • Монтируется в системах отопления и водоснабжения
  • Для использования в промышленности

Характеристики:

  • В неопрессованном состоянии фитинг даёт течь;
  • Имеется индикатор прессования;
  • Имеется внутренняя резьба.

В объём поставки включено:

  • Чёрные уплотнительные кольца (CIIR)

Материал: Красная латунь (CuSn5Zn5Pb2-C)

Угол поворота: 90°

Скачать инструкцию по монтажу: Система Geberit Mapress

d Rp d1 L L1 l l2 Z Z1 Z2
мм '' мм см см см см см см см
54 1/2 54 13,8 4,4 6,9 6,9 3,4 3,1 3,4
Тройник Geberit Mapress с гайкой с внутренней резьбой, Rp - 3/4", d - 22, d1 - 22 [Артикул: 61395]
Подробнее
61395

ВНИМАНИЕ! Товар временно недоступен для заказа!

Цель применения:

  • Монтируется в системах отопления и водоснабжения
  • Для использования в промышленности

Характеристики:

  • В неопрессованном состоянии фитинг даёт течь;
  • Имеется индикатор прессования;
  • Имеется внутренняя резьба.

В объём поставки включено:

  • Чёрные уплотнительные кольца (CIIR)

Материал: Красная латунь (CuSn5Zn5Pb2-C)

Угол поворота: 90°

Скачать инструкцию по монтажу: Система Geberit Mapress

d Rp d1 L L1 l l2 Z Z1 Z2
мм '' мм см см см см см см см
22 3/4 22 9 2,7 4,5 4,5 2,4 1,2 2,4
Тройник Geberit Mapress (CuNiFe) переходный, d - 22 [Артикул: 67206]
Подробнее
67206

ВНИМАНИЕ! Товар временно недоступен для заказа!

Цель применения:

  • Для применения в промышленности
  • Возможно использование в кораблестроении

Характеристики:

  • Имеется прессовый индикатор;
  • В неопрессованном состоянии фитинг течёт.

В объём поставки включено:

  • Чёрное уплотнительное кольцо CIIR

Материал: CuNi10Fe1.6Mn, материал № 2.1972.11

Скачать инструкцию по монтажу: Система Geberit Mapress

d d1 d2 L L1 l l2 Z Z1 Z2
мм мм мм см см см см см см см
22 15 22 7.4 4.4 3.7 3.7 1.6 2.4 1.6
Тройник Geberit Mapress (CuNiFe) переходный, d - 28, d1 - 15 [Артикул: 67209]
Подробнее
67209

ВНИМАНИЕ! Товар временно недоступен для заказа!

Цель применения:

  • Для применения в промышленности
  • Возможно использование в кораблестроении

Характеристики:

  • Имеется прессовый индикатор;
  • В неопрессованном состоянии фитинг течёт.

В объём поставки включено:

  • Чёрное уплотнительное кольцо CIIR

Материал: CuNi10Fe1.6Mn, материал № 2.1972.11

Скачать инструкцию по монтажу: Система Geberit Mapress

d d1 d2 L L1 l l2 Z Z1 Z2
мм мм мм см см см см см см см
28 15 28 8.4 4.7 4.2 4.2 1.9 2.7 1.9

Смотрите также