Logo
Ru| En

Office: M. Baumanskaya

Warehouse: Leninsky urban district

Loading

Flanges of Wavin PVC-U pressure system

Flanges are used for Wavin PVC-U pressure system, and they are connected pipe to pipe or pipe to flange fitting.

The group of products includes:

  • Flanges assembly;
  • Flange adapters;
  • One-peace flanges with adapter;
  • Flange end caps;
  • Flanges made of PVC-U.
Photo Наименование Article Цена
Wavin PVC Pressure Pipe systems Flange, PVC-U, d - 315 [Code number: 20170034]
Details
20170034

ATTENTION! This product is temporarily unavailable for order!

d1 d2 d3 Z N x D DN
mm mm mm mm   mm
345 400 445 36 12x22 315
Wavin PVC Pressure Pipe systems Flange, PVC-U, d - 355 [Code number: 20174034]
Details
20174034

ATTENTION! This product is temporarily unavailable for order!

d1 d2 d3 Z N x D DN
mm mm mm mm   mm
388 460 505 38 16x22 355
Wavin PVC Pressure Pipe systems Flange, PVC-U, d - 400 [Code number: 20176034]
Details
20176034

ATTENTION! This product is temporarily unavailable for order!

d1 d2 d3 Z N x D DN
mm mm mm mm   mm
442 515 565 42 16x26 400
Wavin PVC Pressure Pipe systems Flange adapter, PVC-U, d 72 [Code number: 20126044]
Details
20126044

ATTENTION! This product is temporarily unavailable for order!

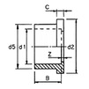
d1 d2 Z B C d5
mm mm mm mm mm mm
50 72 3 31 8 61
Wavin PVC Pressure Pipe systems Flange adapter, PVC-U, d 90 [Code number: 20134044]
Details
20134044

ATTENTION! This product is temporarily unavailable for order!

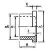
d1 d2 Z B C d5
mm mm mm mm mm mm
63 90 3 38 9 77
Wavin PVC Pressure Pipe systems Flange adapter, PVC-U, d 106 (75) [Code number: 20135044]
Details
20135044

ATTENTION! This product is temporarily unavailable for order!

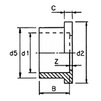
d1 d2 Z B C d5
mm mm mm mm mm mm
63 106 (75) 12 38 10 77
Wavin PVC Pressure Pipe systems Flange adapter, PVC-U, d 106 [Code number: 20137044]
Details
20137044

ATTENTION! This product is temporarily unavailable for order!

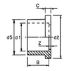
d1 d2 Z B C d5
mm mm mm mm mm mm
75 106 3 44 10 91
Wavin PVC Pressure Pipe systems Flange adapter, PVC-U, d 125 [Code number: 20140044]
Details
20140044

ATTENTION! This product is temporarily unavailable for order!

d1 d2 Z B C d5
mm mm mm mm mm mm
90 125 5 51 11 108
Wavin PVC Pressure Pipe systems Flange adapter, PVC-U, d 150 [Code number: 20146044]
Details
20146044

ATTENTION! This product is temporarily unavailable for order!

d1 d2 Z B C d5
mm mm mm mm mm mm
110 150 5 61 12 131
Wavin PVC Pressure Pipe systems Flange adapter, PVC-U, d 212 [Code number: 20156044]
Details
20156044

ATTENTION! This product is temporarily unavailable for order!

d1 d2 Z B C d5
mm mm mm mm mm mm
160 212 5 86 18 188
Wavin PVC Pressure Pipe systems Flange adapter, PVC-U, d 248 [Code number: 20160044]
Details
20160044

ATTENTION! This product is temporarily unavailable for order!

d1 d2 Z B C d5
mm mm mm mm mm mm
200 248 7 106 19 232
Wavin PVC Pressure Pipe systems Flange adapter, PVC-U, d 273 (225) [Code number: 20161044]
Details
20161044

ATTENTION! This product is temporarily unavailable for order!

d1 d2 Z B C d5
mm mm mm mm mm mm
200 273 (225) 34 106 22 228
Wavin PVC Pressure Pipe systems Flange adapter, PVC-U, d 273 [Code number: 20162044]
Details
20162044

ATTENTION! This product is temporarily unavailable for order!

d1 d2 Z B C d5
mm mm mm mm mm mm
225 273 7 119 23 248
Wavin PVC Pressure Pipe systems Flange adapter, PVC-U, d 303 [Code number: 20164044]
Details
20164044

ATTENTION! This product is temporarily unavailable for order!

d1 d2 Z B C d5
mm mm mm mm mm mm
250 303 9 131 23 274
Wavin PVC Pressure Pipe systems Flange adapter, PVC-U, d 328 (280) [Code number: 20165044]
Details
20165044

ATTENTION! This product is temporarily unavailable for order!

d1 d2 Z B C d5
mm mm mm mm mm mm
250 328 (280) 35 131 25 280
Wavin PVC Pressure Pipe systems Flange adapter, PVC-U, d 328 [Code number: 20166044]
Details
20166044

ATTENTION! This product is temporarily unavailable for order!

d1 d2 Z B C d5
mm mm mm mm mm mm
280 328 9 146 26 306
Wavin PVC Pressure Pipe systems Flange adapter, PVC-U, d 378 [Code number: 20170044]
Details
20170044

ATTENTION! This product is temporarily unavailable for order!

d1 d2 Z B C d5
mm mm mm mm mm mm
315 378 10 164 31 342
Wavin PVC Pressure Pipe systems Flange adapter, PVC-U, d 430 [Code number: 20174044]
Details
20174044

ATTENTION! This product is temporarily unavailable for order!

d1 d2 Z B C d5
mm mm mm mm mm mm
355 430 10 184 32 384
Wavin PVC Pressure Pipe systems Flange adapter, PVC-U, d 482 [Code number: 20176044]
Details
20176044

ATTENTION! This product is temporarily unavailable for order!

d1 d2 Z B C d5
mm mm mm mm mm mm
400 482 10 206 34 438
Wavin PVC Pressure Pipe systems One-peace flange with adapter, PVC-U, d - 75 [Code number: 20137054]
Details
20137054

ATTENTION! This product is temporarily unavailable for order!

d1 d2 d3 d4 N x D
mm mm mm mm  
75 144 106 185 4х19

See also