Logo
Ru| En

Office: M. Baumanskaya

Warehouse: Leninsky urban district

Loading

Wavin Quick Stream access pipes made of polyethylene

Wavin Quick Stream access pipes are made of high density polyethylene, they are used for periodic inspections of rainwater system. The access pipe allows to control the condition of pipeline and performs to clean of system if necessary.

The access pipes have the following advantages:

  • High impact resistance;
  • Durability;
  • Resistance to UV light;
  • Resistance to chemically aggressive effluents.
Photo Наименование Article Цена
Wavin QuickStream access pipe 90°, d - 40*40 (on request) [Code number: 26523207]
Details
26523207

ATTENTION! This product is temporarily unavailable for order!

Application purposes:

  • For installation of roof drainage systems

Description

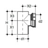
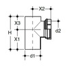
Wavin QuickStream access pipe is suitable for installation of roof drainage systems. The access pipe is resistant to ultraviolet light. You can see the appearance of access pipe and its dimensions in the photo and draft.

The access pipe is a pipe with a special hole for inspection of the pipeline and cleaning it if necessary.

Technical characteristics

Material: High density polyethylene (PE)

Color: black.

d1/d2 X1 X2 X3 H
mm mm mm mm mm
40/40 75 70 50 125
Wavin QuickStream access pipe 90°, d - 50*50 [Code number: 3003732 / 26526207]
Details
3003732

ATTENTION! This product is temporarily unavailable for order!

Application purposes:

  • For installation of roof drainage systems

Description

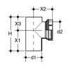
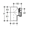
Wavin QuickStream access pipe is suitable for installation of roof drainage systems. The access pipe is resistant to ultraviolet light. You can see the appearance of access pipe and its dimensions in the photo and draft.

The access pipe is a pipe with a special hole for inspection of the pipeline and cleaning it if necessary.

Technical characteristics

Material: High density polyethylene (PE)

Color: black.

d1/d2 X1 X2 X3 H
mm mm mm mm mm
50/50 90 85 60 150
Wavin QuickStream access pipe 90°, d - 63*63 [Code number: 3003734 / 26534207]
Details
3003734

ATTENTION! This product is temporarily unavailable for order!

Application purposes:

  • For installation of roof drainage systems

Description

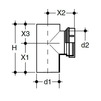
Wavin QuickStream access pipe is suitable for installation of roof drainage systems. The access pipe is resistant to ultraviolet light. You can see the appearance of access pipe and its dimensions in the photo and draft.

The access pipe is a pipe with a special hole for inspection of the pipeline and cleaning it if necessary.

Technical characteristics

Material: High density polyethylene (PE)

Color: black.

d1/d2 X1 X2 X3 H
mm mm mm mm mm
63/63 105 80 70 175
Wavin QuickStream access pipe 90°, d - 75*75 [Code number: 3003736 / 26537207]
Details
3003736

ATTENTION! This product is temporarily unavailable for order!

Application purposes:

  • For installation of roof drainage systems

Description

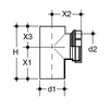
Wavin QuickStream access pipe is suitable for installation of roof drainage systems. The access pipe is resistant to ultraviolet light. You can see the appearance of access pipe and its dimensions in the photo and draft.

The access pipe is a pipe with a special hole for inspection of the pipeline and cleaning it if necessary.

Technical characteristics

Material: High density polyethylene (PE)

Color: black.

d1/d2 X1 X2 X3 H
mm mm mm mm mm
75/75 105 90 70 175
Wavin QuickStream access pipe 90°, d - 90*90 [Code number: 3003738 / 26540207]
Details
3003738

ATTENTION! This product is temporarily unavailable for order!

Application purposes:

  • For installation of roof drainage systems

Description

Wavin QuickStream access pipe is suitable for installation of roof drainage systems. The access pipe is resistant to ultraviolet light. You can see the appearance of access pipe and its dimensions in the photo and draft.

The access pipe is a pipe with a special hole for inspection of the pipeline and cleaning it if necessary.

Technical characteristics

Material: High density polyethylene (PE)

Color: black.

d1/d2 X1 X2 X3 H
mm mm mm mm mm
90/90 120 100 80 200
Wavin QuickStream access pipe 90°, d - 110*110 [Code number: 3003740 / 26546207]
Details
3003740

ATTENTION! This product is temporarily unavailable for order!

Application purposes:

  • For installation of roof drainage systems

Description

Wavin QuickStream access pipe is suitable for installation of roof drainage systems. The access pipe is resistant to ultraviolet light. You can see the appearance of access pipe and its dimensions in the photo and draft.

The access pipe is a pipe with a special hole for inspection of the pipeline and cleaning it if necessary.

Technical characteristics

Material: High density polyethylene (PE)

Color: black.

d1/d2 X1 X2 X3 H
mm mm mm mm mm
110/110 135 125 90 225
Wavin QuickStream access pipe 90°, d - 200*110 [Code number: 3003745 / 26560207]
Details
3003745

ATTENTION! This product is temporarily unavailable for order!

Application purposes:

  • For installation of roof drainage systems

Description

Wavin QuickStream access pipe is suitable for installation of roof drainage systems. The access pipe is resistant to ultraviolet light. You can see the appearance of access pipe and its dimensions in the photo and draft.

The access pipe is a pipe with a special hole for inspection of the pipeline and cleaning it if necessary.

Technical characteristics

Material: High density polyethylene (PE)

Color: black.

d1/d2 X1 X2 X3 H
mm mm mm mm mm
200/110 180 170 180 360
Wavin QuickStream access pipe 90°, d - 250*110 [Code number: 3003746 / 26564207]
Details
3003746

ATTENTION! This product is temporarily unavailable for order!

Application purposes:

  • For installation of roof drainage systems

Description

Wavin QuickStream access pipe is suitable for installation of roof drainage systems. The access pipe is resistant to ultraviolet light. You can see the appearance of access pipe and its dimensions in the photo and draft.

The access pipe is a pipe with a special hole for inspection of the pipeline and cleaning it if necessary.

Technical characteristics

Material: High density polyethylene (PE)

Color: black.

d1/d2 X1 X2 X3 H
mm mm mm mm mm
250/110 220 190 220 440
Wavin QuickStream access pipe 90°, d - 315*110 [Code number: 3003747 / 26570207]
Details
3003747

ATTENTION! This product is temporarily unavailable for order!

Application purposes:

  • For installation of roof drainage systems

Description

Wavin QuickStream access pipe is suitable for installation of roof drainage systems. The access pipe is resistant to ultraviolet light. You can see the appearance of access pipe and its dimensions in the photo and draft.

The access pipe is a pipe with a special hole for inspection of the pipeline and cleaning it if necessary.

Technical characteristics

Material: High density polyethylene (PE)

Color: black.

d1/d2 X1 X2 X3 H
mm mm mm mm mm
315/110 280 210 280 560
Wavin QuickStream access pipe 90°, d - 125*110 [Code number: 3018815 / 26548207]
Details
3018815

ATTENTION! This product is temporarily unavailable for order!

Application purposes:

  • For installation of roof drainage systems

Description

Wavin QuickStream access pipe is suitable for installation of roof drainage systems. The access pipe is resistant to ultraviolet light. You can see the appearance of access pipe and its dimensions in the photo and draft.

The access pipe is a pipe with a special hole for inspection of the pipeline and cleaning it if necessary.

Technical characteristics

Material: High density polyethylene (PE)

Color: black.

d1/d2 X1 X2 X3 H
mm mm mm mm mm
125/110 150 130 100 250
Wavin QuickStream access pipe 90°, d - 56x50 [Code number: 3043476]
Details
3043476

ATTENTION! This product is temporarily unavailable for order!

Application purposes:

  • To drain rainwater and melt water

Material: high density polyethylene

Application purposes:

  • Savings at the expense less roof outlets
  • Mounting without tilting horizontal collector
  • Low weight
  • No air enters through the funnels
d1 d2 x1 x2 x3 H
mm mm mm mm mm mm
56 50 105 70 70 175
Wavin QuickStream access pipe 90°, d - 160*110 [Code number: 3070631 / 26556207]
Details
3070631

ATTENTION! This product is temporarily unavailable for order!

Application purposes:

  • For installation of roof drainage systems

Description

Wavin QuickStream access pipe is suitable for installation of roof drainage systems. The access pipe is resistant to ultraviolet light. You can see the appearance of access pipe and its dimensions in the photo and draft.

The access pipe is a pipe with a special hole for inspection of the pipeline and cleaning it if necessary.

Technical characteristics

Material: High density polyethylene (PE)

Color: black.

d1/d2 X1 X2 X3 H
mm mm mm mm mm
160/110 210 150 140 350

See also