Logo
Ru| En

Office: M. Baumanskaya

Warehouse: Lenin Hills

Loading

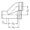
REHAU RAUPIANO PLUS Parallel branch, d - 110-110 [Code number: 11205641003 / 120 564 003]

Article: 11205641003
Цена: 8 316 rub

Application:

  • For sewer systems
  • For polymer pipes

Material: polypropylene RAU-PP (reinforced with minerals).

Colour: RAL 9003 white.

The fitting is equipped with rubber seals.

DN z1 z2 z3 z4 Weight
mm mm mm mm mm kg/pc
110/110 25 134 149 118 0,875