Logo
Ru| En

Office: M. Baumanskaya

Warehouse: Lenin Hills

Loading

Geberit Mapress T-pieces of steel

Geberit Mapress T-pieces are used for connection several sections of pipeline of water supply, heating system and industrial pipeline. They are made of stainless steel 1.4401 and non-alloy steel 1.0034 E 195. For maximum convenience the T-pieces are equipped with pressing indicator, and they leak if they are unpressed. The T-pieces have rotation angle of 90°. Length of the T-pieces ranges from 6.4 to 31 cm, and their diameter can range from 15 to 108 mm. Also the Geberit Company produces reduced T-pieces and T-pieces with female or male thread.

The group of products includes Mapress T-pieces made of steel without silicone. Mapress T-pieces with yellow marking can be used for gas installations with natural gases and liquefied gases, they are working at temperatures of -20 - +70 °C.

The kit includes a special black O-ring (CIIR).

Photo Наименование Article Цена
Geberit Mapress Carbon Steel T-piece with female thread, d 54, L1 7,9 [Code number: 21324]
Details
21324 (G)

ATTENTION! This product is temporarily unavailable for order!

Application purpose:

  • For heating installations
  • For air-conditioning applications
  • For sprinkler systems (wet)
  • Not suitable for drinking water

Characteristics:

  • With pressing indicator
  • Leaky if unpressed
  • Galvanized
  • Female thread

Scope of delivery:

  • Seal rings CIIR black

Material: Non-alloy steel 1.0034 E 195 (DIN EN 10305)

Download the installation instructions: Geberit Mapress system

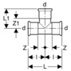
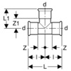
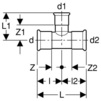
d Rp d1 L L1 l l2 Z Z1 Z2
mm '' mm cm cm cm cm cm cm cm
54 2 54 13,8 7,9 6,9 6,9 3,4 5,6 3,4
Geberit Mapress Carbon Steel T-piece, reduced, zinc-plated, with female thread, d66,7, Rp 3/4" [Code number: 21325]
Details
21325

ATTENTION! This product is temporarily unavailable for order!

Application purpose:

  • For heating installations
  • For air-conditioning applications
  • For sprinkler systems (wet)
  • Not suitable for drinking water

Characteristics:

  • With pressing indicator
  • Leaky if unpressed
  • Galvanized
  • Female thread

Scope of delivery:

  • Seal rings CIIR black

Material: Non-alloy steel 1.0034 E 195 (DIN EN 10305)

Download the installation instructions: Geberit Mapress system

 

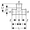
d Rp d1 L L1 l l2 Z Z1 Z2
mm   mm cm cm cm cm cm cm cm
66.7 3/4" 66.7 22 6.4 11 11 6 4.9 6
Geberit Mapress Carbon Steel T-piece with female thread, d76,1, L1 7,9 [Code number: 21326]
Details
21326

ATTENTION! This product is temporarily unavailable for order!

Application purpose:

  • For heating installations
  • For air-conditioning applications
  • For sprinkler systems (wet)
  • Not suitable for drinking water

Characteristics:

  • With pressing indicator
  • Leaky if unpressed
  • PWIS-free
  • Galvanized
  • Female thread

Scope of delivery:

  • Seal rings CIIR black

Material: Non-alloy steel 1.0034 E 195 (DIN EN 10305)

Download the installation instructions: Geberit Mapress system

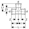
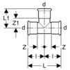
d Rp d1 L L1 l l2 Z Z1 Z2
mm '' mm cm cm cm cm cm cm cm
76,1 3/4 76,1 23 7,9 11,5 11,5 6,2 6,4 6,2
Geberit Mapress Carbon Steel T-piece with female thread, d76,1, L1 8,9 [Code number: 21329]
Details
21329

ATTENTION! This product is temporarily unavailable for order!

Application purpose:

  • For heating installations
  • For air-conditioning applications
  • For sprinkler systems (wet)
  • Not suitable for drinking water

Characteristics:

  • With pressing indicator
  • Leaky if unpressed
  • Galvanized
  • Female thread

Scope of delivery:

  • Seal rings CIIR black

Material: Non-alloy steel 1.0034 E 195 (DIN EN 10305)

Download the installation instructions: Geberit Mapress system

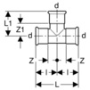
d Rp d1 L L1 l l2 Z Z1 Z2
mm '' mm cm cm cm cm cm cm cm
76,1 2 76,1 23 8,9 11,5 11,5 6,2 6,6 6,2
Geberit Mapress Carbon Steel T-piece with female thread, d88,9, L1 8,8 [Code number: 21331]
Details
21331

ATTENTION! This product is temporarily unavailable for order!

Application purpose:

  • For heating installations
  • For air-conditioning applications
  • For sprinkler systems (wet)
  • Not suitable for drinking water

Characteristics:

  • With pressing indicator
  • Leaky if unpressed
  • PWIS-free
  • Galvanized
  • Female thread

Scope of delivery:

  • Seal rings CIIR black

Material: Non-alloy steel 1.0034 E 195 (DIN EN 10305)

Download the installation instructions: Geberit Mapress system

d Rp d1 L L1 l l2 Z Z1 Z2
mm '' mm cm cm cm cm cm cm cm
88,9 3/4 88,9 26 8,8 13 13 7 7,3 7
Geberit Mapress Carbon Steel T-piece with female thread, d88,9, L1 9,6 [Code number: 21334]
Details
21334

ATTENTION! This product is temporarily unavailable for order!

Application purpose:

  • For heating installations
  • For air-conditioning applications
  • For sprinkler systems (wet)
  • Not suitable for drinking water

Characteristics:

  • With pressing indicator
  • Leaky if unpressed
  • Galvanized
  • Female thread

Scope of delivery:

  • Seal rings CIIR black

Material: Non-alloy steel 1.0034 E 195 (DIN EN 10305)

Download the installation instructions: Geberit Mapress system

d Rp d1 L L1 l l2 Z Z1 Z2
mm '' mm cm cm cm cm cm cm cm
88,9 2 88,9 26 9,6 13 13 7 7,3 7
Geberit Mapress Carbon Steel T-piece with female thread, d108 [Code number: 21336]
Details
21336

ATTENTION! This product is temporarily unavailable for order!

Application purpose:

  • For heating installations
  • For air-conditioning applications
  • For sprinkler systems (wet)
  • Not suitable for drinking water

Characteristics:

  • With pressing indicator
  • Leaky if unpressed
  • PWIS-free
  • Galvanized
  • Female thread

Scope of delivery:

  • Seal rings CIIR black

Material: Non-alloy steel 1.0034 E 195 (DIN EN 10305)

Download the installation instructions: Geberit Mapress system

d Rp d1 L L1 l l2 Z Z1 Z2
mm '' mm cm cm cm cm cm cm cm
108 3/4 108 31 10,5 15,5 15,5 8 9 8
Geberit Mapress Stainless Steel T-piece, equal, d 15, L 6,4, L1 3,9 [Code number: 31002]
Details
31002

ATTENTION! This product is temporarily unavailable for order!

Application purposes:

  • For drinking water and industrial applications
  • For heating installations

Characteristics:

  • Pressing indicator
  • Leaky if unpressed
  • Seal ring made of CIIR, black
  • Pressing socket with transparent protection plug

Material: CrNiMo steel 1.4401 (EN 10088)

Angle: 90°

Download the installation instructions: Geberit Mapress system

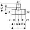
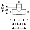
d L L1 l Z Z1
mm cm cm cm cm cm
15 6,4 3,9 3,2 1,2 1,9
Geberit Mapress Stainless Steel T-piece, equal, d 18, L 6,8, L1 4,1 [Code number: 31003]
Details
31003

ATTENTION! This product is temporarily unavailable for order!

Application purposes:

  • For drinking water and industrial applications
  • For heating installations

Characteristics:

  • Pressing indicator
  • Leaky if unpressed
  • Seal ring made of CIIR, black
  • Pressing socket with transparent protection plug

Material: CrNiMo steel 1.4401 (EN 10088)

Angle: 90°

Download the installation instructions: Geberit Mapress system

d L L1 l Z Z1
mm cm cm cm cm cm
18 6,8 4,1 3,4 1,4 2,1
Geberit Mapress Stainless Steel T-piece, equal, d 22, L 7,4, L1 4,4 [Code number: 31004]
Details
31004

ATTENTION! This product is temporarily unavailable for order!

Application purposes:

  • For drinking water and industrial applications
  • For heating installations

Characteristics:

  • Pressing indicator
  • Leaky if unpressed
  • Seal ring made of CIIR, black
  • Pressing socket with transparent protection plug

Material: CrNiMo steel 1.4401 (EN 10088)

Angle: 90°

Download the installation instructions: Geberit Mapress system

d L L1 l Z Z1
mm cm cm cm cm cm
22 7,4 4,4 3,7 1,6 2,3
Geberit Mapress Stainless Steel T-piece, equal, d 28, L 8,4, L1 5 [Code number: 31005]
Details
31005

ATTENTION! This product is temporarily unavailable for order!

Application purposes:

  • For drinking water and industrial applications
  • For heating installations

Characteristics:

  • Pressing indicator
  • Leaky if unpressed
  • Seal ring made of CIIR, black
  • Pressing socket with transparent protection plug

Material: CrNiMo steel 1.4401 (EN 10088)

Angle: 90°

Download the installation instructions: Geberit Mapress system

d L L1 l Z Z1
mm cm cm cm cm cm
28 8,4 5 4,2 1,9 2,7
Geberit Mapress Stainless Steel T-piece, equal, d 35, L 10, L1 5,7 [Code number: 31006]
Details
31006

ATTENTION! This product is temporarily unavailable for order!

Application purposes:

  • For drinking water and industrial applications
  • For heating installations

Characteristics:

  • Pressing indicator
  • Leaky if unpressed
  • Seal ring made of CIIR, black
  • Pressing socket with transparent protection plug

Material: CrNiMo steel 1.4401 (EN 10088)

Angle: 90°

Download the installation instructions: Geberit Mapress system

d L L1 l Z Z1
mm cm cm cm cm cm
35 10 5,7 5 2,4 3,1
Geberit Mapress Stainless Steel T-piece, equal, d 42, L 11,4, L1 6,5 [Code number: 31007]
Details
31007

ATTENTION! This product is temporarily unavailable for order!

Application purposes:

  • For drinking water and industrial applications
  • For heating installations

Characteristics:

  • Pressing indicator
  • Leaky if unpressed
  • Seal ring made of CIIR, black
  • Pressing socket with transparent protection plug

Material: CrNiMo steel 1.4401 (EN 10088)

Angle: 90°

Download the installation instructions: Geberit Mapress system

d L L1 l Z Z1
mm cm cm cm cm cm
42 11,4 6,5 5,7 2,7 3,5
Geberit Mapress Stainless Steel T-piece, equal, d 54, L 13,8, L1 7,7 [Code number: 31008]
Details
31008

ATTENTION! This product is temporarily unavailable for order!

Application purposes:

  • For drinking water and industrial applications
  • For heating installations

Characteristics:

  • Pressing indicator
  • Leaky if unpressed
  • Seal ring made of CIIR, black
  • Pressing socket with transparent protection plug

Material: CrNiMo steel 1.4401 (EN 10088)

Angle: 90°

Download the installation instructions: Geberit Mapress system

d L L1 l Z Z1
mm cm cm cm cm cm
54 13,8 7,7 6,9 3,4 4,2
Geberit Mapress Stainless Steel T-piece, equal, d76,1, L 23, L1 11 [Code number: 31009]
Details
31009

ATTENTION! This product is temporarily unavailable for order!

Application purposes:

  • For drinking water and industrial applications
  • For heating installations

Characteristics:

  • Pressing indicator
  • Leaky if unpressed
  • Seal ring made of CIIR, black
  • Pressing socket with transparent protection plug

Material: CrNiMo steel 1.4401 (EN 10088)

Angle: 90°

Download the installation instructions: Geberit Mapress system

d L L1 l Z Z1
mm cm cm cm cm cm
76,1 23 11 11,5 6,2 5,7
Geberit Mapress Stainless Steel T-piece, equal, d88,9, L 26, L1 12,8 [Code number: 31010]
Details
31010

ATTENTION! This product is temporarily unavailable for order!

Application purposes:

  • For drinking water and industrial applications
  • For heating installations

Characteristics:

  • Pressing indicator
  • Leaky if unpressed
  • Seal ring made of CIIR, black
  • Pressing socket with transparent protection plug

Material: CrNiMo steel 1.4401 (EN 10088)

Angle: 90°

Download the installation instructions: Geberit Mapress system

d L L1 l Z Z1
mm cm cm cm cm cm
88,9 26 12,8 13 7 6,8
Geberit Mapress Stainless Steel T-piece, equal, d108, L 31, L1 15,3 [Code number: 31011]
Details
31011

ATTENTION! This product is temporarily unavailable for order!

Application purposes:

  • For drinking water and industrial applications
  • For heating installations

Characteristics:

  • Pressing indicator
  • Leaky if unpressed
  • Seal ring made of CIIR, black
  • Pressing socket with transparent protection plug

Material: CrNiMo steel 1.4401 (EN 10088)

Angle: 90°

Download the installation instructions: Geberit Mapress system

d L L1 l Z Z1
mm cm cm cm cm cm
108 31 15,3 15,5 8 7,8
Geberit Mapress Stainless Steel T-piece, reduced, d 18, d1 15, d2 18 [Code number: 31204]
Details
31204

ATTENTION! This product is temporarily unavailable for order!

Application purposes:

  • For drinking water and industrial applications
  • For heating installations

Characteristics:

  • Pressing indicator
  • Leaky if unpressed
  • Seal ring made of CIIR, black
  • Reduced

Material: CrNiMo steel 1.4401 (EN 10088)

Angle: 90°

Download the installation instructions: Geberit Mapress system

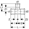
d d1 d2 L L1
mm mm mm cm cm
18 15 18 6,8 4,1
l l2 Z Z1 Z2
cm cm cm cm cm
3,4 3,4 1,4 2,1 1,4
Geberit Mapress Stainless Steel T-piece, reduced, d 22, d1 15, d2 22 [Code number: 31206]
Details
31206

ATTENTION! This product is temporarily unavailable for order!

Application purposes:

  • For drinking water and industrial applications
  • For heating installations

Characteristics:

  • Pressing indicator
  • Leaky if unpressed
  • Seal ring made of CIIR, black
  • Reduced

Material: CrNiMo steel 1.4401 (EN 10088)

Angle: 90°

Download the installation instructions: Geberit Mapress system

d d1 d2 L L1
mm mm mm cm cm
22 15 22 7,4 4,3
l l2 Z Z1 Z2
cm cm cm cm cm
3,7 3,7 1,6 2,3 1,6
Geberit Mapress Stainless Steel T-piece, reduced, d 22, d1 18, d2 22 [Code number: 31207]
Details
31207

ATTENTION! This product is temporarily unavailable for order!

Application purposes:

  • For drinking water and industrial applications
  • For heating installations

Characteristics:

  • Pressing indicator
  • Leaky if unpressed
  • Seal ring made of CIIR, black
  • Reduced

Material: CrNiMo steel 1.4401 (EN 10088)

Angle: 90°

Download the installation instructions: Geberit Mapress system

d d1 d2 L L1
mm mm mm cm cm
22 18 22 7,4 4,3
l l2 Z Z1 Z2
cm cm cm cm cm
3,7 3,7 1,6 2,3 1,6

See also