Logo
Ru| En

Office: M. Baumanskaya

Warehouse: Leninsky urban district

Loading

Reducers of Geberit Silent-db20 system

Eccentric reducers of Geberit Silent-db20 system are made of polyethylene with mineral additives (PE-S2). One of the most important characteristics of Silent-db20 eccentric reducers is absorbing noises, so that they can be used for mounting of internal drainage systems in buildings with increased sound insulation requirements. Also Silent-db20 eccentric reducers have abrasion resistance, they withstand prolonged exposure to ultraviolet rays. The Geberit Company produces special models of eccentric reducers which are equipped with stopper for ring seal socket.

Concentric reducers of Geberit Silent-db20 system have thermal expansion of 0.17 mm/(m•K), the maximum storage temperature is +40 °C.

Using Silent-db20 reducers you can make the transition from pipe with a smaller diameter to pipe with a larger diameter - diameters are shown below.

Photo Наименование Article Цена
Geberit Silent-db20 Eccentric reducer, short, d63 [Code number: 306.050.14.1]
Details
306.050.14.1

ATTENTION! This product is temporarily unavailable for order!

Application purposes:

  • For building drainage
  • For buildings with increased sound insulation requirements
  • For reducing the diameter of pipes and fittings outside the expansion range of couplings

Characteristics:

  • Abrasion resistant;
  • Sound-absorbing;
  • UV-resistant.

Material: PE-S2

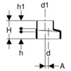
d d1 A H h h1
mm mm cm cm cm cm
63 56 0,4 8 3,4 3,7
Geberit Silent-db20 Eccentric reducer, short, d75, d1 56 [Code number: 307.050.14.1]
Details
307.050.14.1

ATTENTION! This product is temporarily unavailable for order!

Application purposes:

  • For building drainage
  • For buildings with increased sound insulation requirements
  • For reducing the diameter of pipes and fittings outside the expansion range of couplings

Characteristics:

  • Abrasion resistant;
  • Sound-absorbing;
  • UV-resistant.

Material: PE-S2

d d1 A H h h1
mm mm cm cm cm cm
75 56 0,9 8 3,3 3,7
Geberit Silent-db20 Eccentric reducer, short, d75, d1 63 [Code number: 307.060.14.1]
Details
307.060.14.1

ATTENTION! This product is temporarily unavailable for order!

Application purposes:

  • For building drainage
  • For buildings with increased sound insulation requirements
  • For reducing the diameter of pipes and fittings outside the expansion range of couplings

Characteristics:

  • Abrasion resistant;
  • Sound-absorbing;
  • UV-resistant.

Material: PE-S2

d d1 A H h h1
mm mm cm cm cm cm
75 63 0,6 8 3,3 3,7
Geberit Silent-db20 Eccentric reducer, short, d90, d1 56 [Code number: 308.050.14.1]
Details
308.050.14.1

ATTENTION! This product is temporarily unavailable for order!

Application purposes:

  • For building drainage
  • For buildings with increased sound insulation requirements
  • For reducing the diameter of pipes and fittings outside the expansion range of couplings

Characteristics:

  • Abrasion resistant;
  • Sound-absorbing;
  • UV-resistant.

Material: PE-S2

d d1 A H h h1
mm mm cm cm cm cm
90 56 1,5 8 3,1 3,7
Geberit Silent-db20 Eccentric reducer, short, d90, d1 63 [Code number: 308.060.14.1]
Details
308.060.14.1

ATTENTION! This product is temporarily unavailable for order!

Application purposes:

  • For building drainage
  • For buildings with increased sound insulation requirements
  • For reducing the diameter of pipes and fittings outside the expansion range of couplings

Characteristics:

  • Abrasion resistant;
  • Sound-absorbing;
  • UV-resistant.

Material: PE-S2

d d1 A H h h1
mm mm cm cm cm cm
90 63 1,1 8 3,1 3,7
Geberit Silent-db20 Eccentric reducer, short, d90, d1 75 [Code number: 308.070.14.1]
Details
308.070.14.1

ATTENTION! This product is temporarily unavailable for order!

Application purposes:

  • For building drainage
  • For buildings with increased sound insulation requirements
  • For reducing the diameter of pipes and fittings outside the expansion range of couplings

Characteristics:

  • Abrasion resistant;
  • Sound-absorbing;
  • UV-resistant.

Material: PE-S2

d d1 A H h h1
mm mm cm cm cm cm
90 75 0,6 8 3,3 3,7
Geberit Silent-db20 eccentric reducer, d110, d1 56 [Code number: 310.050.14.1]
Details
310.050.14.1

ATTENTION! This product is temporarily unavailable for order!

Application purposes:

  • For building drainage
  • For buildings with increased sound insulation requirements
  • For reducing the diameter of pipes and fittings outside the expansion range of couplings

Characteristics:

  • Abrasion resistant;
  • With stopper for ring seal socket;
  • Sound-absorbing;
  • UV-resistant.

Material: PE-S2

d d1 A H h h1
mm mm cm cm cm cm
110 56 2,4 11 6 3,7
Geberit Silent-db20 Concentric reducer, d 110, d1 56 [Code number: 310.052.14.1]
Details
310.052.14.1

ATTENTION! This product is temporarily unavailable for order!

Application purposes:

  • For building drainage
  • For buildings with increased sound insulation requirements

Characteristics:

  • With stopper for ring seal socket
  • Concentric
  • Abrasion resistant
  • Highly sound-insulating
  • UV-resistant

Material: PE-S2

Thermal expansion: 0.17 mm/(m · K)

d d1 H h h1
mm mm cm cm cm
110 56 11 6.1 3.7
Geberit Silent-db20 eccentric reducer, d110, d1 63 [Code number: 310.060.14.1]
Details
310.060.14.1

ATTENTION! This product is temporarily unavailable for order!

Application purposes:

  • For building drainage
  • For buildings with increased sound insulation requirements
  • For reducing the diameter of pipes and fittings outside the expansion range of couplings

Characteristics:

  • Abrasion resistant;
  • With stopper for ring seal socket;
  • Sound-absorbing;
  • UV-resistant.

Material: PE-S2

d d1 A H h h1
mm mm cm cm cm cm
110 63 2,1 11 6,1 3,7
Geberit Silent-db20 Concentric reducer, d110, d1 63 [Code number: 310.062.14.1]
Details
310.062.14.1

ATTENTION! This product is temporarily unavailable for order!

Application purposes:

  • For building drainage
  • For buildings with increased sound insulation requirements

Characteristics:

  • With stopper for ring seal socket;
  • Concentric
  • Abrasion resistant;
  • Sound-absorbing;
  • UV-resistant.

Material: PE-S2

d d1 H h h1
mm mm cm cm cm
110 63 11 6,1 3,7
Geberit Silent-db20 eccentric reducer, d110, d1 75 [Code number: 310.070.14.1]
Details
310.070.14.1

ATTENTION! This product is temporarily unavailable for order!

Application purposes:

  • For building drainage
  • For buildings with increased sound insulation requirements
  • For reducing the diameter of pipes and fittings outside the expansion range of couplings

Characteristics:

  • Abrasion resistant;
  • With stopper for ring seal socket;
  • Sound-absorbing;
  • UV-resistant.

Material: PE-S2

d d1 A H h h1
mm mm cm cm cm cm
110 75 1,5 11 6 3,7
Geberit Silent-db20 Concentric reducer, d 110, d1 75 [Code number: 310.072.14.1]
Details
310.072.14.1

ATTENTION! This product is temporarily unavailable for order!

Application purposes:

  • For building drainage
  • For buildings with increased sound insulation requirements

Characteristics:

  • With stopper for ring seal socket
  • Concentric
  • Abrasion resistant
  • Highly sound-insulating
  • UV-resistant

Material: PE-S2

Thermal expansion: 0.17 mm/(m · K)

d d1 H h h1
mm mm cm cm cm
110 75 11 6.1 3.7
Geberit Silent-db20 eccentric reducer, d110, d1 90 [Code number: 310.080.14.1]
Details
310.080.14.1

ATTENTION! This product is temporarily unavailable for order!

Application purposes:

  • For building drainage
  • For buildings with increased sound insulation requirements
  • For reducing the diameter of pipes and fittings outside the expansion range of couplings

Characteristics:

  • Abrasion resistant;
  • With stopper for ring seal socket;
  • Sound-absorbing;
  • UV-resistant.

Material: PE-S2

d d1 A H h h1
mm mm cm cm cm cm
110 90 1 11 6,1 3,7
Geberit Silent-db20 Concentric reducer, d110, d1 90 [Code number: 310.082.14.1]
Details
310.082.14.1

ATTENTION! This product is temporarily unavailable for order!

Application purposes:

  • For building drainage
  • For buildings with increased sound insulation requirements

Characteristics:

  • With stopper for ring seal socket;
  • Concentric
  • Abrasion resistant;
  • Sound-absorbing;
  • UV-resistant.

Material: PE-S2

d d1 H h h1
mm mm cm cm cm
110 90 11 6,1 3,7
Geberit Silent-db20 Reducer, concentric, long, d 125mm, d1 110mm [Code number: 310.106.14.1]
Details
310.106.14.1

ATTENTION! This product is temporarily unavailable for order!

Geberit Silent-db20 eccentric reducer, d135, d1 110 [Code number: 312.100.14.1]
Details
312.100.14.1

ATTENTION! This product is temporarily unavailable for order!

Application purposes:

  • For building drainage
  • For buildings with increased sound insulation requirements
  • For reducing the diameter of pipes and fittings outside the expansion range of couplings

Characteristics:

  • Abrasion resistant;
  • With stopper for ring seal socket;
  • Sound-absorbing;
  • UV-resistant.

Material: PE-S2

d d1 A H h h1
mm mm cm cm cm cm
135 110 1,3 11 6,1 3,7
Geberit Silent-db20 eccentric reducer, d135, d1 125 [Code number: 312.125.14.1]
Details
312.125.14.1

ATTENTION! This product is temporarily unavailable for order!

Application purposes:

  • For building drainage
  • For buildings with increased sound insulation requirements
  • For reducing the diameter of pipes and fittings outside the expansion range of couplings

Characteristics:

  • Abrasion resistant;
  • With stopper for ring seal socket;
  • Sound-absorbing;
  • UV-resistant.

Material: PE-S2

d d1 A H h h1
mm mm cm cm cm cm
135 125 0,4 11 6 3,7
Geberit Silent-db20 eccentric reducer, d160, d1 110 [Code number: 315.100.14.1]
Details
315.100.14.1

ATTENTION! This product is temporarily unavailable for order!

Application purposes:

  • For building drainage
  • For buildings with increased sound insulation requirements
  • For reducing the diameter of pipes and fittings outside the expansion range of couplings

Characteristics:

  • Abrasion resistant;
  • With stopper for ring seal socket;
  • Sound-absorbing;
  • UV-resistant.

Material: PE-S2

d d1 A H h h1
mm mm cm cm cm cm
160 110 2,4 12,6 8 3,8
Geberit Silent-db20 eccentric reducer, d160, d1 135 [Code number: 315.126.14.1]
Details
315.126.14.1

ATTENTION! This product is temporarily unavailable for order!

Application purposes:

  • For building drainage
  • For buildings with increased sound insulation requirements
  • For reducing the diameter of pipes and fittings outside the expansion range of couplings

Characteristics:

  • Abrasion resistant;
  • With stopper for ring seal socket;
  • Sound-absorbing;
  • UV-resistant.

Material: PE-S2

d d1 A H h h1
mm mm cm cm cm cm
160 135 1,1 13,5 8 4,7

See also