Logo
Ru| En

Office: M. Baumanskaya

Warehouse: Leninsky urban district

Loading

Geberit Mapress Carbon Steel T-piece, reduced, d 22, d1 15 [Code number: 21206]

Article: 21206 (G)

ATTENTION! This product is temporarily unavailable for order!

Application purpose:

  • For heating installations
  • For air-conditioning applications
  • For sprinkler systems (wet)
  • Not suitable for drinking water

Characteristics:

  • Galvanized
  • Leaky if unpressed
  • Reduced

Scope of delivery:

  • Seal rings CIIR black

Material: Unalloyed steel 1.0034 E 195 (DIN EN 10305)

Angle: 90°

Download the installation instructions: Geberit Mapress system

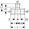
d d1 d2 L L1 l l2 Z Z1 Z2
mm mm mm cm cm cm cm cm cm cm
22 15 22 7,4 4,4 3,7 3,7 1,6 2,4 1.6