Logo
Ru| En

Office: M. Baumanskaya

Warehouse: Leninsky urban district

Loading

[NO LONGER PRODUCED] - Geberit Mapress Stainless Steel T-piece with female thread, FKM, blue, d 15-Rp1/2-15 [Code number: 50413]

Article: 50413

ATTENTION! This product is temporarily unavailable for order!

Application Purpose:

  • For solar technology, industry and shipbuilding

Characteristics:

  • Pressing indicator
  • LABS-free
  • Pressing socket with black protection plug
  • Female thread

Scope of delivery:

  • Seal ring made of FKM, blue

Material: CrNiMo steel 1.4401 (EN 10088)

Download the installation instructions: Geberit Mapress system

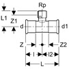
d Rp d1 L L1 l l2 Z Z1 Z2
mm " mm cm cm cm cm cm cm cm
15 1/2 15 6.4 4 3.2 3.2 1.2 2.7 1.2