Logo
Ru| En

Office: M. Baumanskaya

Warehouse: Leninsky urban district

Loading

[NO LONGER PRODUCED] - Geberit Mapress Stainless Steel bend 45° with plain end, FKM, blue, d76,1 [Code number: 50251]

Article: 50251

ATTENTION! This product is temporarily unavailable for order!

Application Purpose:

  • For solar technology, industry and shipbuilding

Characteristics:

  • Pressing indicator
  • LABS-free
  • Pressing socket with black protection plug
  • Plain end

Scope of delivery:

  • Seal ring made of FKM, blue

Material: CrNiMo steel 1.4401 (EN 10088)

Angle: 45°

Download the installation instructions: Geberit Mapress system

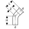
d H L Z
mm cm cm cm
76.1 11.1 10.1 4.8