Logo
Ru| En

Office: M. Baumanskaya

Warehouse: Leninsky urban district

Loading

Geberit Mapress Stainless Steel T-piece with female thread, gas, d 42, L1 5,3 [Code number: 34061]

Article: 34061

ATTENTION! This product is temporarily unavailable for order!

Application purpose:

  • For gas installations with natural gases (NG) and liquefied gases (LPG)

Characteristics:

  • Marked in yellow
  • Leaky if unpressed
  • Female thread

Scope of delivery:

  • Seal rings HNBR yellow

Material: Stainless Cr-Ni-Mo steel 1.4401 BS 316

Temperature range during operation: -20 - +70 °C

Angle: 90°

Download the installation instructions: Geberit Mapress system

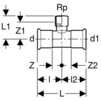
d Rp d1 L L1 l l2 Z Z1 Z2
mm '' mm cm cm cm cm cm cm cm
42 1/2 42 11,4 5,3 5,7 5,7 2,7 4 2,7