Logo
Ru| En

Office: M. Baumanskaya

Warehouse: Leninsky urban district

Loading

Geberit Mapress Stainless Steel T-piece, reduced, gas, d108, d1 54 [Code number: 34099]

Article: 34099

ATTENTION! This product is temporarily unavailable for order!

Application purpose:

  • For gas installations with natural gases (NG) and liquefied gases (LPG)

Characteristics:

  • Marked in yellow
  • Leaky if unpressed

Scope of delivery:

  • Seal rings HNBR yellow

Material: Stainless Cr-Ni-Mo steel 1.4401 BS 316

Temperature range during operation: -20 - +70 °C

Angle: 90°

Download the installation instructions: Geberit Mapress system

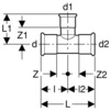
d d1 d2 L L1 l l2 Z Z1 Z2
mm mm mm cm cm cm cm cm cm cm
108 54 108 31 11,3 15,5 15,5 8 7,8 8