Logo
Ru| En

Office: M. Baumanskaya

Warehouse: Leninsky urban district

Loading

Geberit Mapress Stainless Steel T-piece, equal, gas, d108 [Code number: 34287]

Article: 34287

ATTENTION! This product is temporarily unavailable for order!

Application purpose:

  • For gas installations with natural gases (NG) and liquefied gases (LPG)

Characteristics:

  • Marked in yellow
  • Leaky if unpressed

Scope of delivery:

  • Seal rings HNBR yellow

Material: Stainless Cr-Ni-Mo steel 1.4401 BS 316

Temperature range during operation: -20 - +70 °C

Angle: 90°

Download the installation instructions: Geberit Mapress system

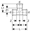
d L L1 l Z Z1
mm cm cm cm cm cm
108 31 15,3 15,5 8 7,8