Logo
Ru| En

Office: M. Baumanskaya

Warehouse: Leninsky urban district

Loading

Accessories for Geberit Mapress system

Accessories for Geberit Mapress system can be required for installation of pipeline. The accessories with yellow marking (for example yellow-brown rubber O-ring) are designed for gas installations with natural gases and liquefied gases.

The Geberit Company produces axial expansion fittings made of stainless steel and carbon steel. The axial expansion fittings of carbon steel are equipped with bellows made of stainless steel.

The group of products includes ball valves with one or two press connections and non-return valves. They are supplied with black O-ring (CIIR). They leak if they are unpressed.

Also the company produces special adapters - they are available for connecting Geberit Mapress system to Geberit Mepla system.

Photo Наименование Article Цена
Geberit Mapress Top part kit with handle, for ball valve, DNV 50 [Code number: 242.552.00.2]
Details
242.552.00.2

ATTENTION! This product is temporarily unavailable for order!

Geberit Mapress Insulation for connection to the pipe-to-pipe hot water circulation system [Code number: 242.836.00.1]
Details
242.836.00.1

ATTENTION! This product is temporarily unavailable for order!

Application purposes:

  • For insulation
  • For connection to the hot water pipe-to-pipe circulation system

Material: PE

Geberit Mapress Stainless Steel axial expansion fitting, silicone-free, d 15 [Code number: 33932]
Details
33932

ATTENTION! This product is temporarily unavailable for order!

Application purpose:

  • For cold and hot water
  • For heating water
  • For cold water without antifreeze
  • For cold water with antifreeze
  • For district heating water ≤ 120 °C
  • For non-food water
  • For treated water
  • For rainwater with pH > 6.0
  • For domestic, industrial and construction applications
  • Exclusively for absorbing thermal expansion

Characteristics:

  • Pressing indicator
  • Without silicone
  • Bellows made of stainless steel
  • Seal ring made of CIIR, blac
  • Pressing socket with transparent protection plug

Maximum working pressure: 1600 kPa.

Operating temperature: -30 - +120 °C.

Material: CrNiMo steel 1.4401 (EN 10088).

d D La L
mm cm mm cm
15 2,6 +/- 7 15,1
Geberit Mapress Stainless Steel axial expansion fitting, silicone-free, d 18 [Code number: 33933]
Details
33933

ATTENTION! This product is temporarily unavailable for order!

Application purpose:

  • For cold and hot water
  • For heating water
  • For cold water without antifreeze
  • For cold water with antifreeze
  • For district heating water ≤ 120 °C
  • For non-food water
  • For treated water
  • For rainwater with pH > 6.0
  • For domestic, industrial and construction applications
  • Exclusively for absorbing thermal expansion

Characteristics:

  • Pressing indicator
  • Without silicone
  • Bellows made of stainless steel
  • Seal ring made of CIIR, blac
  • Pressing socket with transparent protection plug

Maximum working pressure: 1600 kPa.

Operating temperature: -30 - +120 °C.

Material: CrNiMo steel 1.4401 (EN 10088).

d D La L
mm cm mm cm
18 2,6 +/- 7 14,7
Geberit Mapress Stainless Steel axial expansion fitting, silicone-free, d 22 [Code number: 33934]
Details
33934

ATTENTION! This product is temporarily unavailable for order!

Application purpose:

  • For cold and hot water
  • For heating water
  • For cold water without antifreeze
  • For cold water with antifreeze
  • For district heating water ≤ 120 °C
  • For non-food water
  • For treated water
  • For rainwater with pH > 6.0
  • For domestic, industrial and construction applications
  • Exclusively for absorbing thermal expansion

Characteristics:

  • Pressing indicator
  • Without silicone
  • Bellows made of stainless steel
  • Seal ring made of CIIR, blac
  • Pressing socket with transparent protection plug

Maximum working pressure: 1600 kPa.

Operating temperature: -30 - +120 °C.

Material: CrNiMo steel 1.4401 (EN 10088).

d D La L
mm cm mm cm
22 3,1 +/- 11 10,6
Geberit Mapress Stainless Steel axial expansion fitting, silicone-free, d 28 [Code number: 33935]
Details
33935

ATTENTION! This product is temporarily unavailable for order!

Application purpose:

  • For cold and hot water
  • For heating water
  • For cold water without antifreeze
  • For cold water with antifreeze
  • For district heating water ≤ 120 °C
  • For non-food water
  • For treated water
  • For rainwater with pH > 6.0
  • For domestic, industrial and construction applications
  • Exclusively for absorbing thermal expansion

Characteristics:

  • Pressing indicator
  • Without silicone
  • Bellows made of stainless steel
  • Seal ring made of CIIR, blac
  • Pressing socket with transparent protection plug

Maximum working pressure: 1600 kPa.

Operating temperature: -30 - +120 °C.

Material: CrNiMo steel 1.4401 (EN 10088).

d D La L
mm cm mm cm
28 3,9 +/- 13 12
Geberit Mapress Stainless Steel axial expansion fitting, silicone-free, d 35 [Code number: 33936]
Details
33936

ATTENTION! This product is temporarily unavailable for order!

Application purpose:

  • For cold and hot water
  • For heating water
  • For cold water without antifreeze
  • For cold water with antifreeze
  • For district heating water ≤ 120 °C
  • For non-food water
  • For treated water
  • For rainwater with pH > 6.0
  • For domestic, industrial and construction applications
  • Exclusively for absorbing thermal expansion

Characteristics:

  • Pressing indicator
  • Without silicone
  • Bellows made of stainless steel
  • Seal ring made of CIIR, blac
  • Pressing socket with transparent protection plug

Maximum working pressure: 1600 kPa.

Operating temperature: -30 - +120 °C.

Material: CrNiMo steel 1.4401 (EN 10088).

d D La L
mm cm mm cm
35 4,6 +/- 13 13,9
Geberit Mapress Stainless Steel axial expansion fitting, silicone-free, d 42 [Code number: 33937]
Details
33937

ATTENTION! This product is temporarily unavailable for order!

Application purpose:

  • For cold and hot water
  • For heating water
  • For cold water without antifreeze
  • For cold water with antifreeze
  • For district heating water ≤ 120 °C
  • For non-food water
  • For treated water
  • For rainwater with pH > 6.0
  • For domestic, industrial and construction applications
  • Exclusively for absorbing thermal expansion

Characteristics:

  • Pressing indicator
  • Without silicone
  • Bellows made of stainless steel
  • Seal ring made of CIIR, blac
  • Pressing socket with transparent protection plug

Maximum working pressure: 1600 kPa.

Operating temperature: -30 - +120 °C.

Material: CrNiMo steel 1.4401 (EN 10088).

d D La L
mm cm mm cm
42 5,9 +/- 13 14,9
Geberit Mapress Stainless Steel axial expansion fitting, silicone-free, d 54 [Code number: 33938]
Details
33938

ATTENTION! This product is temporarily unavailable for order!

Application purpose:

  • For cold and hot water
  • For heating water
  • For cold water without antifreeze
  • For cold water with antifreeze
  • For district heating water ≤ 120 °C
  • For non-food water
  • For treated water
  • For rainwater with pH > 6.0
  • For domestic, industrial and construction applications
  • Exclusively for absorbing thermal expansion

Characteristics:

  • Pressing indicator
  • Without silicone
  • Bellows made of stainless steel
  • Seal ring made of CIIR, blac
  • Pressing socket with transparent protection plug

Maximum working pressure: 1600 kPa.

Operating temperature: -30 - +120 °C.

Material: CrNiMo steel 1.4401 (EN 10088).

d D La L
mm cm mm cm
54 7 +/- 18 17,6
Geberit Mapress Stainless Steel axial expansion fitting, silicone-free, d 76,1 [Code number: 33939]
Details
33939

ATTENTION! This product is temporarily unavailable for order!

Application purpose:

  • For cold and hot water
  • For heating water
  • For cold water without antifreeze
  • For cold water with antifreeze
  • For district heating water ≤ 120 °C
  • For non-food water
  • For treated water
  • For rainwater with pH > 6.0
  • For domestic, industrial and construction applications
  • Exclusively for absorbing thermal expansion

Characteristics:

  • Pressing indicator
  • Without silicone
  • Bellows made of stainless steel
  • Seal ring made of CIIR, blac
  • Pressing socket with transparent protection plug

Maximum working pressure: 1600 kPa.

Operating temperature: -30 - +120 °C.

Material: CrNiMo steel 1.4401 (EN 10088).

d D La L
mm cm mm cm
76,1 8,8 +/- 22 26,2
Geberit Mapress Stainless Steel axial expansion fitting, silicone-free, d 88,9 [Code number: 33940]
Details
33940

ATTENTION! This product is temporarily unavailable for order!

Application purpose:

  • For cold and hot water
  • For heating water
  • For cold water without antifreeze
  • For cold water with antifreeze
  • For district heating water ≤ 120 °C
  • For non-food water
  • For treated water
  • For rainwater with pH > 6.0
  • For domestic, industrial and construction applications
  • Exclusively for absorbing thermal expansion

Characteristics:

  • Pressing indicator
  • Without silicone
  • Bellows made of stainless steel
  • Seal ring made of CIIR, blac
  • Pressing socket with transparent protection plug

Maximum working pressure: 1600 kPa.

Operating temperature: -30 - +120 °C.

Material: CrNiMo steel 1.4401 (EN 10088).

d D La L
mm cm mm cm
88,9 11,7 +/- 23 28,6
Geberit Mapress Stainless Steel axial expansion fitting, silicone-free, d108 [Code number: 33941]
Details
33941

ATTENTION! This product is temporarily unavailable for order!

Application purpose:

  • For cold and hot water
  • For heating water
  • For cold water without antifreeze
  • For cold water with antifreeze
  • For district heating water ≤ 120 °C
  • For non-food water
  • For treated water
  • For rainwater with pH > 6.0
  • For domestic, industrial and construction applications
  • Exclusively for absorbing thermal expansion

Characteristics:

  • Pressing indicator
  • Without silicone
  • Bellows made of stainless steel
  • Seal ring made of CIIR, blac
  • Pressing socket with transparent protection plug

Maximum working pressure: 1600 kPa.

Operating temperature: -30 - +120 °C.

Material: CrNiMo steel 1.4401 (EN 10088).

d D La L
mm cm mm cm
108 14,4 +/- 23 54,2
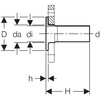
Geberit Mapress Stainless Steel flanged stub with plain end, for loose flange PN 10/16, d 22 [Code number: 36141 (G)]
Details
36141 (G)

ATTENTION! This product is temporarily unavailable for order!

Application purpose:

  • For loose flange

Characteristics:

  • Plain end

Scope of delivery:

  • Excluded: Set of bolts for flange
  • Excluded: Flange gasket
  • Excluded: Loose flange

Material: Stainless Cr-Ni-Mo steel 1.4401 BS 316

d da di D H h PN
mm mm mm cm cm cm bar
22 27 19,6 5,8 13,5 0,6 10 / 16

It can be used with:

Geberit flange gaskets PN 10/16 Geberit bolt sets
   
91031 91164
91032 91165
91033 91166
91034 91167
91035 91168
91036 91169
91037 91170
91038 91171
91039 91172
  91173
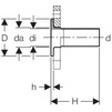
Geberit Mapress Stainless Steel flanged stub with plain end, for loose flange PN 10/16, d 28 [Code number: 36142 (G)]
Details
36142 (G)

ATTENTION! This product is temporarily unavailable for order!

Application purpose:

  • For loose flange

Characteristics:

  • Plain end

Scope of delivery:

  • Excluded: Set of bolts for flange
  • Excluded: Flange gasket
  • Excluded: Loose flange

Material: Stainless Cr-Ni-Mo steel 1.4401 BS 316

d da di D H h PN
mm mm mm cm cm cm bar
28 32 25,6 6,8 13,5 0,6 10 / 16

It can be used with:

Geberit flange gaskets PN 10/16 Geberit bolt sets
   
91031 91164
91032 91165
91033 91166
91034 91167
91035 91168
91036 91169
91037 91170
91038 91171
91039 91172
  91173
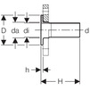
Geberit Mapress Stainless Steel flanged stub with plain end, for loose flange PN 10/16, d 35 [Code number: 36143 (G)]
Details
36143 (G)

ATTENTION! This product is temporarily unavailable for order!

Application purpose:

  • For loose flange

Characteristics:

  • Plain end

Scope of delivery:

  • Excluded: Set of bolts for flange
  • Excluded: Flange gasket
  • Excluded: Loose flange

Material: Stainless Cr-Ni-Mo steel 1.4401 BS 316

d da di D H h PN
mm mm mm cm cm cm bar
35 40 32 7,8 13,5 0,6 10 / 16

It can be used with:

Geberit flange gaskets PN 10/16 Geberit bolt sets
   
91031 91164
91032 91165
91033 91166
91034 91167
91035 91168
91036 91169
91037 91170
91038 91171
91039 91172
  91173
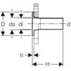
Geberit Mapress Stainless Steel flanged stub with plain end, for loose flange PN 10/16, d 42 [Code number: 36144 (G)]
Details
36144 (G)

ATTENTION! This product is temporarily unavailable for order!

Application purpose:

  • For loose flange

Characteristics:

  • Plain end

Scope of delivery:

  • Excluded: Set of bolts for flange
  • Excluded: Flange gasket
  • Excluded: Loose flange

Material: Stainless Cr-Ni-Mo steel 1.4401 BS 316

d da di D H h PN
mm mm mm cm cm cm bar
42 47 39 8,8 13,5 0,6 10 / 16

It can be used with:

Geberit flange gaskets PN 10/16 Geberit bolt sets
   
91031 91164
91032 91165
91033 91166
91034 91167
91035 91168
91036 91169
91037 91170
91038 91171
91039 91172
  91173
Geberit Mapress Stainless Steel flanged stub with plain end, for loose flange PN 10/16, d50 [Code number: 36145]
Details
36145

ATTENTION! This product is temporarily unavailable for order!

Application purpose:

  • For loose flange

Characteristics:

  • Plain end

Scope of delivery:

  • Excluded: Set of bolts for flange
  • Excluded: Flange gasket
  • Excluded: Loose flange

Technical data

Material: Stainless Cr-Ni-Mo steel 1.4401 BS 316

d da di D H h PN
mm mm mm cm cm cm bar
54 59 51 10,2 13,5 0,8 10 / 16

It can be used with:

Geberit flange gaskets PN 10/16 Geberit bolt sets
   
91031 91164
91032 91165
91033 91166
91034 91167
91035 91168
91036 91169
91037 91170
91038 91171
91039 91172
  91173
Geberit Mapress Stainless Steel flanged stub with plain end, for loose flange PN 10/16, d76.1 [Code number: 36146]
Details
36146

ATTENTION! This product is temporarily unavailable for order!

Application purpose:

  • For loose flange

Characteristics:

  • Plain end

Scope of delivery:

  • Excluded: Set of bolts for flange
  • Excluded: Flange gasket
  • Excluded: Loose flange

Material: Stainless Cr-Ni-Mo steel 1.4401 BS 316

d da di D H h PN
mm mm mm cm cm cm bar
76,1 78 72,1 12,2 13,5 0,8 10 / 16

It can be used with:

Geberit flange gaskets PN 10/16 Geberit bolt sets
   
91031 91164
91032 91165
91033 91166
91034 91167
91035 91168
91036 91169
91037 91170
91038 91171
91039 91172
  91173
Geberit Mapress Stainless Steel flanged stub with plain end, for loose flange PN 10/16, d88.9 [Code number: 36147]
Details
36147

ATTENTION! This product is temporarily unavailable for order!

Application purpose:

  • For loose flange

Characteristics:

  • Plain end

Scope of delivery:

  • Excluded: Set of bolts for flange
  • Excluded: Flange gasket
  • Excluded: Loose flange

Material: Stainless Cr-Ni-Mo steel 1.4401 BS 316

d da di D H h PN
mm mm mm cm cm cm bar
88,9 91 84,9 13,8 13,5 1 10 / 16

It can be used with:

Geberit flange gaskets PN 10/16 Geberit bolt sets
   
91031 91164
91032 91165
91033 91166
91034 91167
91035 91168
91036 91169
91037 91170
91038 91171
91039 91172
  91173
Geberit Mapress Stainless Steel flanged stub with plain end, for loose flange PN 10/16, d108 [Code number: 36148]
Details
36148

ATTENTION! This product is temporarily unavailable for order!

Application purpose:

  • For loose flange

Characteristics:

  • Plain end

Scope of delivery:

  • Excluded: Set of bolts for flange
  • Excluded: Flange gasket
  • Excluded: Loose flange

Material: Stainless Cr-Ni-Mo steel 1.4401 BS 316

d da di D H h PN
mm mm mm cm cm cm bar
108 110 104 15,8 13,5 1 10 / 16

It can be used with:

Geberit flange gaskets PN 10/16 Geberit bolt sets
   
91031 91164
91032 91165
91033 91166
91034 91167
91035 91168
91036 91169
91037 91170
91038 91171
91039 91172
  91173

See also