Logo
Ru| En

Office: M. Baumanskaya

Warehouse: Leninsky urban district

Loading

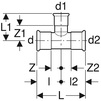
Geberit Mapress T-piece reducing of carbon steel, d 15mm, d1 12mm, d2 15mm [Code number: 21202 (G)]

Article: 21202 (G)

ATTENTION! This product is temporarily unavailable for order!