Логотип
Ru| En

Офис: м. Бауманская

Склад: Ленинские Горки

Loading

Тройники Geberit Mapress из стали

Тройники Mapress, предназначенные для соединения между собой нескольких участков трубопровода систем водоснабжения и отопления, а также промышленных трубопроводов, изготавливаются из нержавеющей стали 1.4401 и нелегированной стали 1.0034 E 195. Для максимального удобства тройники оснащаются индикатором прессования, при этом в неопрессованном состоянии они дают течь. Тройники имеют угол поворота 90°. Общая длина тройников колеблется от 6,4 до 31 см, а их диаметр может быть от 15 до 108 мм. Также выпускаются переходные тройники и тройники с внутренней или наружной резьбой.

В данную группу товаров также входят тройники Mapress, изготовленные из специальной стали, лишённой силикона. Тройники Mapress, имеющие жёлтую маркировку, могут использоваться в системах подачи природного или сжиженного газа, при этом они сохраняют работоспособность при температурах -20 – +70 °C.

В комплект поставки входят специальные чёрные уплотнительные кольца (CIIR).

Фото Наименование Артикул Цена
Тройник Geberit Mapress (нерж ст) переходный, d - 108, d1 - 54, d2 - 108 [Артикул: 31248]
Подробнее
31248

ВНИМАНИЕ! Товар временно недоступен для заказа!

Цель применения:

  • Для систем отопления и водоснабжения
  • Для промышленности

Характеристики:

  • Тройник оснащён индикатором прессования;
  • Переходной;
  • В неопресованном состоянии тройник даёт течь.

В объём поставки включено:

  • Чёрные уплотнительные кольца (CIIR).

Материал: Нержавеющая сталь 1.4401 (DIN EN 10088)

Угол поворота: 90°

Скачать инструкцию по монтажу: Система Geberit Mapress

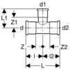
d d1 d2 L L1
мм мм мм см см
108 54 108 31 11,3
l l2 Z Z1 Z2
см см см см см
15,5 15,5 8 7,8 8
Тройник Geberit Mapress (нерж ст) переходный, d - 108, d1 - 76,1, d2 - 108 [Артикул: 31249]
Подробнее
31249

ВНИМАНИЕ! Товар временно недоступен для заказа!

Цель применения:

  • Для систем отопления и водоснабжения
  • Для промышленности

Характеристики:

  • Тройник оснащён индикатором прессования;
  • Переходной;
  • В неопресованном состоянии тройник даёт течь.

В объём поставки включено:

  • Чёрные уплотнительные кольца (CIIR).

Материал: Нержавеющая сталь 1.4401 (DIN EN 10088)

Угол поворота: 90°

Скачать инструкцию по монтажу: Система Geberit Mapress

d d1 d2 L L1
мм мм мм см см
108 76,1 108 31 12,4
l l2 Z Z1 Z2
см см см см см
15,5 15,5 8 7,1 8
Тройник Geberit Mapress (нерж ст) переходный, d - 108, d1 - 88,9, d2 - 108 [Артикул: 31250]
Подробнее
31250

ВНИМАНИЕ! Товар временно недоступен для заказа!

Цель применения:

  • Для систем отопления и водоснабжения
  • Для промышленности

Характеристики:

  • Тройник оснащён индикатором прессования;
  • Переходной;
  • В неопресованном состоянии тройник даёт течь.

В объём поставки включено:

  • Чёрные уплотнительные кольца (CIIR).

Материал: Нержавеющая сталь 1.4401 (DIN EN 10088)

Угол поворота: 90°

Скачать инструкцию по монтажу: Система Geberit Mapress

d d1 d2 L L1
мм мм мм см см
108 88,9 108 31 13,5
l l2 Z Z1 Z2
см см см см см
15,5 15,5 8 7,5 8
Тройник Geberit Mapress (нерж ст) переходный, d - 42, d1 - 28, d2 - 35 [Артикул: 31251]
Подробнее
31251

ВНИМАНИЕ! Товар временно недоступен для заказа!

Цель применения:

  • Для систем отопления и водоснабжения
  • Для промышленности

Характеристики:

  • Тройник оснащён индикатором прессования;
  • Переходной;
  • В неопресованном состоянии тройник даёт течь.

В объём поставки включено:

  • Чёрные уплотнительные кольца (CIIR).

Материал: Нержавеющая сталь 1.4401 (DIN EN 10088)

Угол поворота: 90°

Скачать инструкцию по монтажу: Система Geberit Mapress

d d1 d2 L L1
мм мм мм см см
42 28 35 11,5 5,7
l l2 Z Z1 Z2
см см см см см
5,7 5,8 2,7 3,4 3,2
Тройник Geberit Mapress из нержавеющей стали, с внутренней резьбой, d - 12мм, Rp - 3/8", d1 - 12мм [Артикул: 31303]
Подробнее
31303

ВНИМАНИЕ! Товар временно недоступен для заказа!

Тройник Geberit Mapress (нерж ст) переходный, пресс/внутренняя резьба BSP/пресс, Rp - 1/2", d - 15 [Артикул: 31304]
Подробнее
31304

ВНИМАНИЕ! Товар временно недоступен для заказа!

Цель применения:

  • Для систем отопления и водоснабжения
  • Для промышленности

Характеристики:

  • Тройник оснащён индикатором прессования;
  • Имеется внутренняя резьба;
  • В неопресованном состоянии тройник даёт течь.

В объём поставки включено:

  • Чёрные уплотнительные кольца (CIIR).

Материал: Нержавеющая сталь 1.4401 (DIN EN 10088)

Угол поворота: 90°

Скачать инструкцию по монтажу: Система Geberit Mapress

d d1 Rp L L1 l l2 Z Z1 Z2
мм мм '' см см см см см см см
15 15 1/2 6,4 4 3,2 3,2 1,2 2,7 1,2
Тройник Geberit Mapress (нерж ст) переходный, пресс/внутренняя резьба BSP/пресс, Rp - 1/2", d - 18 [Артикул: 31305]
Подробнее
31305

ВНИМАНИЕ! Товар временно недоступен для заказа!

Цель применения:

  • Для систем отопления и водоснабжения
  • Для промышленности

Характеристики:

  • Тройник оснащён индикатором прессования;
  • Имеется внутренняя резьба;
  • В неопресованном состоянии тройник даёт течь.

В объём поставки включено:

  • Чёрные уплотнительные кольца (CIIR).

Материал: Нержавеющая сталь 1.4401 (DIN EN 10088)

Угол поворота: 90°

Скачать инструкцию по монтажу: Система Geberit Mapress

d d1 Rp L L1 l l2 Z Z1 Z2
мм мм '' см см см см см см см
18 18 1/2 6,8 4,2 3,4 3,4 1,4 2,9 1,4
Тройник Geberit Mapress (нерж ст) переходный, пресс/внутренняя резьба BSP/пресс, Rp - 3/4", d - 18 [Артикул: 31306]
Подробнее
31306

ВНИМАНИЕ! Товар временно недоступен для заказа!

Цель применения:

  • Для систем отопления и водоснабжения
  • Для промышленности

Характеристики:

  • Тройник оснащён индикатором прессования;
  • Имеется внутренняя резьба;
  • В неопресованном состоянии тройник даёт течь.

В объём поставки включено:

  • Чёрные уплотнительные кольца (CIIR).

Материал: Нержавеющая сталь 1.4401 (DIN EN 10088)

Угол поворота: 90°

Скачать инструкцию по монтажу: Система Geberit Mapress

d d1 Rp L L1 l l2 Z Z1 Z2
мм мм '' см см см см см см см
18 18 3/4 6,8 4,4 3,4 3,4 1,4 2,9 1,4
Тройник Geberit Mapress (нерж ст) переходный, пресс/внутренняя резьба BSP/пресс, Rp - 1/2", d - 22 [Артикул: 31307]
Подробнее
31307

ВНИМАНИЕ! Товар временно недоступен для заказа!

Цель применения:

  • Для систем отопления и водоснабжения
  • Для промышленности

Характеристики:

  • Тройник оснащён индикатором прессования;
  • Имеется внутренняя резьба;
  • В неопресованном состоянии тройник даёт течь.

В объём поставки включено:

  • Чёрные уплотнительные кольца (CIIR).

Материал: Нержавеющая сталь 1.4401 (DIN EN 10088)

Угол поворота: 90°

Скачать инструкцию по монтажу: Система Geberit Mapress

d d1 Rp L L1 l l2 Z Z1 Z2
мм мм '' см см см см см см см
22 22 1/2 7,4 4,3 3,7 3,7 1,6 3 1,6
Тройник Geberit Mapress (нерж ст) переходный, пресс/внутренняя резьба BSP/пресс, Rp - 3/4", d - 22 [Артикул: 31308]
Подробнее
31308

ВНИМАНИЕ! Товар временно недоступен для заказа!

Цель применения:

  • Для систем отопления и водоснабжения
  • Для промышленности

Характеристики:

  • Тройник оснащён индикатором прессования;
  • Имеется внутренняя резьба;
  • В неопресованном состоянии тройник даёт течь.

В объём поставки включено:

  • Чёрные уплотнительные кольца (CIIR).

Материал: Нержавеющая сталь 1.4401 (DIN EN 10088)

Угол поворота: 90°

Скачать инструкцию по монтажу: Система Geberit Mapress

d d1 Rp L L1 l l2 Z Z1 Z2
мм мм '' см см см см см см см
22 22 3/4 7,4 4,6 3,7 3,7 1,6 3,1 1,6
Тройник Geberit Mapress (нерж ст) переходный, пресс/внутренняя резьба BSP/пресс, Rp - 1/2", d - 28 [Артикул: 31309]
Подробнее
31309

ВНИМАНИЕ! Товар временно недоступен для заказа!

Цель применения:

  • Для систем отопления и водоснабжения
  • Для промышленности

Характеристики:

  • Тройник оснащён индикатором прессования;
  • Имеется внутренняя резьба;
  • В неопресованном состоянии тройник даёт течь.

В объём поставки включено:

  • Чёрные уплотнительные кольца (CIIR).

Материал: Нержавеющая сталь 1.4401 (DIN EN 10088)

Угол поворота: 90°

Скачать инструкцию по монтажу: Система Geberit Mapress

d d1 Rp L L1 l l2 Z Z1 Z2
мм мм '' см см см см см см см
28 28 1/2 8,4 4,6 4,2 4,2 1,9 3,3 1,9
Тройник Geberit Mapress (нерж ст) переходный, пресс/внутренняя резьба BSP/пресс, Rp - 3/4", d - 28 [Артикул: 31310]
Подробнее
31310

ВНИМАНИЕ! Товар временно недоступен для заказа!

Цель применения:

  • Для систем отопления и водоснабжения
  • Для промышленности

Характеристики:

  • Тройник оснащён индикатором прессования;
  • Имеется внутренняя резьба;
  • В неопресованном состоянии тройник даёт течь.

В объём поставки включено:

  • Чёрные уплотнительные кольца (CIIR).

Материал: Нержавеющая сталь 1.4401 (DIN EN 10088)

Угол поворота: 90°

Скачать инструкцию по монтажу: Система Geberit Mapress

d d1 Rp L L1 l l2 Z Z1 Z2
мм мм '' см см см см см см см
28 28 3/4 8,4 4,9 4,2 4,2 1,9 3,4 1,9
Тройник Geberit Mapress (нерж ст) переходный, пресс/внутренняя резьба BSP/пресс, Rp - 1", d - 28 [Артикул: 31311]
Подробнее
31311

ВНИМАНИЕ! Товар временно недоступен для заказа!

Цель примененения:

  • Для систем отопления и водоснабжения
  • Для промышленности

Характеристики:

  • Тройник оснащён индикатором прессования;
  • Имеется внутренняя резьба;
  • В неопресованном состоянии тройник даёт течь.

В объём поставки включено:

  • Чёрные уплотнительные кольца (CIIR).

Материал: Нержавеющая сталь 1.4401 (DIN EN 10088)

Угол поворота: 90°

Скачать инструкцию по монтажу: Система Geberit Mapress

d d1 Rp L L1 l l2 Z Z1 Z2
мм мм '' см см см см см см см
28 28 1 8,4 5,3 4,2 4,2 1,9 3,6 1,9
Тройник Geberit Mapress (нерж ст) переходный, пресс/внутренняя резьба BSP/пресс, Rp - 1/2", d - 35 [Артикул: 31312]
Подробнее
31312

ВНИМАНИЕ! Товар временно недоступен для заказа!

Цель применения:

  • Для систем отопления и водоснабжения
  • Для промышленности

Характеристики:

  • Тройник оснащён индикатором прессования;
  • Имеется внутренняя резьба;
  • В неопресованном состоянии тройник даёт течь.

В объём поставки включено:

  • Чёрные уплотнительные кольца (CIIR).

Материал: Нержавеющая сталь 1.4401 (DIN EN 10088)

Угол поворота: 90°

Скачать инструкцию по монтажу: Система Geberit Mapress

d d1 Rp L L1 l l2 Z Z1 Z2
мм мм '' см см см см см см см
35 35 1/2 10 5 5 5 2,4 3,7 2,4
Тройник Geberit Mapress (нерж ст) переходный, пресс/внутренняя резьба BSP/пресс, Rp - 3/4", d - 35 [Артикул: 31313]
Подробнее
31313

ВНИМАНИЕ! Товар временно недоступен для заказа!

Цель применения:

  • Для систем отопления и водоснабжения
  • Для промышленности

Характеристики:

  • Тройник оснащён индикатором прессования;
  • Имеется внутренняя резьба;
  • В неопресованном состоянии тройник даёт течь.

В объём поставки включено:

  • Чёрные уплотнительные кольца (CIIR).

Материал: Нержавеющая сталь 1.4401 (DIN EN 10088)

Угол поворота: 90°

Скачать инструкцию по монтажу: Система Geberit Mapress

d d1 Rp L L1 l l2 Z Z1 Z2
мм мм '' см см см см см см см
35 35 3/4 10 5,3 5 5 2,4 3,8 2,4
Тройник Geberit Mapress из нержавеющей стали, с внутренней резьбой, d - 35мм, Rp - 1", d1 - 35мм [Артикул: 31314]
Подробнее
31314

ВНИМАНИЕ! Товар временно недоступен для заказа!

Тройник Geberit Mapress (нерж ст) переходный, пресс/внутренняя резьба BSP/пресс, Rp - 1/2", d - 42 [Артикул: 31316]
Подробнее
31316

ВНИМАНИЕ! Товар временно недоступен для заказа!

Цель применения:

  • Для систем отопления и водоснабжения
  • Для промышленности

Характеристики:

  • Тройник оснащён индикатором прессования;
  • Имеется внутренняя резьба;
  • В неопресованном состоянии тройник даёт течь.

В объём поставки включено:

  • Чёрные уплотнительные кольца (CIIR).

Материал: Нержавеющая сталь 1.4401 (DIN EN 10088)

Угол поворота: 90°

Скачать инструкцию по монтажу: Система Geberit Mapress

d d1 Rp L L1 l l2 Z Z1 Z2
мм мм '' см см см см см см см
42 42 1/2 11,4 5,3 5,7 5,7 2,7 4 2,7
Тройник Geberit Mapress (нерж ст) переходный, пресс/внутренняя резьба BSP/пресс, Rp - 3/4", d - 42 [Артикул: 31317]
Подробнее
31317

ВНИМАНИЕ! Товар временно недоступен для заказа!

Цель применения:

  • Для систем отопления и водоснабжения
  • Для промышленности

Характеристики:

  • Тройник оснащён индикатором прессования;
  • Имеется внутренняя резьба;
  • В неопресованном состоянии тройник даёт течь.

В объём поставки включено:

  • Чёрные уплотнительные кольца (CIIR).

Материал: Нержавеющая сталь 1.4401 (DIN EN 10088)

Угол поворота: 90°

Скачать инструкцию по монтажу: Система Geberit Mapress

d d1 Rp L L1 l l2 Z Z1 Z2
мм мм '' см см см см см см см
42 42 3/4 11,4 5,6 5,7 5,7 2,7 4,1 2,7
Тройник Geberit Mapress из нержавеющей стали, с внутренней резьбой, d - 42мм, Rp - 1", d1 - 42мм [Артикул: 31318]
Подробнее
31318

ВНИМАНИЕ! Товар временно недоступен для заказа!

Тройник Geberit Mapress (нерж ст) переходный, пресс/внутренняя резьба BSP/пресс, Rp - 1/2", d - 54 [Артикул: 31320]
Подробнее
31320

ВНИМАНИЕ! Товар временно недоступен для заказа!

Цель применения:

  • Для систем отопления и водоснабжения
  • Для промышленности

Характеристики:

  • Тройник оснащён индикатором прессования;
  • Имеется внутренняя резьба;
  • В неопресованном состоянии тройник даёт течь.

В объём поставки включено:

  • Чёрные уплотнительные кольца (CIIR).

Материал: Нержавеющая сталь 1.4401 (DIN EN 10088)

Угол поворота: 90°

Скачать инструкцию по монтажу: Система Geberit Mapress

d d1 Rp L L1 l l2 Z Z1 Z2
мм мм '' см см см см см см см
54 54 1/2 13,8 5,9 6,9 6,9 3,4 4,6 3,4

Смотрите также