Логотип
Ru| En

Офис: м. Бауманская

Склад: Ленинские Горки

Loading

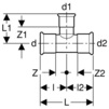
Тройники Geberit Mapress из стали

Тройники Mapress, предназначенные для соединения между собой нескольких участков трубопровода систем водоснабжения и отопления, а также промышленных трубопроводов, изготавливаются из нержавеющей стали 1.4401 и нелегированной стали 1.0034 E 195. Для максимального удобства тройники оснащаются индикатором прессования, при этом в неопрессованном состоянии они дают течь. Тройники имеют угол поворота 90°. Общая длина тройников колеблется от 6,4 до 31 см, а их диаметр может быть от 15 до 108 мм. Также выпускаются переходные тройники и тройники с внутренней или наружной резьбой.

В данную группу товаров также входят тройники Mapress, изготовленные из специальной стали, лишённой силикона. Тройники Mapress, имеющие жёлтую маркировку, могут использоваться в системах подачи природного или сжиженного газа, при этом они сохраняют работоспособность при температурах -20 – +70 °C.

В комплект поставки входят специальные чёрные уплотнительные кольца (CIIR).

Фото Наименование Артикул Цена
Тройник Geberit Mapress (нерж ст) переходный, d - 18, d1 - 15, d2 - 15 [Артикул: 31208]
Подробнее
31208

ВНИМАНИЕ! Товар временно недоступен для заказа!

Цель применения:

  • Для систем отопления и водоснабжения
  • Для промышленности

Характеристики:

  • Тройник оснащён индикатором прессования;
  • Переходной;
  • В неопресованном состоянии тройник даёт течь.

В объём поставки включено:

  • Чёрные уплотнительные кольца (CIIR).

Материал: Нержавеющая сталь 1.4401 (DIN EN 10088)

Угол поворота: 90°

Скачать инструкцию по монтажу: Система Geberit Mapress

d d1 d2 L L1
мм мм мм см см
18 15 15 7,9 4,1
l l2 Z Z1 Z2
см см см см см
3,4 4,5 1,4 2,1 2,5
Тройник Geberit Mapress (нерж ст) переходный, d - 28, d1 - 15, d2 - 28 [Артикул: 31209]
Подробнее
31209

ВНИМАНИЕ! Товар временно недоступен для заказа!

Цель применения:

  • Для систем отопления и водоснабжения
  • Для промышленности

Характеристики:

  • Тройник оснащён индикатором прессования;
  • Переходной;
  • В неопресованном состоянии тройник даёт течь.

В объём поставки включено:

  • Чёрные уплотнительные кольца (CIIR).

Материал: Нержавеющая сталь 1.4401 (DIN EN 10088)

Угол поворота: 90°

Скачать инструкцию по монтажу: Система Geberit Mapress

d d1 d2 L L1
мм мм мм см см
28 15 28 8,4 4,6
l l2 Z Z1 Z2
см см см см см
4,2 4,2 1,9 2,6 1,9
Тройник Geberit Mapress (нерж ст) переходный, d - 28, d1 - 18, d2 - 28 [Артикул: 31210]
Подробнее
31210

ВНИМАНИЕ! Товар временно недоступен для заказа!

Цель применения:

  • Для систем отопления и водоснабжения
  • Для промышленности

Характеристики:

  • Тройник оснащён индикатором прессования;
  • Переходной;
  • В неопресованном состоянии тройник даёт течь.

В объём поставки включено:

  • Чёрные уплотнительные кольца (CIIR).

Материал: Нержавеющая сталь 1.4401 (DIN EN 10088)

Угол поворота: 90°

Скачать инструкцию по монтажу: Система Geberit Mapress

d d1 d2 L L1
мм мм мм см см
28 18 28 8,4 4,6
l l2 Z Z1 Z2
см см см см см
4,2 4,2 1,9 2,6 1,9
Тройник Geberit Mapress (нерж ст) переходный, d - 28, d1 - 22, d2 - 28 [Артикул: 31211]
Подробнее
31211

ВНИМАНИЕ! Товар временно недоступен для заказа!

Цель применения:

  • Для систем отопления и водоснабжения
  • Для промышленности

Характеристики:

  • Тройник оснащён индикатором прессования;
  • Переходной;
  • В неопресованном состоянии тройник даёт течь.

В объём поставки включено:

  • Чёрные уплотнительные кольца (CIIR).

Материал: Нержавеющая сталь 1.4401 (DIN EN 10088)

Угол поворота: 90°

Скачать инструкцию по монтажу: Система Geberit Mapress

d d1 d2 L L1
мм мм мм см см
28 22 28 8,4 4,7
l l2 Z Z1 Z2
см см см см см
4,2 4,2 1,9 2,6 1,9
Тройник Geberit Mapress (нерж ст) переходный, d - 35, d1 - 15, d2 - 35 [Артикул: 31212]
Подробнее
31212

ВНИМАНИЕ! Товар временно недоступен для заказа!

Цель применения:

  • Для систем отопления и водоснабжения
  • Для промышленности

Характеристики:

  • Тройник оснащён индикатором прессования;
  • Переходной;
  • В неопресованном состоянии тройник даёт течь.

В объём поставки включено:

  • Чёрные уплотнительные кольца (CIIR).

Материал: Нержавеющая сталь 1.4401 (DIN EN 10088)

Угол поворота: 90°

Скачать инструкцию по монтажу: Система Geberit Mapress

d d1 d2 L L1
мм мм мм см см
35 15 35 10 4,9
l l2 Z Z1 Z2
см см см см см
5 5 2,4 2,9 2,4
Тройник Geberit Mapress (нерж ст) переходный, d - 35, d1 - 18, d2 - 35 [Артикул: 31213]
Подробнее
31213

ВНИМАНИЕ! Товар временно недоступен для заказа!

Цель применения:

  • Для систем отопления и водоснабжения
  • Для промышленности

Характеристики:

  • Тройник оснащён индикатором прессования;
  • Переходной;
  • В неопресованном состоянии тройник даёт течь.

В объём поставки включено:

  • Чёрные уплотнительные кольца (CIIR).

Материал: Нержавеющая сталь 1.4401 (DIN EN 10088)

Угол поворота: 90°

Скачать инструкцию по монтажу: Система Geberit Mapress

d d1 d2 L L1
мм мм мм см см
35 18 35 10 4,9
l l2 Z Z1 Z2
см см см см см
5 5 2,4 2,9 2,4
Тройник Geberit Mapress (нерж ст) переходный, d - 35, d1 - 22, d2 - 35 [Артикул: 31214]
Подробнее
31214

ВНИМАНИЕ! Товар временно недоступен для заказа!

Цель применения:

  • Для систем отопления и водоснабжения
  • Для промышленности

Характеристики:

  • Тройник оснащён индикатором прессования;
  • Переходной;
  • В неопресованном состоянии тройник даёт течь.

В объём поставки включено:

  • Чёрные уплотнительные кольца (CIIR).

Материал: Нержавеющая сталь 1.4401 (DIN EN 10088)

Угол поворота: 90°

Скачать инструкцию по монтажу: Система Geberit Mapress

d d1 d2 L L1
мм мм мм см см
35 22 35 10 5
l l2 Z Z1 Z2
см см см см см
3,4 4,5 1,4 2,1 2,5
Тройник Geberit Mapress (нерж ст) переходный, d - 35, d1 - 28, d2 - 35 [Артикул: 31215]
Подробнее
31215

ВНИМАНИЕ! Товар временно недоступен для заказа!

Цель применения:

  • Для систем отопления и водоснабжения
  • Для промышленности

Характеристики:

  • Тройник оснащён индикатором прессования;
  • Переходной;
  • В неопресованном состоянии тройник даёт течь.

В объём поставки включено:

  • Чёрные уплотнительные кольца (CIIR).

Материал: Нержавеющая сталь 1.4401 (DIN EN 10088)

Угол поворота: 90°

Скачать инструкцию по монтажу: Система Geberit Mapress

d d1 d2 L L1
мм мм мм см см
35 28 35 10 5,3
l l2 Z Z1 Z2
см см см см см
5 5 2,4 3 2,4
Тройник Geberit Mapress (нерж ст) переходный, d - 42, d1 - 15, d2 - 42 [Артикул: 31216]
Подробнее
31216

ВНИМАНИЕ! Товар временно недоступен для заказа!

Цель применения:

  • Для систем отопления и водоснабжения
  • Для промышленности

Характеристики:

  • Тройник оснащён индикатором прессования;
  • Переходной;
  • В неопресованном состоянии тройник даёт течь.

В объём поставки включено:

  • Чёрные уплотнительные кольца (CIIR).

Материал: Нержавеющая сталь 1.4401 (DIN EN 10088)

Угол поворота: 90°

Скачать инструкцию по монтажу: Система Geberit Mapress

d d1 d2 L L1
мм мм мм см см
42 15 42 11,4 5,3
l l2 Z Z1 Z2
см см см см см
5,7 5,7 2,7 3,3 2,7
Тройник Geberit Mapress (нерж ст) переходный, d - 42, d1 - 18, d2 - 42 [Артикул: 31217]
Подробнее
31217

ВНИМАНИЕ! Товар временно недоступен для заказа!

Цель применения:

  • Для систем отопления и водоснабжения
  • Для промышленности

Характеристики:

  • Тройник оснащён индикатором прессования;
  • Переходной;
  • В неопресованном состоянии тройник даёт течь.

В объём поставки включено:

  • Чёрные уплотнительные кольца (CIIR).

Материал: Нержавеющая сталь 1.4401 (DIN EN 10088)

Угол поворота: 90°

Скачать инструкцию по монтажу: Система Geberit Mapress

d d1 d2 L L1
мм мм мм см см
42 18 42 11,4 5,3
l l2 Z Z1 Z2
см см см см см
5,7 5,7 2,7 3,3 2,7
Тройник Geberit Mapress (нерж ст) переходный, d - 42, d1 - 22, d2 - 42 [Артикул: 31218]
Подробнее
31218

ВНИМАНИЕ! Товар временно недоступен для заказа!

Цель применения:

  • Для систем отопления и водоснабжения
  • Для промышленности

Характеристики:

  • Тройник оснащён индикатором прессования;
  • Переходной;
  • В неопресованном состоянии тройник даёт течь.

В объём поставки включено:

  • Чёрные уплотнительные кольца (CIIR).

Материал: Нержавеющая сталь 1.4401 (DIN EN 10088)

Угол поворота: 90°

Скачать инструкцию по монтажу: Система Geberit Mapress

d d1 d2 L L1
мм мм мм см см
42 22 42 11,4 5,4
l l2 Z Z1 Z2
см см см см см
5,7 5,7 2,7 3,3 2,7
Тройник Geberit Mapress (нерж ст) переходный, d - 42, d1 - 28, d2 - 42 [Артикул: 31219]
Подробнее
31219

ВНИМАНИЕ! Товар временно недоступен для заказа!

Цель применения:

  • Для систем отопления и водоснабжения
  • Для промышленности

Характеристики:

  • Тройник оснащён индикатором прессования;
  • Переходной;
  • В неопресованном состоянии тройник даёт течь.

В объём поставки включено:

  • Чёрные уплотнительные кольца (CIIR).

Материал: Нержавеющая сталь 1.4401 (DIN EN 10088)

Угол поворота: 90°

Скачать инструкцию по монтажу: Система Geberit Mapress

d d1 d2 L L1
мм мм мм см см
42 28 42 11,4 5,7
l l2 Z Z1 Z2
см см см см см
5,7 5,7 2,7 3,4 2,7
Тройник Geberit Mapress (нерж ст) переходный, d - 42, d1 - 35, d2 - 42 [Артикул: 31220]
Подробнее
31220

ВНИМАНИЕ! Товар временно недоступен для заказа!

Цель применения:

  • Для систем отопления и водоснабжения
  • Для промышленности

Характеристики:

  • Тройник оснащён индикатором прессования;
  • Переходной;
  • В неопресованном состоянии тройник даёт течь.

В объём поставки включено:

  • Чёрные уплотнительные кольца (CIIR).

Материал: Нержавеющая сталь 1.4401 (DIN EN 10088)

Угол поворота: 90°

Скачать инструкцию по монтажу: Система Geberit Mapress

d d1 d2 L L1
мм мм мм см см
42 35 42 11,4 6,1
l l2 Z Z1 Z2
см см см см см
5,7 5,7 2,7 3,5 2,7
Тройник Geberit Mapress (нерж ст) переходный, d - 54, d1 - 15, d2 - 54 [Артикул: 31221]
Подробнее
31221

ВНИМАНИЕ! Товар временно недоступен для заказа!

Цель применения:

  • Для систем отопления и водоснабжения
  • Для промышленности

Характеристики:

  • Тройник оснащён индикатором прессования;
  • Переходной;
  • В неопресованном состоянии тройник даёт течь.

В объём поставки включено:

  • Чёрные уплотнительные кольца (CIIR).

Материал: Нержавеющая сталь 1.4401 (DIN EN 10088)

Угол поворота: 90°

Скачать инструкцию по монтажу: Система Geberit Mapress

d d1 d2 L L1
мм мм мм см см
54 15 54 13,8 5,9
l l2 Z Z1 Z2
см см см см см
6,9 6,9 3,4 3,9 3,4
Тройник Geberit Mapress (нерж ст) переходный, d - 54, d1 - 18, d2 - 54 [Артикул: 31222]
Подробнее
31222

ВНИМАНИЕ! Товар временно недоступен для заказа!

Цель применения:

  • Для систем отопления и водоснабжения
  • Для промышленности

Характеристики:

  • Тройник оснащён индикатором прессования;
  • Переходной;
  • В неопресованном состоянии тройник даёт течь.

В объём поставки включено:

  • Чёрные уплотнительные кольца (CIIR).

Материал: Нержавеющая сталь 1.4401 (DIN EN 10088)

Угол поворота: 90°

Скачать инструкцию по монтажу: Система Geberit Mapress

d d1 d2 L L1
мм мм мм см см
54 18 54 13,8 5,9
l l2 Z Z1 Z2
см см см см см
6,9 6,9 3,4 3,9 3,4
Тройник Geberit Mapress (нерж ст) переходный, d - 54, d1 - 22, d2 - 54 [Артикул: 31223]
Подробнее
31223

ВНИМАНИЕ! Товар временно недоступен для заказа!

Цель применения:

  • Для систем отопления и водоснабжения
  • Для промышленности

Характеристики:

  • Тройник оснащён индикатором прессования;
  • Переходной;
  • В неопресованном состоянии тройник даёт течь.

В объём поставки включено:

  • Чёрные уплотнительные кольца (CIIR).

Материал: Нержавеющая сталь 1.4401 (DIN EN 10088)

Угол поворота: 90°

Скачать инструкцию по монтажу: Система Geberit Mapress

d d1 d2 L L1
мм мм мм см см
54 22 54 13,8 6
l l2 Z Z1 Z2
см см см см см
6,9 6,9 3,4 3,9 3,4
Тройник Geberit Mapress (нерж ст) переходный, d - 54, d1 - 28, d2 - 54 [Артикул: 31224]
Подробнее
31224

ВНИМАНИЕ! Товар временно недоступен для заказа!

Цель применения:

  • Для систем отопления и водоснабжения
  • Для промышленности

Характеристики:

  • Тройник оснащён индикатором прессования;
  • Переходной;
  • В неопресованном состоянии тройник даёт течь.

В объём поставки включено:

  • Чёрные уплотнительные кольца (CIIR).

Материал: Нержавеющая сталь 1.4401 (DIN EN 10088)

Угол поворота: 90°

Скачать инструкцию по монтажу: Система Geberit Mapress

d d1 d2 L L1
мм мм мм см см
54 28 54 13,8 6,3
l l2 Z Z1 Z2
см см см см см
6,9 6,9 3,4 4 3,4
Тройник Geberit Mapress (нерж ст) переходный, d - 54, d1 - 35, d2 - 54 [Артикул: 31225]
Подробнее
31225

ВНИМАНИЕ! Товар временно недоступен для заказа!

Цель применения:

  • Для систем отопления и водоснабжения
  • Для промышленности

Характеристики:

  • Тройник оснащён индикатором прессования;
  • Переходной;
  • В неопресованном состоянии тройник даёт течь.

В объём поставки включено:

  • Чёрные уплотнительные кольца (CIIR).

Материал: Нержавеющая сталь 1.4401 (DIN EN 10088)

Угол поворота: 90°

Скачать инструкцию по монтажу: Система Geberit Mapress

d d1 d2 L L1
мм мм мм см см
54 35 54 13,8 6,7
l l2 Z Z1 Z2
см см см см см
6,9 6,9 3,4 4,1 3,4
Тройник Geberit Mapress (нерж ст) переходный, d - 54, d1 - 42, d2 - 54 [Артикул: 31226]
Подробнее
31226

ВНИМАНИЕ! Товар временно недоступен для заказа!

Цель применения:

  • Для систем отопления и водоснабжения
  • Для промышленности

Характеристики:

  • Тройник оснащён индикатором прессования;
  • Переходной;
  • В неопресованном состоянии тройник даёт течь.

В объём поставки включено:

  • Чёрные уплотнительные кольца (CIIR).

Материал: Нержавеющая сталь 1.4401 (DIN EN 10088)

Угол поворота: 90°

Скачать инструкцию по монтажу: Система Geberit Mapress

d d1 d2 L L1
мм мм мм см см
54 42 54 13,8 7,1
l l2 Z Z1 Z2
см см см см см
6,9 6,9 3,4 4,1 3,4
Тройник Geberit Mapress (нерж ст) переходный, d - 22, d1 - 15, d2 - 18 [Артикул: 31227]
Подробнее
31227

ВНИМАНИЕ! Товар временно недоступен для заказа!

Цель применения:

  • Для систем отопления и водоснабжения
  • Для промышленности

Характеристики:

  • Тройник оснащён индикатором прессования;
  • Переходной;
  • В неопресованном состоянии тройник даёт течь.

В объём поставки включено:

  • Чёрные уплотнительные кольца (CIIR).

Материал: Нержавеющая сталь 1.4401 (DIN EN 10088)

Угол поворота: 90°

Скачать инструкцию по монтажу: Система Geberit Mapress

d d1 d2 L L1
мм мм мм см см
22 15 18 8,5 4,3
l l2 Z Z1 Z2
см см см см см
3,7 4,8 1,6 2,3 2,8

Смотрите также