Логотип
Ru| En

Офис: м. Бауманская

Склад: Ленинские Горки

Loading

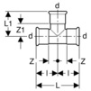
Тройники Geberit Mapress из стали

Тройники Mapress, предназначенные для соединения между собой нескольких участков трубопровода систем водоснабжения и отопления, а также промышленных трубопроводов, изготавливаются из нержавеющей стали 1.4401 и нелегированной стали 1.0034 E 195. Для максимального удобства тройники оснащаются индикатором прессования, при этом в неопрессованном состоянии они дают течь. Тройники имеют угол поворота 90°. Общая длина тройников колеблется от 6,4 до 31 см, а их диаметр может быть от 15 до 108 мм. Также выпускаются переходные тройники и тройники с внутренней или наружной резьбой.

В данную группу товаров также входят тройники Mapress, изготовленные из специальной стали, лишённой силикона. Тройники Mapress, имеющие жёлтую маркировку, могут использоваться в системах подачи природного или сжиженного газа, при этом они сохраняют работоспособность при температурах -20 – +70 °C.

В комплект поставки входят специальные чёрные уплотнительные кольца (CIIR).

Фото Наименование Артикул Цена
Тройник Geberit Mapress (нерж ст) переходный, пресс/внутренняя резьба BSP/пресс, Rp - 3/4", d - 54 [Артикул: 31321]
Подробнее
31321

ВНИМАНИЕ! Товар временно недоступен для заказа!

Цель применения:

  • Для систем отопления и водоснабжения
  • Для промышленности

Характеристики:

  • Тройник оснащён индикатором прессования;
  • Имеется внутренняя резьба;
  • В неопресованном состоянии тройник даёт течь.

В объём поставки включено:

  • Чёрные уплотнительные кольца (CIIR).

Материал: Нержавеющая сталь 1.4401 (DIN EN 10088)

Угол поворота: 90°

Скачать инструкцию по монтажу: Система Geberit Mapress

d d1 Rp L L1 l l2 Z Z1 Z2
мм мм '' см см см см см см см
54 54 3/4 13,8 6,2 6,9 6,9 3,4 4,7 3,4
Тройник Geberit Mapress из нержавеющей стали, с внутренней резьбой, d - 54мм, Rp - 1", d1 - 54мм [Артикул: 31322]
Подробнее
31322

ВНИМАНИЕ! Товар временно недоступен для заказа!

Тройник Geberit Mapress (нерж ст) переходный, пресс/внутренняя резьба BSP/пресс, Rp - 2", d - 54 [Артикул: 31324]
Подробнее
31324

ВНИМАНИЕ! Товар временно недоступен для заказа!

Цель применения:

  • Для систем отопления и водоснабжения
  • Для промышленности

Характеристики:

  • Тройник оснащён индикатором прессования;
  • Имеется внутренняя резьба;
  • В неопресованном состоянии тройник даёт течь.

В объём поставки включено:

  • Чёрные уплотнительные кольца (CIIR).

Материал: Нержавеющая сталь 1.4401 (DIN EN 10088)

Угол поворота: 90°

Скачать инструкцию по монтажу: Система Geberit Mapress

d d1 Rp L L1 l l2 Z Z1 Z2
мм мм '' см см см см см см см
54 54 2 13,8 7,9 6,9 6,9 3,4 5,6 3,4
Тройник Geberit Mapress (нерж ст) переходный, пресс/внутренняя резьба BSP/пресс, Rp - 3/4", d - 76,1 [Артикул: 31326]
Подробнее
31326

ВНИМАНИЕ! Товар временно недоступен для заказа!

Цель применения:

  • Для систем отопления и водоснабжения
  • Для промышленности

Характеристики:

  • Тройник оснащён индикатором прессования;
  • Имеется внутренняя резьба;
  • В неопресованном состоянии тройник даёт течь.

В объём поставки включено:

  • Чёрные уплотнительные кольца (CIIR).

Материал: Нержавеющая сталь 1.4401 (DIN EN 10088)

Угол поворота: 90°

Скачать инструкцию по монтажу: Система Geberit Mapress

d d1 Rp L L1 l l2 Z Z1 Z2
мм мм '' см см см см см см см
76,1 76,1 3/4 23 7,9 11,5 11,5 6,2 6,4 6,2
Тройник Geberit Mapress (нерж ст) переходный, пресс/внутренняя резьба BSP/пресс, Rp - 2", d - 76,1 [Артикул: 31329]
Подробнее
31329

ВНИМАНИЕ! Товар временно недоступен для заказа!

Цель применения:

  • Для систем отопления и водоснабжения
  • Для промышленности

Характеристики:

  • Тройник оснащён индикатором прессования;
  • Имеется внутренняя резьба;
  • В неопресованном состоянии тройник даёт течь.

В объём поставки включено:

  • Чёрные уплотнительные кольца (CIIR).

Материал: Нержавеющая сталь 1.4401 (DIN EN 10088)

Угол поворота: 90°

Скачать инструкцию по монтажу: Система Geberit Mapress

d d1 Rp L L1 l l2 Z Z1 Z2
мм мм '' см см см см см см см
76,1 76,1 2 23 8,9 11,5 11,5 6,2 6,6 6,2
Тройник Geberit Mapress (нерж ст) переходный, пресс/внутренняя резьба BSP/пресс, Rp - 3/4", d - 88,9 [Артикул: 31331]
Подробнее
31331

ВНИМАНИЕ! Товар временно недоступен для заказа!

Цель применения:

  • Для систем отопления и водоснабжения
  • Для промышленности

Характеристики:

  • Тройник оснащён индикатором прессования;
  • Имеется внутренняя резьба;
  • В неопресованном состоянии тройник даёт течь.

В объём поставки включено:

  • Чёрные уплотнительные кольца (CIIR).

Материал: Нержавеющая сталь 1.4401 (DIN EN 10088)

Угол поворота: 90°

Скачать инструкцию по монтажу: Система Geberit Mapress

d d1 Rp L L1 l l2 Z Z1 Z2
мм мм '' см см см см см см см
88,9 88,9 3/4 26 8,8 13 13 7 7,3 7
Тройник Geberit Mapress (нерж ст) переходный, пресс/внутренняя резьба BSP/пресс, Rp - 2", d - 88,9 [Артикул: 31334]
Подробнее
31334

ВНИМАНИЕ! Товар временно недоступен для заказа!

Цель применения:

  • Для систем отопления и водоснабжения
  • Для промышленности

Характеристики:

  • Тройник оснащён индикатором прессования;
  • Имеется внутренняя резьба;
  • В неопресованном состоянии тройник даёт течь.

В объём поставки включено:

  • Чёрные уплотнительные кольца (CIIR).

Материал: Нержавеющая сталь 1.4401 (DIN EN 10088)

Угол поворота: 90°

Скачать инструкцию по монтажу: Система Geberit Mapress

d d1 Rp L L1 l l2 Z Z1 Z2
мм мм '' см см см см см см см
88,9 88,9 2 26 9,6 13 13 7 7,3 7
Тройник Geberit Mapress (нерж ст) переходный, пресс/внутренняя резьба BSP/пресс, Rp - 3/4", d - 108 [Артикул: 31336]
Подробнее
31336

ВНИМАНИЕ! Товар временно недоступен для заказа!

Цель применения:

  • Для систем отопления и водоснабжения
  • Для промышленности

Характеристики:

  • Тройник оснащён индикатором прессования;
  • Имеется внутренняя резьба;
  • В неопресованном состоянии тройник даёт течь.

В объём поставки включено:

  • Чёрные уплотнительные кольца (CIIR).

Материал: Нержавеющая сталь 1.4401 (DIN EN 10088)

Угол поворота: 90°

Скачать инструкцию по монтажу: Система Geberit Mapress

d d1 Rp L L1 l l2 Z Z1 Z2
мм мм '' см см см см см см см
108 108 3/4 31 10,5 15,5 15,5 8 9 8
Тройник Geberit Mapress (нерж ст) переходный, пресс/внутренняя резьба BSP/пресс, Rp - 2", d - 108 [Артикул: 31339]
Подробнее
31339

ВНИМАНИЕ! Товар временно недоступен для заказа!

Цель применения:

  • Для систем отопления и водоснабжения
  • Для промышленности

Характеристики:

  • Тройник оснащён индикатором прессования;
  • Имеется внутренняя резьба;
  • В неопресованном состоянии тройник даёт течь.

В объём поставки включено:

  • Чёрные уплотнительные кольца (CIIR).

Материал: Нержавеющая сталь 1.4401 (DIN EN 10088)

Угол поворота: 90°

Скачать инструкцию по монтажу: Система Geberit Mapress

d d1 Rp L L1 l l2 Z Z1 Z2
мм мм '' см см см см см см см
108 108 2 31 11,5 15,5 15,5 8 9,2 8
Тройник Geberit Mapress (нерж ст) переходный, пресс/наружная резьба BSP/пресс, R - 3/8", d - 15 [Артикул: 31401]
Подробнее
31401

ВНИМАНИЕ! Товар временно недоступен для заказа!

Цель применения:

  • Для систем отопления и водоснабжения
  • Для промышленности

Характеристики:

  • Тройник оснащён индикатором прессования;
  • Имеется наружная резьба;
  • В неопресованном состоянии тройник даёт течь.

В объём поставки включено:

  • Чёрные уплотнительные кольца (CIIR).

Материал: Нержавеющая сталь 1.4401 (DIN EN 10088)

Угол поворота: 90°

Скачать инструкцию по монтажу: Система Geberit Mapress

d d1 R H L l l2 Z Z1
мм мм '' см см см см см см
15 15 3/8 5 6,4 3,2 3,2 1,2 1,2
Тройник Geberit Mapress (нерж ст) переходный, пресс/наружная резьба BSP/пресс, R - 1/2", d - 15 [Артикул: 31454]
Подробнее
31454

ВНИМАНИЕ! Товар временно недоступен для заказа!

Цель применения:

  • Для систем отопления и водоснабжения
  • Для промышленности

Характеристики:

  • Тройник оснащён индикатором прессования;
  • Имеется наружная резьба;
  • В неопресованном состоянии тройник даёт течь.

В объём поставки включено:

  • Чёрные уплотнительные кольца (CIIR).

Материал: Нержавеющая сталь 1.4401 (DIN EN 10088)

Угол поворота: 90°

Скачать инструкцию по монтажу: Система Geberit Mapress

d d1 R H L l l2 Z Z1
мм мм '' см см см см см см
15 15 1/2 3,4 6,4 3,2 3,2 1,2 1,2
Тройник Geberit Mapress (нерж ст) переходный, пресс/наружная резьба BSP/пресс, R - 1/2", d - 18 [Артикул: 31455]
Подробнее
31455

ВНИМАНИЕ! Товар временно недоступен для заказа!

Цель применения:

  • Для систем отопления и водоснабжения
  • Для промышленности

Характеристики:

  • Тройник оснащён индикатором прессования;
  • Имеется наружная резьба;
  • В неопресованном состоянии тройник даёт течь.

В объём поставки включено:

  • Чёрные уплотнительные кольца (CIIR).

Материал: Нержавеющая сталь 1.4401 (DIN EN 10088)

Угол поворота: 90°

Скачать инструкцию по монтажу: Система Geberit Mapress

d d1 R H L l l2 Z Z1
мм мм '' см см см см см см
18 18 1/2 3,6 6,8 3,4 3,4 1,4 1,4
Тройник Geberit Mapress (нерж ст) переходный, пресс/наружная резьба BSP/пресс, R - 3/4", d - 22 [Артикул: 31458]
Подробнее
31458

ВНИМАНИЕ! Товар временно недоступен для заказа!

Цель применения:

  • Для систем отопления и водоснабжения
  • Для промышленности

Характеристики:

  • Тройник оснащён индикатором прессования;
  • Имеется наружная резьба;
  • В неопресованном состоянии тройник даёт течь.

В объём поставки включено:

  • Чёрные уплотнительные кольца (CIIR).

Материал: Нержавеющая сталь 1.4401 (DIN EN 10088)

Угол поворота: 90°

Скачать инструкцию по монтажу: Система Geberit Mapress

d d1 R H L l l2 Z Z1
мм мм '' см см см см см см
22 22 3/4 4,2 7,4 3,7 3,7 1,6 1,6
Тройник Geberit Mapress (нерж ст) переходный, пресс/наружная резьба BSP/пресс, R - 1", d - 28 [Артикул: 31461]
Подробнее
31461

ВНИМАНИЕ! Товар временно недоступен для заказа!

Цель применения:

  • Для систем отопления и водоснабжения
  • Для промышленности

Характеристики:

  • Тройник оснащён индикатором прессования;
  • Имеется наружная резьба;
  • В неопресованном состоянии тройник даёт течь.

В объём поставки включено:

  • Чёрные уплотнительные кольца (CIIR).

Материал: Нержавеющая сталь 1.4401 (DIN EN 10088)

Угол поворота: 90°

Скачать инструкцию по монтажу: Система Geberit Mapress

d d1 R H L l l2 Z Z1
мм мм '' см см см см см см
28 28 1 4,8 8,4 4,2 4,2 1,9 1,9
Тройник Geberit Mapress (нерж ст) переходный, пресс/наружная резьба BSP/пресс, R - 1 1/4", d - 35 [Артикул: 31464]
Подробнее
31464

ВНИМАНИЕ! Товар временно недоступен для заказа!

Цель применения:

  • Для систем отопления и водоснабжения
  • Для промышленности

Характеристики:

  • Тройник оснащён индикатором прессования;
  • Имеется наружная резьба;
  • В неопресованном состоянии тройник даёт течь.

В объём поставки включено:

  • Чёрные уплотнительные кольца (CIIR).

Материал: Нержавеющая сталь 1.4401 (DIN EN 10088)

Угол поворота: 90°

Скачать инструкцию по монтажу: Система Geberit Mapress

d d1 R H L l l2 Z Z1
мм мм '' см см см см см см
35 35 1 1/4 5,4 10 5 5 2,4 2,4
Тройник Geberit Mapress переходной из нержавеющей стали, d - 22мм, d1 - 12мм, d2 - 22мм [Артикул: 33007]
Подробнее
33007

ВНИМАНИЕ! Товар временно недоступен для заказа!

Тройник Geberit Mapress равнопроходной из нержавеющей стали, d - 12мм [Артикул: 33008]
Подробнее
33008

ВНИМАНИЕ! Товар временно недоступен для заказа!

Тройник Geberit Mapress (нерж ст для газа), d - 15 [Артикул: 34028]
Подробнее
34028

ВНИМАНИЕ! Товар временно недоступен для заказа!

Цель применения:

  • Монтируется в системах подачи сжиженного или природного газа

Характеристики:

  • Жёлтая маркировка;
  • Имеется индикатор прессования;
  • В неопрессованном состоянии тройник даёт течь.

В объём поставки включено:

  • Уплотнительное кольцо HNBR (жёлтый цвет)

Материал: Нержавеющая сталь 1.4401 (DIN EN 10088)

Рабочая температура: -20 - +70 °C

Угол поворота: 90°

Скачать инструкцию по монтажу: Система Geberit Mapress

d L L1 l Z Z1
мм см см см см см
15 6,4 3,9 3,2 1,2 1,9
Тройник Geberit Mapress (нерж ст для газа), d - 18 [Артикул: 34029]
Подробнее
34029

ВНИМАНИЕ! Товар временно недоступен для заказа!

Цель применения:

  • Монтируется в системах подачи сжиженного или природного газа

Характеристики:

  • Жёлтая маркировка;
  • Имеется индикатор прессования;
  • В неопрессованном состоянии тройник даёт течь.

В объём поставки включено:

  • Уплотнительное кольцо HNBR (жёлтый цвет)

Материал: Нержавеющая сталь 1.4401 (DIN EN 10088)

Рабочая температура: -20 - +70 °C

Угол поворота: 90°

Скачать инструкцию по монтажу: Система Geberit Mapress

d L L1 l Z Z1
мм см см см см см
18 6,8 4,1 3,4 1,4 2,1
Тройник Geberit Mapress (нерж ст для газа), d - 22 [Артикул: 34030]
Подробнее
34030

ВНИМАНИЕ! Товар временно недоступен для заказа!

Цель применения:

  • Монтируется в системах подачи сжиженного или природного газа

Характеристики:

  • Жёлтая маркировка;
  • Имеется индикатор прессования;
  • В неопрессованном состоянии тройник даёт течь.

В объём поставки включено:

  • Уплотнительное кольцо HNBR (жёлтый цвет)

Материал: Нержавеющая сталь 1.4401 (DIN EN 10088)

Рабочая температура: -20 - +70 °C

Угол поворота: 90°

Скачать инструкцию по монтажу: Система Geberit Mapress

d L L1 l Z Z1
мм см см см см см
22 7,4 4,4 3,7 1,6 2,3

Смотрите также