Логотип
Ru| En

Офис: м. Бауманская

Склад: Ленинские Горки

Loading

Тройники Geberit Mapress из стали

Тройники Mapress, предназначенные для соединения между собой нескольких участков трубопровода систем водоснабжения и отопления, а также промышленных трубопроводов, изготавливаются из нержавеющей стали 1.4401 и нелегированной стали 1.0034 E 195. Для максимального удобства тройники оснащаются индикатором прессования, при этом в неопрессованном состоянии они дают течь. Тройники имеют угол поворота 90°. Общая длина тройников колеблется от 6,4 до 31 см, а их диаметр может быть от 15 до 108 мм. Также выпускаются переходные тройники и тройники с внутренней или наружной резьбой.

В данную группу товаров также входят тройники Mapress, изготовленные из специальной стали, лишённой силикона. Тройники Mapress, имеющие жёлтую маркировку, могут использоваться в системах подачи природного или сжиженного газа, при этом они сохраняют работоспособность при температурах -20 – +70 °C.

В комплект поставки входят специальные чёрные уплотнительные кольца (CIIR).

Фото Наименование Артикул Цена
[СНЯТ С ПРОИЗВОДСТВА] - Тройник переходный Geberit Mapress (CuNiFe), FKM, d 54-35-54 [Артикул: 53380]
Подробнее
53380

ВНИМАНИЕ! Товар временно недоступен для заказа!

Цель применения:

  • Для трубопроводов, транспортирующих трюмные сточные воды

Характеристики:

  • Имеется прессовый индикатор;
  • Тройник переходный.

В объём поставки включено:

  • Синее уплотнительное кольцо FKM

Материал: CuNi10Fe1.6Mn, материал № 2.1972.11

Скачать инструкцию по монтажу: Система Geberit Mapress

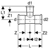
d d1 d2 L L1 l l2 Z Z1 Z2
мм мм мм см см см см см см см
54 35 54 13,8 6,8 6,9 6,9 3,4 4,2 3,4
[СНЯТ С ПРОИЗВОДСТВА] - Тройник переходный Geberit Mapress (CuNiFe), FKM, d 54-42-54 [Артикул: 53381]
Подробнее
53381

ВНИМАНИЕ! Товар временно недоступен для заказа!

Цель применения:

  • Для трубопроводов, транспортирущих трюмные сточные воды

Характеристики:

  • Имеется прессовый индикатор;
  • Тройник переходный.

В объём поставки включено:

  • Синее уплотнительное кольцо FKM

Материал: CuNi10Fe1.6Mn, материал № 2.1972.11

Скачать инструкцию по монтажу: Система Geberit Mapress

d d1 d2 L L1 l l2 Z Z1 Z2
мм мм мм см см см см см см см
54 42 54 13,8 7,2 6,9 6,9 3,4 4,2 3,4
[СНЯТ С ПРОИЗВОДСТВА] - Тройник переходный Geberit Mapress (CuNiFe), FKM, d76,1-22-76,1 [Артикул: 53389]
Подробнее
53389

ВНИМАНИЕ! Товар временно недоступен для заказа!

Цель применения:

  • Для трубопроводов, транспортирующих трюмные сточные воды

Характеристики:

  • Имеется прессовый индикатор;
  • Тройник переходный.

В объём поставки включено:

  • Синее уплотнительное кольцо FKM

Материал: CuNi10Fe1.6Mn, материал № 2.1972.11

Скачать инструкцию по монтажу: Система Geberit Mapress

d d1 d2 L L1 l l2 Z Z1 Z2
мм мм мм см см см см см см см
76,1 22 76,1 23 7,7 11,5 11,5 6,2 5,6 6,2
[СНЯТ С ПРОИЗВОДСТВА] - Тройник переходный Geberit Mapress (CuNiFe), FKM, d76,1-28-76,1 [Артикул: 53390]
Подробнее
53390

ВНИМАНИЕ! Товар временно недоступен для заказа!

Цель применения:

  • Для трубопроводов, транспортирующих трюмные сточные воды

Характеристики:

  • Имеется прессовый индикатор;
  • Тройник переходный.

В объём поставки включено:

  • Синее уплотнительное кольцо FKM

Материал: CuNi10Fe1.6Mn, материал № 2.1972.11

Скачать инструкцию по монтажу: Система Geberit Mapress

d d1 d2 L L1 l l2 Z Z1 Z2
мм мм мм см см см см см см см
76,1 28 76,1 23 7,9 11,5 11,5 6,2 5,6 6,2
[СНЯТ С ПРОИЗВОДСТВА] - Тройник переходный Geberit Mapress (CuNiFe), FKM, d76,1-35-76,1 [Артикул: 53391]
Подробнее
53391

ВНИМАНИЕ! Товар временно недоступен для заказа!

Цель применения:

  • Для трубопроводов, транспортирующих трюмные сточные воды

Характеристики:

  • Имеется прессовый индикатор;
  • Тройник переходный.

В объём поставки включено:

  • Синее уплотнительное кольцо FKM

Материал: CuNi10Fe1.6Mn, материал № 2.1972.11

Скачать инструкцию по монтажу: Система Geberit Mapress

d d1 d2 L L1 l l2 Z Z1 Z2
мм мм мм см см см см см см см
76,1 35 76,1 23 8,1 11,5 11,5 6,2 5,5 6,2
[СНЯТ С ПРОИЗВОДСТВА] - Тройник переходный Geberit Mapress (CuNiFe), FKM, d76,1-42-76,1 [Артикул: 53392]
Подробнее
53392

ВНИМАНИЕ! Товар временно недоступен для заказа!

Цель применения:

  • Для трубопроводов, транспортирующих трюмные сточные воды

Характеристики:

  • Имеется прессовый индикатор;
  • Тройник переходный.

В объём поставки включено:

  • Синее уплотнительное кольцо FKM

Материал: CuNi10Fe1.6Mn, материал № 2.1972.11

Скачать инструкцию по монтажу: Система Geberit Mapress

d d1 d2 L L1 l l2 Z Z1 Z2
мм мм мм см см см см см см см
76,1 42 76,1 23 8,1 11,5 11,5 6,2 5,1 6,2
[СНЯТ С ПРОИЗВОДСТВА] - Тройник переходный Geberit Mapress (CuNiFe), FKM, d76,1-54-76,1 [Артикул: 53393]
Подробнее
53393

ВНИМАНИЕ! Товар временно недоступен для заказа!

Цель применения:

  • Для трубопроводов, транспортирующих трюмные сточные воды

Характеристики:

  • Имеется прессовый индикатор;
  • Тройник переходный.

В объём поставки включено:

  • Синее уплотнительное кольцо FKM

Материал: CuNi10Fe1.6Mn, материал № 2.1972.11

Скачать инструкцию по монтажу: Система Geberit Mapress

d d1 d2 L L1 l l2 Z Z1 Z2
мм мм мм см см см см см см см
76,1 54 76,1 23 8,7 11,5 11,5 6,2 5,2 6,2
[СНЯТ С ПРОИЗВОДСТВА] - Тройник переходный Geberit Mapress (CuNiFe), FKM, d88,9-42-88,9 [Артикул: 53398]
Подробнее
53398

ВНИМАНИЕ! Товар временно недоступен для заказа!

Цель применения:

  • Для трубопроводов, транспортирующих трюмные сточные воды

Характеристики:

  • Имеется прессовый индикатор;
  • Тройник переходный.

В объём поставки включено:

  • Синее уплотнительное кольцо FKM

Материал: CuNi10Fe1.6Mn, материал № 2.1972.11

Скачать инструкцию по монтажу: Система Geberit Mapress

d d1 d2 L L1 l l2 Z Z1 Z2
мм мм мм см см см см см см см
88,9 42 88,9 26 9,2 13 13 7 6,2 7
[СНЯТ С ПРОИЗВОДСТВА] - Тройник переходный Geberit Mapress (CuNiFe), FKM, d88,9-54-88,9 [Артикул: 53399]
Подробнее
53399

ВНИМАНИЕ! Товар временно недоступен для заказа!

Цель применения:

  • Для трубопроводов, транспортирующих трюмные сточные воды

Характеристики:

  • Имеется прессовый индикатор;
  • Тройник переходный.

В объём поставки включено:

  • Синее уплотнительное кольцо FKM

Материал: CuNi10Fe1.6Mn, материал № 2.1972.11

Скачать инструкцию по монтажу: Система Geberit Mapress

d d1 d2 L L1 l l2 Z Z1 Z2
мм мм мм см см см см см см см
88,9 54 88,9 26 9,3 13 13 7 5,8 7
[СНЯТ С ПРОИЗВОДСТВА] - Тройник переходный Geberit Mapress (CuNiFe), FKM, d88,9-76,1-88,9 [Артикул: 53400]
Подробнее
53400

ВНИМАНИЕ! Товар временно недоступен для заказа!

Цель применения:

  • Для трубопроводов, транспортирующих трюмные сточные воды

Характеристики:

  • Имеется прессовый индикатор;
  • Тройник переходный.

В объём поставки включено:

  • Синее уплотнительное кольцо FKM

Материал: CuNi10Fe1.6Mn, материал № 2.1972.11

Скачать инструкцию по монтажу: Система Geberit Mapress

d d1 d2 L L1 l l2 Z Z1 Z2
мм мм мм см см см см см см см
88,9 76,1 88,9 26 11,4 13 13 7 6,1 7
[СНЯТ С ПРОИЗВОДСТВА] - Тройник переходный Geberit Mapress (CuNiFe), FKM, d108-42-108 [Артикул: 53404]
Подробнее
53404

ВНИМАНИЕ! Товар временно недоступен для заказа!

Цель применения:

  • Для трубопроводов, транспортирующих трюмные сточные воды

Характеристики:

  • Имеется прессовый индикатор;
  • Тройник переходный.

В объём поставки включено:

  • Синее уплотнительное кольцо FKM

Материал: CuNi10Fe1.6Mn, материал № 2.1972.11

Скачать инструкцию по монтажу: Система Geberit Mapress

d d1 d2 L L1 l l2 Z Z1 Z2
мм мм мм см см см см см см см
108 42 108 31 11 15,5 15,5 8 8 8
[СНЯТ С ПРОИЗВОДСТВА] - Тройник переходный Geberit Mapress (CuNiFe), FKM, d108-54-108 [Артикул: 53405]
Подробнее
53405

ВНИМАНИЕ! Товар временно недоступен для заказа!

Цель применения:

  • Для трубопроводов, транспортирующих трюмные сточные воды

Характеристики:

  • Имеется прессовый индикатор;
  • Тройник переходный.

В объём поставки включено:

  • Синее уплотнительное кольцо FKM

Материал: CuNi10Fe1.6Mn, материал № 2.1972.11

Скачать инструкцию по монтажу: Система Geberit Mapress

d d1 d2 L L1 l l2 Z Z1 Z2
мм мм мм см см см см см см см
108 54 108 31 11,3 15,5 15,5 8 7,8 8
[СНЯТ С ПРОИЗВОДСТВА] - Тройник переходный Geberit Mapress (CuNiFe), FKM, d108-76,1-108 [Артикул: 53407]
Подробнее
53407

ВНИМАНИЕ! Товар временно недоступен для заказа!

Цель применения:

  • Для трубопроводов, транспортирующих трюмные сточные воды

Характеристики:

  • Имеется прессовый индикатор;
  • Тройник переходный.

В объём поставки включено:

  • Синее уплотнительное кольцо FKM

Материал: CuNi10Fe1.6Mn, материал № 2.1972.11

Скачать инструкцию по монтажу: Система Geberit Mapress

d d1 d2 L L1 l l2 Z Z1 Z2
мм мм мм см см см см см см см
108 76,1 108 31 12,4 15,5 15,5 8 7,1 8
[СНЯТ С ПРОИЗВОДСТВА] - Тройник переходный Geberit Mapress (CuNiFe), FKM, d108-88,9-108 [Артикул: 53408]
Подробнее
53408

ВНИМАНИЕ! Товар временно недоступен для заказа!

Цель применения:

  • Для трубопроводов, транспортирующих трюмные сточные воды

Характеристики:

  • Имеется прессовый индикатор;
  • Тройник переходный.

В объём поставки включено:

  • Синее уплотнительное кольцо FKM

Материал: CuNi10Fe1.6Mn, материал № 2.1972.11

Скачать инструкцию по монтажу: Система Geberit Mapress

d d1 d2 L L1 l l2 Z Z1 Z2
мм мм мм см см см см см см см
108 88,9 108 31 13,5 15,5 15,5 8 7,5 8
[СНЯТ С ПРОИЗВОДСТВА] - Тройник переходный Geberit Mapress (CuNiFe), пресс/внутр. резьба BSP/пресс, FKM, d 15-Rp1/2"-15 [Артикул: 53413]
Подробнее
53413

ВНИМАНИЕ! Товар временно недоступен для заказа!

Цель применения:

  • Для трубопроводов, транспортирующих трюмные сточные воды

Характеристики:

  • Имеется прессовый индикатор;
  • Внутренняя резьба.

В объём поставки включено:

  • Синее уплотнительное кольцо FKM

Материал: CuNi10Fe1.6Mn, материал № 2.1972.11

Скачать инструкцию по монтажу: Система Geberit Mapress

d Rp d1 L L1 l l2 Z Z1 Z2
мм '' мм см см см см см см см
15 1/2 15 6,4 3,7 3,2 3,2 0,8 2,4 0,8
[СНЯТ С ПРОИЗВОДСТВА] - Тройник переходный Geberit Mapress (CuNiFe), пресс/внутр. резьба BSP/пресс, FKM, d 22-Rp1/2"-22 [Артикул: 53416]
Подробнее
53416

ВНИМАНИЕ! Товар временно недоступен для заказа!

Цель применения:

  • Для трубопроводов, транспортирущих трюмные сточные воды

Характеристики:

  • Имеется прессовый индикатор;
  • Внутренняя резьба.

В объём поставки включено:

  • Синее уплотнительное кольцо FKM

Материал: CuNi10Fe1.6Mn, материал № 2.1972.11

Скачать инструкцию по монтажу: Система Geberit Mapress

d Rp d1 L L1 l l2 Z Z1 Z2
мм '' мм см см см см см см см
22 1/2 22 7,4 4,1 3,7 3,7 1,6 2,8 1,6
[СНЯТ С ПРОИЗВОДСТВА] - Тройник переходный Geberit Mapress (CuNiFe), пресс/внутр. резьба BSP/пресс, FKM, d 28-Rp1/2"-28 [Артикул: 53418]
Подробнее
53418

ВНИМАНИЕ! Товар временно недоступен для заказа!

Цель применения:

  • Для трубопроводов, транспортирующих трюмные сточные воды

Характеристики:

  • Имеется прессовый индикатор;
  • Внутренняя резьба.

В объём поставки включено:

  • Синее уплотнительное кольцо FKM

Материал: CuNi10Fe1.6Mn, материал № 2.1972.11

Скачать инструкцию по монтажу: Система Geberit Mapress

d Rp d1 L L1 l l2 Z Z1 Z2
мм '' мм см см см см см см см
28 1/2 28 8,4 4,4 4,2 4,2 1,9 3,1 1,9
[СНЯТ С ПРОИЗВОДСТВА] - Тройник переходный Geberit Mapress (CuNiFe), пресс/внутр. резьба BSP/пресс, FKM, d 28-Rp3/4"-28 [Артикул: 53419]
Подробнее
53419

ВНИМАНИЕ! Товар временно недоступен для заказа!

Цель применения:

  • Для трубопроводов, транспортирующих трюмные сточные воды

Характеристики:

  • Имеется прессовый индикатор;
  • Внутренняя резьба.

В объём поставки включено:

  • Синее уплотнительное кольцо FKM

Материал: CuNi10Fe1.6Mn, материал № 2.1972.11

Скачать инструкцию по монтажу: Система Geberit Mapress

d Rp d1 L L1 l l2 Z Z1 Z2
мм '' мм см см см см см см см
28 3/4 28 8,4 4,6 4,2 4,2 1,9 3,1 1,9
[СНЯТ С ПРОИЗВОДСТВА] - Тройник переходный Geberit Mapress (CuNiFe), пресс/внутр. резьба BSP/пресс, FKM, d 35-Rp1/2"-35 [Артикул: 53421]
Подробнее
53421

ВНИМАНИЕ! Товар временно недоступен для заказа!

Цель применения:

  • Для трубопроводов, транспортирующих трюмные сточные воды

Характеристики:

  • Имеется прессовый индикатор;
  • Внутренняя резьба.

В объём поставки включено:

  • Синее уплотнительное кольцо FKM

Материал: CuNi10Fe1.6Mn, материал № 2.1972.11

Скачать инструкцию по монтажу: Система Geberit Mapress

d Rp d1 L L1 l l2 Z Z1 Z2
мм '' мм см см см см см см см
35 1/2 35 10 4,8 5 5 2,4 3,5 2,4
[СНЯТ С ПРОИЗВОДСТВА] - Тройник переходный Geberit Mapress (CuNiFe), пресс/внутр. резьба BSP/пресс, FKM, d 35-Rp3/4"-35 [Артикул: 53422]
Подробнее
53422

ВНИМАНИЕ! Товар временно недоступен для заказа!

Цель применения:

  • Для трубопроводов, транспортирующих трюмные сточные воды

Характеристики:

  • Имеется прессовый индикатор;
  • Внутренняя резьба.

В объём поставки включено:

  • Синее уплотнительное кольцо FKM

Материал: CuNi10Fe1.6Mn, материал № 2.1972.11

Скачать инструкцию по монтажу: Система Geberit Mapress

d Rp d1 L L1 l l2 Z Z1 Z2
мм '' мм см см см см см см см
35 3/4 35 10 5,3 5 5 2,4 4 2,4

Смотрите также