Логотип
Ru| En

Офис: м. Бауманская

Склад: Ленинские Горки

Loading

Тройники Geberit Mapress из стали

Тройники Mapress, предназначенные для соединения между собой нескольких участков трубопровода систем водоснабжения и отопления, а также промышленных трубопроводов, изготавливаются из нержавеющей стали 1.4401 и нелегированной стали 1.0034 E 195. Для максимального удобства тройники оснащаются индикатором прессования, при этом в неопрессованном состоянии они дают течь. Тройники имеют угол поворота 90°. Общая длина тройников колеблется от 6,4 до 31 см, а их диаметр может быть от 15 до 108 мм. Также выпускаются переходные тройники и тройники с внутренней или наружной резьбой.

В данную группу товаров также входят тройники Mapress, изготовленные из специальной стали, лишённой силикона. Тройники Mapress, имеющие жёлтую маркировку, могут использоваться в системах подачи природного или сжиженного газа, при этом они сохраняют работоспособность при температурах -20 – +70 °C.

В комплект поставки входят специальные чёрные уплотнительные кольца (CIIR).

Фото Наименование Артикул Цена
[СНЯТ С ПРОИЗВОДСТВА] - Тройник переходный Geberit Mapress, оцинк., FKM, d108-88,9-108 [Артикул: 51408]
Подробнее
51408

ВНИМАНИЕ! Товар временно недоступен для заказа!

Цель применения:

  • Для систем, работающих на энергии солнца
  • Для использования в промышленности и в кораблестроении
  • Возможно использование в системах подачи нефти

Характеристики:

  • Оцинковано;
  • Переходный;
  • Фитинг оснащён индикатором прессования.

В объём поставки включено:

  • Синее уплотнительное кольцо FKM

Материал: Нелегированная сталь 1.0034 E 195 (DIN EN 10305)

Скачать инструкцию по монтажу: Система Geberit Mapress

d d1 d2 L L1 l l2 Z Z1 Z2
мм мм мм см см см см см см см
108 88,9 108 31 13,5 15,5 15,5 8 7,5 8
[СНЯТ С ПРОИЗВОДСТВА] - Тройник переходный Geberit Mapress, пресс/внутр. резьба BSP/пресс, FKM, d 15-Rp1/2"-15 [Артикул: 51413]
Подробнее
51413

ВНИМАНИЕ! Товар временно недоступен для заказа!

Цель применения:

  • Для систем, работающих на энергии солнца
  • Для использования в промышленности и в кораблестроении
  • Возможно использование в системах подачи нефти

Характеристики:

  • Оцинковано;
  • Имеется внутренняя резьба;
  • Фитинг оснащён индикатором прессования.

В объём поставки включено:

  • Синее уплотнительное кольцо FKM

Материал: Нелегированная сталь 1.0034 E 195 (DIN EN 10305)

Скачать инструкцию по монтажу: Система Geberit Mapress

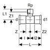
d Rp d1 L L1 l l2 Z Z1 Z2
мм '' мм см см см см см см см
15 1/2 15 6,4 3,7 3,2 3,2 1,2 2,4 1,2
[СНЯТ С ПРОИЗВОДСТВА] - Тройник переходный Geberit Mapress, пресс/внутр. резьба BSP/пресс, FKM, d 18-Rp1/2"-18 [Артикул: 51414]
Подробнее
51414

ВНИМАНИЕ! Товар временно недоступен для заказа!

Цель применения:

  • Для систем, работающих на энергии солнца
  • Для использования в промышленности и в кораблестроении
  • Возможно использование в системах подачи нефти

Характеристики:

  • Оцинковано;
  • Имеется внутренняя резьба;
  • Фитинг оснащён индикатором прессования.

В объём поставки включено:

  • Синее уплотнительное кольцо FKM

Материал: Нелегированная сталь 1.0034 E 195 (DIN EN 10305)

Скачать инструкцию по монтажу: Система Geberit Mapress

d Rp d1 L L1 l l2 Z Z1 Z2
мм '' мм см см см см см см см
18 1/2 18 6,8 3,9 3,4 3,4 1,4 2,6 1,4
[СНЯТ С ПРОИЗВОДСТВА] - Тройник переходный Geberit Mapress, пресс/внутр. резьба BSP/пресс, FKM, d 22-Rp1/2"-22 [Артикул: 51416]
Подробнее
51416

ВНИМАНИЕ! Товар временно недоступен для заказа!

Цель применения:

  • Для систем, работающих на энергии солнца
  • Для использования в промышленности и в кораблестроении
  • Возможно использование в системах подачи нефти

Характеристики:

  • Оцинковано;
  • Имеется внутренняя резьба;
  • Фитинг оснащён индикатором прессования.

В объём поставки включено:

  • Синее уплотнительное кольцо FKM

Материал: Нелегированная сталь 1.0034 E 195 (DIN EN 10305)

Скачать инструкцию по монтажу: Система Geberit Mapress

d Rp d1 L L1 l l2 Z Z1 Z2
мм '' мм см см см см см см см
22 1/2 22 7,4 4 3,7 3,7 1,6 2,7 1,6
[СНЯТ С ПРОИЗВОДСТВА] - Тройник переходный Geberit Mapress, пресс/внутр. резьба BSP/пресс, FKM, d 22-Rp3/4"-22 [Артикул: 51417]
Подробнее
51417

ВНИМАНИЕ! Товар временно недоступен для заказа!

Цель применения:

  • Для систем, работающих на энергии солнца
  • Для использования в промышленности и в кораблестроении
  • Возможно использование в системах подачи нефти

Характеристики:

  • Оцинковано;
  • Имеется внутренняя резьба;
  • Фитинг оснащён индикатором прессования.

В объём поставки включено:

  • Синее уплотнительное кольцо FKM

Материал: Нелегированная сталь 1.0034 E 195 (DIN EN 10305)

Скачать инструкцию по монтажу: Система Geberit Mapress

d Rp d1 L L1 l l2 Z Z1 Z2
мм '' мм см см см см см см см
22 3/4 22 7,4 4,4 3,7 3,7 1,6 2,8 1,6
[СНЯТ С ПРОИЗВОДСТВА] - Тройник переходный Geberit Mapress, пресс/внутр. резьба BSP/пресс, FKM, d 28-Rp1/2"-28 [Артикул: 51418]
Подробнее
51418

ВНИМАНИЕ! Товар временно недоступен для заказа!

Цель применения:

  • Для систем, работающих на энергии солнца
  • Для использования в промышленности и в кораблестроении
  • Возможно использование в системах подачи нефти

Характеристики:

  • Оцинковано;
  • Имеется внутренняя резьба;
  • Фитинг оснащён индикатором прессования.

В объём поставки включено:

  • Синее уплотнительное кольцо FKM

Материал: Нелегированная сталь 1.0034 E 195 (DIN EN 10305)

Скачать инструкцию по монтажу: Система Geberit Mapress

d Rp d1 L L1 l l2 Z Z1 Z2
мм '' мм см см см см см см см
28 1/2 28 8,4 4,4 4,2 4,2 1,9 3,1 1,9
[СНЯТ С ПРОИЗВОДСТВА] - Тройник переходный Geberit Mapress, пресс/внутр. резьба BSP/пресс, FKM, d 28-Rp3/4"-28 [Артикул: 51419]
Подробнее
51419

ВНИМАНИЕ! Товар временно недоступен для заказа!

Цель применения:

  • Для систем, работающих на энергии солнца
  • Для использования в промышленности и в кораблестроении
  • Возможно использование в системах подачи нефти

Характеристики:

  • Оцинковано;
  • Имеется внутренняя резьба;
  • Фитинг оснащён индикатором прессования.

В объём поставки включено:

  • Синее уплотнительное кольцо FKM

Материал: Нелегированная сталь 1.0034 E 195 (DIN EN 10305)

Скачать инструкцию по монтажу: Система Geberit Mapress

d Rp d1 L L1 l l2 Z Z1 Z2
мм '' мм см см см см см см см
28 3/4 28 8,4 4,7 4,2 4,2 1,9 3,2 1,9
[СНЯТ С ПРОИЗВОДСТВА] - Тройник переходный Geberit Mapress, пресс/внутр. резьба BSP/пресс, FKM, d 35-Rp1/2"-35 [Артикул: 51421]
Подробнее
51421

ВНИМАНИЕ! Товар временно недоступен для заказа!

Цель применения:

  • Для систем, работающих на энергии солнца
  • Для использования в промышленности и в кораблестроении
  • Возможно использование в системах подачи нефти

Характеристики:

  • Оцинковано;
  • Имеется внутренняя резьба;
  • Фитинг оснащён индикатором прессования.

В объём поставки включено:

  • Синее уплотнительное кольцо FKM

Материал: Нелегированная сталь 1.0034 E 195 (DIN EN 10305)

Скачать инструкцию по монтажу: Система Geberit Mapress

d Rp d1 L L1 l l2 Z Z1 Z2
мм '' мм см см см см см см см
35 1/2 35 10 4,8 5 5 2,4 3,5 2,4
[СНЯТ С ПРОИЗВОДСТВА] - Тройник переходный Geberit Mapress, пресс/внутр. резьба BSP/пресс, FKM, d 35-Rp3/4"-35 [Артикул: 51422]
Подробнее
51422

ВНИМАНИЕ! Товар временно недоступен для заказа!

Цель применения:

  • Для систем, работающих на энергии солнца
  • Для использования в промышленности и в кораблестроении
  • Возможно использование в системах подачи нефти

Характеристики:

  • Оцинковано;
  • Имеется внутренняя резьба;
  • Фитинг оснащён индикатором прессования.

В объём поставки включено:

  • Синее уплотнительное кольцо FKM

Материал: Нелегированная сталь 1.0034 E 195 (DIN EN 10305)

Скачать инструкцию по монтажу: Система Geberit Mapress

d Rp d1 L L1 l l2 Z Z1 Z2
мм '' мм см см см см см см см
35 3/4 35 10 5,1 5 5 2,4 3,6 2,4
[СНЯТ С ПРОИЗВОДСТВА] - Тройник переходный Geberit Mapress, пресс/внутр. резьба BSP/пресс, FKM, d 35-Rp1"-35 [Артикул: 51423]
Подробнее
51423

ВНИМАНИЕ! Товар временно недоступен для заказа!

Цель применения:

  • Для систем, работающих на энергии солнца
  • Для использования в промышленности и в кораблестроении
  • Возможно использование в системах подачи нефти

Характеристики:

  • Оцинковано;
  • Имеется внутренняя резьба;
  • Фитинг оснащён индикатором прессования.

В объём поставки включено:

  • Синее уплотнительное кольцо FKM

Материал: Нелегированная сталь 1.0034 E 195 (DIN EN 10305)

Скачать инструкцию по монтажу: Система Geberit Mapress

d Rp d1 L L1 l l2 Z Z1 Z2
мм '' мм см см см см см см см
35 1 35 10 5,6 5 5 2,4 3,9 2,4
[СНЯТ С ПРОИЗВОДСТВА] - Тройник переходный Geberit Mapress, пресс/внутр. резьба BSP/пресс, FKM, d 42-Rp1/2"-42 [Артикул: 51424]
Подробнее
51424

ВНИМАНИЕ! Товар временно недоступен для заказа!

Цель применения:

  • Для систем, работающих на энергии солнца
  • Для использования в промышленности и в кораблестроении
  • Возможно использование в системах подачи нефти

Характеристики:

  • Оцинковано;
  • Имеется внутренняя резьба;
  • Фитинг оснащён индикатором прессования.

В объём поставки включено:

  • Синее уплотнительное кольцо FKM

Материал: Нелегированная сталь 1.0034 E 195 (DIN EN 10305)

Скачать инструкцию по монтажу: Система Geberit Mapress

d Rp d1 L L1 l l2 Z Z1 Z2
мм '' мм см см см см см см см
42 1/2 42 11,4 5,1 5,7 5,7 2,7 3,8 2,7
[СНЯТ С ПРОИЗВОДСТВА] - Тройник переходный Geberit Mapress, пресс/внутр. резьба BSP/пресс, FKM, d 42-Rp3/4"-42 [Артикул: 51425]
Подробнее
51425

ВНИМАНИЕ! Товар временно недоступен для заказа!

Цель применения:

  • Для систем, работающих на энергии солнца
  • Для использования в промышленности и в кораблестроении
  • Возможно использование в системах подачи нефти

Характеристики:

  • Оцинковано;
  • Имеется внутренняя резьба;
  • Фитинг оснащён индикатором прессования.

В объём поставки включено:

  • Синее уплотнительное кольцо FKM

Материал: Нелегированная сталь 1.0034 E 195 (DIN EN 10305)

Скачать инструкцию по монтажу: Система Geberit Mapress

d Rp d1 L L1 l l2 Z Z1 Z2
мм '' мм см см см см см см см
42 3/4 42 11,4 5,4 5,7 5,7 2,7 3,9 2,7
[СНЯТ С ПРОИЗВОДСТВА] - Тройник переходный Geberit Mapress, пресс/внутр. резьба BSP/пресс, FKM, d 54-Rp1/2"-54 [Артикул: 51427]
Подробнее
51427

ВНИМАНИЕ! Товар временно недоступен для заказа!

Цель применения:

  • Для систем, работающих на энергии солнца
  • Для использования в промышленности и в кораблестроении
  • Возможно использование в системах подачи нефти

Характеристики:

  • Оцинковано;
  • Имеется внутренняя резьба;
  • Фитинг оснащён индикатором прессования.

В объём поставки включено:

  • Синее уплотнительное кольцо FKM

Материал: Нелегированная сталь 1.0034 E 195 (DIN EN 10305)

Скачать инструкцию по монтажу: Система Geberit Mapress

d Rp d1 L L1 l l2 Z Z1 Z2
мм '' мм см см см см см см см
54 1/2 54 13,8 5,7 6,9 6,9 3,4 4,4 3,4
[СНЯТ С ПРОИЗВОДСТВА] - Тройник переходный Geberit Mapress, пресс/внутр. резьба BSP/пресс, FKM, d 54-Rp3/4"-54 [Артикул: 51428]
Подробнее
51428

ВНИМАНИЕ! Товар временно недоступен для заказа!

Цель применения:

  • Для систем, работающих на энергии солнца
  • Для использования в промышленности и в кораблестроении
  • Возможно использование в системах подачи нефти

Характеристики:

  • Оцинковано;
  • Имеется внутренняя резьба;
  • Фитинг оснащён индикатором прессования.

В объём поставки включено:

  • Синее уплотнительное кольцо FKM

Материал: Нелегированная сталь 1.0034 E 195 (DIN EN 10305)

Скачать инструкцию по монтажу: Система Geberit Mapress

d Rp d1 L L1 l l2 Z Z1 Z2
мм '' мм см см см см см см см
54 3/4 54 13,8 6 6,9 6,9 3,4 4,5 3,4
[СНЯТ С ПРОИЗВОДСТВА] - Тройник переходный Geberit Mapress, пресс/внутр. резьба BSP/пресс, FKM, d 54-Rp2"-54 [Артикул: 51429]
Подробнее
51429

ВНИМАНИЕ! Товар временно недоступен для заказа!

Цель применения:

  • Для систем, работающих на энергии солнца
  • Для использования в промышленности и в кораблестроении
  • Возможно использование в системах подачи нефти

Характеристики:

  • Оцинковано;
  • Имеется внутренняя резьба;
  • Фитинг оснащён индикатором прессования.

В объём поставки включено:

  • Синее уплотнительное кольцо FKM

Материал: Нелегированная сталь 1.0034 E 195 (DIN EN 10305)

Скачать инструкцию по монтажу: Система Geberit Mapress

d Rp d1 L L1 l l2 Z Z1 Z2
мм '' мм см см см см см см см
54 2 54 13,8 7,9 6,9 6,9 3,4 5,6 3,4
[СНЯТ С ПРОИЗВОДСТВА] - Тройник переходный Geberit Mapress, пресс/внутр. резьба BSP/пресс, FKM, d76,1-Rp3/4"-76,1 [Артикул: 51437]
Подробнее
51437

ВНИМАНИЕ! Товар временно недоступен для заказа!

Цель применения:

  • Для систем, работающих на энергии солнца
  • Для использования в промышленности и в кораблестроении
  • Возможно использование в системах подачи нефти

Характеристики:

  • Оцинковано;
  • Имеется внутренняя резьба;
  • Фитинг оснащён индикатором прессования.

В объём поставки включено:

  • Синее уплотнительное кольцо FKM

Материал: Нелегированная сталь 1.0034 E 195 (DIN EN 10305)

Скачать инструкцию по монтажу: Система Geberit Mapress

d Rp d1 L L1 l l2 Z Z1 Z2
мм '' мм см см см см см см см
76,1 3/4 76,1 23 7,9 11,5 11,5 6,2 6,4 6,2
[СНЯТ С ПРОИЗВОДСТВА] - Тройник переходный Geberit Mapress, пресс/внутр. резьба BSP/пресс, FKM, d76,1-Rp2"-76,1 [Артикул: 51438]
Подробнее
51438

ВНИМАНИЕ! Товар временно недоступен для заказа!

Цель применения:

  • Для систем, работающих на энергии солнца
  • Для использования в промышленности и в кораблестроении
  • Возможно использование в системах подачи нефти

Характеристики:

  • Оцинковано;
  • Имеется внутренняя резьба;
  • Фитинг оснащён индикатором прессования.

В объём поставки включено:

  • Синее уплотнительное кольцо FKM

Материал: Нелегированная сталь 1.0034 E 195 (DIN EN 10305)

Скачать инструкцию по монтажу: Система Geberit Mapress

d Rp d1 L L1 l l2 Z Z1 Z2
мм '' мм см см см см см см см
76,1 2 76,1 23 8,9 11,5 11,5 6,2 6,6 6,2
[СНЯТ С ПРОИЗВОДСТВА] - Тройник переходный Geberit Mapress, пресс/внутр. резьба BSP/пресс, FKM, d88,9-Rp3/4"-88,9 [Артикул: 51440]
Подробнее
51440

ВНИМАНИЕ! Товар временно недоступен для заказа!

Цель применения:

  • Для систем, работающих на энергии солнца
  • Для использования в промышленности и в кораблестроении
  • Возможно использование в системах подачи нефти

Характеристики:

  • Оцинковано;
  • Имеется внутренняя резьба;
  • Фитинг оснащён индикатором прессования.

В объём поставки включено:

  • Синее уплотнительное кольцо FKM

Материал: Нелегированная сталь 1.0034 E 195 (DIN EN 10305)

Скачать инструкцию по монтажу: Система Geberit Mapress

d Rp d1 L L1 l l2 Z Z1 Z2
мм '' мм см см см см см см см
88,9 3/4 88,9 26 8,8 13 13 7 7,3 7
[СНЯТ С ПРОИЗВОДСТВА] - Тройник переходный Geberit Mapress, пресс/внутр. резьба BSP/пресс, FKM, d88,9-Rp2"-88,9 [Артикул: 51441]
Подробнее
51441

ВНИМАНИЕ! Товар временно недоступен для заказа!

Цель применения:

  • Для систем, работающих на энергии солнца
  • Для использования в промышленности и в кораблестроении
  • Возможно использование в системах подачи нефти

Характеристики:

  • Оцинковано;
  • Имеется внутренняя резьба;
  • Фитинг оснащён индикатором прессования.

В объём поставки включено:

  • Синее уплотнительное кольцо FKM

Материал: Нелегированная сталь 1.0034 E 195 (DIN EN 10305)

Скачать инструкцию по монтажу: Система Geberit Mapress

d Rp d1 L L1 l l2 Z Z1 Z2
мм '' мм см см см см см см см
88,9 2 88,9 26 9,6 13 13 7 7,3 7
[СНЯТ С ПРОИЗВОДСТВА] - Тройник переходный Geberit Mapress, пресс/внутр. резьба BSP/пресс, FKM, d108-Rp3/4"-108 [Артикул: 51443]
Подробнее
51443

ВНИМАНИЕ! Товар временно недоступен для заказа!

Цель применения:

  • Для систем, работающих на энергии солнца
  • Для использования в промышленности и в кораблестроении
  • Возможно использование в системах подачи нефти

Характеристики:

  • Оцинковано;
  • Имеется внутренняя резьба;
  • Фитинг оснащён индикатором прессования.

В объём поставки включено:

  • Синее уплотнительное кольцо FKM

Материал: Нелегированная сталь 1.0034 E 195 (DIN EN 10305)

Скачать инструкцию по монтажу: Система Geberit Mapress

d Rp d1 L L1 l l2 Z Z1 Z2
мм '' мм см см см см см см см
108 3/4 108 31 10,5 15,5 15,5 8 9 8

Смотрите также