Логотип
Ru| En

Офис: м. Бауманская

Склад: Ленинские Горки

Loading

Тройники Geberit Mapress из стали

Тройники Mapress, предназначенные для соединения между собой нескольких участков трубопровода систем водоснабжения и отопления, а также промышленных трубопроводов, изготавливаются из нержавеющей стали 1.4401 и нелегированной стали 1.0034 E 195. Для максимального удобства тройники оснащаются индикатором прессования, при этом в неопрессованном состоянии они дают течь. Тройники имеют угол поворота 90°. Общая длина тройников колеблется от 6,4 до 31 см, а их диаметр может быть от 15 до 108 мм. Также выпускаются переходные тройники и тройники с внутренней или наружной резьбой.

В данную группу товаров также входят тройники Mapress, изготовленные из специальной стали, лишённой силикона. Тройники Mapress, имеющие жёлтую маркировку, могут использоваться в системах подачи природного или сжиженного газа, при этом они сохраняют работоспособность при температурах -20 – +70 °C.

В комплект поставки входят специальные чёрные уплотнительные кольца (CIIR).

Фото Наименование Артикул Цена
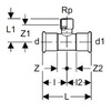
Тройник Geberit Mapress с гайкой с внутренней резьбой, синее уплотнительное кольцо FKM, d - 22, Rp - 1/2", d1 - 22 [Артикул: 52416]
Подробнее
52416

ВНИМАНИЕ! Товар временно недоступен для заказа!

Цель применения:

  • Для промышленности
  • Для кораблестроения
  • Для систем подачи нефти
  • Для систем, работающих на солнечной энергии

Характеристики:

  • Имеется прессовый индикатор;
  • Тройник с внутренней резьбой.

В объём поставки включено:

  • Синее уплотнительное кольцо FKM

Материал: Красная латунь (CuSn5Zn5Pb2-C)

Скачать инструкцию по монтажу: Система Geberit Mapress

d Rp d1 L L1 l l2 Z Z1 Z2
мм '' мм см см см см см см см
22 1/2 22 8,4 2,6 4,2 4,2 2,1 1,3 2,1
Тройник Geberit Mapress с внутренней резьбой, синее уплотнительное кольцо FKM, d - 28, Rp - 1/2", d1 - 28 [Артикул: 52418]
Подробнее
52418

ВНИМАНИЕ! Товар временно недоступен для заказа!

Цель применения:

  • Для промышленности
  • Для кораблестроения
  • Для систем подачи нефти
  • Для систем, работающих на солнечной энергии

Характеристики:

  • Имеется прессовый индикатор;
  • Тройник с внутренней резьбой.

В объём поставки включено:

  • Синее уплотнительное кольцо FKM

Материал: Красная латунь (CuSn5Zn5Pb2-C)

Скачать инструкцию по монтажу: Система Geberit Mapress

d Rp d1 L L1 l l2 Z Z1 Z2
мм '' мм см см см см см см см
28 1/2 28 8,8 2,9 4,4 4,4 2,1 1,6 2,1
Тройник Geberit Mapress с внутренней резьбой, синее уплотнительное кольцо FKM, d - 35, Rp - 1/2", d1 - 35 [Артикул: 52421]
Подробнее
52421

ВНИМАНИЕ! Товар временно недоступен для заказа!

Цель применения:

  • Для промышленности
  • Для кораблестроения
  • Для систем подачи нефти
  • Для систем, работающих на солнечной энергии

Характеристики:

  • Имеется прессовый индикатор;
  • Тройник с внутренней резьбой.

В объём поставки включено:

  • Синее уплотнительное кольцо FKM

Материал: Красная латунь (CuSn5Zn5Pb2-C)

Скачать инструкцию по монтажу: Система Geberit Mapress

d Rp d1 L L1 l l2 Z Z1 Z2
мм '' мм см см см см см см см
35 1/2 35 10 3,5 5 5 2,4 2,2 2,4
Тройник Geberit Mapress с внутренней резьбой, синее уплотнительное кольцо FKM, d - 42, Rp - 1/2", d1 - 42 [Артикул: 52424]
Подробнее
52424

ВНИМАНИЕ! Товар временно недоступен для заказа!

Цель применения:

  • Для промышленности
  • Для кораблестроения
  • Для систем подачи нефти
  • Для систем, работающих на солнечной энергии

Характеристики:

  • Имеется прессовый индикатор;
  • Тройник с внутренней резьбой.

В объём поставки включено:

  • Синее уплотнительное кольцо FKM

Материал: Красная латунь (CuSn5Zn5Pb2-C)

Скачать инструкцию по монтажу: Система Geberit Mapress

d Rp d1 L L1 l l2 Z Z1 Z2
мм '' мм см см см см см см см
42 1/2 42 11,4 3,8 5,7 5,7 2,7 2,5 2,7
Тройник Geberit Mapress с внутренней резьбой, синее уплотнительное кольцо FKM, d - 54, Rp - 1/2", d1 - 54 [Артикул: 52427]
Подробнее
52427

ВНИМАНИЕ! Товар временно недоступен для заказа!

Цель применения:

  • Для промышленности
  • Для кораблестроения
  • Для систем подачи нефти
  • Для систем, работающих на солнечной энергии

Характеристики:

  • Имеется прессовый индикатор;
  • Тройник с внутренней резьбой.

В объём поставки включено:

  • Синее уплотнительное кольцо FKM

Материал: Красная латунь (CuSn5Zn5Pb2-C)

Скачать инструкцию по монтажу: Система Geberit Mapress

d Rp d1 L L1 l l2 Z Z1 Z2
мм '' мм см см см см см см см
54 1/2 54 13,8 4,4 6,9 6,9 3,4 3,1 3,4
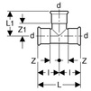
Тройник Geberit Mapress, d - 12 [Артикул: 61000]
Подробнее
61000

ВНИМАНИЕ! Товар временно недоступен для заказа!

Цель применения:

  • Монтируется в системах отопления и водоснабжения
  • Для использования в промышленности

Характеристики:

  • В неопрессованном состоянии фитинг даёт течь (до d 54 мм);
  • Имеется индикатор прессования.

В объём поставки включено:

  • Уплотнительные кольца (CIIR черного цвета при d ≤ 54 мм; ЭПДМ при d > 54 мм)

Материал: Медь Cu-DHP CW024A (EN 1412)

Угол поворота: 90°

Скачать инструкцию по монтажу: Система Geberit Mapress

d L L1 l Z Z1
мм см см см см см
12 6,2 3,1 3,1 1,4 1,4
Тройник Geberit Mapress, d - 15 [Артикул: 61002]
Подробнее
61002

ВНИМАНИЕ! Товар временно недоступен для заказа!

Цель применения:

  • Монтируется в системах отопления и водоснабжения
  • Для использования в промышленности

Характеристики:

  • В неопрессованном состоянии фитинг даёт течь (до d 54 мм);
  • Имеется индикатор прессования.

В объём поставки включено:

  • Уплотнительные кольца (CIIR черного цвета при d ≤ 54 мм; ЭПДМ при d > 54 мм)

Материал: Медь Cu-DHP CW024A (EN 1412)

Угол поворота: 90°

Скачать инструкцию по монтажу: Система Geberit Mapress

d L L1 l Z Z1
мм см см см см см
15 6,4 3,1 3,2 1,2 1,2
Тройник Geberit Mapress, d - 18 [Артикул: 61003]
Подробнее
61003

ВНИМАНИЕ! Товар временно недоступен для заказа!

Цель применения:

  • Монтируется в системах отопления и водоснабжения
  • Для использования в промышленности

Характеристики:

  • В неопрессованном состоянии фитинг даёт течь (до d 54 мм);
  • Имеется индикатор прессования.

В объём поставки включено:

  • Уплотнительные кольца (CIIR черного цвета при d ≤ 54 мм; ЭПДМ при d > 54 мм)

Материал: Медь Cu-DHP CW024A (EN 1412)

Угол поворота: 90°

Скачать инструкцию по монтажу: Система Geberit Mapress

d L L1 l Z Z1
мм см см см см см
18 6,8 3,4 3,4 1,4 1,4
Тройник Geberit Mapress, d - 22 [Артикул: 61004]
Подробнее
61004

ВНИМАНИЕ! Товар временно недоступен для заказа!

Цель применения:

  • Монтируется в системах отопления и водоснабжения
  • Для использования в промышленности

Характеристики:

  • В неопрессованном состоянии фитинг даёт течь (до d 54 мм);
  • Имеется индикатор прессования.

В объём поставки включено:

  • Уплотнительные кольца (CIIR черного цвета при d ≤ 54 мм; ЭПДМ при d > 54 мм)

Материал: Медь Cu-DHP CW024A (EN 1412)

Угол поворота: 90°

Скачать инструкцию по монтажу: Система Geberit Mapress

d L L1 l Z Z1
мм см см см см см
22 7,4 3,7 3,7 1,6 1,6
Тройник Geberit Mapress, d - 28 [Артикул: 61005]
Подробнее
61005

ВНИМАНИЕ! Товар временно недоступен для заказа!

Цель применения:

  • Монтируется в системах отопления и водоснабжения
  • Для использования в промышленности

Характеристики:

  • В неопрессованном состоянии фитинг даёт течь (до d 54 мм);
  • Имеется индикатор прессования.

В объём поставки включено:

  • Уплотнительные кольца (CIIR черного цвета при d ≤ 54 мм; ЭПДМ при d > 54 мм)

Материал: Медь Cu-DHP CW024A (EN 1412)

Угол поворота: 90°

Скачать инструкцию по монтажу: Система Geberit Mapress

d L L1 l Z Z1
мм см см см см см
28 8,4 4,2 4,2 1,9 1,9
Тройник Geberit Mapress, d - 35 [Артикул: 61006]
Подробнее
61006

ВНИМАНИЕ! Товар временно недоступен для заказа!

Цель применения:

  • Монтируется в системах отопления и водоснабжения
  • Для использования в промышленности

Характеристики:

  • В неопрессованном состоянии фитинг даёт течь (до d 54 мм);
  • Имеется индикатор прессования.

В объём поставки включено:

  • Уплотнительные кольца (CIIR черного цвета при d ≤ 54 мм; ЭПДМ при d > 54 мм)

Материал: Медь Cu-DHP CW024A (EN 1412)

Угол поворота: 90°

Скачать инструкцию по монтажу: Система Geberit Mapress

d L L1 l Z Z1
мм см см см см см
35 10 5,9 5 2,4 3,3
Тройник Geberit Mapress, d - 42 [Артикул: 61007]
Подробнее
61007

ВНИМАНИЕ! Товар временно недоступен для заказа!

Цель применения:

  • Монтируется в системах отопления и водоснабжения
  • Для использования в промышленности

Характеристики:

  • В неопрессованном состоянии фитинг даёт течь (до d 54 мм);
  • Имеется индикатор прессования.

В объём поставки включено:

  • Уплотнительные кольца (CIIR черного цвета при d ≤ 54 мм; ЭПДМ при d > 54 мм)

Материал: Медь Cu-DHP CW024A (EN 1412)

Угол поворота: 90°

Скачать инструкцию по монтажу: Система Geberit Mapress

d L L1 l Z Z1
мм см см см см см
42 11,4 6,6 5,7 2,7 3,6
Тройник Geberit Mapress, d - 54 [Артикул: 61008]
Подробнее
61008

ВНИМАНИЕ! Товар временно недоступен для заказа!

Цель применения:

  • Монтируется в системах отопления и водоснабжения
  • Для использования в промышленности

Характеристики:

  • В неопрессованном состоянии фитинг даёт течь (до d 54 мм);
  • Имеется индикатор прессования.

В объём поставки включено:

  • Уплотнительные кольца (CIIR черного цвета при d ≤ 54 мм; ЭПДМ при d > 54 мм)

Материал: Медь Cu-DHP CW024A (EN 1412)

Угол поворота: 90°

Скачать инструкцию по монтажу: Система Geberit Mapress

d L L1 l Z Z1
мм см см см см см
54 13,8 7,8 6,9 3,4 4,3
Тройник Geberit Mapress, d - 66,7 [Артикул: 61010]
Подробнее
61010

ВНИМАНИЕ! Товар временно недоступен для заказа!

Цель применения:

  • Монтируется в системах отопления и водоснабжения
  • Для использования в промышленности

Характеристики:

  • В неопрессованном состоянии фитинг даёт течь (до d 54 мм);
  • Имеется индикатор прессования.

В объём поставки включено:

  • Уплотнительные кольца (CIIR черного цвета при d ≤ 54 мм; ЭПДМ при d > 54 мм)

Материал: Медь Cu-DHP CW024A (EN 1412)

Угол поворота: 90°

Скачать инструкцию по монтажу: Система Geberit Mapress

d L L1 l Z Z1
мм см см см см см
66,7 22 10,5 11 6 5,5
Тройник Geberit Mapress, d - 76,1 [Артикул: 61011]
Подробнее
61011

ВНИМАНИЕ! Товар временно недоступен для заказа!

Цель применения:

  • Монтируется в системах отопления и водоснабжения
  • Для использования в промышленности

Характеристики:

  • В неопрессованном состоянии фитинг даёт течь (до d 54 мм);
  • Имеется индикатор прессования.

В объём поставки включено:

  • Уплотнительные кольца (CIIR черного цвета при d ≤ 54 мм; ЭПДМ при d > 54 мм)

Материал: Медь Cu-DHP CW024A (EN 1412)

Угол поворота: 90°

Скачать инструкцию по монтажу: Система Geberit Mapress

d L L1 l Z Z1
мм см см см см см
76,1 23 11 11,5 6,2 5,7
Тройник Geberit Mapress, d - 88,9 [Артикул: 61012 (G)]
Подробнее
61012 (G)

ВНИМАНИЕ! Товар временно недоступен для заказа!

Цель применения:

  • Монтируется в системах отопления и водоснабжения
  • Для использования в промышленности

Характеристики:

  • В неопрессованном состоянии фитинг даёт течь (до d 54 мм);
  • Имеется индикатор прессования.

В объём поставки включено:

  • Уплотнительные кольца (CIIR черного цвета при d ≤ 54 мм; ЭПДМ при d > 54 мм)

Материал: Медь Cu-DHP CW024A (EN 1412)

Угол поворота: 90°

Скачать инструкцию по монтажу: Система Geberit Mapress

d L L1 l Z Z1
мм см см см см см
88,9 26 12,8 13 7 6,8
Тройник Geberit Mapress, d - 108 [Артикул: 61013]
Подробнее
61013

ВНИМАНИЕ! Товар временно недоступен для заказа!

Цель применения:

  • Монтируется в системах отопления и водоснабжения
  • Для использования в промышленности

Характеристики:

  • В неопрессованном состоянии фитинг даёт течь (до d 54 мм);
  • Имеется индикатор прессования.

В объём поставки включено:

  • Уплотнительные кольца (CIIR черного цвета при d ≤ 54 мм; ЭПДМ при d > 54 мм)

Материал: Медь Cu-DHP CW024A (EN 1412)

Угол поворота: 90°

Скачать инструкцию по монтажу: Система Geberit Mapress

d L L1 l Z Z1
мм см см см см см
108 31 15,3 15,5 8 7,8
Переходник Geberit Mapres тройной, d - 15, d1 - 22, d2 - 15 [Артикул: 61104]
Подробнее
61104

ВНИМАНИЕ! Товар временно недоступен для заказа!

Цель применения:

  • Монтируется в системах отопления и водоснабжения
  • Для использования в промышленности

Характеристики:

  • В неопрессованном состоянии фитинг даёт течь (до d 54 мм);
  • Отвод меньшего диаметра;
  • Имеется индикатор прессования.

В объём поставки включено:

  • Уплотнительные кольца (CIIR черного цвета при d ≤ 54 мм; ЭПДМ при d > 54 мм)

Материал: Медь Cu-DHP CW024A (EN 1412)

Угол поворота: 90°

Скачать инструкцию по монтажу: Система Geberit Mapress

d d1 d2 L L1 l l2 Z Z1 Z2
мм мм мм см см см см см см см
15 22 15 7,4 3,4 3,7 3,7 1,7 1,3 1,7
Тройник Geberit Mapress (углер ст) переходной, d - 18, d1 - 15, d2 - 15 [Артикул: 61192]
Подробнее
61192

ВНИМАНИЕ! Товар временно недоступен для заказа!

Характеристики:

  • Не содержит силикона, разрушающего ЛКП в красильном производстве;
  • Уменьшенный номинальный проход;
  • Есть индикатор прессования;
  • В неопрессованном состоянии фитинг даёт течь.

В объём поставки включено:

  • Чёрные уплотнительные кольца (CIIR)

Материал: Медь

Угол поворота: 90°

Скачать инструкцию по монтажу: Система Geberit Mapress

d d1 d2 L L1 l l2 Z Z1 Z2
мм мм мм см см см см см см см
18 15 15 7,4 3,5 3,4 4 1,4 1,5 2
Тройник Geberit Mapress (углер ст) переходной, d - 18, d1 - 18, d2 - 15 [Артикул: 61193]
Подробнее
61193

ВНИМАНИЕ! Товар временно недоступен для заказа!

Характеристики:

  • Не содержит силикона, разрушающего ЛКП в красильном производстве;
  • Уменьшенный номинальный проход;
  • Есть индикатор прессования;
  • В неопрессованном состоянии фитинг даёт течь.

В объём поставки включено:

  • Чёрные уплотнительные кольца (CIIR)

Материал: Медь

Угол поворота: 90°

Скачать инструкцию по монтажу: Система Geberit Mapress

d d1 d2 L L1 l l2 Z Z1 Z2
мм мм мм см см см см см см см
18 18 15 7,4 3,4 3,4 4 1,4 1,4 2

Смотрите также