Логотип
Ru| En

Офис: м. Бауманская

Склад: Ленинский городской округ

Loading

Фланцы Geberit Mapress из нержавеющей и углеродистой стали

Фланцы Mapress изготавливаются из нержавеющей стали 1.4401 и нелегированной стали 1.0034 E 195, могут иметь диаметр от 54 до 108 мм. Выпускаются фланцы с гладким концевиком PN 10/16. Поставляются без набора болтов и без прокладки.

В данную группу товаров также входят переходы на фланец, в том числе переходы на фланец с гладким концевиком PN 6 и PN 10/16. Диаметры переходов на фланец варьируются от 15 до 108 мм. Переходы на фланец поставляют без специальной прокладки, комплекта болтов и вращающегося фланца.

Выпускаются также фланцы Mapress, изготовленные из специальной стали, лишённой силикона, и предназначенные для систем, подающих сжиженный или природный газ, которые отличаются наличием жёлтой маркировки.

Фото Наименование Артикул Цена
[СНЯТ С ПРОИЗВОДСТВА. ЗАМЕНА: 23756] - Переход на фланец Geberit Mapress (углер ст), оцинк., PN 10/16, d 35 [Артикул: 23696]
Подробнее
23696

ВНИМАНИЕ! Товар временно недоступен для заказа!

Цель применения:

  • Монтируется в системах отопления
  • Монтируется в системах кондиционирования воздуха
  • Подходит для спринклерной системы пожаротушения (тушение жидкостью)
  • Не использовать для прокладки системы подачи питьевой воды!

Характеристики:

  • Оцинкованная сталь

В объём поставки входит:

  • Чёрные уплотнительные кольца (CIIR);
  • Без набора болтов для фланца;
  • Без прокладки для фланца.

Технические данные

Материал: Нелегированная сталь 1.0034 E 195 (DIN EN 10305)

Скачать инструкцию по монтажу: Система Geberit Mapress

d di D k m H L Z n PN
мм мм см см см см см см шт бар
35 32 14 10 1,8 1,8 7,2 4,6 4 10 / 16

Возможно использование с:

Прокладки для фланца Mapress, PN 10/16 Болты Geberit Mapress Комплект болтов Geberit Mapress для фланцев
     
91031 91164 91064
91032 91165 91065
91033 91166 91066
91034 91167 91067
91035 91168 91068
91036 91169 91069
91037 91170 91070
91038 91171 91071
91039 91172 91072
  91173 91073
[СНЯТ С ПРОИЗВОДСТВА. ЗАМЕНА: 23757] - Переход на фланец Geberit Mapress (углер ст), оцинк., PN 10/16, d 42 [Артикул: 23697]
Подробнее
23697

ВНИМАНИЕ! Товар временно недоступен для заказа!

Цель применения:

  • Монтируется в системах отопления
  • Монтируется в системах кондиционирования воздуха
  • Подходит для спринклерной системы пожаротушения (тушение жидкостью)
  • Не использовать для прокладки системы подачи питьевой воды!

Характеристики:

  • Оцинкованная сталь

В объём поставки входит:

  • Чёрные уплотнительные кольца (CIIR);
  • Без набора болтов для фланца;
  • Без прокладки для фланца.

Технические данные

Материал: Нелегированная сталь 1.0034 E 195 (DIN EN 10305)

Скачать инструкцию по монтажу: Система Geberit Mapress

d di D k m H L Z n PN
мм мм см см см см см см шт бар
42 39 15 11 1,8 1,8 7,9 4,9 4 10 / 16

Возможно использование с:

Прокладки для фланца Mapress, PN 10/16 Болты Geberit Mapress Комплект болтов Geberit Mapress для фланцев
     
91031 91164 91064
91032 91165 91065
91033 91166 91066
91034 91167 91067
91035 91168 91068
91036 91169 91069
91037 91170 91070
91038 91171 91071
91039 91172 91072
  91173 91073
[СНЯТ С ПРОИЗВОДСТВА. ЗАМЕНА: 23758] - Переход на фланец Geberit Mapress (углер ст), оцинк., PN 10/16, d 54 [Артикул: 23698]
Подробнее
23698

ВНИМАНИЕ! Товар временно недоступен для заказа!

Цель применения:

  • Монтируется в системах отопления
  • Монтируется в системах кондиционирования воздуха
  • Подходит для спринклерной системы пожаротушения (тушение жидкостью)
  • Не использовать для прокладки системы подачи питьевой воды!

Характеристики:

  • Оцинкованная сталь

В объём поставки входит:

  • Чёрные уплотнительные кольца (CIIR);
  • Без набора болтов для фланца;
  • Без прокладки для фланца.

Технические данные

Материал: Нелегированная сталь 1.0034 E 195 (DIN EN 10305)

Скачать инструкцию по монтажу: Система Geberit Mapress

d di D k m H L Z n PN
мм мм см см см см см см шт бар
54 54,3 16,5 12,5 1,8 1,8 8,7 5,2 4 10 / 16

Возможно использование с:

Прокладки для фланца Mapress, PN 10/16 Болты Geberit Mapress Комплект болтов Geberit Mapress для фланцев
     
91031 91164 91064
91032 91165 91065
91033 91166 91066
91034 91167 91067
91035 91168 91068
91036 91169 91069
91037 91170 91070
91038 91171 91071
91039 91172 91072
  91173 91073
[СНЯТ С ПРОИЗВОДСТВА. ЗАМЕНА: 23759] - Переход на фланец Geberit Mapress (углер ст), оцинк., PN 10/16, d76,1 [Артикул: 23709]
Подробнее
23709

ВНИМАНИЕ! Товар временно недоступен для заказа!

Цель применения:

  • Монтируется в системах отопления
  • Монтируется в системах кондиционирования воздуха
  • Подходит для спринклерной системы пожаротушения (тушение жидкостью)
  • Не использовать для прокладки системы подачи питьевой воды!

Характеристики:

  • Оцинкованная сталь

В объём поставки входит:

  • Чёрные уплотнительные кольца (CIIR);
  • Без набора болтов для фланца;
  • Без прокладки для фланца.

Технические данные

Материал: Нелегированная сталь 1.0034 E 195 (DIN EN 10305)

Скачать инструкцию по монтажу: Система Geberit Mapress

d di D k m H L Z n PN
мм мм см см см см см см шт бар
76,1 72,1 18,5 14,5 1,8 1,8 12,6 7,3 4 10 / 16

Возможно использование с:

Прокладки для фланца Mapress, PN 10/16 Болты Geberit Mapress Комплект болтов Geberit Mapress для фланцев
     
91031 91164 91064
91032 91165 91065
91033 91166 91066
91034 91167 91067
91035 91168 91068
91036 91169 91069
91037 91170 91070
91038 91171 91071
91039 91172 91072
  91173 91073
[СНЯТ С ПРОИЗВОДСТВА. ЗАМЕНА: 23760] - Переход на фланец Geberit Mapress (углер ст), оцинк., PN 10/16, d88,9 [Артикул: 23710]
Подробнее
23710

ВНИМАНИЕ! Товар временно недоступен для заказа!

Цель применения:

  • Монтируется в системах отопления
  • Монтируется в системах кондиционирования воздуха
  • Подходит для спринклерной системы пожаротушения (тушение жидкостью)
  • Не использовать для прокладки системы подачи питьевой воды!

Характеристики:

  • Оцинкованная сталь

В объём поставки входит:

  • Чёрные уплотнительные кольца (CIIR);
  • Без набора болтов для фланца;
  • Без прокладки для фланца.

Технические данные

Материал: Нелегированная сталь 1.0034 E 195 (DIN EN 10305)

Скачать инструкцию по монтажу: Система Geberit Mapress

d di D k m H L Z n PN
мм мм см см см см см см шт бар
88,9 84,9 20 16 1,8 2 14,3 8,3 8 10 / 16

Возможно использование с:

Прокладки для фланца Mapress, PN 10/16 Болты Geberit Mapress Комплект болтов Geberit Mapress для фланцев
     
91031 91164 91064
91032 91165 91065
91033 91166 91066
91034 91167 91067
91035 91168 91068
91036 91169 91069
91037 91170 91070
91038 91171 91071
91039 91172 91072
  91173 91073
[СНЯТ С ПРОИЗВОДСТВА. ЗАМЕНА: 23761] - Переход на фланец Geberit Mapress (углер ст), оцинк., PN 10/16, d108 [Артикул: 23711]
Подробнее
23711

ВНИМАНИЕ! Товар временно недоступен для заказа!

Цель применения:

  • Монтируется в системах отопления
  • Монтируется в системах кондиционирования воздуха
  • Подходит для спринклерной системы пожаротушения (тушение жидкостью)
  • Не использовать для прокладки системы подачи питьевой воды!

Характеристики:

  • Оцинкованная сталь

В объём поставки входит:

  • Чёрные уплотнительные кольца (CIIR);
  • Без набора болтов для фланца;
  • Без прокладки для фланца.

Технические данные

Материал: Нелегированная сталь 1.0034 E 195 (DIN EN 10305)

Скачать инструкцию по монтажу: Система Geberit Mapress

d di D k m H L Z n PN
мм мм см см см см см см шт бар
108 104 22 18 1,8 2 16,8 9,3 8 10 / 16

Возможно использование с:

Прокладки для фланца Mapress, PN 10/16 Болты Geberit Mapress Комплект болтов Geberit Mapress для фланцев
     
91031 91164 91064
91032 91165 91065
91033 91166 91066
91034 91167 91067
91035 91168 91068
91036 91169 91069
91037 91170 91070
91038 91171 91071
91039 91172 91072
  91173 91073
[СНЯТ С ПРОИЗВОДСТВА. ЗАМЕНА: 23744] - Переход на фланец Geberit Mapress (углер ст), оцинк. PN 6, d 22 [Артикул: 23722]
Подробнее
23722

ВНИМАНИЕ! Товар временно недоступен для заказа!

Цель применения:

  • Монтируется в системах отопления
  • Монтируется в системах кондиционирования воздуха
  • Не использовать для прокладки системы подачи питьевой воды!

Характеристики:

  • Оцинкованная сталь;
  • Без силикона, разрушающего ЛКП в красильном производстве;
  • В неопрессованном состоянии фитинг даёт течь;
  • Имеется индикатор прессования.

В объём поставки входит:

  • Чёрные уплотнительные кольца (CIIR);
  • Без набора болтов для фланца;
  • Без прокладки для фланца.

Технические данные

Материал: Нелегированная сталь 1.0034 E 195 (DIN EN 10305)

Скачать инструкцию по монтажу: Система Geberit Mapress

d di D k m H L Z n PN
мм мм см см см см см см шт бар
22 19 9 6,5 1,1 1,4 6,1 4 4 6

Возможно использование с:

Прокладки для фланца Mapress, PN 6 Болты Geberit Mapress Комплект болтов Geberit Mapress для фланцев
     
91041 91164 91064
91042 91165 91065
91043 91166 91066
91044 91167 91067
91045 91168 91068
91046 91169 91069
91047 91170 91070
91048 91171 91071
91049 91172 91072
  91173 91073
[СНЯТ С ПРОИЗВОДСТВА. ЗАМЕНА: 23745] - Переход на фланец Geberit Mapress (углер ст), оцинк. PN 6, d 28 [Артикул: 23723]
Подробнее
23723

ВНИМАНИЕ! Товар временно недоступен для заказа!

Цель применения:

  • Монтируется в системах отопления
  • Монтируется в системах кондиционирования воздуха
  • Не использовать для прокладки системы подачи питьевой воды!

Характеристики:

  • Оцинкованная сталь;
  • Без силикона, разрушающего ЛКП в красильном производстве;
  • В неопрессованном состоянии фитинг даёт течь;
  • Имеется индикатор прессования.

В объём поставки входит:

  • Чёрные уплотнительные кольца (CIIR);
  • Без набора болтов для фланца;
  • Без прокладки для фланца.

Технические данные

Материал: Нелегированная сталь 1.0034 E 195 (DIN EN 10305)

Скачать инструкцию по монтажу: Система Geberit Mapress

d di D k m H L Z n PN
мм мм см см см см см см шт бар
28 25 10 7,5 1,1 1,4 6,5 4,2 4 6

Возможно использование с:

Прокладки для фланца Mapress, PN 6 Болты Geberit Mapress Комплект болтов Geberit Mapress для фланцев
     
91041 91164 91064
91042 91165 91065
91043 91166 91066
91044 91167 91067
91045 91168 91068
91046 91169 91069
91047 91170 91070
91048 91171 91071
91049 91172 91072
  91173 91073
[СНЯТ С ПРОИЗВОДСТВА. ЗАМЕНА: 23746] - Переход на фланец Geberit Mapress (углер ст), оцинк. PN 6, d 35 [Артикул: 23724]
Подробнее
23724

ВНИМАНИЕ! Товар временно недоступен для заказа!

Цель применения:

  • Монтируется в системах отопления
  • Монтируется в системах кондиционирования воздуха
  • Не использовать для прокладки системы подачи питьевой воды!

Характеристики:

  • Оцинкованная сталь;
  • Без силикона, разрушающего ЛКП в красильном производстве;
  • В неопрессованном состоянии фитинг даёт течь;
  • Имеется индикатор прессования.

В объём поставки входит:

  • Чёрные уплотнительные кольца (CIIR);
  • Без набора болтов для фланца;
  • Без прокладки для фланца.

Технические данные

Материал: Нелегированная сталь 1.0034 E 195 (DIN EN 10305)

Скачать инструкцию по монтажу: Система Geberit Mapress

d di D k m H L Z n PN
мм мм см см см см см см шт бар
35 32 12 9 1,4 1,6 7 4,4 4 6

Возможно использование с:

Прокладки для фланца Mapress, PN 6 Болты Geberit Mapress Комплект болтов Geberit Mapress для фланцев
     
91041 91164 91064
91042 91165 91065
91043 91166 91066
91044 91167 91067
91045 91168 91068
91046 91169 91069
91047 91170 91070
91048 91171 91071
91049 91172 91072
  91173 91073
[СНЯТ С ПРОИЗВОДСТВА. ЗАМЕНА: 23747] - Переход на фланец Geberit Mapress (углер ст), оцинк. PN 6, d 42 [Артикул: 23725]
Подробнее
23725

ВНИМАНИЕ! Товар временно недоступен для заказа!

Цель применения:

  • Монтируется в системах отопления
  • Монтируется в системах кондиционирования воздуха
  • Не использовать для прокладки системы подачи питьевой воды!

Характеристики:

  • Оцинкованная сталь;
  • Без силикона, разрушающего ЛКП в красильном производстве;
  • В неопрессованном состоянии фитинг даёт течь;
  • Имеется индикатор прессования.

В объём поставки входит:

  • Чёрные уплотнительные кольца (CIIR);
  • Без набора болтов для фланца;
  • Без прокладки для фланца.

Технические данные

Материал: Нелегированная сталь 1.0034 E 195 (DIN EN 10305)

Скачать инструкцию по монтажу: Система Geberit Mapress

d di D k m H L Z n PN
мм мм см см см см см см шт бар
42 39 13 10 1,4 1,6 7,7 4,7 4 6

Возможно использование с:

Прокладки для фланца Mapress, PN 6 Болты Geberit Mapress Комплект болтов Geberit Mapress для фланцев
     
91041 91164 91064
91042 91165 91065
91043 91166 91066
91044 91167 91067
91045 91168 91068
91046 91169 91069
91047 91170 91070
91048 91171 91071
91049 91172 91072
  91173 91073
[СНЯТ С ПРОИЗВОДСТВА. ЗАМЕНА: 23748] - Переход на фланец Geberit Mapress (углер ст), оцинк. PN 6, d 54 [Артикул: 23726]
Подробнее
23726

ВНИМАНИЕ! Товар временно недоступен для заказа!

Цель применения:

  • Монтируется в системах отопления
  • Монтируется в системах кондиционирования воздуха
  • Не использовать для прокладки системы подачи питьевой воды!

Характеристики:

  • Оцинкованная сталь;
  • Без силикона, разрушающего ЛКП в красильном производстве;
  • В неопрессованном состоянии фитинг даёт течь;
  • Имеется индикатор прессования.

В объём поставки входит:

  • Чёрные уплотнительные кольца (CIIR);
  • Без набора болтов для фланца;
  • Без прокладки для фланца.

Технические данные

Материал: Нелегированная сталь 1.0034 E 195 (DIN EN 10305)

Скачать инструкцию по монтажу: Система Geberit Mapress

d di D k m H L Z n PN
мм мм см см см см см см шт бар
54 51 14 11 1,4 1,6 8,5 5 4 6

Возможно использование с:

Прокладки для фланца Mapress, PN 6 Болты Geberit Mapress Комплект болтов Geberit Mapress для фланцев
     
91041 91164 91064
91042 91165 91065
91043 91166 91066
91044 91167 91067
91045 91168 91068
91046 91169 91069
91047 91170 91070
91048 91171 91071
91049 91172 91072
  91173 91073
[СНЯТ С ПРОИЗВОДСТВА. ЗАМЕНА: 23749] - Переход на фланец Geberit Mapress (углер ст), оцинк. PN 6, d 76.1 [Артикул: 23727]
Подробнее
23727

ВНИМАНИЕ! Товар временно недоступен для заказа!

Цель применения:

  • Монтируется в системах отопления
  • Монтируется в системах кондиционирования воздуха
  • Не использовать для прокладки системы подачи питьевой воды!

Характеристики:

  • Оцинкованная сталь;
  • Без силикона, разрушающего ЛКП в красильном производстве;
  • В неопрессованном состоянии фитинг даёт течь;
  • Имеется индикатор прессования.

В объём поставки входит:

  • Чёрные уплотнительные кольца (CIIR);
  • Без набора болтов для фланца;
  • Без прокладки для фланца.

Технические данные

Материал: Нелегированная сталь 1.0034 E 195 (DIN EN 10305)

Скачать инструкцию по монтажу: Система Geberit Mapress

d di D k m H L Z n PN
мм мм см см см см см см шт бар
76,1 72,4 16 13 1,4 1,6 12,4 7,1 4 6

Возможно использование с:

Прокладки для фланца Mapress, PN 6 Болты Geberit Mapress Комплект болтов Geberit Mapress для фланцев
     
91041 91164 91064
91042 91165 91065
91043 91166 91066
91044 91167 91067
91045 91168 91068
91046 91169 91069
91047 91170 91070
91048 91171 91071
91049 91172 91072
  91173 91073
[СНЯТ С ПРОИЗВОДСТВА. ЗАМЕНА: 23750] - Переход на фланец Geberit Mapress (углер ст), оцинк. PN 6, d 88.9 [Артикул: 23728]
Подробнее
23728

ВНИМАНИЕ! Товар временно недоступен для заказа!

Цель применения:

  • Монтируется в системах отопления
  • Монтируется в системах кондиционирования воздуха
  • Не использовать для прокладки системы подачи питьевой воды!

Характеристики:

  • Оцинкованная сталь;
  • Без силикона, разрушающего ЛКП в красильном производстве;
  • В неопрессованном состоянии фитинг даёт течь;
  • Имеется индикатор прессования.

В объём поставки входит:

  • Чёрные уплотнительные кольца (CIIR);
  • Без набора болтов для фланца;
  • Без прокладки для фланца.

Технические данные

Материал: Нелегированная сталь 1.0034 E 195 (DIN EN 10305)

Скачать инструкцию по монтажу: Система Geberit Mapress

d di D k m H L Z n PN
мм мм см см см см см см шт бар
88,9 85,2 19 15 1,8 1,8 14,1 8,1 4 6

Возможно использование с:

Прокладки для фланца Mapress, PN 6 Болты Geberit Mapress Комплект болтов Geberit Mapress для фланцев
     
91041 91164 91064
91042 91165 91065
91043 91166 91066
91044 91167 91067
91045 91168 91068
91046 91169 91069
91047 91170 91070
91048 91171 91071
91049 91172 91072
  91173 91073
[СНЯТ С ПРОИЗВОДСТВА. ЗАМЕНА: 23751] - Переход на фланец Geberit Mapress (углер ст), оцинк. PN 6, d 108 [Артикул: 23729]
Подробнее
23729

ВНИМАНИЕ! Товар временно недоступен для заказа!

Цель применения:

  • Монтируется в системах отопления
  • Монтируется в системах кондиционирования воздуха
  • Не использовать для прокладки системы подачи питьевой воды!

Характеристики:

  • Оцинкованная сталь;
  • Без силикона, разрушающего ЛКП в красильном производстве;
  • В неопрессованном состоянии фитинг даёт течь;
  • Имеется индикатор прессования.

В объём поставки входит:

  • Чёрные уплотнительные кольца (CIIR);
  • Без набора болтов для фланца;
  • Без прокладки для фланца.

Технические данные

Материал: Нелегированная сталь 1.0034 E 195 (DIN EN 10305)

Скачать инструкцию по монтажу: Система Geberit Mapress

d di D k m H L Z n PN
мм мм см см см см см см шт бар
108 104,3 21 17 1,8 1,8 16,6 9,6 4 6

Возможно использование с:

Прокладки для фланца Mapress, PN 6 Болты Geberit Mapress Комплект болтов Geberit Mapress для фланцев
     
91041 91164 91064
91042 91165 91065
91043 91166 91066
91044 91167 91067
91045 91168 91068
91046 91169 91069
91047 91170 91070
91048 91171 91071
91049 91172 91072
  91173 91073
Переход Geberit Mapress (CuNiFe) на фланец с гладким концевиком, PN 10/16, d - 108 [Артикул: 68799]
Подробнее
68799

ВНИМАНИЕ! Товар временно недоступен для заказа!

Цель применения:

  • Для промышленности и кораблестроения

Характеристики:

  • Применяется со свободными фланцами, соответствует EN 1092-1

Технические данные

Материал: CuNi10Fe1.6Mn, материал № 2.1972.11

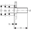
d da di D H h PN
мм мм мм см см см бар
108 110 104 15.8 13.5 1 10 / 16

Возможно использование с:

Прокладки для фланца Mapress, PN 10/16 Болты Geberit Mapress из CrNi стали
   
91031 91164
91032 91165
91033 91166
91034 91167
91035 91168
91036 91169
91037 91170
91038 91171
91039 91172
  91173
Переход Geberit Mapress (CuNiFe) на фланец с гладким концевиком, PN 10/16, d - 22 [Артикул: 68791]
Подробнее
68791

ВНИМАНИЕ! Товар временно недоступен для заказа!

Цель применения:

  • Для промышленности и кораблестроения

Характеристики:

  • Применяется со свободными фланцами, соответствует EN 1092-1

Технические данные

Материал: CuNi10Fe1.6Mn, материал № 2.1972.11

d da di D H h PN
мм мм мм см см см бар
22 27 19 5.8 13.5 0.6 10 / 16

Возможно использование с:

Прокладки для фланца Mapress, PN 10/16 Болты Geberit Mapress из CrNi стали
   
91031 91164
91032 91165
91033 91166
91034 91167
91035 91168
91036 91169
91037 91170
91038 91171
91039 91172
  91173
Переход Geberit Mapress (CuNiFe) на фланец с гладким концевиком, PN 10/16, d - 28 [Артикул: 68793]
Подробнее
68793

ВНИМАНИЕ! Товар временно недоступен для заказа!

Цель применения:

  • Для промышленности и кораблестроения

Характеристики:

  • Применяется со свободными фланцами, соответствует EN 1092-1

Технические данные

Материал: CuNi10Fe1.6Mn, материал № 2.1972.11

d da di D H h PN
мм мм мм см см см бар
28 32 25 6.8 13.5 0.6 10 / 16

Возможно использование с:

Прокладки для фланца Mapress, PN 10/16 Болты Geberit Mapress из CrNi стали
   
91031 91164
91032 91165
91033 91166
91034 91167
91035 91168
91036 91169
91037 91170
91038 91171
91039 91172
  91173
Переход Geberit Mapress (CuNiFe) на фланец с гладким концевиком, PN 6, d - 54 [Артикул: 68760]
Подробнее
68760

ВНИМАНИЕ! Товар временно недоступен для заказа!

Цель применения:

  • Для промышленности и кораблестроения

Характеристики:

  • Применяется со свободными фланцами, соответствует EN 1092-1

Технические данные

Материал: CuNi10Fe1.6Mn, материал № 2.1972.11

d da di D H h PN
мм мм мм см см см бар
54 59 51 9 13.5 0.8 6

Возможно использование с:

Прокладки для фланца Mapress, PN 6 Болты Geberit Mapress из CrNi стали
   
91041 91164
91042 91165
91043 91166
91044 91167
91045 91168
91046 91169
91047 91170
91048 91171
91049 91172
  91173
Переход Geberit Mapress (CuNiFe) на фланец с гладким концевиком, PN 10/16, d - 35 [Артикул: 68794]
Подробнее
68794

ВНИМАНИЕ! Товар временно недоступен для заказа!

Цель применения:

  • Для промышленности и кораблестроения

Характеристики:

  • Применяется со свободными фланцами, соответствует EN 1092-1

Технические данные

Материал: CuNi10Fe1.6Mn, материал № 2.1972.11

d da di D H h PN
мм мм мм см см см бар
35 40 32 7.8 13.5 0.6 10 / 16

Возможно использование с:

Прокладки для фланца Mapress, PN 10/16 Болты Geberit Mapress из CrNi стали
   
91031 91164
91032 91165
91033 91166
91034 91167
91035 91168
91036 91169
91037 91170
91038 91171
91039 91172
  91173
Переход Geberit Mapress (CuNiFe) на фланец с гладким концевиком, PN 10/16, d - 42 [Артикул: 68795]
Подробнее
68795

ВНИМАНИЕ! Товар временно недоступен для заказа!

Цель применения:

  • Для промышленности и кораблестроения

Характеристики:

  • Применяется со свободными фланцами, соответствует EN 1092-1

Технические данные

Материал: CuNi10Fe1.6Mn, материал № 2.1972.11

d da di D H h PN
мм мм мм см см см бар
42 47 39 8.8 13.5 0.6 10 / 16

Возможно использование с:

Прокладки для фланца Mapress, PN 10/16 Болты Geberit Mapress из CrNi стали
   
91031 91164
91032 91165
91033 91166
91034 91167
91035 91168
91036 91169
91037 91170
91038 91171
91039 91172
  91173

Смотрите также