Логотип
Ru| En

Офис: м. Бауманская

Склад: Ленинские Горки

Loading

Отводы Geberit Mapress из стали

Отводы для систем Mapress могут иметь угол поворота 90, 60, 45, 30 и 15 градусов. Они оснащаются специальным индикатором прессования и в неопрессованном состоянии дают течь. Для изготовления отводов Mapress применяется высококачественная нержавеющая сталь 1.4401 и нелегированная сталь 1.0034 E 195. Отводы предназначаются для отопительных и водоснабжающих систем, также их можно использовать в промышленности. Диаметр отводов может быть от 15 до 108 мм.

Также выпускаются специальные отводы, в том числе с гладким концевиком, изготовленные из стали, не содержащей силикон, который разрушает ЛКП в красильном производстве. Некоторые из моделей отводов Mapress позволяют использовать их в системах, подающих сжиженный или природный газ, при этом данные отводы сохраняют работоспособность при температурах от -20 до +70 °C, а поставляются они с уплотнительным кольцом HNBR жёлтого цвета.

Отводы поставляются вместе с чёрными уплотнительными кольцами (CIIR).

Фото Наименование Артикул Цена
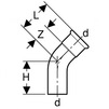
Отвод 45° Geberit Mapres с гладким концевиком, d - 42 [Артикул: 60707]
Подробнее
60707

ВНИМАНИЕ! Товар временно недоступен для заказа!

Цель применения:

  • Для систем отопления и водоснабжения
  • Для использования в промышленности

Характеристики:

  • В неопрессованном состоянии фитинг даёт течь;
  • Отвод оснащён индикатором прессования;
  • Гладкий концевик.

В объём поставки включено:

  • Уплотнительное кольцо (CIIR черного цвета при d ≤ 54 мм; ЭПДМ при d > 54 мм)

Материал: Медь Cu-DHP CW024A (EN 1412)

Угол поворота: 45°

Скачать инструкцию по монтажу: Система Geberit Mapress

d H L Z
мм см см см
42 5,7 4,7 1,7
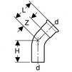
Отвод 45° Geberit Mapres с гладким концевиком, d - 54 [Артикул: 60708]
Подробнее
60708

ВНИМАНИЕ! Товар временно недоступен для заказа!

Цель применения:

  • Для систем отопления и водоснабжения
  • Для использования в промышленности

Характеристики:

  • В неопрессованном состоянии фитинг даёт течь;
  • Отвод оснащён индикатором прессования;
  • Гладкий концевик.

В объём поставки включено:

  • Уплотнительное кольцо (CIIR черного цвета при d ≤ 54 мм; ЭПДМ при d > 54 мм)

Материал: Медь Cu-DHP CW024A (EN 1412)

Угол поворота: 45°

Скачать инструкцию по монтажу: Система Geberit Mapress

d H L Z
мм см см см
54 6,8 5,7 2,2
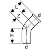
Отвод 45° Geberit Mapres с гладким концевиком, d - 66,7 [Артикул: 60710]
Подробнее
60710

ВНИМАНИЕ! Товар временно недоступен для заказа!

Цель применения:

  • Для систем отопления и водоснабжения
  • Для использования в промышленности

Характеристики:

  • В неопрессованном состоянии фитинг даёт течь;
  • Отвод оснащён индикатором прессования;
  • Гладкий концевик.

В объём поставки включено:

  • Уплотнительное кольцо (CIIR черного цвета при d ≤ 54 мм; ЭПДМ при d > 54 мм)

Материал: Медь Cu-DHP CW024A (EN 1412)

Угол поворота: 45°

Скачать инструкцию по монтажу: Система Geberit Mapress

d H L Z
мм см см см
66,7 10,1 9,2 4,2
Отвод 45° Geberit Mapres с гладким концевиком, d - 76,1 [Артикул: 60711]
Подробнее
60711

ВНИМАНИЕ! Товар временно недоступен для заказа!

Цель применения:

  • Для систем отопления и водоснабжения
  • Для использования в промышленности

Характеристики:

  • В неопрессованном состоянии фитинг даёт течь;
  • Отвод оснащён индикатором прессования;
  • Гладкий концевик.

В объём поставки включено:

  • Уплотнительное кольцо (CIIR черного цвета при d ≤ 54 мм; ЭПДМ при d > 54 мм)

Материал: Медь Cu-DHP CW024A (EN 1412)

Угол поворота: 45°

Скачать инструкцию по монтажу: Система Geberit Mapress

d H L Z
мм см см см
76,1 11 10,2 4,9
Отвод 45° Geberit Mapres с гладким концевиком, d - 88,9 [Артикул: 60712]
Подробнее
60712

ВНИМАНИЕ! Товар временно недоступен для заказа!

Цель применения:

  • Для систем отопления и водоснабжения
  • Для использования в промышленности

Характеристики:

  • В неопрессованном состоянии фитинг даёт течь;
  • Отвод оснащён индикатором прессования;
  • Гладкий концевик.

В объём поставки включено:

  • Уплотнительное кольцо (CIIR черного цвета при d ≤ 54 мм; ЭПДМ при d > 54 мм)

Материал: Медь Cu-DHP CW024A (EN 1412)

Угол поворота: 45°

Скачать инструкцию по монтажу: Система Geberit Mapress

d H L Z
мм см см см
88,9 12,7 11,8 5,8
Отвод 45° Geberit Mapres с гладким концевиком, d - 108 [Артикул: 60713]
Подробнее
60713

ВНИМАНИЕ! Товар временно недоступен для заказа!

Цель применения:

  • Для систем отопления и водоснабжения
  • Для использования в промышленности

Характеристики:

  • В неопрессованном состоянии фитинг даёт течь;
  • Отвод оснащён индикатором прессования;
  • Гладкий концевик.

В объём поставки включено:

  • Уплотнительное кольцо (CIIR черного цвета при d ≤ 54 мм; ЭПДМ при d > 54 мм)

Материал: Медь Cu-DHP CW024A (EN 1412)

Угол поворота: 45°

Скачать инструкцию по монтажу: Система Geberit Mapress

d H L Z
мм см см см
108 15,7 14,6 7,1
Отвод 45° Geberit Mapres с гладкими концевиками, d - 28 [Артикул: 60875]
Подробнее
60875

ВНИМАНИЕ! Товар временно недоступен для заказа!

Цель применения:

  • Для систем отопления и водоснабжения
  • Для использования в промышленности
  • Подходит для монтажа систем подачи природного или сжиженного газа

Материал: Медь Cu-DHP CW024A (EN 1412)

Угол поворота: 45°

Скачать инструкцию по монтажу: Система Geberit Mapress

d H H1 K K1
мм см см см см
28 5,8 12,2 0,2 6,6
Отвод 45° Geberit Mapres с гладкими концевиками, d - 35 [Артикул: 60876]
Подробнее
60876

ВНИМАНИЕ! Товар временно недоступен для заказа!

Цель применения:

  • Для систем отопления и водоснабжения
  • Для использования в промышленности
  • Подходит для монтажа систем подачи природного или сжиженного газа

Материал: Медь Cu-DHP CW024A (EN 1412)

Угол поворота: 45°

Скачать инструкцию по монтажу: Система Geberit Mapress

d H H1 K K1
мм см см см см
35 9,4 20,6 2 13,2
Отвод 45° Geberit Mapres с гладкими концевиками, d - 42 [Артикул: 60877]
Подробнее
60877

ВНИМАНИЕ! Товар временно недоступен для заказа!

Цель применения:

  • Для систем отопления и водоснабжения
  • Для использования в промышленности
  • Подходит для монтажа систем подачи природного или сжиженного газа

Материал: Медь Cu-DHP CW024A (EN 1412)

Угол поворота: 45°

Скачать инструкцию по монтажу: Система Geberit Mapress

d H H1 K K1
мм см см см см
42 11,4 26,2 0,1 14,9
Отвод 45° Geberit Mapres с гладкими концевиками, d - 54 [Артикул: 60878]
Подробнее
60878

ВНИМАНИЕ! Товар временно недоступен для заказа!

Цель применения:

  • Для систем отопления и водоснабжения
  • Для использования в промышленности
  • Подходит для монтажа систем подачи природного или сжиженного газа

Материал: Медь Cu-DHP CW024A (EN 1412)

Угол поворота: 45°

Скачать инструкцию по монтажу: Система Geberit Mapress

d H H1 K K1
мм см см см см
54 14,6 32,1 3,7 21,2
Отвод 15° Geberit Mapress с гладкими концевиками, d 28 [Артикул: 60905]
Подробнее
60905

ВНИМАНИЕ! Товар временно недоступен для заказа!

Цель применения:

  • Для систем отопления и водоснабжения
  • Для использования в промышленности
  • Подходит для монтажа систем подачи природного или сжиженного газа

Материал: Медь Cu-DHP CW024A (EN 1412)

Угол поворота: 15°

d H H1 K K1
мм см см см см
28 8 12 0,7 4,7
Отвод 15° Geberit Mapres с гладкими концевиками, d - 35 [Артикул: 60906]
Подробнее
60906

ВНИМАНИЕ! Товар временно недоступен для заказа!

Цель применения:

  • Для систем отопления и водоснабжения
  • Для использования в промышленности
  • Подходит для монтажа систем подачи природного или сжиженного газа

Материал: Медь Cu-DHP CW024A (EN 1412)

Угол поворота: 15°

d H H1 K K1
мм см см см см
35 12 20 3 11
Отвод 15° Geberit Mapres с гладкими концевиками, d - 42 [Артикул: 60907]
Подробнее
60907

ВНИМАНИЕ! Товар временно недоступен для заказа!

Цель применения:

  • Для систем отопления и водоснабжения
  • Для использования в промышленности
  • Подходит для монтажа систем подачи природного или сжиженного газа

Материал: Медь Cu-DHP CW024A (EN 1412)

Угол поворота: 15°

d H H1 K K1
мм см см см см
42 15 25 4,4 14,4
Отвод 15° Geberit Mapres с гладкими концевиками, d - 54 [Артикул: 60908]
Подробнее
60908

ВНИМАНИЕ! Товар временно недоступен для заказа!

Цель применения:

  • Для систем отопления и водоснабжения
  • Для использования в промышленности
  • Подходит для монтажа систем подачи природного или сжиженного газа

Материал: Медь Cu-DHP CW024A (EN 1412)

Угол поворота: 15°

d H H1 K K1
мм см см см см
54 20 30 6,5 16,5
Отвод 30° Geberit Mapres с гладкими концевиками, d - 28 [Артикул: 60935]
Подробнее
60935

ВНИМАНИЕ! Товар временно недоступен для заказа!

Цель применения:

  • Для систем отопления и водоснабжения
  • Для использования в промышленности
  • Подходит для монтажа систем подачи природного или сжиженного газа

Материал: Медь Cu-DHP CW024A (EN 1412)

Угол поворота: 30°

d H H1 K K1
мм см см см см
28 8 12 0,7 4,7
Отвод 30° Geberit Mapres с гладкими концевиками, d - 35 [Артикул: 60936]
Подробнее
60936

ВНИМАНИЕ! Товар временно недоступен для заказа!

Цель применения:

  • Для систем отопления и водоснабжения
  • Для использования в промышленности
  • Подходит для монтажа систем подачи природного или сжиженного газа

Материал: Медь Cu-DHP CW024A (EN 1412)

Угол поворота: 30°

d H H1 K K1
мм см см см см
35 12 20 3 11
Отвод 30° Geberit Mapres с гладкими концевиками, d - 42 [Артикул: 60937]
Подробнее
60937

ВНИМАНИЕ! Товар временно недоступен для заказа!

Цель применения:

  • Для систем отопления и водоснабжения
  • Для использования в промышленности
  • Подходит для монтажа систем подачи природного или сжиженного газа

Материал: Медь Cu-DHP CW024A (EN 1412)

Угол поворота: 30°

d H H1 K K1
мм см см см см
42 15 25 4,4 14,4
Отвод 30° Geberit Mapres с гладкими концевиками, d - 54 [Артикул: 60938]
Подробнее
60938

ВНИМАНИЕ! Товар временно недоступен для заказа!

Цель применения:

  • Для систем отопления и водоснабжения
  • Для использования в промышленности
  • Подходит для монтажа систем подачи природного или сжиженного газа

Материал: Медь Cu-DHP CW024A (EN 1412)

Угол поворота: 30°

d H H1 K K1
мм см см см см
54 20 30 6,5 16,5
Отвод 60° Geberit Mapres с гладкими концевиками, d - 28 [Артикул: 60955]
Подробнее
60955

ВНИМАНИЕ! Товар временно недоступен для заказа!

Цель применения:

  • Для систем отопления и водоснабжения
  • Для использования в промышленности
  • Подходит для монтажа систем подачи природного или сжиженного газа

Материал: Медь Cu-DHP CW024A (EN 1412)

Угол поворота: 60°

Скачать инструкцию по монтажу: Система Geberit Mapress

d H H1 K K1
мм см см см см
28 8 12 0,7 4,7
Отвод 60° Geberit Mapres с гладкими концевиками, d - 35 [Артикул: 60956]
Подробнее
60956

ВНИМАНИЕ! Товар временно недоступен для заказа!

Цель применения:

  • Для систем отопления и водоснабжения
  • Для использования в промышленности
  • Подходит для монтажа систем подачи природного или сжиженного газа

Материал: Медь Cu-DHP CW024A (EN 1412)

Угол поворота: 60°

Скачать инструкцию по монтажу: Система Geberit Mapress

d H H1 K K1
мм см см см см
35 12 20 3 11

Смотрите также