Логотип
Ru| En

Офис: м. Бауманская

Склад: Ленинский городской округ

Loading

Тройники Geberit Silent-db20

Тройники Silent-db20 отличаются повышенной стойкостью к ультрафиолетовым лучам, а также абразивной устойчивостью. Они изготавливаются из полиэтилена с минеральными добавками (PE-S2), который обладает способностью поглощать шумы, что позволяет использовать тройники Silent-db20 при организации внутренней канализационной системы в зданиях с высокими требованиями к звукоизоляции.

Тройники Silent-db20 характеризуются по углу, под которым расположен впуск. Угол может быть 91,5° или 135° - в последнем случае тройники Silent-db20 имеют Y-образную форму. Также выпускаются тройники со смещённым впуском и параллельным отводом.

Выпускаются специальные тройники с двумя отводами 90°. Фановые тройники имеют вертикальный выпуск и могут использоваться при монтаже подвесных унитазов, они поставляются вместе с защитной заглушкой, а также уплотнительной мембраной из EPDМ.

Диаметры подключаемых труб указываются ниже. Выпускаются тройники с длиной от 17,5 до 41,5 см.

Фото Наименование Артикул Цена
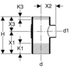
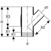
Тройник 135° (45°) Y-образный Geberit Silent-db20, d - 56, d1 - 56 [Артикул: 305.054.14.1]
Подробнее
305.054.14.1

ВНИМАНИЕ! Товар временно недоступен для заказа!

Цель применения:

  • Для внутренних канализационных систем
  • Монтируется в зданиях с повышенными требованиями к звукоизоляции

Характеристики:

  • Шумопоглощение;
  • Тройник устойчив к ультрафиолету;
  • Высокая абразивная устойчивость.

Материал: PE-S2 (пластик с минеральными добавками)

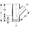
d d1 X1 X2 X3 H K1
мм мм
56 56 6 12 12 18 1,5
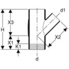
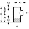
Тройник 91,5° (88,5°) Geberit Silent-db20, d - 56, d1 - 56 [Артикул: 305.058.14.1]
Подробнее
305.058.14.1

ВНИМАНИЕ! Товар временно недоступен для заказа!

Цель применения:

  • Для внутренних канализационных систем
  • Монтируется в зданиях с повышенными требованиями к звукоизоляции

Характеристики:

  • Шумопоглощение;
  • Тройник устойчив к ультрафиолету;
  • Высокая абразивная устойчивость.

Материал: PE-S2 (пластик с минеральными добавками)

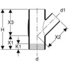
d d1 X1 X2 X3 H K1 K3
мм мм
56 56 10,5 7 7 17,5 4,5 0,5
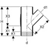
Тройник 135° (45°) Y-образный Geberit Silent-db20, d - 63, d1 - 56 [Артикул: 306.054.14.1]
Подробнее
306.054.14.1

ВНИМАНИЕ! Товар временно недоступен для заказа!

Цель применения:

  • Для внутренних канализационных систем
  • Монтируется в зданиях с повышенными требованиями к звукоизоляции

Характеристики:

  • Шумопоглощение;
  • Тройник устойчив к ультрафиолету;
  • Высокая абразивная устойчивость.

Материал: PE-S2 (пластик с минеральными добавками)

d d1 X1 X2 X3 H K1
мм мм
63 56 6,5 13 13 19,5 2
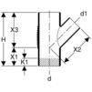
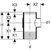
Тройник 91,5° (88,5°) Geberit Silent-db20, d - 63, d1 - 56 [Артикул: 306.058.14.1]
Подробнее
306.058.14.1

ВНИМАНИЕ! Товар временно недоступен для заказа!

Цель применения:

  • Для внутренних канализационных систем
  • Монтируется в зданиях с повышенными требованиями к звукоизоляции

Характеристики:

  • Шумопоглощение;
  • Тройник устойчив к ультрафиолету;
  • Высокая абразивная устойчивость.

Материал: PE-S2 (пластик с минеральными добавками)

d d1 X1 X2 X3 H K1 K3
мм мм
63 56 10,5 7 7 17,5 4,5 0,5
Тройник 135° (45°) Y-образный Geberit Silent-db20, d - 63, d1 - 63 [Артикул: 306.064.14.1]
Подробнее
306.064.14.1

ВНИМАНИЕ! Товар временно недоступен для заказа!

Цель применения:

  • Для внутренних канализационных систем
  • Монтируется в зданиях с повышенными требованиями к звукоизоляции

Характеристики:

  • Шумопоглощение;
  • Тройник устойчив к ультрафиолету;
  • Высокая абразивная устойчивость.

Материал: PE-S2 (пластик с минеральными добавками)

d d1 X1 X2 X3 H K1
мм мм
63 63 6,5 13 13 19,5 2
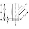
Тройник 91,5° (88,5°) Geberit Silent-db20, d - 63, d1 - 63 [Артикул: 306.068.14.1]
Подробнее
306.068.14.1

ВНИМАНИЕ! Товар временно недоступен для заказа!

Цель применения:

  • Для внутренних канализационных систем
  • Монтируется в зданиях с повышенными требованиями к звукоизоляции

Характеристики:

  • Шумопоглощение;
  • Тройник устойчив к ультрафиолету;
  • Высокая абразивная устойчивость.

Материал: PE-S2 (пластик с минеральными добавками)

d d1 X1 X2 X3 H K1 K3
мм мм
63 63 10,5 7 7 17,5 4  
Тройник 135° (45°) Y-образный Geberit Silent-db20, d - 75, d1 - 56 [Артикул: 307.054.14.1]
Подробнее
307.054.14.1

ВНИМАНИЕ! Товар временно недоступен для заказа!

Цель применения:

  • Для внутренних канализационных систем
  • Монтируется в зданиях с повышенными требованиями к звукоизоляции

Характеристики:

  • Шумопоглощение;
  • Тройник устойчив к ультрафиолету;
  • Высокая абразивная устойчивость.

Материал: PE-S2 (пластик с минеральными добавками)

d d1 X1 X2 X3 H K1
мм мм
75 56 7 14 14 21 3,5
Тройник 91,5° (88,5°) Geberit Silent-db20, d - 75, d1 - 56 [Артикул: 307.058.14.1]
Подробнее
307.058.14.1

ВНИМАНИЕ! Товар временно недоступен для заказа!

Цель применения:

  • Для внутренних канализационных систем
  • Монтируется в зданиях с повышенными требованиями к звукоизоляции

Характеристики:

  • Шумопоглощение;
  • Тройник устойчив к ультрафиолету;
  • Высокая абразивная устойчивость.

Материал: PE-S2 (пластик с минеральными добавками)

d d1 X1 X2 X3 H K1 K3
мм мм
75 56 10,5 7 7,5 18 4,5 0,5
Тройник 135° (45°) Y-образный Geberit Silent-db20, d - 75, d1 - 63 [Артикул: 307.064.14.1]
Подробнее
307.064.14.1

ВНИМАНИЕ! Товар временно недоступен для заказа!

Цель применения:

  • Для внутренних канализационных систем
  • Монтируется в зданиях с повышенными требованиями к звукоизоляции

Характеристики:

  • Шумопоглощение;
  • Тройник устойчив к ультрафиолету;
  • Высокая абразивная устойчивость.

Материал: PE-S2 (пластик с минеральными добавками)

d d1 X1 X2 X3 H K1
мм мм
75 63 7 14 14 21 3
Тройник 91,5° (88,5°) Geberit Silent-db20, d - 75, d1 - 63 [Артикул: 307.068.14.1]
Подробнее
307.068.14.1

ВНИМАНИЕ! Товар временно недоступен для заказа!

Цель применения:

  • Для внутренних канализационных систем
  • Монтируется в зданиях с повышенными требованиями к звукоизоляции

Характеристики:

  • Шумопоглощение;
  • Тройник устойчив к ультрафиолету;
  • Высокая абразивная устойчивость.

Материал: PE-S2 (пластик с минеральными добавками)

d d1 X1 X2 X3 H K1 K3
мм мм
75 63 10,5 7,5 7,5 18 4  
Тройник 135° (45°) Y-образный Geberit Silent-db20, d - 75, d1 - 75 [Артикул: 307.074.14.1]
Подробнее
307.074.14.1

ВНИМАНИЕ! Товар временно недоступен для заказа!

Цель применения:

  • Для внутренних канализационных систем
  • Монтируется в зданиях с повышенными требованиями к звукоизоляции

Характеристики:

  • Шумопоглощение;
  • Тройник устойчив к ультрафиолету;
  • Высокая абразивная устойчивость.

Материал: PE-S2 (пластик с минеральными добавками)

d d1 X1 X2 X3 H K1
мм мм
75 75 7 14 14 21 2
Тройник 91,5° (88,5°) Geberit Silent-db20, d - 75, d1 - 75 [Артикул: 307.078.14.1]
Подробнее
307.078.14.1

ВНИМАНИЕ! Товар временно недоступен для заказа!

Цель применения:

  • Для внутренних канализационных систем
  • Монтируется в зданиях с повышенными требованиями к звукоизоляции

Характеристики:

  • Шумопоглощение;
  • Тройник устойчив к ультрафиолету;
  • Высокая абразивная устойчивость.

Материал: PE-S2 (пластик с минеральными добавками)

d d1 X1 X2 X3 H K1 K3
мм мм
75 75 10,5 7,5 7,5 18 3,5 0
Тройник 135° (45°) Y-образный Geberit Silent-db20, d - 90, d1 - 56 [Артикул: 308.054.14.1]
Подробнее
308.054.14.1

ВНИМАНИЕ! Товар временно недоступен для заказа!

Цель применения:

  • Для внутренних канализационных систем
  • Монтируется в зданиях с повышенными требованиями к звукоизоляции

Характеристики:

  • Шумопоглощение;
  • Тройник устойчив к ультрафиолету;
  • Высокая абразивная устойчивость.

Материал: PE-S2 (пластик с минеральными добавками)

d d1 X1 X2 X3 H K1
мм мм
90 56 8 16 16 24 5
Тройник 91,5° (88,5°) Geberit Silent-db20, d - 90, d1 - 56 [Артикул: 308.058.14.1]
Подробнее
308.058.14.1

ВНИМАНИЕ! Товар временно недоступен для заказа!

Цель применения:

  • Для внутренних канализационных систем
  • Монтируется в зданиях с повышенными требованиями к звукоизоляции

Характеристики:

  • Шумопоглощение;
  • Тройник устойчив к ультрафиолету;
  • Высокая абразивная устойчивость.

Материал: PE-S2 (пластик с минеральными добавками)

d d1 X1 X2 X3 H K1 K3
мм мм
90 56 12 8 8,3 20,3 6 2
Тройник 135° (45°) Y-образный Geberit Silent-db20, d - 90, d1 - 63 [Артикул: 308.064.14.1]
Подробнее
308.064.14.1

ВНИМАНИЕ! Товар временно недоступен для заказа!

Цель применения:

  • Для внутренних канализационных систем
  • Монтируется в зданиях с повышенными требованиями к звукоизоляции

Характеристики:

  • Шумопоглощение;
  • Тройник устойчив к ультрафиолету;
  • Высокая абразивная устойчивость.

Материал: PE-S2 (пластик с минеральными добавками)

d d1 X1 X2 X3 H K1
мм мм
90 63 8 16 16 24 5
Тройник 91,5° (88,5°) Geberit Silent-db20, d - 90, d1 - 63 [Артикул: 308.068.14.1]
Подробнее
308.068.14.1

ВНИМАНИЕ! Товар временно недоступен для заказа!

Цель применения:

  • Для внутренних канализационных систем
  • Монтируется в зданиях с повышенными требованиями к звукоизоляции

Характеристики:

  • Шумопоглощение;
  • Тройник устойчив к ультрафиолету;
  • Высокая абразивная устойчивость.

Материал: PE-S2 (пластик с минеральными добавками)

d d1 X1 X2 X3 H K1 K3
мм мм
90 63 12 8 8,3 20,3 5,5 1,5
Тройник 135° (45°) Y-образный Geberit Silent-db20, d - 90, d1 - 75 [Артикул: 308.074.14.1]
Подробнее
308.074.14.1

ВНИМАНИЕ! Товар временно недоступен для заказа!

Цель применения:

  • Для внутренних канализационных систем
  • Монтируется в зданиях с повышенными требованиями к звукоизоляции

Характеристики:

  • Шумопоглощение;
  • Тройник устойчив к ультрафиолету;
  • Высокая абразивная устойчивость.

Материал: PE-S2 (пластик с минеральными добавками)

d d1 X1 X2 X3 H K1
мм мм
90 75 8 16 16 24 4
Тройник 91,5° (88,5°) Geberit Silent-db20, d - 90, d1 - 75 [Артикул: 308.078.14.1]
Подробнее
308.078.14.1

ВНИМАНИЕ! Товар временно недоступен для заказа!

Цель применения:

  • Для внутренних канализационных систем
  • Монтируется в зданиях с повышенными требованиями к звукоизоляции

Характеристики:

  • Шумопоглощение;
  • Тройник устойчив к ультрафиолету;
  • Высокая абразивная устойчивость.

Материал: PE-S2 (пластик с минеральными добавками)

d d1 X1 X2 X3 H K1 K3
мм мм
90 75 12 8 8,3 20,3 5 1
Тройник Geberit Silent-db20 с параллельным отводом, d - 90, d1 - 110 [Артикул: 308.081.14.1]
Подробнее
308.081.14.1

ВНИМАНИЕ! Товар временно недоступен для заказа!

Цель применения:

  • Для внутренних канализационных систем
  • Монтируется в зданиях с повышенными требованиями к звукоизоляции

Характеристики:

  • Шумопоглощение;
  • Тройник устойчив к ультрафиолету;
  • Высокая абразивная устойчивость.

Материал: PE-S2 (пластик с минеральными добавками)

d d1 a X1 X3 L K1
мм мм
90 90 11 8 16 24 2,5
Тройник 135° (45°) Y-образный Geberit Silent-db20, d - 90, d1 - 90 [Артикул: 308.084.14.1]
Подробнее
308.084.14.1

ВНИМАНИЕ! Товар временно недоступен для заказа!

Цель применения:

  • Для внутренних канализационных систем
  • Монтируется в зданиях с повышенными требованиями к звукоизоляции

Характеристики:

  • Шумопоглощение;
  • Тройник устойчив к ультрафиолету;
  • Высокая абразивная устойчивость.

Материал: PE-S2 (пластик с минеральными добавками)

d d1 X1 X2 X3 H K1
мм мм
90 90 8 16 16 24 2,5

Смотрите также