Логотип
Ru| En

Офис: м. Бауманская

Склад: Ленинские Горки

Loading

Тройники Geberit Silent-db20

Тройники Silent-db20 отличаются повышенной стойкостью к ультрафиолетовым лучам, а также абразивной устойчивостью. Они изготавливаются из полиэтилена с минеральными добавками (PE-S2), который обладает способностью поглощать шумы, что позволяет использовать тройники Silent-db20 при организации внутренней канализационной системы в зданиях с высокими требованиями к звукоизоляции.

Тройники Silent-db20 характеризуются по углу, под которым расположен впуск. Угол может быть 91,5° или 135° - в последнем случае тройники Silent-db20 имеют Y-образную форму. Также выпускаются тройники со смещённым впуском и параллельным отводом.

Выпускаются специальные тройники с двумя отводами 90°. Фановые тройники имеют вертикальный выпуск и могут использоваться при монтаже подвесных унитазов, они поставляются вместе с защитной заглушкой, а также уплотнительной мембраной из EPDМ.

Диаметры подключаемых труб указываются ниже. Выпускаются тройники с длиной от 17,5 до 41,5 см.

Фото Наименование Артикул Цена
Тройник 91,5° (88,5°) Geberit Silent-db20, d - 90, d1 - 90 [Артикул: 308.088.14.1]
Подробнее
308.088.14.1

ВНИМАНИЕ! Товар временно недоступен для заказа!

Цель применения:

  • Для внутренних канализационных систем
  • Монтируется в зданиях с повышенными требованиями к звукоизоляции

Характеристики:

  • Шумопоглощение;
  • Тройник устойчив к ультрафиолету;
  • Высокая абразивная устойчивость.

Материал: PE-S2 (пластик с минеральными добавками)

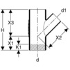
d d1 X1 X2 X3 H K1 K3
мм мм
90 90 12 8,3 8,3 20,3 4,5 0,5
Тройник Y-образный 2 x 90° Geberit Silent-db20, d - 90, d1 - 90 [Артикул: 308.480.14.1]
Подробнее
308.480.14.1

ВНИМАНИЕ! Товар временно недоступен для заказа!

Цель применения:

  • Для монтажа внутренних канализационных систем
  • Для монтажа в зданиях с повышенными требованиями по звукоизоляции

Характеристики:

  • Тройник устойчив к ультрафиолету;
  • Шумопоглощение;
  • Высокая абразивная устойчивость.

Материал: PE-S2 (полиэтилен)

d d1 A a H K
мм мм
90 90 30 15 17,5 3
Тройник 88,5° Geberit Silent-db20, правый со смещенным выпуском и дополнительным отводом, d - 90, d1 - 90, d2 - 75 [Артикул: 308.871.14.1]
Подробнее
308.871.14.1

ВНИМАНИЕ! Товар временно недоступен для заказа!

Цель применения:

  • Для внутренних канализационных систем
  • Монтируется в зданиях с повышенными требованиями к звукоизоляции

Характеристики:

  • Шумопоглощение;
  • Тройник устойчив к ультрафиолету;
  • Выпуски расположены под углом 180°;
  • Высокая абразивная устойчивость;
  • Выпуск смещён.

Материал: PE-S2 (пластик с минеральными добавками)

d d1 d2 A X1 X2 X3 X4 X5 X6 H
мм мм мм
90 90 75 8,1 12 8,3 12 8,3 10.6 14.2 20,3
Тройник 88,5° Geberit Silent-db20, левый со смещенным выпуском и дополнительным отводом, d - 90, d1 - 90, d2 - 75 [Артикул: 308.872.14.1]
Подробнее
308.872.14.1

ВНИМАНИЕ! Товар временно недоступен для заказа!

Цель применения:

  • Для монтажа внутренних канализационных систем
  • Для монтажа в зданиях с повышенными требованиями по звукоизоляции

Характеристики:

  • Тройник устойчив к ультрафиолету;
  • Шумопоглощение;
  • Выпуски распологаются под углом 180°;
  • Высокая абразивная устойчивость;
  • Выпуск смещён.

Материал: PE-S2 (полиэтилен)

d d1 d2 A X1 X2
мм мм мм
90 90 75 8,1 12 8,3
X3 X4 X5 X6 H
12 8,3 10.6 14.2 20.3
Тройник фановый 2 x 90° Geberit Silent-db20 с вертикальным выпуском для подвес. унитаза, d - 90, d1 - 90 [Артикул: 308.923.14.1]
Подробнее
308.923.14.1

ВНИМАНИЕ! Товар временно недоступен для заказа!

Цель применения:

  • Для внутренних канализационных систем
  • Монтируется в зданиях с повышенными требованиями к звукоизоляции
  • Для унитазов с горизонтальным выпуском
  • Для монтажного элемента Kombifix

Характеристики:

  • Шумопоглощение;
  • Тройник устойчив к ультрафиолету;
  • Высокая абразивная устойчивость.

В объём поставки включено:

  • Уплотнительное кольцо EPDМ;
  • Защитная заглушка.

Материал: PE-S2 (пластик с минеральными добавками)

Теплопроводность трубы: 0,43 Вт / (м*К)

Максимальная температура хранения: 40 °C

Тепловое расширение: 0,17 мм / (м*К)

d d1 A a H K
мм мм
90 90 25 9 20,3 6
Фитинг Geberit Silent-db20 со смещением, d - 110мм [Артикул: 310.048.14.1]
Подробнее
310.048.14.1

ВНИМАНИЕ! Товар временно недоступен для заказа!

Тройник 135° (45°) Y-образный Geberit Silent-db20, d - 110, d1 - 56 [Артикул: 310.054.14.1]
Подробнее
310.054.14.1

ВНИМАНИЕ! Товар временно недоступен для заказа!

Цель применения:

  • Для внутренних канализационных систем
  • Монтируется в зданиях с повышенными требованиями к звукоизоляции

Характеристики:

  • Шумопоглощение;
  • Тройник устойчив к ультрафиолету;
  • Высокая абразивная устойчивость.

Материал: PE-S2 (пластик с минеральными добавками)

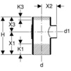
d d1 X1 X2 X3 H K1
мм мм
110 56 9 18 18 27 7
Тройник 91,5° (88,5°) Geberit Silent-db20, d - 110, d1 - 56 [Артикул: 310.058.14.1]
Подробнее
310.058.14.1

ВНИМАНИЕ! Товар временно недоступен для заказа!

Цель применения:

  • Для внутренних канализационных систем
  • Монтируется в зданиях с повышенными требованиями к звукоизоляции

Характеристики:

  • Шумопоглощение;
  • Тройник устойчив к ультрафиолету;
  • Высокая абразивная устойчивость.

Материал: PE-S2 (пластик с минеральными добавками)

d d1 X1 X2 X3 H K1 K3
мм мм
110 56 13,5 9 9 22,5 7,5 3
Тройник 135° (45°) Y-образный Geberit Silent-db20, d - 110, d1 - 63 [Артикул: 310.064.14.1]
Подробнее
310.064.14.1

ВНИМАНИЕ! Товар временно недоступен для заказа!

Цель применения:

  • Для внутренних канализационных систем
  • Монтируется в зданиях с повышенными требованиями к звукоизоляции

Характеристики:

  • Шумопоглощение;
  • Тройник устойчив к ультрафиолету;
  • Высокая абразивная устойчивость.

Материал: PE-S2 (пластик с минеральными добавками)

d d1 X1 X2 X3 H K1
мм мм
110 63 9 18 18 27 6,5
Тройник 91,5° (88,5°) Geberit Silent-db20, d - 110, d1 - 63 [Артикул: 310.068.14.1]
Подробнее
310.068.14.1

ВНИМАНИЕ! Товар временно недоступен для заказа!

Цель применения:

  • Для внутренних канализационных систем
  • Монтируется в зданиях с повышенными требованиями к звукоизоляции

Характеристики:

  • Шумопоглощение;
  • Тройник устойчив к ультрафиолету;
  • Высокая абразивная устойчивость.

Материал: PE-S2 (пластик с минеральными добавками)

d d1 X1 X2 X3 H K1 K3
мм мм
110 63 13,5 9 9 22,5 7 2,5
Тройник 135° (45°) Y-образный Geberit Silent-db20, d - 110, d1 - 75 [Артикул: 310.074.14.1]
Подробнее
310.074.14.1

ВНИМАНИЕ! Товар временно недоступен для заказа!

Цель применения:

  • Для внутренних канализационных систем
  • Монтируется в зданиях с повышенными требованиями к звукоизоляции

Характеристики:

  • Шумопоглощение;
  • Тройник устойчив к ультрафиолету;
  • Высокая абразивная устойчивость.

Материал: PE-S2 (пластик с минеральными добавками)

d d1 X1 X2 X3 H K1
мм мм
110 75 9 18 18 27 5,5
Тройник 91,5° (88,5°) Geberit Silent-db20, d - 110, d1 - 75 [Артикул: 310.078.14.1]
Подробнее
310.078.14.1

ВНИМАНИЕ! Товар временно недоступен для заказа!

Цель применения:

  • Для внутренних канализационных систем
  • Монтируется в зданиях с повышенными требованиями к звукоизоляции

Характеристики:

  • Шумопоглощение;
  • Тройник устойчив к ультрафиолету;
  • Высокая абразивная устойчивость.

Материал: PE-S2 (пластик с минеральными добавками)

d d1 X1 X2 X3 H K1 K3
мм мм
110 75 13,5 9 9 22,5 6,5 2
Тройник Geberit Silent-db20 с параллельным отводом, d - 110, d1 - 90 [Артикул: 310.081.14.1]
Подробнее
310.081.14.1

ВНИМАНИЕ! Товар временно недоступен для заказа!

Цель применения:

  • Для внутренних канализационных систем
  • Монтируется в зданиях с повышенными требованиями к звукоизоляции

Характеристики:

  • Шумопоглощение;
  • Тройник устойчив к ультрафиолету;
  • Высокая абразивная устойчивость.

Материал: PE-S2 (пластик с минеральными добавками)

d d1 a X1 X3 L K1
мм мм
110 90 12,5 9 18 27 4,5
Тройник 135° (45°) Y-образный Geberit Silent-db20, d - 110, d1 - 90 [Артикул: 310.084.14.1]
Подробнее
310.084.14.1

ВНИМАНИЕ! Товар временно недоступен для заказа!

Цель применения:

  • Для внутренних канализационных систем
  • Монтируется в зданиях с повышенными требованиями к звукоизоляции

Характеристики:

  • Шумопоглощение;
  • Тройник устойчив к ультрафиолету;
  • Высокая абразивная устойчивость.

Материал: PE-S2 (пластик с минеральными добавками)

d d1 X1 X2 X3 H K1
мм мм
110 90 9 18 18 27 4,5
Тройник 91,5° (88,5°) Geberit Silent-db20, со смещенным впуском, d - 110, d1 - 90 [Артикул: 310.088.14.1]
Подробнее
310.088.14.1

ВНИМАНИЕ! Товар временно недоступен для заказа!

Цель применения:

  • Для внутренних канализационных систем
  • Монтируется в зданиях с повышенными требованиями к звукоизоляции

Характеристики:

  • Шумопоглощение;
  • Тройник устойчив к ультрафиолету;
  • Высокая абразивная устойчивость.

Материал: PE-S2 (пластик с минеральными добавками)

d d1 X1 X2 X3 H K1 K3
мм мм
110 90 13,5 11,5 9 22,5 4 1
Тройник Geberit Silent-db20 с параллельным отводом, d - 110, d1 - 110 [Артикул: 310.101.14.1]
Подробнее
310.101.14.1

ВНИМАНИЕ! Товар временно недоступен для заказа!

Цель применения:

  • Для внутренних канализационных систем
  • Монтируется в зданиях с повышенными требованиями к звукоизоляции

Характеристики:

  • Шумопоглощение;
  • Тройник устойчив к ультрафиолету;
  • Высокая абразивная устойчивость.

Материал: PE-S2 (пластик с минеральными добавками)

d d1 a X1 X3 L K1
мм мм
110 110 12,5 9 18 27 3
Тройник 135° (45°) Y-образный Geberit Silent-db20, d - 110, d1 - 110 [Артикул: 310.104.14.1]
Подробнее
310.104.14.1

ВНИМАНИЕ! Товар временно недоступен для заказа!

Цель применения:

  • Для внутренних канализационных систем
  • Монтируется в зданиях с повышенными требованиями к звукоизоляции

Характеристики:

  • Шумопоглощение;
  • Тройник устойчив к ультрафиолету;
  • Высокая абразивная устойчивость.

Материал: PE-S2 (пластик с минеральными добавками)

d d1 X1 X2 X3 H K1
мм мм
110 110 9 18 18 27 3
Тройник 91,5° (88,5°) Geberit Silent-db20, со смещенным впуском, d - 110, d1 - 110 [Артикул: 310.108.14.1]
Подробнее
310.108.14.1

ВНИМАНИЕ! Товар временно недоступен для заказа!

Цель применения:

  • Для внутренних канализационных систем
  • Монтируется в зданиях с повышенными требованиями к звукоизоляции

Характеристики:

  • Шумопоглощение;
  • Тройник устойчив к ультрафиолету;
  • Высокая абразивная устойчивость.

Материал: PE-S2 (пластик с минеральными добавками)

d d1 X1 X2 X3 H K1 K3
мм мм
110 110 13,5 11,5 9 22,5 2,5 0
Тройник 88,5° Geberit Silent-db20, правый со смещенным выпуском и дополнительным отводом, d - 110, d1 - 110, d2 - 75 [Артикул: 310.171.14.1]
Подробнее
310.171.14.1

ВНИМАНИЕ! Товар временно недоступен для заказа!

Цель применения:

  • Для внутренних канализационных систем
  • Монтируется в зданиях с повышенными требованиями к звукоизоляции

Характеристики:

  • Шумопоглощение;
  • Тройник устойчив к ультрафиолету;
  • Выпуски расположены под углом 180°;
  • Высокая абразивная устойчивость;
  • Выпуск смещён.

Материал: PE-S2 (пластик с минеральными добавками)

d d1 d2 A X1 X2 X3 X4 X5 X6 H
мм мм мм
110 110 75 7,7 13,5 9 11,8 10,7 11.5 9.3 22,5
Тройник 88,5° Geberit Silent-db20, левый со смещенным выпуском и дополнительным отводом, d - 110, d1 - 110, d2 - 75 [Артикул: 310.172.14.1]
Подробнее
310.172.14.1

ВНИМАНИЕ! Товар временно недоступен для заказа!

Цель применения:

  • Для монтажа внутренних канализационных систем
  • Для монтажа в зданиях с повышенными требованиями по звукоизоляции

Характеристики:

  • Тройник устойчив к ультрафиолету;
  • Шумопоглощение;
  • Выпуски распологаются под углом 180°;
  • Высокая абразивная устойчивость;
  • Выпуск смещён.

Материал: PE-S2 (полиэтилен)

d d1 d2 A X1 X2
мм мм мм
110 110 75 7.7 13.5 9
X3 X4 X5 X6 H
11.8 10.7 11.5 9.3 22.5

Смотрите также