Логотип
Ru| En

Офис: м. Бауманская

Склад: Ленинские Горки

Loading

Тройники Geberit Silent-db20

Тройники Silent-db20 отличаются повышенной стойкостью к ультрафиолетовым лучам, а также абразивной устойчивостью. Они изготавливаются из полиэтилена с минеральными добавками (PE-S2), который обладает способностью поглощать шумы, что позволяет использовать тройники Silent-db20 при организации внутренней канализационной системы в зданиях с высокими требованиями к звукоизоляции.

Тройники Silent-db20 характеризуются по углу, под которым расположен впуск. Угол может быть 91,5° или 135° - в последнем случае тройники Silent-db20 имеют Y-образную форму. Также выпускаются тройники со смещённым впуском и параллельным отводом.

Выпускаются специальные тройники с двумя отводами 90°. Фановые тройники имеют вертикальный выпуск и могут использоваться при монтаже подвесных унитазов, они поставляются вместе с защитной заглушкой, а также уплотнительной мембраной из EPDМ.

Диаметры подключаемых труб указываются ниже. Выпускаются тройники с длиной от 17,5 до 41,5 см.

Фото Наименование Артикул Цена
Тройник двойной Y-образный 2 x 90° Geberit Silent-db20, d - 110мм, d1 - 90мм [Артикул: 310.481.14.1]
Подробнее
310.481.14.1

ВНИМАНИЕ! Товар временно недоступен для заказа!

Тройник 88,5° Geberit Silent-db20, правый со смещенным выпуском и дополнительным отводом, d - 110, d1 - 90, d2 - 75 [Артикул: 310.871.14.1]
Подробнее
310.871.14.1

ВНИМАНИЕ! Товар временно недоступен для заказа!

Цель применения:

  • Для внутренних канализационных систем
  • Монтируется в зданиях с повышенными требованиями к звукоизоляции

Характеристики:

  • Шумопоглощение;
  • Тройник устойчив к ультрафиолету;
  • Выпуски расположены под углом 180°;
  • Высокая абразивная устойчивость;
  • Выпуск смещён.

Материал: PE-S2 (пластик с минеральными добавками)

d d1 d2 A X1 X2 X3 X4 X5 X6 H
мм мм мм
110 90 75 7,7 13,5 9 12,8 9,7 11.5 9.3 22,5
Тройник 88,5° Geberit Silent-db20, левый со смещенным выпуском и дополнительным отводом, d - 110, d1 - 90, d2 - 75 [Артикул: 310.872.14.1]
Подробнее
310.872.14.1

ВНИМАНИЕ! Товар временно недоступен для заказа!

Цель применения:

  • Для монтажа внутренних канализационных систем
  • Для монтажа в зданиях с повышенными требованиями по звукоизоляции

Характеристики:

  • Тройник устойчив к ультрафиолету;
  • Шумопоглощение;
  • Выпуски распологаются под углом 180°;
  • Высокая абразивная устойчивость;
  • Выпуск смещён.

Материал: PE-S2 (полиэтилен)

d d1 d2 A X1 X2
мм мм мм
110 90 75 7,7 13,5 9
X3 X4 X5 X6 H
12,8 9,7 11.5 9.3 22.5
Тройник фановый 2 x 90° Geberit Silent-db20 с вертикальным выпуском для подвес. унитаза, d - 110, d1 - 90 [Артикул: 310.923.14.1]
Подробнее
310.923.14.1

ВНИМАНИЕ! Товар временно недоступен для заказа!

Цель применения:

  • Для внутренних канализационных систем
  • Монтируется в зданиях с повышенными требованиями к звукоизоляции
  • Для унитазов с горизонтальным выпуском
  • Для монтажного элемента Kombifix

Характеристики:

  • Шумопоглощение;
  • Тройник устойчив к ультрафиолету;
  • Высокая абразивная устойчивость.

В объём поставки включено:

  • Уплотнительное кольцо EPDМ;
  • Защитная заглушка.

Материал: PE-S2 (пластик с минеральными добавками)

Теплопроводность трубы: 0,43 Вт / (м*К)

Максимальная температура хранения: 40 °C

Тепловое расширение: 0,17 мм / (м*К)

d d1 A a H K
мм мм
110 90 25 9 20,3 6
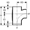
Тройник 135° (45°) Y-образный Geberit Silent-db20, d - 135, d1 - 110 [Артикул: 312.104.14.1]
Подробнее
312.104.14.1

ВНИМАНИЕ! Товар временно недоступен для заказа!

Цель применения:

  • Для внутренних канализационных систем
  • Монтируется в зданиях с повышенными требованиями к звукоизоляции

Характеристики:

  • Шумопоглощение;
  • Тройник устойчив к ультрафиолету;
  • Высокая абразивная устойчивость.

Материал: PE-S2 (пластик с минеральными добавками)

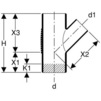
d d1 X1 X2 X3 H K1
мм мм
135 110 11,5 23 23 34,5 6,5
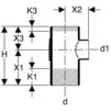
Тройник 91,5° (88,5°) Geberit Silent-db20, d - 135, d1 - 110 [Артикул: 312.108.14.1]
Подробнее
312.108.14.1

ВНИМАНИЕ! Товар временно недоступен для заказа!

Цель применения:

  • Для внутренних канализационных систем
  • Монтируется в зданиях с повышенными требованиями к звукоизоляции

Характеристики:

  • Шумопоглощение;
  • Тройник устойчив к ультрафиолету;
  • Высокая абразивная устойчивость.

Материал: PE-S2 (пластик с минеральными добавками)

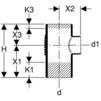
d d1 X1 X2 X3 H K1 K3
мм мм
135 110 17,3 11,5 11,5 28,8 8,5 2,5
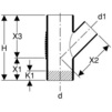
Тройник 88,5° Geberit Silent-db20 со смещенным впуском, d - 135, d1 - 110 [Артикул: 312.109.14.1]
Подробнее
312.109.14.1

ВНИМАНИЕ! Товар временно недоступен для заказа!

Цель применения:

  • Для систем внутренней канализации
  • Для зданий с повышенными требованиями к звукоизоляции

Характеристики:

  • С заглушкой для кольцевого уплотнения
  • Концентрический
  • Износостойкий
  • Высокозвукоизолирующий
  • Устойчивый к УФ-излучению

Материал: PE-S2

Тепловое расширение: 0,17 мм / (м · К)

d d1 H X1 X2 X3 K1 K3
мм мм
135 110 22,6 13,5 11,5 9,1 2,5 0
Тройник 135° (45°) Y-образный Geberit Silent-db20, d - 135, d1 - 135 [Артикул: 312.124.14.1]
Подробнее
312.124.14.1

ВНИМАНИЕ! Товар временно недоступен для заказа!

Цель применения:

  • Для внутренних канализационных систем
  • Монтируется в зданиях с повышенными требованиями к звукоизоляции

Характеристики:

  • Шумопоглощение;
  • Тройник устойчив к ультрафиолету;
  • Высокая абразивная устойчивость.

Материал: PE-S2 (пластик с минеральными добавками)

d d1 X1 X2 X3 H K1
мм мм
135 135 11,5 23 23 34,5 5
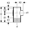
Тройник 91,5° (88,5°) Geberit Silent-db20, d - 135, d1 - 135 [Артикул: 312.128.14.1]
Подробнее
312.128.14.1

ВНИМАНИЕ! Товар временно недоступен для заказа!

Цель применения:

  • Для внутренних канализационных систем
  • Монтируется в зданиях с повышенными требованиями к звукоизоляции

Характеристики:

  • Шумопоглощение;
  • Тройник устойчив к ультрафиолету;
  • Высокая абразивная устойчивость.

Материал: PE-S2 (пластик с минеральными добавками)

d d1 X1 X2 X3 H K1 K3
мм мм
135 135 17,3 11,5 11,5 28,8 7,5 1,5
Тройник 135° (45°) Y-образный Geberit Silent-db20, d - 160, d1 - 110 [Артикул: 315.104.14.1]
Подробнее
315.104.14.1

ВНИМАНИЕ! Товар временно недоступен для заказа!

Цель применения:

  • Для внутренних канализационных систем
  • Монтируется в зданиях с повышенными требованиями к звукоизоляции

Характеристики:

  • Шумопоглощение;
  • Тройник устойчив к ультрафиолету;
  • Высокая абразивная устойчивость.

Материал: PE-S2 (пластик с минеральными добавками)

d d1 X1 X2 X3 H K1
мм мм
160 110 14 27,6 27,5 41,5 7
Тройник 91,5° (88,5°) Geberit Silent-db20, d - 160, d1 - 110 [Артикул: 315.108.14.1]
Подробнее
315.108.14.1

ВНИМАНИЕ! Товар временно недоступен для заказа!

Цель применения:

  • Для внутренних канализационных систем
  • Монтируется в зданиях с повышенными требованиями к звукоизоляции

Характеристики:

  • Шумопоглощение;
  • Тройник устойчив к ультрафиолету;
  • Высокая абразивная устойчивость.

Материал: PE-S2 (пластик с минеральными добавками)

d d1 X1 X2 X3 H K1 K3
мм мм
160 110 21 15 12,5 33,5 7 1,5
Тройник 135° (45°) Y-образный Geberit Silent-db20, d - 160, d1 - 135 [Артикул: 315.124.14.1]
Подробнее
315.124.14.1

ВНИМАНИЕ! Товар временно недоступен для заказа!

Цель применения:

  • Для внутренних канализационных систем
  • Монтируется в зданиях с повышенными требованиями к звукоизоляции

Характеристики:

  • Шумопоглощение;
  • Тройник устойчив к ультрафиолету;
  • Высокая абразивная устойчивость.

Материал: PE-S2 (пластик с минеральными добавками)

d d1 X1 X2 X3 H K1
мм мм
160 135 14 28,5 27,5 41,5 7
Тройник 91,5° (88,5°) Geberit Silent-db20, d - 160, d1 - 135 [Артикул: 315.128.14.1]
Подробнее
315.128.14.1

ВНИМАНИЕ! Товар временно недоступен для заказа!

Цель применения:

  • Для внутренних канализационных систем
  • Монтируется в зданиях с повышенными требованиями к звукоизоляции

Характеристики:

  • Шумопоглощение;
  • Тройник устойчив к ультрафиолету;
  • Высокая абразивная устойчивость.

Материал: PE-S2 (пластик с минеральными добавками)

d d1 X1 X2 X3 H K1 K3
мм мм
160 135 19,5 16 14 33,5 7 1,5
Тройник 135° (45°) Y-образный Geberit Silent-db20, d - 160, d1 - 160 [Артикул: 315.144.14.1]
Подробнее
315.144.14.1

ВНИМАНИЕ! Товар временно недоступен для заказа!

Цель применения:

  • Для внутренних канализационных систем
  • Монтируется в зданиях с повышенными требованиями к звукоизоляции

Характеристики:

  • Шумопоглощение;
  • Тройник устойчив к ультрафиолету;
  • Высокая абразивная устойчивость.

Материал: PE-S2 (пластик с минеральными добавками)

d d1 X1 X2 X3 H K1
мм мм
160 160 14 27,5 27,5 41,5 7
Тройник 91,5° (88,5°) Geberit Silent-db20, d - 160, d1 - 160 [Артикул: 315.148.14.1]
Подробнее
315.148.14.1

ВНИМАНИЕ! Товар временно недоступен для заказа!

Цель применения:

  • Для внутренних канализационных систем
  • Монтируется в зданиях с повышенными требованиями к звукоизоляции

Характеристики:

  • Шумопоглощение;
  • Тройник устойчив к ультрафиолету;
  • Высокая абразивная устойчивость.

Материал: PE-S2 (пластик с минеральными добавками)

d d1 X1 X2 X3 H K1 K3
мм мм
160 160 18,5 15 15 33,5 7 3

Смотрите также