Логотип
Ru| En

Офис: м. Бауманская

Склад: Ленинский городской округ

Loading

Тройники Wavin Multilayer из ПВХ

Тройники Wavin Multilayer изготавливаются из ПВХ, отличаются прочностью, долговечностью, высокой устойчивостью к кислотам и щелочам. Могут монтироваться в наружных канализационных системах, предназначенных для транспортировки стоков с температурой до +60 °С.

Тройники предназначены для соединения двух веток трубопровода под углами 45 и 90 градусов.

Различают два вида тройников Wavin Multilayer:

  • Тройники редукционные, позволяющие соединять трубы с разными диаметрами;
  • Равнопроходные тройники, применяемые для соединения труб с одинаковым диаметром.
Фото Наименование Артикул Цена
Тройник 45° Wavin ML, d - 250, d1 - 250 [Артикул: 3001630 / 22764333]
Подробнее
3001630

ВНИМАНИЕ! Товар временно недоступен для заказа!

Цель применения:

  • Для наружных канализационных сетей

Описание

Тройник Wavin MultiLayer подходит для монтажа наружных самотечных канализационных сетей, также его можно использовать для монтажа трубопровода по отведению ливневых стоков. Он соединяет два направления трубопровода под углом 45°. Подходит для труб с одинаковыми диаметрами. Отличается устойчивостью к кислотам и щёлочам.

Оснащается 2 уплотнительными кольцами из бутадиенстирола, благодаря которым создаётся герметичное соединение.

Технические характеристики

Материал: поливинилхлорид (ПВХ).

Dy/Dy1 Z1 Z2 Z3 L1 L2
мм мм мм мм мм мм
250/250 57 340 340 680 143
Тройник 90° Wavin ML, d - 250, d1 - 250 [Артикул: 3001631 / 22764343]
Подробнее
3001631

ВНИМАНИЕ! Товар временно недоступен для заказа!

Цель применения:

  • Для наружных канализационных сетей

Описание

Тройник Wavin MultiLayer подходит для монтажа наружных самотечных канализационных сетей, также его можно использовать для монтажа трубопровода по отведению ливневых стоков. Он соединяет два направления трубопровода под углом 90°. Подходит для труб с одинаковыми диаметрами. Отличается устойчивостью к кислотам и щёлочам.

Оснащается 2 уплотнительными кольцами из бутадиенстирола, благодаря которым создаётся герметичное соединение.

Технические характеристики

Материал: поливинилхлорид (ПВХ).

Dy/Dy1 Z1 Z2 Z3 L1
мм мм мм мм мм
250/250 132 138 138 -
Тройник 90° Wavin ML, d - 250, d1 - 160 [Артикул: 3001633 / 22764341]
Подробнее
3001633

ВНИМАНИЕ! Товар временно недоступен для заказа!

Цель применения:

  • Для наружных канализационных сетей

Описание

Тройник Wavin MultiLayer подходит для монтажа наружных самотечных канализационных сетей, также его можно использовать для монтажа трубопровода по отведению ливневых стоков. Он соединяет два направления трубопровода под углом 90°. Подходит для труб с разными диаметрами. Отличается устойчивостью к кислотам и щёлочам.

Оснащается 2 уплотнительными кольцами из бутадиенстирола, благодаря которым создаётся герметичное соединение.

Технические характеристики

Материал: поливинилхлорид (ПВХ).

Dy/Dy1 Z1 Z2 Z3 L1
мм мм мм мм мм
250/160 89 132 65 -
Тройник 90° Wavin ML, d - 200, d1 - 200 [Артикул: 3001735 / 22760342]
Подробнее
3001735

ВНИМАНИЕ! Товар временно недоступен для заказа!

Цель применения:

  • Для наружных канализационных сетей

Описание

Тройник Wavin MultiLayer подходит для монтажа наружных самотечных канализационных сетей, также его можно использовать для монтажа трубопровода по отведению ливневых стоков. Он соединяет два направления трубопровода под углом 90°. Подходит для труб с одинаковыми диаметрами. Отличается устойчивостью к кислотам и щёлочам.

Оснащается 2 уплотнительными кольцами из бутадиенстирола, благодаря которым создаётся герметичное соединение.

Технические характеристики

Материал: поливинилхлорид (ПВХ).

Dy/Dy1 Z1 Z2 Z3 L1
мм мм мм мм мм
200/200 105 111 111 435
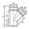
Тройник 45° Wavin ML, d - 315, d1 - 110 [Артикул: 3009502 / 22770330]
Подробнее
3009502

ВНИМАНИЕ! Товар временно недоступен для заказа!

Цель применения:

  • Для наружных канализационных сетей

Описание

Тройник Wavin MultiLayer подходит для монтажа наружных самотечных канализационных сетей, также его можно использовать для монтажа трубопровода по отведению ливневых стоков. Он соединяет два направления трубопровода под углом 45°. Подходит для труб с разными диаметрами. Отличается устойчивостью к кислотам и щёлочам.

Оснащается 2 уплотнительными кольцами из бутадиенстирола, благодаря которым создаётся герметичное соединение.

Технические характеристики

Материал: поливинилхлорид (ПВХ).

Dy/Dy1 Z1 Z2 Z3 L1 L2
мм мм мм мм мм мм
315/110 -67 310 320 600 120
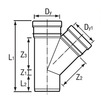
Тройник 90° Wavin ML, d - 160, d1 - 110 [Артикул: 3009587 / 22756340]
Подробнее
3009587

ВНИМАНИЕ! Товар временно недоступен для заказа!

Цель применения:

  • Для наружных канализационных сетей

Описание

Тройник Wavin MultiLayer подходит для монтажа наружных самотечных канализационных сетей, также его можно использовать для монтажа трубопровода по отведению ливневых стоков. Он соединяет два направления трубопровода под углом 90°. Подходит для труб с разными диаметрами. Отличается устойчивостью к кислотам и щёлочам.

Оснащается 2 уплотнительными кольцами из бутадиенстирола, благодаря которым создаётся герметичное соединение.

Технические характеристики

Материал: поливинилхлорид (ПВХ).

Dy/Dy1 Z1 Z2 Z3 L1
мм мм мм мм мм
160/110 60 168 159 342
Тройник 45° Wavin ML, d - 200, d1 - 110 [Артикул: 3009595 / 22760330]
Подробнее
3009595

ВНИМАНИЕ! Товар временно недоступен для заказа!

Цель применения:

  • Для наружных канализационных сетей

Описание

Тройник Wavin MultiLayer подходит для монтажа наружных самотечных канализационных сетей, также его можно использовать для монтажа трубопровода по отведению ливневых стоков. Он соединяет два направления трубопровода под углом 45°. Подходит для труб с разными диаметрами. Отличается устойчивостью к кислотам и щёлочам.

Оснащается 2 уплотнительными кольцами из бутадиенстирола, благодаря которым создаётся герметичное соединение.

Технические характеристики

Материал: поливинилхлорид (ПВХ).

Dy/Dy1 Z1 Z2 Z3 L1 L2
мм мм мм мм мм мм
200/110 58 195 239 484 100
Тройник 90° Wavin ML, d - 200, d1 - 110 [Артикул: 3009598 / 22760340]
Подробнее
3009598

ВНИМАНИЕ! Товар временно недоступен для заказа!

Цель применения:

  • Для наружных канализационных сетей

Описание

Тройник Wavin MultiLayer подходит для монтажа наружных самотечных канализационных сетей, также его можно использовать для монтажа трубопровода по отведению ливневых стоков. Он соединяет два направления трубопровода под углом 90°. Подходит для труб с разными диаметрами. Отличается устойчивостью к кислотам и щёлочам.

Оснащается 2 уплотнительными кольцами из бутадиенстирола, благодаря которым создаётся герметичное соединение.

Технические характеристики

Материал: поливинилхлорид (ПВХ).

Dy/Dy1 Z1 Z2 Z3 L1
мм мм мм мм мм
200/110 61 100 67 -
Тройник 90° Wavin ML, d - 200, d1 - 160 [Артикул: 3009600 / 22760341]
Подробнее
3009600

ВНИМАНИЕ! Товар временно недоступен для заказа!

Цель применения:

  • Для наружных канализационных сетей

Описание

Тройник Wavin MultiLayer подходит для монтажа наружных самотечных канализационных сетей, также его можно использовать для монтажа трубопровода по отведению ливневых стоков. Он соединяет два направления трубопровода под углом 90°. Подходит для труб с разными диаметрами. Отличается устойчивостью к кислотам и щёлочам.

Оснащается 2 уплотнительными кольцами из бутадиенстирола, благодаря которым создаётся герметичное соединение.

Технические характеристики

Материал: поливинилхлорид (ПВХ).

Dy/Dy1 Z1 Z2 Z3 L1
мм мм мм мм мм
200/160 86 108 91 394
Тройник 45° Wavin ML, d - 250, d1 - 110 [Артикул: 3009606 / 22764330]
Подробнее
3009606

ВНИМАНИЕ! Товар временно недоступен для заказа!

Цель применения:

  • Для наружных канализационных сетей

Описание

Тройник Wavin MultiLayer подходит для монтажа наружных самотечных канализационных сетей, также его можно использовать для монтажа трубопровода по отведению ливневых стоков. Он соединяет два направления трубопровода под углом 45°. Подходит для труб с разными диаметрами. Отличается устойчивостью к кислотам и щёлочам.

Оснащается 2 уплотнительными кольцами из бутадиенстирола, благодаря которым создаётся герметичное соединение.

Технические характеристики

Материал: поливинилхлорид (ПВХ).

Dy/Dy1 Z1 Z2 Z3 L1 L2
мм мм мм мм мм мм
250/110 -36 290 310 510 60
Тройник 45° Wavin ML, d - 250, d1 - 160 [Артикул: 3009608 / 22764331]
Подробнее
3009608

ВНИМАНИЕ! Товар временно недоступен для заказа!

Цель применения:

  • Для наружных канализационных сетей

Описание

Тройник Wavin MultiLayer подходит для монтажа наружных самотечных канализационных сетей, также его можно использовать для монтажа трубопровода по отведению ливневых стоков. Он соединяет два направления трубопровода под углом 45°. Подходит для труб с разными диаметрами. Отличается устойчивостью к кислотам и щёлочам.

Оснащается 2 уплотнительными кольцами из бутадиенстирола, благодаря которым создаётся герметичное соединение.

Технические характеристики

Материал: поливинилхлорид (ПВХ).

Dy/Dy1 Z1 Z2 Z3 L1 L2
мм мм мм мм мм мм
250/160 -3 260 250 550 160
Тройник 45° Wavin ML, d - 250, d1 - 200 [Артикул: 3009609 / 22764332]
Подробнее
3009609

ВНИМАНИЕ! Товар временно недоступен для заказа!

Цель применения:

  • Для наружных канализационных сетей

Описание

Тройник Wavin MultiLayer подходит для монтажа наружных самотечных канализационных сетей, также его можно использовать для монтажа трубопровода по отведению ливневых стоков. Он соединяет два направления трубопровода под углом 45°. Подходит для труб с разными диаметрами. Отличается устойчивостью к кислотам и щёлочам.

Оснащается 2 уплотнительными кольцами из бутадиенстирола, благодаря которым создаётся герметичное соединение.

Технические характеристики

Материал: поливинилхлорид (ПВХ).

Dy/Dy1 Z1 Z2 Z3 L1 L2
мм мм мм мм мм мм
250/200 24 350 310 640 166
Тройник 90° Wavin ML, d - 250, d1 - 110 [Артикул: 3009610 / 22764340]
Подробнее
3009610

ВНИМАНИЕ! Товар временно недоступен для заказа!

Цель применения:

  • Для наружных канализационных сетей

Описание

Тройник Wavin MultiLayer подходит для монтажа наружных самотечных канализационных сетей, также его можно использовать для монтажа трубопровода по отведению ливневых стоков. Он соединяет два направления трубопровода под углом 90°. Подходит для труб с разными диаметрами. Отличается устойчивостью к кислотам и щёлочам.

Оснащается 2 уплотнительными кольцами из бутадиенстирола, благодаря которым создаётся герметичное соединение.

Технические характеристики

Материал: поливинилхлорид (ПВХ).

Dy/Dy1 Z1 Z2 Z3 L1
мм мм мм мм мм
250/110 65 129 71 -
Тройник 90° Wavin ML, d - 250, d1 - 200 [Артикул: 3009611 / 22764342]
Подробнее
3009611

ВНИМАНИЕ! Товар временно недоступен для заказа!

Цель применения:

  • Для наружных канализационных сетей

Описание

Тройник Wavin MultiLayer подходит для монтажа наружных самотечных канализационных сетей, также его можно использовать для монтажа трубопровода по отведению ливневых стоков. Он соединяет два направления трубопровода под углом 90°. Подходит для труб с разными диаметрами. Отличается устойчивостью к кислотам и щёлочам.

Оснащается 2 уплотнительными кольцами из бутадиенстирола, благодаря которым создаётся герметичное соединение.

Технические характеристики

Материал: поливинилхлорид (ПВХ).

Dy/Dy1 Z1 Z2 Z3 L1
мм мм мм мм мм
250/200 108 134 115 -
Wavin ML Тройник 45°, d - 400, d1 - 125 (по запросу) [Артикул: 3017576]
Подробнее
3017576

ВНИМАНИЕ! Товар временно недоступен для заказа!

Тройник 45° Wavin ML, d - 500, d1 - 110 [Артикул: 3017584 / 22782330]
Подробнее
3017584

ВНИМАНИЕ! Товар временно недоступен для заказа!

Цель применения:

  • Для наружных канализационных сетей

Описание

Тройник Wavin MultiLayer подходит для монтажа наружных самотечных канализационных сетей, также его можно использовать для монтажа трубопровода по отведению ливневых стоков. Он соединяет два направления трубопровода под углом 45°. Подходит для труб с разными диаметрами. Отличается устойчивостью к кислотам и щёлочам.

Оснащается 2 уплотнительными кольцами из бутадиенстирола, благодаря которым создаётся герметичное соединение.

Технические характеристики

Материал: поливинилхлорид (ПВХ).

Размер: d 500*110 мм

Тройник 45° Wavin ML, d - 315, d1 - 200 [Артикул: 3046300045 / 22770332]
Подробнее
3046300045

ВНИМАНИЕ! Товар временно недоступен для заказа!

Цель применения:

  • Для наружных канализационных сетей

Описание

Тройник Wavin MultiLayer подходит для монтажа наружных самотечных канализационных сетей, также его можно использовать для монтажа трубопровода по отведению ливневых стоков. Он соединяет два направления трубопровода под углом 45°. Подходит для труб с разными диаметрами. Отличается устойчивостью к кислотам и щёлочам.

Оснащается 2 уплотнительными кольцами из бутадиенстирола, благодаря которым создаётся герметичное соединение.

Технические характеристики

Материал: поливинилхлорид (ПВХ).

Dy/Dy1 Z1 Z2 Z3 L1 L2
мм мм мм мм мм мм
315/200 -5 380 380 700 160
Тройник 90° Wavin ML, d - 315, d1 - 200 [Артикул: 3046300087 / 22770342]
Подробнее
3046300087

ВНИМАНИЕ! Товар временно недоступен для заказа!

Цель применения:

  • Для наружных канализационных сетей

Описание

Тройник Wavin MultiLayer подходит для монтажа наружных самотечных канализационных сетей, также его можно использовать для монтажа трубопровода по отведению ливневых стоков. Он соединяет два направления трубопровода под углом 90°. Подходит для труб с разными диаметрами. Отличается устойчивостью к кислотам и щёлочам.

Оснащается 2 уплотнительными кольцами из бутадиенстирола, благодаря которым создаётся герметичное соединение.

Технические характеристики

Материал: поливинилхлорид (ПВХ).

Dy/Dy1 Z1 Z2 Z3 L1
мм мм мм мм мм
315/200 112 165 119 -
Тройник 45° Wavin ML, d - 400, d1 - 200 [Артикул: 3046300145 / 22776332]
Подробнее
3046300145

ВНИМАНИЕ! Товар временно недоступен для заказа!

Цель применения:

  • Для наружных канализационных сетей

Описание

Тройник Wavin MultiLayer подходит для монтажа наружных самотечных канализационных сетей, также его можно использовать для монтажа трубопровода по отведению ливневых стоков. Он соединяет два направления трубопровода под углом 45°. Подходит для труб с разными диаметрами. Отличается устойчивостью к кислотам и щёлочам.

Оснащается 2 уплотнительными кольцами из бутадиенстирола, благодаря которым создаётся герметичное соединение.

Технические характеристики

Материал: поливинилхлорид (ПВХ).

Dy/Dy1 Z1 Z2 Z3 L1 L2
мм мм мм мм мм мм
400/200 -43 410 400 820 230
Тройник 90° Wavin ML, d - 400, d1 - 200 [Артикул: 3046300187 / 22776342]
Подробнее
3046300187

ВНИМАНИЕ! Товар временно недоступен для заказа!

Цель применения:

  • Для наружных канализационных сетей

Описание

Тройник Wavin MultiLayer подходит для монтажа наружных самотечных канализационных сетей, также его можно использовать для монтажа трубопровода по отведению ливневых стоков. Он соединяет два направления трубопровода под углом 90°. Подходит для труб с разными диаметрами. Отличается устойчивостью к кислотам и щёлочам.

Оснащается 2 уплотнительными кольцами из бутадиенстирола, благодаря которым создаётся герметичное соединение.

Технические характеристики

Материал: поливинилхлорид (ПВХ).

Dy/Dy1 Z1 Z2 Z3 L1
мм мм мм мм мм
400/200 116 205 125 -

Смотрите также