Логотип
Ru| En

Офис: м. Бауманская

Склад: Ленинский городской округ

Loading

Аксессуары системы Geberit Mapress

Аксессуары системы Geberit Mapress могут потребоваться при монтаже трубопровода. Аксессуары с жёлтой маркировкой, вроде жёлто-коричневого резинного уплотнительного кольца, предназначаются для систем подачи сжиженного или природного газа.

Выпускаются компенсаторы линейных удлинений, изготавливаемые как из нержавеющей, так и из углеродистой стали. Компенсаторы линейных удлинений из углеродистой стали оснащаются сильфоном, выполненным из нержавеющей стали.

В данную группу товаров также входит трубопроводная арматура, а именно шаровые краны с одним или двумя пресс-соединениями и обратные клапаны. Трубопроводная арматура поставляется с чёрными уплотнительными кольцами (CIIR). В неопрессованном состоянии трубопроводная арматура Geberit Mapress даёт течь.

Также выпускаются специальные переходные соединения, предназначенные для соединения системы Geberit Mapress с системой Geberit Mepla.

Фото Наименование Артикул Цена
Соединитель Geberit Mapres для труб, тип L, d - 15 [Артикул: 63109]
Подробнее
63109

ВНИМАНИЕ! Товар временно недоступен для заказа!

Характеристики:

  • Для испытания под давлением без радиатора

Объем поставки:

  • Установочный лист

Технические данные

Материал: медь.

Материал, изоляция: PUR.

Толщина изоляции: 7 мм.

Теплопроводность, изоляция: 0,038 Вт/(м·К).

d AD L L1 L2 L3 B H
мм см см см см см см см
15 5 10 11 5 25 5 12
Прокладка уплотнительная Geberit Mapres Centellen, di - 13 [Артикул: 90072]
Подробнее
90072

ВНИМАНИЕ! Товар временно недоступен для заказа!

Цель применения:

  • Для резьбового соединения с торцевым уплотнением
  • Используется в системах подачи природного и сжиженного газа

Технические данные

Материал: Centellen®-HD 3822

Рабочая температура: -20 - +70 °C

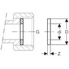
G di D Z
'' мм
1/2 13 1,9 0,2
Прокладка уплотнительная Geberit Mapres Centellen, di - 19,6 [Артикул: 90074]
Подробнее
90074

ВНИМАНИЕ! Товар временно недоступен для заказа!

Цель применения:

  • Для резьбового соединения с торцевым уплотнением
  • Используется в системах подачи природного и сжиженного газа

Материал: Centellen®-HD 3822

Рабочая температура: -20 - +70 °C

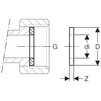
G di D Z
'' мм
1 19,6 3 0,2
Прокладка уплотнительная Geberit Mapres Centellen, di - 25,6 [Артикул: 90075]
Подробнее
90075

ВНИМАНИЕ! Товар временно недоступен для заказа!

Цель применения:

  • Для резьбового соединения с торцевым уплотнением
  • Используется в системах подачи природного и сжиженного газа

Технические данные

Материал: Centellen®-HD 3822

Рабочая температура: -20 - +70 °C

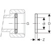
G di D Z
'' мм
1 1/4 25,6 3,9 0,2
Прокладка уплотнительная Geberit Mapres Centellen, di - 32 [Артикул: 90076]
Подробнее
90076

ВНИМАНИЕ! Товар временно недоступен для заказа!

Цель применения:

  • Для резьбового соединения с торцевым уплотнением
  • Используется в системах подачи природного и сжиженного газа

Технические данные

Материал: Centellen®-HD 3822

Рабочая температура: -20 - +70 °C

G di D Z
'' мм
1 1/2 32 4,45 0,2
Прокладка уплотнительная Geberit Mapres Centellen, di - 39 [Артикул: 90077]
Подробнее
90077

ВНИМАНИЕ! Товар временно недоступен для заказа!

Цель применения:

  • Для резьбового соединения с торцевым уплотнением
  • Используется в системах подачи природного и сжиженного газа

Материал: Centellen®-HD 3822

Рабочая температура: -20 - +70 °C

G di D Z
'' мм
1 3/4 39 5,05 0,2
Прокладка уплотнительная Geberit Mapres Centellen, di - 51 [Артикул: 90078]
Подробнее
90078

ВНИМАНИЕ! Товар временно недоступен для заказа!

Цель применения:

  • Для резьбового соединения с торцевым уплотнением
  • Используется в системах подачи природного и сжиженного газа

Технические данные

Материал: Centellen®-HD 3822

Рабочая температура: -20 - +70 °C

G di D Z
'' мм
2 3/8 51 6,6 0,3
Прокладка уплотнительная Geberit Mapres, EPDM, черная, G - 1/2" [Артикул: 90080]
Подробнее
90080

ВНИМАНИЕ! Товар временно недоступен для заказа!

Прокладка Geberit Mapres из EPDM, di - 13 [Артикул: 90081]
Подробнее
90081

ВНИМАНИЕ! Товар временно недоступен для заказа!

Цель применения:

  • Для резьбового соединения с торцевым уплотнением

Материал: EPDM

Рабочая температура: 0-100 °C

G di D Z
'' мм
3/4 13 2,4 0,2
Прокладка Geberit Mapres из EPDM, di - 19,6 [Артикул: 90082]
Подробнее
90082

ВНИМАНИЕ! Товар временно недоступен для заказа!

Цель применения:

  • Для резьбового соединения с торцевым уплотнением

Технические данные

Материал: EPDM

Рабочая температура: 0-100 °C

G di D Z
'' мм
1 19,6 3 0,2
Прокладка Geberit Mapres из EPDM, di - 25,6 [Артикул: 90083]
Подробнее
90083

ВНИМАНИЕ! Товар временно недоступен для заказа!

Цель применения:

  • Для резьбового соединения с торцевым уплотнением

Материал: EPDM

Рабочая температура: 0-100 °C

G di D Z
'' мм
1 1/4 25,6 3,9 0,2
Прокладка Geberit Mapres из EPDM, di - 32 [Артикул: 90084]
Подробнее
90084

ВНИМАНИЕ! Товар временно недоступен для заказа!

Цель применения:

  • Для резьбового соединения с торцевым уплотнением

Материал: EPDM

Рабочая температура: 0-100 °C

G di D Z
'' мм
1 1/2 32 4,45 0,2
Прокладка Geberit Mapres из EPDM, di - 39 [Артикул: 90085]
Подробнее
90085

ВНИМАНИЕ! Товар временно недоступен для заказа!

Цель применения:

  • Для резьбового соединения с торцевым уплотнением

Материал: EPDM

Рабочая температура: 0-100 °C

G di D Z
'' мм
1 3/4 39 5,05 0,2
Прокладка Geberit Mapres из EPDM, di - 51 [Артикул: 90086]
Подробнее
90086

ВНИМАНИЕ! Товар временно недоступен для заказа!

Цель применения:

  • Для резьбового соединения с торцевым уплотнением

Материал: EPDM

Рабочая температура: 0-100 °C

G di D Z
'' мм
2 3/8 51 6,6 0,3
Прокладка Geberit Mapres из фторуглеродистой резины (FPM), di - 13 [Артикул: 90092]
Подробнее
90092

ВНИМАНИЕ! Товар временно недоступен для заказа!

Цель применения:

  • Для резьбового соединения с торцевым уплотнением
  • Возможно использование с системами, которые используют энергию солнца
  • Используется в промышленности и в морском судостроении
  • Для маслопроводов
  • Возможно применение в сплинкерной системе пожаротушения (тушение жидкостью и сухим веществом)

Технические данные

Материал: FPM

Рабочая температура: -30 - +180 °C

G di D Z
'' мм
3/4 13 2,4 0,2
Прокладка Geberit Mapres из фторуглеродистой резины (FPM), di - 19,6 [Артикул: 90094]
Подробнее
90094

ВНИМАНИЕ! Товар временно недоступен для заказа!

Цель применения:

  • Для резьбового соединения с торцевым уплотнением
  • Возможно использование с системами, которые используют энергию солнца
  • Используется в промышленности и в морском судостроении
  • Для маслопроводов
  • Возможно применение в сплинкерной системе пожаротушения (тушение жидкостью и сухим веществом)

Материал: FPM

Рабочая температура: -30 - +180 °C

G di D Z
'' мм
1 19,6 3 0,2
Прокладка Geberit Mapres из фторуглеродистой резины (FPM), di - 25,6 [Артикул: 90095]
Подробнее
90095

ВНИМАНИЕ! Товар временно недоступен для заказа!

Цель применения:

  • Для резьбового соединения с торцевым уплотнением
  • Возможно использование с системами, которые используют энергию солнца
  • Используется в промышленности и в морском судостроении
  • Для маслопроводов
  • Возможно применение в сплинкерной системе пожаротушения (тушение жидкостью и сухим веществом)

Технические данные

Материал: FPM

Рабочая температура: -30 - +180 °C

G di D Z
'' мм
1 1/4 25,6 3,9 0,2
Прокладка Geberit Mapres из фторуглеродистой резины (FPM), di - 32 [Артикул: 90096]
Подробнее
90096

ВНИМАНИЕ! Товар временно недоступен для заказа!

Цель применения:

  • Для резьбового соединения с торцевым уплотнением
  • Возможно использование с системами, которые используют энергию солнца
  • Используется в промышленности и в морском судостроении
  • Для маслопроводов
  • Возможно применение в сплинкерной системе пожаротушения (тушение жидкостью и сухим веществом)

Материал: FPM

Рабочая температура: -30 - +180 °C

G di D Z
'' мм
1 1/2 32 4,45 0,2
Прокладка Geberit Mapres из фторуглеродистой резины (FPM), di - 39 [Артикул: 90097]
Подробнее
90097

ВНИМАНИЕ! Товар временно недоступен для заказа!

Цель применения:

  • Для резьбового соединения с торцевым уплотнением
  • Возможно использование с системами, которые используют энергию солнца
  • Используется в промышленности и в морском судостроении
  • Для маслопроводов
  • Возможно применение в сплинкерной системе пожаротушения (тушение жидкостью и сухим веществом)

Технические данные

Материал: FPM

Рабочая температура: -30 - +180 °C

G di D Z
'' мм
1 3/4 39 5,05 0,2
Прокладка Geberit Mapres из фторуглеродистой резины (FPM), di - 51 [Артикул: 90098]
Подробнее
90098

ВНИМАНИЕ! Товар временно недоступен для заказа!

Цель применения:

  • Для резьбового соединения с торцевым уплотнением
  • Возможно использование с системами, которые используют энергию солнца
  • Используется в промышленности и в морском судостроении
  • Для маслопроводов
  • Возможно применение в сплинкерной системе пожаротушения (тушение жидкостью и сухим веществом)

Технические данные

Материал: FPM

Рабочая температура: -30 - +180 °C

G di D Z
'' мм
2 3/8 51 6,6 0,3

Смотрите также