Логотип
Ru| En

Офис: м. Бауманская

Склад: Ленинский городской округ

Loading

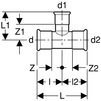
Переходник Geberit Mapres тройной, d - 18, d1 - 18, d2 - 15 [Артикул: 61236]

Артикул: 61236

ВНИМАНИЕ! Товар временно недоступен для заказа!

Цель применения:

  • Монтируется в системах отопления и водоснабжения
  • Для использования в промышленности

Характеристики:

  • В неопрессованном состоянии фитинг даёт течь (до d 54 мм);
  • Отвод меньшего диаметра;
  • Имеется индикатор прессования.

В объём поставки включено:

  • Уплотнительные кольца (CIIR черного цвета при d ≤ 54 мм; ЭПДМ при d > 54 мм)

Материал: Медь Cu-DHP CW024A (EN 1412)

Угол поворота: 90°

Скачать инструкцию по монтажу: Система Geberit Mapress

d d1 d2 L L1 l l2 Z Z1 Z2
мм мм мм см см см см см см см
18 18 15 7,4 3,4 3,4 4 1,4 1,4 2