Логотип
Ru| En

Офис: м. Бауманская

Склад: Ленинский городской округ

Loading

[СНЯТ С ПРОИЗВОДСТВА] - Тройник переходный Geberit Mapress (нерж ст без силик), d 28, d1 18 [Артикул: 81210]

Артикул: 81210

ВНИМАНИЕ! Товар временно недоступен для заказа!

Цель применения:

  • Для промышленности и судостроения

Характеристики:

  • Имеется прессовый индикатор;
  • В неопрессованном состоянии фитинг даёт течь.

В объём поставки включено:

  • Чёрное уплотнительное кольцо CIIR

Материал: Нержавеющая сталь 1.4401 (DIN EN 10088)

Скачать инструкцию по монтажу: Система Geberit Mapress

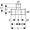
d d1 d2 L L1 l l2 Z Z1 Z2
мм мм мм см см см см см см см
28 18 28 8.4 4.6 4.2 4.2 1.9 2.6 1.9