Логотип
Ru| En

Офис: м. Бауманская

Склад: Ленинский городской округ

Loading

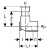
[СНЯТ С ПРОИЗВОДСТВА] - Отвод 90° Geberit Mapress (нерж ст без силик), с монтажной пластиной пресс/внутренняя резьба BSP, d 22, L1 5,1 [Артикул: 83407]

Артикул: 83407

ВНИМАНИЕ! Товар временно недоступен для заказа!

Цель применения:

  • Для промышленности и судостроения

Характеристики:

  • Имеется прессовый индикатор;
  • Два отверстия для крепления;
  • С внутренней резьбой;
  • В неопрессованном состоянии фитинг даёт течь.

В объём поставки включено:

  • Чёрное уплотнительное кольцо CIIR

Материал: Нержавеющая сталь 1.4401 (DIN EN 10088)

Скачать инструкцию по монтажу: Система Geberit Mapress

d Rp L L1 l l1 Z
мм " см см см см см
22 3/4 5.4 5.1 1.7 1.6 3.3