Логотип
Ru| En

Офис: м. Бауманская

Склад: Ленинский городской округ

Loading

Тройник Geberit Mapress (CuNiFe) переходный (пресс/внутренняя резьба BSP/пресс), d - 88,9 [Артикул: 67369]

Артикул: 67369

ВНИМАНИЕ! Товар временно недоступен для заказа!

Цель применения:

  • Для применения в промышленности
  • Возможно использование в кораблестроении

Характеристики:

  • Имеется прессовый индикатор;
  • Тройник с внутренней резьбой;
  • В неопрессованном состоянии фитинг течёт.

В объём поставки включено:

  • Чёрное уплотнительное кольцо CIIR

Материал: CuNi10Fe1.6Mn, материал № 2.1972.11

Скачать инструкцию по монтажу: Система Geberit Mapress

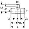
d Rp d1 L L1 l l2 Z Z1 Z2
мм " мм см см см см см см см
88.9 3/4 88.9 26 8.8 13 13 7 7.3 7