Логотип
Ru| En

Офис: м. Бауманская

Склад: Ленинский городской округ

Loading

Тройник Geberit Mapress (CuNiFe), d - 35 [Артикул: 68006]

Артикул: 68006

ВНИМАНИЕ! Товар временно недоступен для заказа!

Цель применения:

  • Для применения в промышленности
  • Возможно использование в кораблестроении

Характеристики:

  • Имеется прессовый индикатор;
  • В неопрессованном состоянии фитинг течёт.

В объём поставки включено:

  • Чёрное уплотнительное кольцо CIIR

Материал: CuNi10Fe1.6Mn, материал № 2.1972.11

Скачать инструкцию по монтажу: Система Geberit Mapress

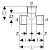
d L L1 l Z Z1
мм см см см см см
35 10 5.9 5 2.4 3.3