Логотип
Ru| En

Офис: м. Бауманская

Склад: Ленинские Горки

Loading

Аксиальные фитинги VALTEC

Аксиальные фитинги VALTEC применяются для создания неразъёмных соединений в системах подачи питьевой воды, отопления и горячего водоснабжения, хозяйственного водопровода, а также на технологических трубопроводах, которые транспортируют стоки, не агрессивные к материалам труб и аксиальных фитингов.

Подходят для труб из сшитого полиэтилена PEX и ПЭ повышенной термостойкости PERT серии S3,2 (SDR 7,4) (соответствуют ГОСТ 32415-2013).

Основные преимущества аксиальных фитингов VALTEC:

  • диаметр присоединяемых трубопроводов не заужается;
  • высокая надёжность и простота;
  • герметичность;
  • быстрый и лёгкий монтаж;
  • материал трубы является уплотнителем;
  • возможно замоноличивание;
  • соединение сразу после монтажа можно нагружать давлением.

Рабочее давление: 16 бар.

Максимальная рабочая температура: +95 °С.

Средний срок службы: 50 лет.

Фото Наименование Артикул Цена
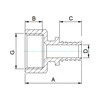
Соединитель надвижной VALTEC с переходом на вн.р., d - 25*3,5, d1 - 1" [Артикул: VTm.402.G.002506]
Подробнее
VTm.402.G.002506 471 руб.
Соединитель надвижной VALTEC, d - 32*4,4, d1 - 3/4", с переходом на вн.р. [Артикул: VTm.402.G.003205]
Подробнее
VTm.402.G.003205 416 руб.
Соединитель надвижной VALTEC, d - 32*4,4, d1 - 1", с переходом на вн.р. [Артикул: VTm.402.G.003206]
Подробнее
VTm.402.G.003206 552 руб.
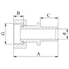
Соединитель надвижной VALTEC, d - 16*2,2, d1 - 16*2,2 [Артикул: VTm.403.BG.001616]
Подробнее
VTm.403.BG.001616 168 руб.

Область применения:

  • Для монтажа труб, изготовленных из сшитого полиэтилена (PEX) и ПЭ с повышенной термостойкостью (PE-RT)
  • Для диаметров 16,0*2,2, 20,0*2,8, 25,0*3,5, 32,0*4,4
  • Для отопления
  • Для холодного (включая питьевое) и горячего водоснабжения
  • Для технологических трубопроводов, транспортирующих неагрессивные к материалам фитинга рабочие среды

Характеристики:

  • Гильза универсальная, монтаж осуществляется как ручным, так и электрическим инструментом;
  • Получающееся соединение является неразборным и не требует обслуживания;
  • Соединение герметично благодаря вдавливанию трубы в проточки штуцера корпуса фитинга, что происходит при надвигании гильзы на штуцер фитинга;
  • Возможна открытая и скрытая прокладка трубопровода;
  • Возможно замоноличивание фитинга в строительную конструкцию (только если отсутствует переход на резьбу);
  • Трубопроводные концы перед монтажем расширяется, благодаря чему диаметр не зауживается;
  • Корпус выполнен из горячештампованной латуни CW617N, гильза VTm.400 изготавливается из латуни CW614N;
  • Номинальное давление: до 16 бар;
  • Рабочая температура: до +95 ºС.

Средний срок службы: 50 лет.

А С1 C2 D1 D2
мм мм мм мм мм
44 15,8 15,8 10 10

Документация

Скачать паспорт: VALTEC Соединитель надвижной VTm.403.BG.001616

Соединитель надвижной VALTEC переходной, d - 20*2,8, d1 - 16*2,2 [Артикул: VTm.403.BG.002016]
Подробнее
VTm.403.BG.002016 245 руб.

Область применения:

  • Для монтажа труб, изготовленных из сшитого полиэтилена (PEX) и ПЭ с повышенной термостойкостью (PE-RT)
  • Для диаметров 16,0*2,2, 20,0*2,8, 25,0*3,5, 32,0*4,4
  • Для отопления
  • Для холодного (включая питьевое) и горячего водоснабжения
  • Для технологических трубопроводов, транспортирующих неагрессивные к материалам фитинга рабочие среды

Характеристики:

  • Гильза универсальная, монтаж осуществляется как ручным, так и электрическим инструментом;
  • Получающееся соединение является неразборным и не требует обслуживания;
  • Соединение герметично благодаря вдавливанию трубы в проточки штуцера корпуса фитинга, что происходит при надвигании гильзы на штуцер фитинга;
  • Возможна открытая и скрытая прокладка трубопровода;
  • Возможно замоноличивание фитинга в строительную конструкцию (только если отсутствует переход на резьбу);
  • Трубопроводные концы перед монтажем расширяется, благодаря чему диаметр не зауживается;
  • Корпус выполнен из горячештампованной латуни CW617N, гильза VTm.400 изготавливается из латуни CW614N;
  • Номинальное давление: до 16 бар;
  • Рабочая температура: до +95 ºС.

Средний срок службы: 50 лет.

А С1 C2 D1 D2
мм мм мм мм мм
50 20 17 12,6 10

Документация

Скачать паспорт: VALTEC Соединитель надвижной VTm.403.BG.002016

Соединитель надвижной VALTEC, d - 20*2,8, d1 - 20*2,8 [Артикул: VTm.403.BG.002020]
Подробнее
VTm.403.BG.002020 271 руб.

Область применения:

  • Для монтажа труб, изготовленных из сшитого полиэтилена (PEX) и ПЭ с повышенной термостойкостью (PE-RT)
  • Для диаметров 16,0*2,2, 20,0*2,8, 25,0*3,5, 32,0*4,4
  • Для отопления
  • Для холодного (включая питьевое) и горячего водоснабжения
  • Для технологических трубопроводов, транспортирующих неагрессивные к материалам фитинга рабочие среды

Характеристики:

  • Гильза универсальная, монтаж осуществляется как ручным, так и электрическим инструментом;
  • Получающееся соединение является неразборным и не требует обслуживания;
  • Соединение герметично благодаря вдавливанию трубы в проточки штуцера корпуса фитинга, что происходит при надвигании гильзы на штуцер фитинга;
  • Возможна открытая и скрытая прокладка трубопровода;
  • Возможно замоноличивание фитинга в строительную конструкцию (только если отсутствует переход на резьбу);
  • Трубопроводные концы перед монтажем расширяется, благодаря чему диаметр не зауживается;
  • Корпус выполнен из горячештампованной латуни CW617N, гильза VTm.400 изготавливается из латуни CW614N;
  • Номинальное давление: до 16 бар;
  • Рабочая температура: до +95 ºС.

Средний срок службы: 50 лет.

А С1 C2 D1 D2
мм мм мм мм мм
55 20 20 12,6 12,6

Документация

Скачать паспорт: VALTEC Соединитель надвижной VTm.403.BG.002020

Соединитель надвижной VALTEC переходной, d - 25*3,5, d1 - 16*2,2 [Артикул: VTm.403.BG.002516]
Подробнее
VTm.403.BG.002516 356 руб.

Область применения:

  • Для монтажа труб, изготовленных из сшитого полиэтилена (PEX) и ПЭ с повышенной термостойкостью (PE-RT)
  • Для диаметров 16,0*2,2, 20,0*2,8, 25,0*3,5, 32,0*4,4
  • Для отопления
  • Для холодного (включая питьевое) и горячего водоснабжения
  • Для технологических трубопроводов, транспортирующих неагрессивные к материалам фитинга рабочие среды

Характеристики:

  • Гильза универсальная, монтаж осуществляется как ручным, так и электрическим инструментом;
  • Получающееся соединение является неразборным и не требует обслуживания;
  • Соединение герметично благодаря вдавливанию трубы в проточки штуцера корпуса фитинга, что происходит при надвигании гильзы на штуцер фитинга;
  • Возможна открытая и скрытая прокладка трубопровода;
  • Возможно замоноличивание фитинга в строительную конструкцию (только если отсутствует переход на резьбу);
  • Трубопроводные концы перед монтажем расширяется, благодаря чему диаметр не зауживается;
  • Корпус выполнен из горячештампованной латуни CW617N, гильза VTm.400 изготавливается из латуни CW614N;
  • Номинальное давление: до 16 бар;
  • Рабочая температура: до +95 ºС.

Средний срок службы: 50 лет.

А С1 C2 D1 D2
мм мм мм мм мм
57 27 15,8 15,4 10

Документация

Скачать паспорт: VALTEC Соединитель надвижной VTm.403.BG.002516

Соединитель надвижной VALTEC переходной, d - 25*3,5, d1 - 20*2,8 [Артикул: VTm.403.BG.002520]
Подробнее
VTm.403.BG.002520 381 руб.

Область применения:

  • Для монтажа труб, изготовленных из сшитого полиэтилена (PEX) и ПЭ с повышенной термостойкостью (PE-RT)
  • Для диаметров 16,0*2,2, 20,0*2,8, 25,0*3,5, 32,0*4,4
  • Для отопления
  • Для холодного (включая питьевое) и горячего водоснабжения
  • Для технологических трубопроводов, транспортирующих неагрессивные к материалам фитинга рабочие среды

Характеристики:

  • Гильза универсальная, монтаж осуществляется как ручным, так и электрическим инструментом;
  • Получающееся соединение является неразборным и не требует обслуживания;
  • Соединение герметично благодаря вдавливанию трубы в проточки штуцера корпуса фитинга, что происходит при надвигании гильзы на штуцер фитинга;
  • Возможна открытая и скрытая прокладка трубопровода;
  • Возможно замоноличивание фитинга в строительную конструкцию (только если отсутствует переход на резьбу);
  • Трубопроводные концы перед монтажем расширяется, благодаря чему диаметр не зауживается;
  • Корпус выполнен из горячештампованной латуни CW617N, гильза VTm.400 изготавливается из латуни CW614N;
  • Номинальное давление: до 16 бар;
  • Рабочая температура: до +95 ºС.

Средний срок службы: 50 лет.

А С1 C2 D1 D2
мм мм мм мм мм
62 27 20 15,4 12,6

Документация

Скачать паспорт: VALTEC Соединитель надвижной VTm.403.BG.002520

Соединитель надвижной VALTEC, d - 25*3,5, d1 - 25*3,5 [Артикул: VTm.403.BG.002525]
Подробнее
VTm.403.BG.002525 622 руб.

Область применения:

  • Для монтажа труб, изготовленных из сшитого полиэтилена (PEX) и ПЭ с повышенной термостойкостью (PE-RT)
  • Для диаметров 16,0*2,2, 20,0*2,8, 25,0*3,5, 32,0*4,4
  • Для отопления
  • Для холодного (включая питьевое) и горячего водоснабжения
  • Для технологических трубопроводов, транспортирующих неагрессивные к материалам фитинга рабочие среды

Характеристики:

  • Гильза универсальная, монтаж осуществляется как ручным, так и электрическим инструментом;
  • Получающееся соединение является неразборным и не требует обслуживания;
  • Соединение герметично благодаря вдавливанию трубы в проточки штуцера корпуса фитинга, что происходит при надвигании гильзы на штуцер фитинга;
  • Возможна открытая и скрытая прокладка трубопровода;
  • Возможно замоноличивание фитинга в строительную конструкцию (только если отсутствует переход на резьбу);
  • Трубопроводные концы перед монтажем расширяется, благодаря чему диаметр не зауживается;
  • Корпус выполнен из горячештампованной латуни CW617N, гильза VTm.400 изготавливается из латуни CW614N;
  • Номинальное давление: до 16 бар;
  • Рабочая температура: до +95 ºС.

Средний срок службы: 50 лет.

А С1 C2 D1 D2
мм мм мм мм мм
69 27 27 15,4 15,4

Документация

Скачать паспорт: VALTEC Соединитель надвижной VTm.403.BG.002525

Соединитель надвижной VALTEC, d - 16*2,2, d1 - 16*2,2 [Артикул: VTm.403.G.001616]
Подробнее
VTm.403.G.001616 118 руб.

Область применения:

  • Для монтажа труб, изготовленных из сшитого полиэтилена (PEX) и ПЭ с повышенной термостойкостью (PE-RT)
  • Для диаметров 16,0*2,2, 20,0*2,8, 25,0*3,5, 32,0*4,4
  • Для отопления
  • Для холодного (включая питьевое) и горячего водоснабжения
  • Для технологических трубопроводов, транспортирующих неагрессивные к материалам фитинга рабочие среды

Характеристики:

  • Гильза облегченная, монтаж осуществляется ручным инструментом;
  • Получающееся соединение является неразборным и не требует обслуживания;
  • Соединение герметично благодаря вдавливанию трубы в проточки штуцера корпуса фитинга, что происходит при надвигании гильзы на штуцер фитинга;
  • Возможна открытая и скрытая прокладка трубопровода;
  • Возможно замоноличивание фитинга в строительную конструкцию (только если отсутствует переход на резьбу);
  • Трубопроводные концы перед монтажем расширяется, благодаря чему диаметр не зауживается;
  • Изготовлено из латуни CW614N по EN 12165;
  • Номинальное давление: до 16 бар;
  • Рабочая температура: до +95 ºС.

Средний срок службы: 50 лет.

А С1 C2 D1 D2
мм мм мм мм мм
48 16 16 9,8 9,8

Документация

Скачать паспорт: VALTEC Соединитель надвижной VTm.403.G.001616

Соединитель надвижной VALTEC переходной, d - 20*2,8, d1 - 16*2,2 [Артикул: VTm.403.G.002016]
Подробнее
VTm.403.G.002016 148 руб.
Соединитель надвижной VALTEC, d - 20*2,8, d1 - 20*2,8 [Артикул: VTm.403.G.002020]
Подробнее
VTm.403.G.002020 177 руб.
Соединитель надвижной VALTEC переходной, d - 25*3,5, d1 - 16*2,2 [Артикул: VTm.403.G.002516]
Подробнее
VTm.403.G.002516 211 руб.
Соединитель надвижной VALTEC переходной, d - 25*3,5, d1 - 20*2,8 [Артикул: VTm.403.G.002520]
Подробнее
VTm.403.G.002520 243 руб.
Соединитель надвижной VALTEC, d - 25*3,5, d1 - 25*3,5 [Артикул: VTm.403.G.002525]
Подробнее
VTm.403.G.002525 301 руб.
Соединитель надвижной VALTEC, d - 32*4,4, d1 - 20*2,8, переходной [Артикул: VTm.403.G.003220]
Подробнее
VTm.403.G.003220 344 руб.
Соединитель надвижной VALTEC переходной, d - 32*4,4, d1 - 25*3,5 [Артикул: VTm.403.G.003225]
Подробнее
VTm.403.G.003225 411 руб.
Соединитель надвижной VALTEC, d - 32*4,4, d1 - 32*4,4 [Артикул: VTm.403.G.003232]
Подробнее
VTm.403.G.003232 522 руб.
Соединитель надвижной VALTEC с накидной гайкой, d - 16*2,2, d1 - 1/2" [Артикул: VTm.422.BG.001604]
Подробнее
VTm.422.BG.001604 345 руб.
Соединитель надвижной VALTEC с накидной гайкой, d - 20*2,8, d1 - 1/2" [Артикул: VTm.422.BG.002004]
Подробнее
VTm.422.BG.002004 447 руб.

Область применения:

  • Для монтажа труб, изготовленных из сшитого полиэтилена (PEX) и ПЭ с повышенной термостойкостью (PE-RT)
  • Для диаметров 16,0*2,2, 20,0*2,8, 25,0*3,5, 32,0*4,4
  • Для отопления
  • Для холодного (включая питьевое) и горячего водоснабжения
  • Для технологических трубопроводов, транспортирующих неагрессивные к материалам фитинга рабочие среды

Характеристики:

  • Гильза универсальная, монтаж осуществляется как ручным, так и электрическим инструментом;
  • Получающееся соединение является разъемным и не требует обслуживания;
  • Соединение герметично благодаря вдавливанию трубы в проточки штуцера корпуса фитинга, что происходит при надвигании гильзы на штуцер фитинга;
  • Возможна открытая и скрытая прокладка трубопровода;
  • Трубопроводные концы перед монтажем расширяется, благодаря чему диаметр не зауживается;
  • Накидная гайка самоуплотняющаяся, у нее имеется прокладка;
  • Корпус выполнен из горячештампованной латуни CW617N, гильза VTm.400 изготавливается из латуни CW614N;
  • Номинальное давление: до 16 бар;
  • Рабочая температура: до +95 ºС.

Средний срок службы: 50 лет.

G А D L S
  мм мм мм мм
1/2" 40 12,6 20 25

Документация

Скачать паспорт: VALTEC Соединитель надвижной VTm.422.BG.002004

Смотрите также