Логотип
Ru| En

Офис: м. Бауманская

Склад: Ленинский городской округ

Loading

Переход Geberit Mapres на фланец с гладким концевиком, PN 10/16, нерж.сталь, d - 88,9 [Артикул: 36147]

Артикул: 36147

ВНИМАНИЕ! Товар временно недоступен для заказа!

Цель применения:

  • Переход на фланец

Характеристики:

  • Гладкий концевик

Объём поставки не включено:

  • Прокладка для фланца;
  • Вращающийся фланец;
  • Болты для фланца.

Материал: Нержавеющая сталь 1.4401 (DIN EN 10088)

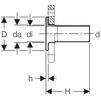
d da di D H h PN
мм мм мм см см см бар
88,9 91 84,9 13,8 13,5 1 10 / 16

Возможно использование с:

Прокладки для фланца Mapress, PN 10/16 Болты Geberit Mapress
   
91031 91164
91032 91165
91033 91166
91034 91167
91035 91168
91036 91169
91037 91170
91038 91171
91039 91172
  91173