Логотип
Ru| En

Офис: м. Бауманская

Склад: Ленинские Горки

Loading

Тройники REHAU RAUTITAN MX, PX и RX

Тройники системы REHAU RAUTITAN могут использоваться как для подведения водоснабжения, так и для подведения отопления.

Тройники RAUTITAN MX, предназначенные для использования в системах водоснабжения, изготавливаются из специальной латуни, устойчивой к вымыванию цинка, и полностью соответствуют нормам DIN EN 12164 - EN 12168 класс A. Они гарантируют долговременную службу и полную надёжность соединения. Используются для безрезьбовых соединений DN 50-63 мм, а также резьбовых соединений DN 16-63 мм.

Тройники RAUTITAN PX изготавливаются из термоустойчивого полифенилсульфона (PPSU) и применяются для безрезьбовых соединений DN 16-40 мм. Они отличаются устойчивостью к образованию отложений и коррозии, ударопрочностью, способностью выдерживать высокие нагрузки на растяжение в течение длительного времени. Тройники RAUTITAN PX соответствуют всем принятым гигиеническим требованиям. Ещё одно отличие - небольшой вес тройников RAUTITAN PX.

Тройники RAUTITAN RX изготавливаются из бронзы, соответствующей требованиям DIN EN 1982 и подходят для использования в водопроводных системах.

Фото Наименование Артикул Цена
Тройник РЕХАУ RAUTITAN RX+, d - 50, d1 - 50, d2 - 50, равнопроходный, бронза [Артикул: 14562801001 / 456 280 001]
Подробнее
14562801001 16 217 руб.

Область применения:

  • Для систем водоснабжения и отопления
  • Для труб RAUTITAN stabi и RAUTITAN flex

Материал: бессвинцовая бронза в соответствии с DIN SPEC 2701.

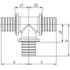
Размер a b c z1 z2 z3 Вес
мм мм мм мм мм мм мм кг/шт
50-50-50 77 89 77 38 50 38 1,166
Тройник РЕХАУ RAUTITAN RX+, d - 63, d1 - 63, d2 - 63, равнопроходный, бронза [Артикул: 14562811001 / 456 281 001]
Подробнее
14562811001 25 209 руб.

Область применения:

  • Для систем водоснабжения и отопления
  • Для труб RAUTITAN stabi и RAUTITAN flex

Материал: бессвинцовая бронза в соответствии с DIN SPEC 2701.

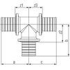
Размер a b c z1 z2 z3 Вес
мм мм мм мм мм мм мм кг/шт
63-63-63 94 104 94 48 58 48 1,901
Тройник РЕХАУ RAUTITAN RX+, d - 50, d1 - 20, d2 - 50, с уменьшенным боковым проходом [Артикул: 14562821001 / 456 282 001]
Подробнее
14562821001 6 414 руб.

Область применения:

  • Для систем водоснабжения и отопления
  • Для труб RAUTITAN stabi и RAUTITAN flex

Характеристики:

  • Переходной

Материал: бессвинцовая бронза в соответствии с DIN SPEC 2701.

Размер a b c z1 z2 z3 Вес
мм мм мм мм мм мм мм кг/шт
50-20-50 66 63 66 27 47 27 0,757
Тройник РЕХАУ RAUTITAN RX+, d - 50, d1 - 25, d2 - 50, с уменьшенным боковым проходом, бронза [Артикул: 14562831001 / 456 283 001]
Подробнее
14562831001 12 860 руб.
Тройник РЕХАУ RAUTITAN RX+, d - 50, d1 - 32, d2 - 50, с уменьшенным боковым проходом, бронза [Артикул: 14562841001 / 456 284 001]
Подробнее
14562841001 12 821 руб.

Область применения:

  • Для систем водоснабжения и отопления
  • Для труб RAUTITAN stabi и RAUTITAN flex

Характеристики:

  • Переходной

Материал: бессвинцовая бронза в соответствии с DIN SPEC 2701.

Размер a b c z1 z2 z3 Вес
мм мм мм мм мм мм мм кг/шт
50-32-50 70 79 70 31 52 31 0,885
Тройник РЕХАУ RAUTITAN RX+, d - 50, d1 - 40, d2 - 50, с уменьшенным боковым проходом, бронза [Артикул: 14562851001 / 456 285 001]
Подробнее
14562851001 14 139 руб.

Область применения:

  • Для систем водоснабжения и отопления
  • Для труб RAUTITAN stabi и RAUTITAN flex

Характеристики:

  • Переходной

Материал: бессвинцовая бронза в соответствии с DIN SPEC 2701.

Размер a b c z1 z2 z3 Вес
мм мм мм мм мм мм мм кг/шт
50-40-50 74 84 74 35 52 35 1,046
Тройник РЕХАУ RAUTITAN RX+, d - 63, d1 - 25, d2 - 63, с уменьшенным боковым проходом [Артикул: 14562861001 / 456 286 001]
Подробнее
14562861001 14 068 руб.

Область применения:

  • Для систем водоснабжения и отопления
  • Для труб RAUTITAN stabi и RAUTITAN flex

Характеристики:

  • Переходной

Материал: бессвинцовая бронза в соответствии с DIN SPEC 2701.

Размер a b c z1 z2 z3 Вес
мм мм мм мм мм мм мм кг/шт
63-25-63 80 75 80 34 52 34 1,255
Тройник РЕХАУ RAUTITAN RX+, d - 63, d1 - 32, d2 - 63, с уменьшенным боковым проходом, бронза [Артикул: 14562871001 / 456 287 001]
Подробнее
14562871001 15 917 руб.

Область применения:

  • Для систем водоснабжения и отопления
  • Для труб RAUTITAN stabi и RAUTITAN flex

Характеристики:

  • Переходной

Материал: бессвинцовая бронза в соответствии с DIN SPEC 2701.

Размер a b c z1 z2 z3 Вес
мм мм мм мм мм мм мм кг/шт
63-32-63 81 86 81 35 59 35 1,335
Тройник РЕХАУ RAUTITAN RX+, d - 63, d1 - 40, d2 - 63, с уменьшенным боковым проходом [Артикул: 14562881001 / 456 288 001]
Подробнее
14562881001 19 473 руб.

Область применения:

  • Для систем водоснабжения и отопления
  • Для труб RAUTITAN stabi и RAUTITAN flex

Характеристики:

  • Переходной

Материал: бессвинцовая бронза в соответствии с DIN SPEC 2701.

Размер a b c z1 z2 z3 Вес
мм мм мм мм мм мм мм кг/шт
63-40-63 83 95 83 37 63 37 1,504
Тройник РЕХАУ RAUTITAN RX+, d - 63, d1 - 50, d2 - 63, с уменьшенным боковым проходом [Артикул: 14562891001 / 456 289 001]
Подробнее
14562891001 20 047 руб.

Область применения:

  • Для систем водоснабжения и отопления
  • Для труб RAUTITAN stabi и RAUTITAN flex

Характеристики:

  • Переходной

Материал: бессвинцовая бронза в соответствии с DIN SPEC 2701.

Размер a b c z1 z2 z3 Вес
мм мм мм мм мм мм мм кг/шт
63-50-63 89 94 89 43 55 43 1,639
Тройник РЕХАУ RAUTITAN RX+, d - 50, d1 - 32, d2 - 40, с уменьшенными боковым и торцевым проходами, бронза [Артикул: 14562901001 / 456 290 001]
Подробнее
14562901001 14 330 руб.

Область применения:

  • Для систем водоснабжения и отопления
  • Для труб RAUTITAN stabi и RAUTITAN flex

Характеристики:

  • Переходной

Материал: бессвинцовая бронза в соответствии с DIN SPEC 2701.

Размер a b c z1 z2 z3 Вес
мм мм мм мм мм мм мм кг/шт
50-32-40 70 79 64 31 52 32 0,793
Тройник настенный РЕХАУ RAUTITAN RX+, d - 16, d1 - 16, Rp - 1/2", с внутренней резьбой, бронза [Артикул: 14562911001 / 456 291 001]
Подробнее
14562911001 1 722 руб.

Область применения:

  • Для систем водоснабжения и отопления
  • Для труб RAUTITAN stabi и RAUTITAN flex

Характеристики:

  • Есть возможность фиксации

Материал: бессвинцовая бронза в соответствии с DIN SPEC 2701.

Размер a b c z1 z3 Вес
мм мм мм мм мм мм кг/шт
16 - Rp 1/2 - 16 46 26 46 34 34 0,154
Тройник настенный REHAU RAUTITAN RX+, d - 16, Rp - 1/2", d1 - 16, с внутренней резьбой [Артикул: 14562913001 / 456 291 001]
Подробнее
14562913001 1 701 руб.
Тройник настенный РЕХАУ RAUTITAN RX+, d - 20, d1 - 16, Rp - 1/2", с внутренней резьбой [Артикул: 14562931001 / 456 293 001]
Подробнее
14562931001 3 110 руб.

Область применения:

  • Для систем водоснабжения и отопления
  • Для труб RAUTITAN stabi и RAUTITAN flex

Характеристики:

  • Есть возможность фиксации

Материал: бессвинцовая бронза в соответствии с DIN SPEC 2701.

Размер a b c z1 z3 Вес
мм мм мм мм мм мм кг/шт
20 - Rp 1/2 - 16 49 24 49 33 33 0,180
Тройник настенный РЕХАУ RAUTITAN RX+, d - 20, d1 - 20, Rp - 1/2", с внутренней резьбой, бронза [Артикул: 14562941001 / 456 294 001]
Подробнее
14562941001 1 796 руб.

Область применения:

  • Для систем водоснабжения и отопления
  • Для труб RAUTITAN stabi и RAUTITAN flex

Характеристики:

  • Есть возможность фиксации

Материал: бессвинцовая бронза в соответствии с DIN SPEC 2701.

Размер a b c z1 z3 Вес
мм мм мм мм мм мм кг/шт
20 - Rp 1/2 - 20 50 24 50 34 34 0,177
Тройник настенный REHAU RAUTITAN RX+, d - 20, Rp - 1/2", d1 - 20, с внутренней резьбой [Артикул: 14562943001 / 456 294 001]
Подробнее
14562943001 1 768 руб.
Тройник РЕХАУ RAUTITAN RX+, d - 25, d1 - 25, Rp - 3/4", с внутренней резьбой на боковом проходе, бронза [Артикул: 14562961001 / 456 296 001]
Подробнее
14562961001 2 220 руб.

Область применения:

  • Для систем водоснабжения и отопления
  • Для труб RAUTITAN stabi и RAUTITAN flex

Характеристики:

  • С внутренней резьбой на боковом проходе

Материал: бессвинцовая бронза в соответствии с DIN SPEC 2701.

Размер a b c z1 z3 Вес
мм мм мм мм мм мм кг/шт
25 - Rp 3/4 - 25 55 27 55 32 32 0,216
Тройник REHAU RAUTITAN RX+, d - 25, Rp - 3/4", d1 - 25, с внутр. резьбой на боков.проходе [Артикул: 14562963001 / 456 296 001]
Подробнее
14562963001 2 123 руб.
Тройник РЕХАУ RAUTITAN RX+, d - 32, d1 - 32, Rp - 3/4", с внутренней резьбой на боковом проходе, бронза [Артикул: 14562971001 / 456 297 001]
Подробнее
14562971001 4 936 руб.

Область применения:

  • Для систем водоснабжения и отопления
  • Для труб RAUTITAN stabi и RAUTITAN flex

Характеристики:

  • С внутренней резьбой на боковом проходе

Материал: бессвинцовая бронза в соответствии с DIN SPEC 2701.

Размер a b c z1 z3 Вес
мм мм мм мм мм мм кг/шт
32 - Rp 3/4 - 32 61 30 61 34 34 0,327
Тройник REHAU RAUTITAN RX+, d - 32, Rp - 3/4", d1 - 32, с внутр. резьбой на боков.проходе [Артикул: 14562973001 / 456 297 001]
Подробнее
14562973001 4 636 руб.

Смотрите также