Logo
Ru| En

Office: M. Baumanskaya

Warehouse: Leninsky urban district

Loading

Geberit press fittings

The Geberit Mapress pipeline system is universal and it can be used for installing a pipeline for gas supply.

Geberit press fittings for gas pipelines are made of stainless steel, they have all the necessary permits and can be used to supply natural gas, liquefied gas and even some types of technical gas.

Press fittings for gas supply can have sizes from 15 to 108 mm.

The are installed in the same way as fittings for heating and water supply, that is, by pressing. There is pressing indicator at the fittings, which provide the reliability of the pressing - all the not pressed connections are immediately identified.

All Geberit fittings for gas pipelines have a bright yellow marking. They are equipped with a sealing ring of hydrogenated butadiene-nitrile rubber (HNBR).

Prices for Geberit stainless steel fittings can be found in the catalog on the links below:

Photo Наименование Article Цена
Geberit Mapress Carbon Steel T-piece, equal, d 42 [Code number: 21007]
Details
21007

ATTENTION! This product is temporarily unavailable for order!

Application purpose:

  • For heating installations
  • For air-conditioning applications
  • For sprinkler systems (wet)
  • Not suitable for drinking water

Characteristics:

  • Galvanized
  • Leaky if unpressed

Scope of delivery:

  • Seal rings CIIR black

Material: Unalloyed steel 1.0034 E 195 (DIN EN 10305)

Angle: 90°

Download the installation instructions: Geberit Mapress system

d L L1 l Z Z1
mm cm cm cm cm cm
42 11,4 6,5 5,7 2,7 3,5
Geberit Mapress Carbon Steel T-piece, equal, d 54 [Code number: 21008]
Details
21008 (G)

ATTENTION! This product is temporarily unavailable for order!

Application purpose:

  • For heating installations
  • For air-conditioning applications
  • For sprinkler systems (wet)
  • Not suitable for drinking water

Characteristics:

  • Galvanized
  • Leaky if unpressed

Scope of delivery:

  • Seal rings CIIR black

Material: Unalloyed steel 1.0034 E 195 (DIN EN 10305)

Angle: 90°

Download the installation instructions: Geberit Mapress system

d L L1 l Z Z1
mm cm cm cm cm cm
54 13,8 7,7 6,9 3,4 4,2
Geberit Mapress Carbon Steel T-piece, equal, d76,1 [Code number: 21009]
Details
21009

ATTENTION! This product is temporarily unavailable for order!

Application purpose:

  • For heating installations
  • For air-conditioning applications
  • For sprinkler systems (wet)
  • Not suitable for drinking water

Characteristics:

  • Galvanized
  • Leaky if unpressed

Scope of delivery:

  • Seal rings CIIR black

Material: Unalloyed steel 1.0034 E 195 (DIN EN 10305)

Angle: 90°

Download the installation instructions: Geberit Mapress system

d L L1 l Z Z1
mm cm cm cm cm cm
76,1 23 11 11,5 6,2 5,7
Geberit Mapress Carbon Steel T-piece, equal, d88,9 [Code number: 21010]
Details
21010 (G)

ATTENTION! This product is temporarily unavailable for order!

Application purpose:

  • For heating installations
  • For air-conditioning applications
  • For sprinkler systems (wet)
  • Not suitable for drinking water

Characteristics:

  • Galvanized
  • Leaky if unpressed

Scope of delivery:

  • Seal rings CIIR black

Material: Unalloyed steel 1.0034 E 195 (DIN EN 10305)

Angle: 90°

Download the installation instructions: Geberit Mapress system

d L L1 l Z Z1
mm cm cm cm cm cm
88,9 26 12,8 13 7 6,8
Geberit Mapress Carbon Steel T-piece, equal, d108 [Code number: 21011]
Details
21011 (G)

ATTENTION! This product is temporarily unavailable for order!

Application purpose:

  • For heating installations
  • For air-conditioning applications
  • For sprinkler systems (wet)
  • Not suitable for drinking water

Characteristics:

  • Galvanized
  • Leaky if unpressed

Scope of delivery:

  • Seal rings CIIR black

Material: Unalloyed steel 1.0034 E 195 (DIN EN 10305)

Angle: 90°

Download the installation instructions: Geberit Mapress system

d L L1 l Z Z1
mm cm cm cm cm cm
108 31 15,3 15,5 8 7,8
Geberit Mapress Carbon Steel T-piece, zinc-plated, d 66,7 [Code number: 21012]
Details
21012 (G)

ATTENTION! This product is temporarily unavailable for order!

Application purpose:

  • For heating installations
  • For air-conditioning applications
  • For sprinkler systems (wet)
  • Not suitable for drinking water

Characteristics:

  • Galvanized
  • Leaky if unpressed

Scope of delivery:

  • Seal rings CIIR black

Material: Unalloyed steel 1.0034 E 195 (DIN EN 10305)

Angle: 90°

Download the installation instructions: Geberit Mapress system

 

d L L1 l Z Z1
mm cm cm cm cm cm
66.7 22 10.5 11 6 5.5
Geberit Mapress T-piece reducing of carbon steel, d 12mm, d1 15mm, d2 12mm [Code number: 21101]
Details
21101

ATTENTION! This product is temporarily unavailable for order!

Geberit Mapress Carbon Steel T-piece, reduced, d 15, d1 18 [Code number: 21103]
Details
21103

ATTENTION! This product is temporarily unavailable for order!

Application purpose:

  • For heating installations
  • For air-conditioning applications
  • For sprinkler systems (wet)
  • Not suitable for drinking water

Characteristics:

  • Galvanized
  • Leaky if unpressed
  • Reduced

Scope of delivery:

  • Seal rings CIIR black

Material: Unalloyed steel 1.0034 E 195 (DIN EN 10305)

Angle: 90°

Download the installation instructions: Geberit Mapress system

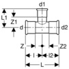
d d1 d2 L L1 l l2 Z Z1 Z2
mm mm mm cm cm cm cm cm cm cm
15 18 15 6,4 3,6 3,2 3,2 1,2 1,6 1.2
Geberit Mapress Carbon Steel T-piece, reduced, d 15, d1 22 [Code number: 21104]
Details
21104

ATTENTION! This product is temporarily unavailable for order!

Application purpose:

  • For heating installations
  • For air-conditioning applications
  • For sprinkler systems (wet)
  • Not suitable for drinking water

Characteristics:

  • Galvanized
  • Leaky if unpressed
  • Reduced

Scope of delivery:

  • Seal rings CIIR black

Material: Unalloyed steel 1.0034 E 195 (DIN EN 10305)

Angle: 90°

Download the installation instructions: Geberit Mapress system

d d1 d2 L L1 l l2 Z Z1 Z2
mm mm mm cm cm cm cm cm cm cm
15 22 15 6,4 4,2 3,2 3,2 1,2 2,1 1.2
Geberit Mapress Carbon Steel T-piece, reduced, d 18, d1 22 [Code number: 21105]
Details
21105

ATTENTION! This product is temporarily unavailable for order!

Application purpose:

  • For heating installations
  • For air-conditioning applications
  • For sprinkler systems (wet)
  • Not suitable for drinking water

Characteristics:

  • Galvanized
  • Leaky if unpressed
  • Reduced

Scope of delivery:

  • Seal rings CIIR black

Material: Unalloyed steel 1.0034 E 195 (DIN EN 10305)

Angle: 90°

Download the installation instructions: Geberit Mapress system

d d1 d2 L L1 l l2 Z Z1 Z2
mm mm mm cm cm cm cm cm cm cm
18 22 18 6,8 4,1 3,4 3,4 1,4 2 1.4
Geberit Mapress Carbon Steel T-piece, reduced, d 22, d1 28 [Code number: 21107]
Details
21107

ATTENTION! This product is temporarily unavailable for order!

Application purpose:

  • For heating installations
  • For air-conditioning applications
  • For sprinkler systems (wet)
  • Not suitable for drinking water

Characteristics:

  • Galvanized
  • Leaky if unpressed
  • Reduced

Scope of delivery:

  • Seal rings CIIR black

Material: Unalloyed steel 1.0034 E 195 (DIN EN 10305)

Angle: 90°

Download the installation instructions: Geberit Mapress system

d d1 d2 L L1 l l2 Z Z1 Z2
mm mm mm cm cm cm cm cm cm cm
22 28 22 7,4 4,5 3,7 3,7 1,6 2,2 1,6
Geberit Mapress T-piece reducing of carbon steel, d 15mm, d1 12mm, d2 12mm [Code number: 21201]
Details
21201

ATTENTION! This product is temporarily unavailable for order!

Geberit Mapress T-piece reducing of carbon steel, d 15mm, d1 12mm, d2 15mm [Code number: 21202 (G)]
Details
21202 (G)

ATTENTION! This product is temporarily unavailable for order!

Geberit Mapress T-piece reducing of carbon steel, d 18mm, d1 12mm, d2 18mm [Code number: 21203]
Details
21203

ATTENTION! This product is temporarily unavailable for order!

Geberit Mapress Carbon Steel T-piece, reduced, d 18, d1 15 [Code number: 21204]
Details
21204

ATTENTION! This product is temporarily unavailable for order!

Application purpose:

  • For heating installations
  • For air-conditioning applications
  • For sprinkler systems (wet)
  • Not suitable for drinking water

Characteristics:

  • Galvanized
  • Leaky if unpressed
  • Reduced

Scope of delivery:

  • Seal rings CIIR black

Material: Unalloyed steel 1.0034 E 195 (DIN EN 10305)

Angle: 90°

Download the installation instructions: Geberit Mapress system

d d1 d2 L L1 l l2 Z Z1 Z2
mm mm mm cm cm cm cm cm cm cm
18 15 18 6,8 4,2 3,4 3,4 1,4 2,2 1.4
Geberit Mapress T-piece reducing of carbon steel, d 22mm, d1 12mm, d2 22mm [Code number: 21205]
Details
21205

ATTENTION! This product is temporarily unavailable for order!

Geberit Mapress Carbon Steel T-piece, reduced, d 22, d1 15 [Code number: 21206]
Details
21206 (G)

ATTENTION! This product is temporarily unavailable for order!

Application purpose:

  • For heating installations
  • For air-conditioning applications
  • For sprinkler systems (wet)
  • Not suitable for drinking water

Characteristics:

  • Galvanized
  • Leaky if unpressed
  • Reduced

Scope of delivery:

  • Seal rings CIIR black

Material: Unalloyed steel 1.0034 E 195 (DIN EN 10305)

Angle: 90°

Download the installation instructions: Geberit Mapress system

d d1 d2 L L1 l l2 Z Z1 Z2
mm mm mm cm cm cm cm cm cm cm
22 15 22 7,4 4,4 3,7 3,7 1,6 2,4 1.6
Geberit Mapress Carbon Steel T-piece, reduced, d 22, d1 18 [Code number: 21207]
Details
21207

ATTENTION! This product is temporarily unavailable for order!

Application purpose:

  • For heating installations
  • For air-conditioning applications
  • For sprinkler systems (wet)
  • Not suitable for drinking water

Characteristics:

  • Galvanized
  • Leaky if unpressed
  • Reduced

Scope of delivery:

  • Seal rings CIIR black

Material: Unalloyed steel 1.0034 E 195 (DIN EN 10305)

Angle: 90°

Download the installation instructions: Geberit Mapress system

d d1 d2 L L1 l l2 Z Z1 Z2
mm mm mm cm cm cm cm cm cm cm
22 18 22 7,4 4,4 3,7 3,7 1,6 2,4 1.6
Geberit Mapress Reducing T-piece of carbon steel, d 76.1mm, d1 22mm, d2 76.1mm [Code number: 21208]
Details
21208

ATTENTION! This product is temporarily unavailable for order!

Geberit Mapress Carbon Steel T-piece, reduced, d 28, d1 15 [Code number: 21209]
Details
21209

ATTENTION! This product is temporarily unavailable for order!

Application purpose:

  • For heating installations
  • For air-conditioning applications
  • For sprinkler systems (wet)
  • Not suitable for drinking water

Characteristics:

  • Galvanized
  • Leaky if unpressed
  • Reduced

Scope of delivery:

  • Seal rings CIIR black

Material: Unalloyed steel 1.0034 E 195 (DIN EN 10305)

Angle: 90°

Download the installation instructions: Geberit Mapress system

d d1 d2 L L1 l l2 Z Z1 Z2
mm mm mm cm cm cm cm cm cm cm
28 15 28 8,4 4,7 4,2 4,2 1,9 2,7 1,9